Принцип работы и причины неисправности газовой колонки
Принцип работы любой газовой колонки, будь она современная или старая советская, очень прост. Внутрь устройства подается газ, который в процессе сгорания выделяет тепло, нагревая теплообменник и проходящий вокруг него змеевик вместе с протекающей водой. Получается, что в колонку из водопровода заводится холодная вода, которая по мере продвижения по змеевику нагревается, и уже горячая движется к точке забора: крану или душу. При этом продукты сгорания газа выводятся в дымоход, а оттуда – на улицу.

Причин, по которым колонка не нагревает воду, может быть множество. К ним относятся:
- продолжительное отсутствие обслуживания прибора;
- потерявшая эластичность от длительной эксплуатации мембрана;
- забившийся дымоход;
- износ теплообменника;
- неисправность системы поджига;
- слабый напор воды;
- проблема в системе подачи воды;
- образование накипи;
- маломощная горелка.
Чтобы газовая колонка снова начала греть воду, необходимо провести диагностику прибора, выявить неисправность и устранить ее своими силами либо с помощью специалиста.
Влияет ли напор воды на работоспособность колонки?
Причиной, почему оборудование не зажигается, может стать слабый напор воды в подающем водопроводе. Проверить это просто, надо всего лишь открыть кран с холодной водой у раковины. Если вы увидите, что напор слабый, значит причина именно в этом. Но если напор отличный, значит, проблема неисправности кроется в водяном узле самого газового устройства. Скорее всего, засорились фильтры либо деформировалась специальная мембрана. В некоторых случаях забивается кран подачи горячей воды, который изнутри покрывается накипью.
Схема работы газовой колонки.
В очень редких случаях причиной слабого напора становится фильтр для глубокой очистки, который ставится дополнительно. Как устранить неисправность? Если напор подачи холодной воды очень слабый в общей системе водоснабжения, необходимо позвонить в коммунальные обслуживающие службы, чтобы уточнить, по какой причине это происходит. Если колонка не зажигается из-за того, что фильтры засорены, то следует их снять, промыть при помощи специальных средств.
При сильном загрязнении фильтры требуется заменить, так как чистить их уже бесполезно. В случае засорения труб горячей воды надо вызвать мастера, который сможет их прочистить, самостоятельно выполнять эту работу не надо. При деформации мембраны ее не надо пытаться выправить, необходимо приобрести новую и установить ее. При засорениях продуктами сгорания и копотью колонку следует отключить, после чего снять кожух и прочистить ее узлы от следов сажи.
Колонка отказывается зажигаться при включении либо сразу гаснет, из-за того что не отрегулирована подача холодной либо горячей воды. При этом не надо стремиться разбавить горячую воду при помощи увеличения потока холодной, так как это приведет к постепенному затуханию пламени и отключению колонки. Такие неверные действия приводят к сокращению срока службы прибора. Необходимо еще при монтаже правильно отрегулировать все краны, если вы не можете сделать это самостоятельно, то лучше вызвать мастера.
Не зажигается
Наиболее распространенной причиной того, что не зажигается газовая колонка, может стать попросту отсутствие тяги в вентиляционном колодце. Вполне возможно, что в дымоход попал посторонний предмет или же он попросту забился накопленной с течением времени сажей. В такой ситуации срабатывает система защиты, которая находится внутри колонки и газ автоматически перекрывается непосредственно в приборе.
Проверяем тягу в дымоходе. Делается это достаточно просто: нужно просто поднести зажженную спичку к колодцу и, если пламя отклонится в его сторону – значит все нормально, тяга есть.
Достаточно устранить причину и газовая колонка будет работать исправно, то есть или самостоятельно прочистить колодец, или вызвать мастеров.
Еще одной причиной того, что газовая колонка не зажигается, может быть, банальная разрядка элементов питания, но это приемлемо исключительно для агрегатов с автоматическим розжигом (от генераторов или батареек). Примечательно, что вопреки заверениям производителей, которые утверждают, что срок службы батареек равняется одному году, менять их нужно намного чаще.
Устранение неисправности:
- проверка клавиши вкл/выкл газовой колонки;
- замена батареек.
В-третьих, газовая колонка может не зажигаться попросту из-за недостаточного напора воды. И это легко проверить – просто откройте холодный кран. Если напор маленький – вполне возможно причина кроется не в агрегате, а во всем водопроводе или в отдельном его участке.
В случае, если напор холодной воды более сильный, чем в горячем кране, — вполне возможно причина кроется непосредственно в водном узле газовой колонки (засорились фильтры или деформировалась мембрана). Очень часто причиной становятся так же дополнительно установленные в системе фильтры грубой очистки.
Устранение неисправности:
- первым делом нужно позвонить в коммунальную службу относительно выяснения причины отсутствия напора;
- промывка фильтров очистки или замена такового в смесителе;
- можно оставить в коммунальной службе заявку на промывку труб, подающих горячую воду;
- прочистка газовой колонки от продуктов сгорания и от копоти;
- замена мембраны водного узла колонки.
В-четвертых, часто бывает так, когда газовая колонка зажигается и гаснет сразу. В такой ситуации нужно отрегулировать подачу воды (горячей и холодной).
Устранение неисправности: уменьшение подачи холодной воды в кране.
Неисправности, требующие обязательного обращения к специалисту
Две основные причины того, что газовая колонка гаснет:
- срабатывает один из трех аварийных датчиков: тяги, перегревания или горения;
- колонка засорена, что является причиной полной невозможности ее розжига.
Первоначальные действия в случаях прекращения работы агрегата:
- Для исключения первого варианта необходимо убедиться, отсутствует запах газа, и тяга в дымоходе осуществляется. Если это обнаружено, необходимо вызвать мастера для прочистки дымового клапана.
- Датчик перегрева включается, в случае если теплообменник засорен или не работает регулирующая автоматика. Его назначение – предохранение медного змеевика. В этой ситуации проветривается комната, ждется, пока остывает агрегат. Обращение к специалисту является обязательным, поскольку осуществить должное регулирование колонки после ее очистки от накипи может только обученный газовщик.
- В случае срабатывания третьего датчика автоматически перекрывается подача газа. Фактически этот датчик является обычной термопарой. Если пламя есть, вырабатывается ток и через электромагнитный клапан пропускается газ. При погашении огня, клапаном перекрывается подача топлива в течение 10 сек. При этом можно услышать характерный звук, напоминающий щелчок пальцами.

Алгоритм действий при отключении теплового механизма:
- выдерживается 10-15 минут (для остывания датчиков);
- проверяется тяга дымохода;
- проверяется наличие газа;
- проветривается комната;
- осуществляется попытка запуска агрегата (ставится ручка мощностей в необходимое для включения положение, держится во включенном состоянии 20 сек, нажимается кнопка «пьезозапал»);
- если выполненные действия не привели к желаемому результату, проверяется функционирование датчика горения;
- нерабочее состояние датчика горения может быть вызвано загрязнением патрубка, работающего по принципу пылесоса, поэтому следует провести его тщательную чистку;

Для очистки устройства, которое подает газ для горения (патрубка) осуществляются такие действия:
- снимается ручка, которая регулирует температуру воды;
- устанавливается требуемая позиция розжига;
- снимается поверхность газового устройства;
- поднимаются с помощью отвертки зажимы патрубка, находящиеся сверху;
- отдельно кладутся эти зажимы;
- отодвигая нижний зажим, достается патрубок;
- трубка, на которой собрана пыль, моется под проточной водой, прочищается с помощью ватных тампонов и палочек;
- обязательным условием нормальной очистки трубы является удаление всех остатков моющего средства и воды;
- форсунка также проходит тщательную очистку;
- трубка устанавливается обратно в прибор, начиная с верхнего крепления, где расположен пружинистый конец;
- для нижнего крепления потребуется приложить достаточно силы, чтобы плотно закрепить патрубок;
- ставятся на прежнее место зажимы;
- осуществляется повторная попытка зажигания колонки путем одновременного включения пьезорозжига и регулятора мощности;
- ручки и кнопки держатся в таком положении минимум 10 секунд;
- вставляется на прежнее место ручка регулировки температурных режимов.
Кроме того о самой распространенной причине затухания газовой колонки рассказывается в данном видео:
Профилактика поломки
Чтобы избежать проблем с работой газовой колонки, необходимо проводить ее профилактику не реже 1 раза в год. Для этих процедур рекомендуется вызывать профессионалов, но если есть желание сэкономить и выполнить эти действия самостоятельно, необходимо разобрать устройство, предварительно перекрыв подачу газа, и тщательно вычистить изнутри щеткой или ветошью. Для улучшения эффекта можно использовать пылесос.
Итак, если газовая колонка плохо нагревает воду или не греет ее вообще, необходимо провести диагностику устройства для выявления причины неисправности. Данную проблему может вызвать множество поломок водонагревателя этого типа, многие из которых случаются по причине отсутствия регулярного профилактического обслуживания устройства. После того, как неисправность обнаружена, можно попробовать устранить ее самостоятельно либо обратиться за помощью к специалистам, если нет уверенности в собственных силах.
Тухнет фитиль газовой колонки — причины

Как работает запальник газовой колонки?
Запальник может некоторое время проработать после включения воды, а бывает, что он тухнет сразу же.
Давайте разбираться с причинами отказа оборудования в двух этих случаях. В общих случаях причины отказа оборудования заключаются в следующих моментах:
- неисправна термопара;
- запальник засорен пылью или мусором;
- сильные воздушные потоки сбивают пламя;
- в дымоходе нет тяги или она недостаточна;
- вышли из строя датчики контроля тяги;
- нарушены контактные соединения датчика с блоком питания.
Термопара в большинстве случаев приводит к отказам в работе оборудования. Технически этот узел представляет собою предохранительное устройство поступления газового потока при форс-мажорах в работающей колонке. Если термопара изношена или обгорела под длительным воздействием пламени, она станет причиной затухания фитиля.
Замусоривание запальника не обязательно происходит «под завязку». При конструктивно небольших отверстиях фитиля горелки достаточно попадания нескольких крупных включений, чтобы начались проблемы с нагревом термопары до стандартных температур.
Проблемы с задуванием пламени происходят при неправильно отрегулированной вентиляции колонки
Но здесь важно точно установить причину, не приняв ошибочно слабую тягу за проблемы воздухообмена.
Теперь рассмотрим причины сбоев в зависимости от времени действия запальника.
Почему запальник гаснет сразу после включения?

Что делать, если запальник гаснет сразу после включения?
- Потребитель успевает заметить небольшой проблеск фитиля и все – запальник тут же гаснет. Причем, запустить вновь оборудование не получается.
К перебоям в работе приводит отказ механизма подачи газа – сервомотора/магнитного клапана. Чистки узла – мера временная. Решит проблему полная замена клапанов.
- Если фитиль срабатывает и затухает примерно через минуту, можно констатировать срабатывание системы безопасности «газ-контроль». Это происходит для предотвращения утечек газа, попадания продуктов горения в помещение или недопущения разрыва в случае перегрева оборудования.
Фитиль тухнет через непродолжительное время работы колонки

Почему запальник гаснет через время после включения
- Плохая тяга или полное ее отсутствие. Происходит из-за неисправности дымоходов и попадания в помещение продуктов горения – угарного газа. Контрольные приборы фиксируют опасные утечки, срабатывает защитное отключение оборудования, и колонка на время блокируется.
- Оборудование коптит. В большинстве случаев проблема характерна для колонок, находящихся в эксплуатации длительное время. Норма для газового оборудования – ежегодное техническое обслуживание. Если пренебрегать этим правилом, сажа скапливается на газовой горелке, забивает теплообменник, приводя к попаданию в помещение угарного газа.
- Перегрев теплообменника. Для каждой колонки существуют индивидуальные технические условия использования. В большинстве случаев критической температурой нагрева является +55°. Превышение безопасного режима ведет к увеличению испарения воды и накоплению горячего конденсата. Пар повышает давление оборудования, в результате чего трубки обменника не выдерживают и разрываются. Для предотвращения этого изготовитель комплектует колонки датчиком индикации температуры в теплообменнике.
- Плохой напор подачи воды, износ мембран. Существуют марки газовых котлов, изначально чувствительных к этому показателю. В этом случае «плавающий» поток, неисправный смеситель или душ, малое давление в теплосетях приведут к аварийному отключению запальника.
Внешние факторы неисправности
Что делать если не зажигается газовая колонка? Сбои в работе газовой колонки могут быть вызваны не зависящими от нее обстоятельствами. Рассмотрим их по порядку:
Газоснабжение
Тут особо говорить не о чем, и так все понятно: если газ отключили, водонагреватель работать не будет.
Только не спешите сразу во всем обвинять газовщиков.
Если в системе имеется фильтр, сначала убедитесь, что он не забился.
Водопровод
Вот какие сюрпризы может преподносить система водоснабжения:
Подсоединение труб выполнено с ошибкой
Вполне вероятная причина, особенно если за установку колонки берется дилетант. Если только что установленный водонагреватель отказывается работать – проверьте еще раз схему подключения.
Недостаточный напор
Некоторые из газовых колонок оборудованы системой розжига, которая приводится в действие потоком воды – он вращает турбинку, связанную с пьезоэлектрическим элементом.
При слабом напоре, естественно, такая система окажется неработоспособной.
Открытие газового клапана также осуществляется давлением воды – посредством мембраны, о которой говорилось выше. Если вода течет еле-еле, клапан останется наглухо закрытым.
Чаще всего проблемы с напором имеют место в сельских населенных пунктах. Их жителям при покупке колонки обязательно следует уточнять, при каком минимальном напоре она может работать.
Однако, и в городских условиях напор в трубе может оказаться мизерным. Причина – в засорении сеточного фильтра, установленного перед колонкой. Чтобы проверить эту гипотезу, откройте на смесителе кран для холодной воды. Если здесь напор нормальный, значит проблема действительно носит локальный характер – нужно проверять сеточный фильтр или теплообменник (об этом ниже).
Поднялась температура воды на входе
Некоторые пользователи по неопытности забывают учесть тот факт, что вода в водопроводе с началом сезона весны-лета становится теплее. Если колонка осталась настроенной на зимний режим, она будет постоянно отключаться из-за перегрева.
Система дымоудаления
При отсутствии тяги в дымоходе защитная автоматика, несмотря на все ваши увещевания, пользоваться колонкой не позволит.
К примеру, при засорении дымохода газовый водонагреватель не зажжется.
К внешним причинам, из-за которых может ухудшиться отток продуктов сгорания, относятся следующие:
- Засорение дымохода: в дымоотводящий канал может попасть мусор либо птица. Кроме того, со временем он зарастает сажей, поэтому нуждается в периодической чистке.
- Установка над оголовком дымохода крупных объектов: в большинстве случаев таким объектом становится телевизионная спутниковая антенна. Она препятствует свободному истечению газов, на что датчик тяги тут же реагирует.
- Отсутствие притока наружного воздуха: пользователь не должен забывать, что для нормальной тяги необходимо обеспечить подачу воздуха в помещение извне. При работе колонки обязательно должна быть открыта хотя бы форточка. В особенности это касается герметичных стеклопакетов в металлопластиковых рамах.
- Неблагоприятные погодные условия: колонка может потухнуть и из-за того, что сильный ветер или вихрь ухудшает тягу либо, наоборот, резко усиливает ее, вызывая отрыв пламени.
Наличие тяги проверяется путем поднесения к «смотровому окошку» колонки бумажного листа или зажженной спички. При надлежащем состоянии системы дымоудаления пламя будет втягиваться в «окошко», а бумага – прижиматься к нему.
Вода плохо греется
Причина 1. Недостаточная мощность колонки
Возможно, вы часто нуждаетесь в одновременной подаче воды на кухню и в ванную, а колонка не успевает прогревать такой объём.
Решение:
- Подобрать агрегат большей мощности.
- Включать горячую воду в разных комнатах попеременно.
Причина 2. Колонка засорилась
Засор может возникнуть в горелке или теплообменнике из-за избытков сажи. Сигнализировать о нём будет красно-белый цвет пламени при нормальном напоре воды.
Решение — прочистить колонку, желательно с помощью специалиста.
Причина 3. Повреждена мембрана водяного узла колонки
Если сначала идёт вода приемлемой температуры, но постепенно она становится холоднее, пламя колонки голубого цвета, а огонёк слабый, значит, проблема в целостности мембраны. Холодная вода вклинивается в поток горячей, и температура на выходе понижается.
Решение — заменить мембрану.
Причина 4. Неправильно установлены шланги входа-выхода воды
Если вы только что включили новую колонку, а горячей воды как не было, так и нет, вероятно, при установке были допущены ошибки.
Решение — переключить шланги.
Неисправности и методы их устранения
Как и любая другая техника, газовая колонка Vektor может со временем перестать функционировать. Такую ситуацию может спровоцировать ряд причин.
Например, если устройство не начинает работу, но искра при этом присутствует. При этом могут наблюдаться следующие признаки:
- Отсутствует подача газа. Для ее возобновления нужно открыть вентиль.
- Вода льется в систему со слабым напором. Для ликвидации проблемы можно установить нанос, который сделает водное давление больше.
- Вода в системе имеет хороший напор, но при выходе его теряет. Вероятнее всего, в теплообменнике образовалась накипь. Для устранения причины потребуется разобрать деталь и почистить ее.

Если техника не включается и нет искры, то для устранения неполадки в первую очередь стоит провести осмотр реле и определить установленный в нем режим. Если он минимален, то требуется переключение на максимум. Второй причиной может быть необходимость замены батареек.
Аппарат зажигается и тухнет через некоторое время работы. Причины ситуации:
- Плохая тяга, увеличить которую можно путем чистки дымохода.
- Капает газоотводящая труба на месте соединения. В таком случае требуется срочно восстановить ее герметичность.
- Срабатывание датчика, который контролирует температуру. В этом случае стоит понизить температуру.

Если при максимальной газовой подаче температура воды не нагревается до нужного уровня, проблема может быть вызвана следующими причинами:
- Засорением теплообменника. Соответственно, элемент нужно срочно промыть.
- Слабым газовым давлением, нормализовать которое в состоянии только газовая служба.
- Засорением или повреждением мембраны. Для устранения неполадки стоит отремонтировать водогазовый узел или провести замену мембраны.
- Резкой сменой цвета пламени с синего на желтый. Нужно проверить накопление пыли и сажи внутри горелки. Если она присутствует, то деталь стоит прочистить.
Если газовая колонка гудит и вибрирует во время работы, то это может быть:
- неисправностью теплообменника, который нуждается в срочном ремонте;
- слишком высокое давление газа – при его понижении проблема самоустранится.

Если колонка не горит, гаснет, то причин может быть несколько. В этом случае техника может искрить или искра вовсе может отсутствовать. Причина может скрываться в большом давлении воды, которое стоит уменьшить. Также в устройстве могут быть сломаны детали, которые срочно стоит заменить.
Возможных причин, которые могут вывести из строя газовую колонку Vektor, множество. Некоторые поломки кроются внутри аппарата, другие становятся следствием сбоев в поступлении воды или газа, а третьи – в неправильном использовании устройства. Как и любая другая техника бытового использования, газовая колонка нуждается в правильной и грамотной установке, настройке и бережном отношении.
Подробный обзор газовой колонки Vektor – в видео ниже.
Пошаговая инструкция поиска причин почему газовая колонка electrolux не зажигается
-
Первым делом проверьте есть ли газ вообще в трубопроводе. Для этого включите газ на кухне. Если газ горит жёлтым пламенем, или нет напора, возможно на линии идут ремонтные работы. В таком случае остатки газа в трубопроводе должны через несколько минут погаснуть. Проверьте газовые краны на трубе. Возможно, кто-то их перекрыл или открыл не полностью.
-
Нет напора воды в водопроводе. Откройте кран холодной воды в ванной или на кухне. Если напора нет сначала спросите как у соседей с водой, а потом уже звоните в жилищно коммунальное хозяйство города Москвы. В этом случае вариантов два: напора нет виновато ЖКХ, напор у соседей есть, ищите причину у себя дома. Если давления воды нет вообще нигде в квартире, значит забит фильтр очистки на вводе в дом. Открутите заглушку и промойте фильтр. Если на кухне давление воды нормальное, а в колонке его нет, тогда надо убедиться что:
-
кран на водяной трубе открыт полностью;
-
аэратор на гусаке в умывальнике и ванной не забит грязью;
-
возможно есть ещё один фильтр для воды перед вводом в колонку.
Если трубопровод холодной воды имеет срок службы более 10 лет возможно он забит отложениями солей и грязью.
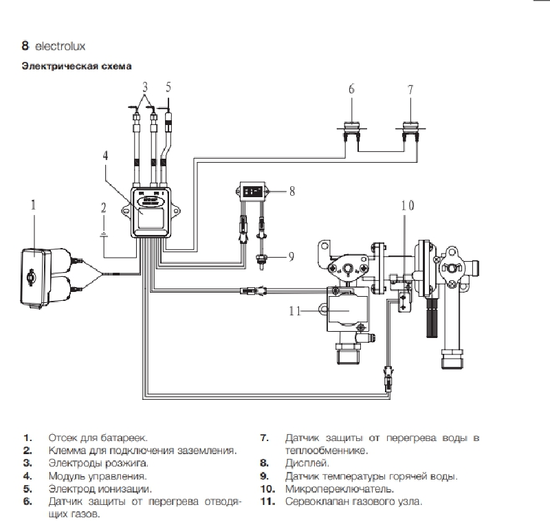
Электрическая схема газовой колонки Electrolux Nano Plus 2.0
Если датчик тяги вышел из строя и его контакты разомкнуты, газовая колонка не включится
Обратите внимание на датчик защиты от перегрева отходящих газов.
Он включен последовательно с датчиком нагрева воды и работает на размыкание. Если проточный водонагреватель не включается вообще, то датчик тяги тут ни причём проблема в другом месте
Он может блокировать колонку только, если его контакты постоянно разомкнуты. Чтобы его проверить надо снять переднюю защитную панель. Сначала отключите дисплей от батарей питания, потом все разъёмы, идущие к модулю управления. Перекройте газ и воду, а потом снимайте переднюю панель. Датчик тяги крепится к газоотводящему кожуху. Отсоедините провода, идущие к нему «мама, папа» и соедините провода, идущие к термопаре, между собой. Если колонка не желает зажигаться, значит, датчик тяги исправен и он здесь ни причём.
Тем же самим способом проверьте датчик перегрева воды, который крепится к теплообменнику.
Термопара или электрод ионизации может влиять на работу проточного водонагревателя. Термопара сделана из двух разнородных металлов, которые при нагревании вырабатывают электродвижущую силу в милливольтах. Этого достаточно чтобы модуль управления при появлении э.д.с. открыл электромагнитный клапан и подал газ на электрод розжига. Отсутствие контакта между корпусом термопары и колонкой будет причиной того, что водонагреватель зажигаться не будет.
Снимите термопару, проверьте её работоспособность прочистите контакты и установите на место. Для проверки установите её над горящей свечой и подключите вольтметр к корпусу и центральному проводу. Вольтметр должен дать показания в пределах 10-30 милливольт. Если вольтметр ничего не показывает, значит неисправную термопару надо заменить исправной.
-
Если модуль электроники погас и даже при замене батареек не светится вызывайте слесаря для его замены.
-
Самая сложная неисправность это пробитая мембрана в водном узле. Только после проверки всех вариантов возможных поломок беритесь за разборку водно- газовой группы в таком порядке:
-
отключите газ и воду от проточного водонагревателя;
-
снимите переднюю панель, предварительно отключив дисплей и сняв ручки управления подачи газа и воды;
-
откройте кран горячей воды в ванной или на кухне;
-
открутите фитинг подачи холодной воды в колонку;
-
отсоедините водно газовую группу от газовой магистрали;
-
спустите всю воду из водонагревателя;
-
открутите гайки фитингов от труб подающих воду и газ от водно газовой группы;
-
снимите водно газовую группу и приступайте к разборке;
-
открутите винты (4-6 штук), удерживающие две половины «лягушки», и осмотрите мембрану. Если она пробита или деформирована замените новой.
-
вытащите тарелку и шток, давящий на газовый клапан, и сделайте ревизию его технического состояния;
-
если шток изогнут или треснула тарелка их надо заменить;
-
проверьте состояние сальника в группе сальник-шток. Если сальник изношен замените его новым.
-
соберите водно газовую группу и установите на место.
-
Ещё одна маленькая неисправность, влияющая на зажигание колонки, это неисправность микропереключателя (на схеме под номером 10). Проверьте его работоспособность тестером.
-
Если сгорела обмотка электромагнитного клапана (сервоклапан на схеме под номером 11) газовая колонка electrolux не будет зажигаться.
-
Самая простая неисправность — это разряд батарей. Об этой неисправности дисплей выдаст сообщение. Замените старые батарейки новыми.
Прочие неисправности
Одна из самых простых неисправностей, из-за которых не включается проточный нагреватель с автоматическим розжигом – это севшие элементы питания. Ориентировочный срок службы батареек – 1 год, но бывает, что их заряд заканчивается и раньше, это зависит от качества изделий. Розжиг от гидрогенератора подразумевает наличие в системе определенного давления воды, и если его нет, то агрегат опять же не запустится.
Иногда в камере сгорания происходят хлопки, чему виной засоренный жиклер запальника. Пламя на нем становится слабым и для розжига горелки необходима более высокая концентрация газа. Когда она достигается, то топлива в камере уже достаточно много и происходит хлопок. Наличие на запальнике слабого огонька желтого цвета свидетельствует, что жиклер нуждается в очистке.
В некоторых ситуациях, связанных с перегревом воды, газовый клапан срабатывает по команде датчика температуры. Колонка зажигается уже после остывания теплообменника. Здесь требуется консультация специалиста, поскольку надо разобраться в причинах перегревания. Кроме того, работа в экстремальном режиме приводит к срабатыванию предохранительного клапана, из него постоянно капает вода.
Список источников
- cotlix.com
- budeshstroit.ru
- aquacomm.ru
- Lifehacker.ru
- udobnovdome.ru
- gazoviy.com
- PravoZhil.com
- hitech-online.ru
- boilervdom.ru
- stroy-podskazka.ru
7 лестниц