Введение.
Качество воздуха в помещениях жилых и общественных зданий обеспечивается необходимым уровнем вентиляции, поддерживающим допустимые значения содержания углекислого газа в помещениях. В России действует межгосударственный стандарт ГОСТ 30494–2011 «Здания жилые и общественные. Параметры микроклимата в помещениях», в котором указаны четыре класса помещений, в зависимости от объема углекислого газа, измеренного в см3в 1 м3 воздуха.
· 1 класс – Высокое качество воздуха – 400 см3 и менее.
· 2 класс – Среднее качество воздуха – 400-600 см3.
· 3 класс – Допустимое качество воздуха – 600-1000 см3.
· 4 класс – Низкое качество воздуха – 1000 см3 и более.
В международной практике принято измерять концентрацию углекислого газа в «ppm» (partspermillion – частей на миллион). Т.е. 1 ppm — это одна миллионная доля. Концентрация СО2 в 1 ppm означает, что в 1 м3 воздуха содержится 1 см3 углекислого газа. Например, на улице уровень СО2 составляет 350…400 ppm
Уровень концентрации СО2 в помещении служит основным показателем качества воздуха. Он выступает как индикатор, по которому можно судить не только о других загрязнителях, но и о том, насколько хорошо работает вентиляционная система в здании. Исследования ученых-экологов показывают, что если в воздухе присутствуют, кроме углекислого газа, летучие органические соединения и формальдегиды, то достаточно следить только за СО2. Если вентиляция справляется с ним, то остальные загрязнители также остаются на низком уровне. Более того, по СО2 можно судить и о количестве бактерий в воздухе. Чем больше углекислого газа, тем хуже справляется вентиляция и тем больше в воздухе разных бактерий и грибков. Особенно отчетливо это заметно зимой, когда интенсивность вентиляции падает, а количество респираторных инфекций растет.
Уровни концентрации СО2 и их влияние на человека изображены на рисунке (Рисунок 1).

Рисунок 1. Влияние концентрации СО2 на человека
На рисунке: ASRAE – American Society_of_Heating, Refrigeratingand Air-Conditioning Engineers (Американское Общество инженеров по отоплению, охлаждению и кондиционированию воздуха).
OSHA – Occupational_Safetyand_Health_Administration (Федеральное агентство США, которое регулирует охрану труда). Как видно из рисунка данные российского и американского стандарта по микроклимату в помещении практически совпадают.
Предлагаемое устройство является измерителем-сигнализатором уровня углекислого газа в помещении. Оно проводит периодические измерения концентрации углекислого газа в помещении с выводом полученного значения на ЖК-дисплей. Устройство анализирует полученное значение концентрации углекислого газа, классифицирует ее степень по трем установленным классам состояния воздуха («свежий воздух», «норма», «душно») и сигнализирует о качестве воздуха светодиодными индикаторами. Каждому классу качества воздуха соответствует светодиод определенного цвета свечения: зеленый – свежий воздух, желтый – норма, красный – душно. При этом если устройство определило, что концентрация СО2 в помещении превысила значение «душно», то дополнительно к светодиоду красного цвета свечения включается прерывистый звуковой сигнал.
Пользователь может самостоятельно задать пороговые уровни концентрации СО2 исходя из строительных норм, санитарных норм или собственного предпочтения.
Кроме измерения уровня СО2, устройство также измеряет и отображает на ЖК-дисплее еще два важных климатических параметра: температуру и влажность воздуха в помещении.
Внешний вид устройства показан на рисунке (Рисунок 2).

Рисунок 2. Внешний вид станции
Видео с демонстрацией работы станции представлено ниже:
Устройство газоанализатора диоксида углерода
Недисперсионные устройства оснащаются светофильтрами либо приемниками, принцип работы которых схож с первыми. Также в данном устройстве присутствует рабочая камера, из которой воздух перетекает в следующий приемник.
Источником излучения может быть инфракрасный лазер, светодиод, нагретая спираль.
В инфракрасных датчиках применяются селективные приемники, элементы полупроводников, болометры и термобатареи. В селективном приемнике используется немонохроматическое излучение, в остальных случаях датчики имеют в своем составе фильтры интерференционные или газовые. В некоторых моделях используется сборный фильтр, состоящий из двух, один из которых пропускает ИК-полосу заданного диапазона, а другой — не пропускает.
Рассогласование сигналов осуществляется с помощью использования вычислительного устройства и сборного детектора, расположенных сзади фильтра.
Те датчики, которые предназначены для работы на открытой местности, производятся из поликарбоната РС. Для работы внутри помещений используются приборы из акрилонитрил-бутадиен-стирола, поскольку у них пониженная ударопрочность и более низкий температурный диапазон.
Датчики диоксида углерода способны избирательно поглощать молекулу СО2. Дисперсионные датчики используют одноволновое излучение, получаемое монохроматографом.
Проблемы
При проникновении воды в корпус датчика он может выйти из строя. Следует отметить, что подобное повреждение не покрывается гарантией. Однако, в связи с тем, что корпус устройства достаточно герметичен, чаще всего намокают только окончания проводов.
Это может повлечь за собой коррозию или ослабление крепления клеммных соединений. Для решения подобной проблемы необходимо обеспечить долгосрочную коррозионную защиту и заблокировать неиспользуемые порты.
Такая неисправность, как сбой нуля датчика, устраняется повторной калибровкой, которая должна проводиться в соответствии с прилагаемой инструкцией.
Если на дисплее не отражаются показатели, это может сигнализировать об избытке солнечного света или отсутствии отклика трансмиттера. В первом случае, для уменьшения отблеска, необходимо установить защитный щиток, а во втором – проверить подачу напряжения на клеммы, а также убедиться, что нет сбоя в ITM, и на кабеле отсутствует влага, приводящая к коррозии его металлических частей.
Меры предосторожности
Практически все сенсоры, работающие по принципу инфракрасной спектроскопии, очень чувствительны к пыли и внешним механическим воздействиям (ударам). Это следует знать и учитывать при размещении и эксплуатации датчиков.
При невозможности установить прибор в месте, защищенном от воздействия сильного ветра, прямого попадания пара, вибрации, скопления пыли и атмосферных осадков, перед датчиком устанавливается специальный грязевой щиток.
Перед снятием детектора СО2 его следует предварительно отключать от источника электропитания.
При проведении технического обслуживания, во избежание скопления статического заряда на пластиковых поверхностях, щитке или переходнике, необходимо избегать контакта материалов друг с другом, а также, по возможности, заземлить все доступные металлические части электрооборудования.
На все без исключения модели датчиков распространяется гарантия. Однако устройство может быть снято с гарантийного обслуживания при несоблюдении потребителем требований компании-производителя, использованию прибора не по назначению, а также при наличии следов постороннего вмешательства, попадании внутрь корпуса инородных предметов и жидкостей, а также при внесении изменений в конструкцию.
Прибор отечественного производства
ООО «Квазар» выпускает множество газоанализаторов, в том числе и датчик СО2 под маркой «ОКА-Т-CO2».
Этот датчик монтируется на DIN-рейку. Индикация показаний — цифровая.
Как и у иностранных аналогов, у него есть интерфейс для связи с компьютером.

В отличие от зарубежных аналогов данный прибор градуирован не в ppm, а в объемных процентах. Диапазон измерений — от 0 до 5. При 0,5 % прибор подает сигнал, что можно настроить. Относительная погрешность прибора, по заявлениям производителя составляет 25 %, что достаточно много по сравнению с предыдущими рассматриваемыми моделями.
Поверка должна производиться ежегодно. Плюсом является широкий температурный диапазон работы — от -40 °С до +50 °С.
Эксплуатация
Датчики углекислого газа, являющиеся одним из основных критериев эффективности вентиляционных систем, в зависимости от комплектации, могут устанавливаться в обслуживаемой зоне (на высоте 1-2 метра над уровнем пола), или в сборном вытяжном воздуховоде. Через прибор должно проходить достаточное количество воздуха.
Чтобы предотвратить газообмен между воздухом, содержащимся в воздуховоде, корпус анализатора должен быть тщательно заизолирован. В помещениях с большим количеством людей, постоянно выдыхающих углекислый газ, устройство должно крепиться не менее чем в метре от живых объектов.
Датчики размещают на доступной высоте, в хорошо освещенном месте.
При определении концентрации оксида углерода на свежем воздухе прибор выносится на улицу, после чего осуществляется продувка в соответствии с инструкцией производителя устройства.
Допустимые условия окружающей среды:
- влажность – 0-95% (при отсутствии конденсата);
- температура: 0-50 С.
Прошивка ESP
Первым делом нам понадобится наша плата, которую мы будем прошивать. Сразу предупрежу, что в зависимости от используемой ОС есть несколько вариантов прошивки — ниже будет рассмотрена (по-моему) наиболее простой способ для macOS (без установки Arduino IDE и тд). Инструкцию для Windows можно найти здесь.
- Подключаем нашу плату ESP к компьютеру с помощью microUSB кабеля
- Открываем терминал и вводим для того, чтобы определить имя порта, к которому мы подключили нашу ESP
ls /dev/tty.*
- На выходе мы должны найти что-то типа /dev/tty.SLAB_USBtoUART или /dev/tty.usbserial-A1048DR2. Если подобная запись есть, то копируем её себе — она пригодится позже, и пропускаем следующий шаг.
- Если же вы видите только что-то типа /dev/tty.Bluetooth-Incoming-Port, то значит порт для подключенного устройства не появился, и нам необходимо поставить специальное ПО. Скачиваем его по этой ссылке (во время установки может потребовать дать доступ в системных настройках). После его установки повторяем шаг 2 и находим /dev/tty.SLAB_USBtoUART.
- Теперь скачиваем прошивку с гитхаба (выбираем просто последнюю).
- Распаковываем скачанный архив, заходим в папку bin и находим там версию для 4096, она будет называться примерно так ESP_Easy_mega-20190116_normal_ESP8266_4096.bin
- Если вы распаковали архив в папку Downloads, то путь до нее должен быть приблизительно таким ~/Downloads/ESPEasy_mega-20190116/bin/ESP_Easy_mega-20190116_normal_ESP8266_4096.bin
- Дальше мы переходим к прошивке. Устанавливаем esptool.
- Переходим в терминале в папку Downloads
cd ~/Downloads
- Скачиваем esptool c github
git clone https://github.com/themadinventor/esptool.git
- Переходим в папку esptool
cd esptool
- Устанавливаем esptool
sudo python setup.py install
- Переходим в терминале в папку Downloads
- После успешной установки нам осталось выполнить лишь одну команду
sudo python esptool.py --baud 921600 --port /dev/tty.SLAB_USBtoUART write_flash -fm dio 0x00000 ~/Downloads/ESPEasy_mega-20190116/bin/ESP_Easy_mega-20190116_normal_ESP8266_4096.bin
В данной команде вы должны подставить , соответствующие значения из пункта 3 (или 4) и из пункта 7. Т.е. порт и путь до файла с прошивкой.
После этого запустится процесс прошивки (он будет длиться недолго), по итогам которого у вас среди списка доступных wi-fi сетей должна появится сеть от нашего прошитого устройства (с названием типа ESP_0).

Выбор датчика и покупка
И так, нам понадобится:
Девайсы
- Датчик CO2
- Микрокомпьютер на базе ESP8266
- Коннекторы мама-мама
- Стандартный micro-USB кабель для подключения платы к компьютеру или сети
Софт
- macOS (для настройки) или Windows
- поднятый ранее MQTT (описано здесь)
- Home Assistant или HomeBridge (в общем-то подойдёт и любой другой центра автоматизации)
Датчик CO2

В качестве датчика CO2 мной был выбран MH-Z19B с уже припаянными коннекторами-папа — Aliexpress. В сети можно найти сравнение датчиков MH-Z19, MH-Z19B и Senseair. В этих сравнениях MH-Z19B и Senseair показывали приблизительно одинаковые результаты, но т.к. всевозможных инструкций и гайдов по MH-Z19(B) больше, то был выбран он.
Микрокомпьютер на базе ESP8266

В качестве ESP был выбран nodeMCU CP2102 — Aliexpress. У него есть свои минусы (перед тем же Wemos), но есть один большой плюс. Его можно просто подключить к компьютеру и достаточно просто прошить — в интернете полно гайдов, но ниже будет разобран (как по мне самый простой гайд для macOs — как обычно для них гайдов намного меньше)
Коннекторы мама-мама

Мной были куплены в ближайшем радио-магазине. Поэтому здесь просто первая рандомная ссылка по запросу «jumper diy» — Aliexpress.
Описание
Принцип действия ТС основан на зависимости сопротивления тонкопленочного или проволочного платинового термочувствительного элемента (ЧЭ) от температуры. ЧЭ имеет номинальную статическую характеристику преобразования (НСХ) типа «Pt100» по ГОСТ 6651-2009 (МЭК 60751).
ТС состоят из одного или двух ЧЭ и внутренних соединительных проводов, помещенных в герметичный защитный корпус с различными видами присоединения к объекту измерений, который соединен с защитной коммутационной головкой или заканчивается удлинительными проводами, в т.ч. с различными разъемами. Материал защитного корпуса ТС – нержавеющая сталь 1Cr18Ni9Ti или 0Cr18Ni12Mo2Ti. ТС могут иметь 2-х, 3-х или 4-х проводную схему соединения внутренних проводов с ЧЭ.
ТС моделей WZP-231, WZP-280, WZP2-82, WZP2-231, WZPK-236S отличаются друг от друга по диапазону измеряемых температур, конструктивному исполнению и по кол-ву ЧЭ.
При измерении температуры при высоких давлениях и скоростях потока ТС используются в комплекте с дополнительными защитными гильзами, изготовленными из различных материалов и сплавов.
Чертежи общего вида ТС приведены на рисунках 1-4.
Диапазон измеряемых температур, °С:
– для WZP-231, WZP2-231:…………………………………..от минус 200 до плюс 420;
– для WZP-280:………………………………………………от минус 200 до плюс 300;
– для WZP2-82, WZPK-236S:……………………………….от минус 200 до плюс 500.
Условное обозначение номинальной статической характеристики преобразования (НСХ)
по ГОСТ 6651-2009/МЭК 60571: …………………………………………………Pt100
Температурный коэффициент ТС a , °С-1: ………………………………………..0,00385
Номинальное значение сопротивления ТС при 0 °С (Ro), Ом:……………………….100
Класс допуска: ………………………………………………………………………….А, В
Допуск (в зависимости от класса), °С: ………±(0,15 + 0,002|ф (А); ±(0,3 + 0,005|ф (В)
Электрическое сопротивление изоляции при температуре (25±10)°С и относительной
влажности воздуха от 30 до 80 %, МОм, не менее………………………………………….100
Длина монтажной части ТС, мм:
– для WZP-231, WZP2-231:…………………………………………………….от 225 до 1150;
– для WZP-280:……………………………………………………………..от 175 до 350;
– для WZP2-82: ……………………………………………………………от 245 до 1149;
– для WZPK-236S:…………………………………………………………от 100 до 1000
Диаметр монтажной части ТС, мм:
– для WZP-231, WZP2-231:……………………………………………………………………….12;
– для WZP-280:…………………………………………………………………………..8;
– для WZP2-82:………………………………………………………………..3; 4; 5; 6; 8;
– для WZPK-236S:…………………………………………………………………………6
Время термической реакции (т0 5), с, не более:
– для WZP-231:…………………………………………………………………………30;
– для WZP2-231:………………………………………………………………………………………45;
– для WZP-280:………………………………………………………………………….30;
– для WZP2-82:………………………………………………………………………….90;
– для WZPK-236S:……………………………………………………………………….12
Рабочие условия эксплуатации ТС:
– температура окружающей среды, °C:…………………………….от минус 40 до плюс 85;
– относительная влажность воздуха, %: ……………………………………………до 98
Средний срок службы ТС, лет, не менее: ………………………………………………10.
Принцип действия
Принцип действия детектора CO2 основан на поглощении газом инфракрасных лучей. Анализируемый воздух, находясь в небольшой камере, подвергается облучению инфракрасным лучом. Сначала осуществляется замер интенсивности без оптического устройства. Затем луч, проходя через смесь газов и светофильтр, доходит до считывающего датчика. Датчик фиксирует показание интенсивности принятого луча диапазоном от 1 до 15 мкм. После определения двух значений, по разнице, прибор определяет концентрацию углекислоты в воздухе.

Данные газоанализаторы нечувствительны к кислороду, имеют хорошую избирательность и стабильность, быстрый отклик и надёжность.
На небезызвестном сайте Aliexpress можно найти и купить большое разнообразие бытовых, комнатных датчиков. Часто сам сенсор вставлен внутрь корпуса, напоминающий небольшие настольные часы, либо будильник, который совмещает несколько функций. Мы сделали небольшую подборку популярных анализаторов диоксида углерода от разных продавцов.
Детектор углекислого газа от компании «Мастер Кит»
Этот прибор по заверению производителя способен определять концентрацию CO2 в диапазоне от 0 до 3000 ppm с точностью при измерении от 0 до 2000 ppm в районе 10 % (при больших значениях точность не указана).

Эксплуатироваться прибор должен при температуре +25 °С. При несовпадении температуры необходимо вносить соответствующие поправки. Применение прибора не может осуществляться при t, превышающей +50 °С, и если она ниже 0 °С. Данный параметр измеряется с помощью рассматриваемого детектора. Температура может выражаться как в градусах Цельсия, так и в градусах Фаренгейта.
У прибора есть светодиодные индикаторы, показывающие уровень загазованности углекислотой: зеленый при концентрации до 800 ppm, желтый — от 800 до 1200 ppm, красный — при уровне более 1200 ppm. Эта информация нанесена на коробку с прибором.
Страна изготовления — Китай. Прибор комплектуется USB-кабелем и инструкцией, которая приведена на русском языке. Кабель необходим для обеспечения питания прибора. Эксплуатация данного прибора предполагает использование «родного» USB-кабеля, поскольку не каждый сюда подойдет.
Продолжительность жизни сенсора — 5-10 лет.
Калибровку нужно осуществлять каждые три года. Для этого, а также для построения графиков по данным, полученным с помощью детектора, используется специальная программа, доступная для ОС Windows, а также в виде исходных кодов — для семейства ОС GNU/Linux (графики), созданная независимым программистом и не поддерживаемая компанией.
В качестве сенсора выступает не химический, а NDIR-сенсор, относящийся к современным устройствам.
Предназначен датчик CO2 для дома. Это обусловлено тем, что у него невысокая точность 100 ppm.
Производители и модели датчиков СО2
SenseAir
На сегодняшний день самым известным производителем датчиков углекислого газа является шведская компания SenseAir. Мировой лидер в отрасли разработки и производства не только газовых анализаторов, но и оборудования для систем “Умный дом”(датчиков движения, автоматических розеток, GSM охранных сигнализаций).
| К30 | К30-FR | К33-LP |
![]() |
![]() |
![]() |
| Принцип действия | ||
| NDIR | NDIR | NDIR |
| Диапазон измерения | ||
| 0-5000 ppm | 0-5000 ppm | 0-5000 ppm |
| Точность | ||
| 30 ppm ± 3% | 30 ppm ± 3% | 30 ppm ± 3% |
| Время прогрева | ||
| 60 сек | 60 сек | 60 сек |
| Время отклика | ||
| 20 сек | 20 сек | 30 сек |
| Габаритные размеры (мм) | ||
| 57х51х14 | 57х51х14 | 57х51х14 |
| Блок питания | ||
| 4,5-14 В | 4,5-14 В | 5-12 В |
| Предполагаемый срок эксплуатации | ||
| 15 лет | 10 лет | 15 лет |
Углекислые датчики компании SenseAir, работающие по методу недисперсионной ИК-спектрометрии, в отличие от своих аналогов, имеют более высокие эксплуатационные характеристики.
Они могут использоваться как в помещении, так и на открытом воздухе, и решать одновременно несколько задач (измерять концентрацию СО2, температуру и влажность воздуха).
При необходимости устройства подключаются к компьютеру, обеспечивающему длительную бесперебойную работу и быстрый отклик в широком диапазоне.
AZ Instrument Corp
Следующий известный производитель анализаторов углекислого газа – компания AZ Instrument Corp (Тайвань).
| 7722 | 77-231 | 77-232 |
![]() |
![]() |
![]() |
| Принцип действия | ||
| NDIR | NDIR | NDIR |
| Диапазон измерения | ||
| 0-9999 ppm | 0-9999 ppm | 0-9999 ppm |
| Точность | ||
| 50 ppm ± 5% | 30 ppm ± 5% | 30 ppm ± 5% |
| Время прогрева | ||
| 120 сек | 120 сек | 120 сек |
| Время отклика | ||
| 30 сек | 30 сек | 30 сек |
| Габаритные размеры (мм) | ||
| 130х85х60 | 130х85х60 | 130х85х60 |
| Блок питания | ||
| 12 В | 12 В | 12 В |
| Предполагаемый срок эксплуатации | ||
| 5 лет | 5 лет | 5 лет |
Все модели датчиков углекислоты компании AZ Instrument Corp оснащаются гигрометром и термометром, позволяющими одновременно с концентрацией СО2 измерять температуру и влажность воздуха, и, при необходимости, компенсировать температурную зависимость.
S+S Regeltechnik
И еще один производитель инфракрасных датчиков – немецкая компания S+S Regeltechnik – производитель контрольно-измерительного, вентиляционного и климатического оборудования (датчиков воды, дыма, тепла, розеток с термостатом и т.д).
| Aerasgard R-CO2 | Aerasgard RTM-CO2 | Aerasgard RFTF-CO2 |
![]() |
![]() |
![]() |
| Принцип действия | ||
| NDIR | NDIR | NDIR |
| Диапазон измерения | ||
| 0-2000 ppm | 0-2000 ppm | 0-2000 ppm |
| Точность | ||
| 70 ppm ± 5% | 70 ppm ± 5% | 70 ppm ± 5% |
| Время прогрева | ||
| прибл. 1 час | 1 час | 1 часа |
| Время отклика | ||
| 60 сек | 60 сек | 60 сек |
| Габаритные размеры (мм) | ||
| 98х98х33 | 100х100х25 (стальной корпус) | 98х98х33 |
| Блок питания | ||
| 24 В | 24 В | 24 В |
| Предполагаемый срок эксплуатации | ||
| 10 лет | 10 лет | 10 лет |
Самокалибрующиеся энергосберегеющие углекислые датчики компании S+S Regeltechnik являются очень надежными, чувствительными устройствами, не нуждающимися в техническом обслуживании.
Обладая высокой избирательностью и устойчивостью к помехам и вибрации, они используются для мониторинга качества воздуха в закрытых помещениях.
Примеры программ для Arduino
- mq135Heater.ino
-
// библиотека для работы с датчиками MQ (Troyka-модуль) #include // имя для пина, к которому подключен датчик #define PIN_MQ135 A0 // имя для пина, к которому подключен нагреватель датчика #define PIN_MQ135_HEATER 11 // создаём объект для работы с датчиком // и передаём ему номер пина выходного сигнала и нагревателя MQ135 mq135(PIN_MQ135); void setup() { // открываем последовательный порт Serial.begin(9600); // включаем нагреватель mq135.heaterPwrHigh(); Serial.println("Heated sensor"); } void loop() { // если прошёл интервал нагрева датчика // и калибровка не была совершена if (!mq135.isCalibrated() && mq135.heatingCompleted()) { // выполняем калибровку датчика на чистом воздухе mq135.calibrate(); // если известно сопротивление датчика на чистом воздухе // можно его указать вручную, допустим 160 // mq135.calibrate(160); // выводим сопротивление датчика в чистом воздухе (Ro) в serial-порт Serial.print("Ro = "); Serial.println(mq135.getRo()); } // если прошёл интевал нагрева датчика // и калибровка была совершена if (mq135.isCalibrated() && mq135.heatingCompleted()) { // выводим отношения текущего сопротивление датчика // к сопротивлению датчика в чистом воздухе (Rs/Ro) Serial.print("Ratio: "); Serial.print(mq135.readRatio()); // выводим значения газов в ppm Serial.print("\tCO2: "); Serial.print(mq135.readCO2()); Serial.println(" ppm"); delay(100); } }
К платам Arduino c 5 вольтовой логикой датчик можно подключить используя всего один трёхпроводной шлейф. Для этого установите перемычку на разъём «выбор питания нагревателя».

Выведем в Serial-порт текущее значение вредных газов в , при этом нагреватель всегда включён.
- mq135.ino
-
// библиотека для работы с датчиками MQ (Troyka-модуль) #include // имя для пина, к которому подключен датчик #define PIN_MQ135 A0 // создаём объект для работы с датчиком и передаём ему номер пина MQ135 mq135(PIN_MQ135); void setup() { // открываем последовательный порт Serial.begin(9600); // перед калибровкой датчика прогрейте его 60 секунд // выполняем калибровку датчика на чистом воздухе mq135.calibrate(); // при знании сопративления датчика на чистом воздухе // можно его указать вручную, допустим 160 // mq135.calibrate(160); // выводим сопротивление датчика в чистом воздухе (Ro) в serial-порт Serial.print("Ro = "); Serial.println(mq135.getRo()); } void loop() { // выводим отношения текущего сопротивление датчика // к сопротивлению датчика в чистом воздухе (Rs/Ro) Serial.print("Ratio: "); Serial.print(mq135.readRatio()); // выводим значения газов в ppm Serial.print("\tCO2: "); Serial.print(mq135.readCO2()); Serial.println(" ppm"); delay(100); }
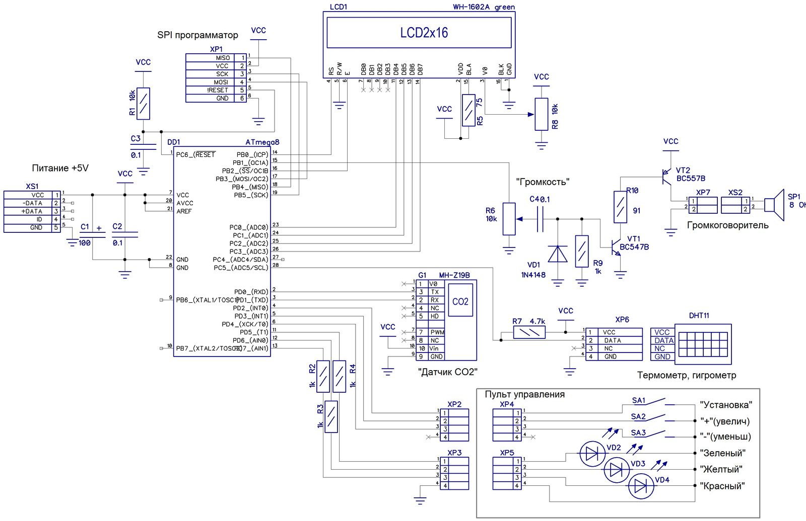
Электрическая схема.
Схема электрическая принципиальная представлена на рисунке 3.

Рисунок 3. Схема электрическая принципиальная
Устройство собрано на микроконтроллере ATmega8. Цепочка R1С3 обеспечивает начальный сброс (!Reset) микроконтроллера при включении. Предусмотрено внутрисхемное программирование МК через разъем XP1 «SPI программатор».Фьюзы МК ATmega8: HIGH=0xD9, LOW=0xE4.
Основным измерительным прибором устройства является инфракрасный датчик CO2 MH-Z19B. Датчик подключен к МК по UART (линии RXD, TXD). Программа МK опрашивает датчик не чаще чем 1 раз в 10 секунд. В ответ на запрос концентрации СО2 (команда 0x86) датчик посылает последовательно 9 байт, которые записываются в буферный массив программы. 2-й и 3-й элементы массива содержат значение концентрации СО2, последний элемент массива содержит контрольную сумму. Согласно документации на датчик, требуется около трех минут, чтобы он вышел на рабочий режим. Первое время после включения он будет выдавать неточные значения.
Дополнительным измерительным прибором является датчик температуры и влажности DHT11, который также опрашивается не чаще чем 1 раз в 10 секунд (опрос происходит в едином цикле с опросом датчика CO2 MH-Z19B). МК взаимодействует с датчиком по последовательному одно-проводному двунаправленному интерфейсу. В ответ на запрос датчик возвращает 5 байт. Первые два байта содержат значение влажности, целая и десятичная части. Следующие два байта являются значением температуры по Цельсию, целая и десятичная части. Последний байт — это контрольная сумма, которая является суммой первых четырех байтов. Следует отметить, что на точность показаний датчика DHT11 по влажности – очень много нареканий в среде пользователей. Для приближения показаний датчика к приемлемым значениям в программу введена корректирующая поправка, которая задается пользователем во время эксплуатации устройства и сохраняется в EEPROM. Эту поправку следует вводить после сравнения показаний относительной влажности устройства с другим прибором, показаниям которого принято доверять. Линия интерфейса DATA датчика DHT11 «подтянута» к питанию VCC резистором R7.
Управление устройством осуществляется с помощью кнопок SA1 «Установка», SA2 «+» (увеличение значения параметра) и SA3 «-» (уменьшение значения параметра). При помощи этих кнопок устанавливаются нижний и верхний пороги концентрации СО2, включается или отключается громкоговоритель устройства, устанавливается корректирующая поправка на показание относительной влажности воздуха.
В качестве дисплея используется жидкокристаллический индикатор типа WH-1602A.Потенциометром R8 регулируется яркость подсветки индикатора. На дисплее отображаются текущие значения концентрации СО2, температуры и относительной влажности в помещении, а также настраиваемые параметры устройства в режиме «установка».
Светодиодные индикаторы VD2, VD3, VD4 – обеспечивают сигнальное отображение уровня СО2: ниже нижнего порога – зеленый («свежий воздух»), между нижнем и верхним порогами – желтый («норма»), выше верхнего порога – красный («душно»).
Звуковой сигнал с вывода 15 МК, через регулятор громкости резистор R6 – усиливается усилителем низкой частоты на транзисторах VT1 и VT2. Для воспроизведения звука используется громкоговоритель SP1 с сопротивлением звуковой катушки 8 Ом.
Питание устройства осуществляется от сетевого источника питания напряжением 5 Вольт. На схеме изображен разъем питания от USB. В авторском опытном изделии источник питания помещен в один корпус вместе с устройством.
Вентиляция нескольких помещений одним датчиком
Для этого могут использоваться приточно-вытяжные датчики ZENIT и ZENIT HECO, а также бытовое оборудование I-VENT и CAPSULE.
На приточном канале в каждом помещении устанавливается пропорциональный клапан. При наличии вытяжки в каждом помещении там также располагается подобный клапан. Для каждого вытяжного канала или даже для помещения устанавливается свой sensor CO2, на котором монтируется VAV-система изготовителем.
При попадании человека в охваченные помещения датчик фиксирует увеличение концентрации углекислоты. Пропорциональный клапан имеет электропривод, на основании чего осуществляется регулировка воздухообмена.
В этом случае качество воздуха в помещении поддерживается на самом высоком уровне. Концентрация CO2 в воздухе находится в оптимальных значениях.

По мере входа-выхода людей в помещения с воздухообменом, контролируемым датчиками, он возрастает или уменьшается до оптимальных значений.
Можно применять и один датчик вместо нескольких в вытяжном канале, однако один прибор фиксирует суммарную концентрацию на все комнаты с единым вытяжным вентилятором. Воздухообмен будет регулироваться одинаково, что не всегда оправдано.
Экономьте здоровье и энергию с CO 2 датчиками
При дыхании люди и животные увеличивают концентрацию СО 2 в выдыхаемом воздухе. Это нормальный биологический процесс. Для атмосферы, на открытом воздухе это не проблема, так как растения потребляют CO 2. Но все-таки сжигание ископаемого топлива увеличивает внешние уровни CO 2, и растения не когут, они просто не успевают обрабатывать такие огромные количества, которые создают очень негативные последствия для нашей спасительной оболочки вокруг планеты, но это не то, о чем мы сегодня поговорим.
В закрытых жилых помещениях без достаточной вентиляции уровень CO 2 может значительно возрасти от начальных наружных уровней нормы а 400 промилле до внутренних уровней 2000-3000 промилле. Это высокая концентрация CO.
Особенно подверженны содержанию СО современные здания без хорошо спроектированной системы. Поэтому плотность СО, превышающий 1000 частей на миллион, могут приводить к сонливости, плохой концентрации внимания, потере внимания или увеличению частоты сердечных сокращений.
Современная система вентиляции с регулированием кислорода и CO 2 может регулировать количество подачи свежего воздуха в здании в зависимости от количества людей и их активности. Люди являются основным источником CO2 в здании. Если их количество в комнате удвоится, уровень CO 2 соответственно удвоится.
Большие здания, такие как школы и офисы, имеют огромные вентиляционные системы, которые используют большое количество электроэнергии только для того, чтобы гарантировать, что внутренний воздух охлаждается или нагревается и заменяется в течение определенного промежутка времени, чтобы обеспечить хорошее качество внутреннего воздуха 24 / 7.
Много энергии можно сэкономить, управляя такой системой на основе стратегически размещенного CO 2.

Вступление
В этой статье мы проведем простую функциональную проверку датчика CO 2 MH-Z19 , подключив его к raspberry pi 3 UART, и запустим простую программу на Python для регистратора данных, которая выводит результаты на экран и сохраняет результаты в файле.
Позже файл может быть импортирован в Matlab или Excel для дальнейшего анализа или просто построить график собранных данных.
Если вы хотите использовать ПК или Raspberry Pi или Beaglebone или любой другой SOC для измерения CO 2 Уровни, датчик с последовательным интерфейсом является хорошим выбором. MH-Z19 оснащен последовательным интерфейсом UART, источником питания 5 В и уровнями 3,3 В IO.
Это позволяет легко подключить его непосредственно к Raspberry Pi или к ПК (если ПК, вам нужно использовать USB / последовательный преобразователь (уровни CMOS / TTL, а не уровни RS232)).
Он также имеет выход с широтно-импульсной модуляцией (ШИМ), где рабочий цикл изменяется с CO 2, концентрация, которого может быть отфильтрована нижними частотами, чтобы получить аналоговый сигнал, представляющий CO 2
Достоинства и недостатки
Среди производителей оптических детекторов углекислого газа одним из самых известных считается шведская компания SenseAir. Доведя технологию гаджетов до совершенства, она сделала их максимально точными, стабильными и надежными.
Современные датчики SenseAir, работающие по методу NDIR (недисперсионной ИК-спектрометрии), в сравнении с моделями других производителей, показывают не только уровень СО2 в ppm, но и точное оценочное состояние углекислого газа, время, дату, температуру и влажность воздуха.
Также немаловажным фактором является современный дизайн, компактность и малогабаритный вес изделия, позволяющий его использовать поочередно в нескольких помещениях, тем самым обеспечивая более точный контроль.
Практически все без исключения модели датчиков углекислого газа считаются достойной альтернативой каталитическим девайсам. Они обладают высокой чувствительностью, хорошими стабилизационными характеристиками и большим сроком эксплуатации, неприхотливы в обслуживании, не требуют сложных манипуляций в настройках, и всегда позволяют сориентироваться, стоит ли дать доступ свежему воздуху для создания более здорового микроклимата.
Недостатки:
- Газоанализаторы, работающие на основе электрохимического метода, менее долговечны и менее чувствительны, чем приборы недисперсионной инфракрасной спектрометрии. Поэтому при определении концентрации СО2 они используются гораздо реже.
- Датчики углекислого газа достаточно чувствительны к действию пыли и влаги.
Список источников
- www.indahomekit.ru
- wiki.amperka.ru
- www.syl.ru
- UglekislyGaz.ru
- all-pribors.ru
- savesys.ru
- gadgetpage.ru
- vprl.ru
7 лестниц








