Особенности
Подобные изделия охотно поставляет современная промышленность. Но внешний эффект не всегда удовлетворяет запросы потребителей. В ряде случаев очень хорошие результаты приносит использование ретро гирлянд, которые можно сделать даже своими руками
Перед подобной работой очень важно подготовиться как следует, отобрать подходящие дизайнерские идеи. Найти подходящие варианты конструкций, фотографии весьма легко
Надо подумать о нескольких нюансах:
- получится ли вписать изделие в обстановку;
- удастся ли воплотить замысел, используя доступные компоненты;
- сколько это будет стоить.
Простой вариант
Перед началом выполнения работы необходимо подготовить инструмент. Для работы понадобятся: пассатижи, паяльник, ножницы, рулетка, отвертка, изолента, блок питания, 10 светодиодов, провод и вилка для подключения к сети питания
Особое внимание стоит уделить проводу. Для 10 светодиодов необходимо приобрести 6-метровый провод
Рекомендуется использовать витой провод, так как он наиболее привлекателен в визуальном плане.
На следующем этапе составляется схема гирлянды, в соответствии с которой производится дальнейшая работа. После необходимо разрезать провод на 9 одинаковых частей по 50 см и 1 часть длиной 150 см. После необходимо зачистить концы проводов. Если под рукой имеется инструмент для очистки кабелей от изоляции, то лучше воспользоваться им, так как в этом случаи точно не будут повреждены жилы провода.
Далее необходимо осуществить подключение проводов, используя паяльник. Наиболее оптимальным вариантом станет параллельное подключение. В таком случае при выходе из строя одной светодиодной единицы вся гирлянда продолжит функционировать. Даже яркость оставшихся источников света останется на том же уровне.

Не забывайте, что для подключения гирлянды к сети 220 вольт необходимо использовать блок питания, который преобразует перемеренное напряжение сети в постоянное. После того как все подключения буду завершены, останется лишь подключить устройство к сети. Таким вот нехитрым образом устройство для украшения дома и создания праздничной атмосферы готово.
Стоит отметить, что светодиодная гирлянда может иметь и последовательное подключение, но в этом случае есть один важный нюанс. В случае выхода из строя одного из светодиодов, вся гирлянда окажется неработоспособной.
Светодиодная гирлянда своими руками: пошаговая инструкция
Отличной альтернативой гирлянде с лампами накаливания, будет гирлянда на основе светодиодов. Для того чтобы собрать такую гирлянду, существует достаточно простая схема. Необходимо только приобрести элементы для изготовления гирлянды.
Элементы для сборки:
- Светодиоды;
- Резисторы;
- Провода сечение 75 мм2;
- Блок питания на 5 Вольт.
Отдельно стоит сказать о светодиодах. Существует огромное количество различных диодов, при помощи которых, без использования дополнительного оборудования, можно собрать мигающую гирлянду. Они различаются по разным характеристикам. Светящиеся диоды могут изменять цвет свечения, или мигать через определенный промежуток времени.
Диодная гирлянда собирается следующим образом. К каждому светодиоду (к длинной ножке, аноду), припаивается отдельный резистор. Это обусловлено тем, что при параллельном соединении, нельзя подключать к одному резистору несколько светодиодов.
После того, как резисторы припаяны к светодиодам, производится подключение данных элементов цепи к проводникам. Анод, подключается к плюсовому проводнику, и катод к минусовому.
Для того чтобы обеспечить надежность конструкции, в качестве держателей для светодиодов, можно использовать держатели источников света, от старой светодиодной гирлянды.
Стоит отметить, что в качестве новогодней гирлянды, можно использовать разноцветные светодиодные ленты дюралайт.
Как починить гирлянду, если не работает один из цветов
Причина 1. Обрыв цепи одной из веток
Из-за плохого качества провода могут обломаться либо у самой платы, либо где-то между светодиодами. В обоих случаях цепь размыкается и светодиоды перестают светиться.

Как исправить
Отделите неработающую ветку от остальных и внимательно осмотрите провод, чтобы проверить его целостность. Если он отошёл от платы, зачистите, припаяйте заново и для надёжности закрепите горячим клеем.
Если повреждение на кабеле между светодиодами, зачистите концы провода и спаяйте либо соедините их скруткой, а затем заизолируйте термоусадкой или изолентой.
Причина 2. Сгоревший светодиод
Часто горят и некачественные светодиоды. При последовательном соединении это означает такой же обрыв цепи, как и в предыдущем случае.

Как исправить
Найти нерабочий светодиод или лампочку в последовательной цепи сложнее. Один из вариантов — прозванивать каждый элемент с помощью мультиметра.
Ещё можно сделать перемычку из двух иголок, соединённых между собой проводком, и поочередно замыкать ими подводящий и уходящий провод на каждом светодиоде. Гирлянда при этом должна быть включена. Светодиод, при замыкании которого загорятся все огоньки ветки, и будет дефектным.
Для восстановления цепи нерабочий светодиод можно либо заменить, либо просто убрать и соединить концы проводов между собой, заизолировав их. Без последствий можно выбросить до пяти светодиодов в одной ветке.
Причина 3. Поломка тиристора
При выходе из строя управляющего тиристора одной из линий все светодиоды одного цвета перестают работать.

Как устранить
Исправить поломку можно только заменой тиристора на рабочий от другой гирлянды или подходящий по номиналу. Для проверки нужно использовать мультиметр или прибегнуть к следующему способу.
Определите провод нерабочей ветки и поменяйте местами с одной из исправных, отпаяв или обрезав и соединив скруткой. Если дефектная линия после этого заработает, значит, проблема в тиристоре.
Провода, которые идут к тиристорам, обычно расположены в ряд у одного из краёв платы. На противоположном будет всего два провода — это питание. Перепутать их сложно.
Создание гирлянды из старой клавиатуры
Для ускоренного создания гирлянды можно воспользоваться одним из самых бюджетных вариантов, связанных с разборкой старых компьютерных устройств ввода – мыши и клавиатуры.
В процессе выполнения работы вам понадобятся:
- несколько старых клавиатур, которые могут быть даже нефункционирующими;
- паяльник;
- резисторы;
- изолента или скотч;
- термоусадочные кембрики;
- припой и канифоль.
Сначала удалите провода из клавиатуры и отсоедините USB-кабель. Для повышения шансов на выполнение качественной работы вам понадобятся около 5 устройств ввода: возможно, таковые имеются у ваших друзей, близких, поспрашивайте на городском форуме.
Каждая клавиатура оснащена 3-мя светодиодами, указывающими на работу 3 основных функций изделия на кнопках Num Lock, Caps Lock и Scroll Lock. Если же вам под руку попалась ненужная геймерская клавиатура, то все будет намного проще, ведь она зачастую включает огромное количество светодиодов.
Выполните разборку изделия и вытащите из него маленькую плату с контроллером. Она будет использоваться для соединения различных лампочек. Создайте изделие из 12 элементов, подключенных к резисторам по параллельной схеме. Превышать это значение не стоит, поскольку стандартный USB-кабель, от которого питается клавиатура, передает напряжение до 5 В при силе тока 500 мА.
Рабочее напряжение отдельных элементов не превышает 5 В. При прямом подключении без резистора будет происходить перегрев, который рано или поздно приведет к перегоранию компонентов. Именно поэтому напряжение понижается за счет дополнительного сопротивления или методом попарной спайки элементов. Во втором случае каждый отдельный компонент будет понижать напряжение «своего соседа». К сожалению, такой вариант считается менее оптимальным и эффективным: лучше всего следить за установленным лимитом вольтажа и не выходить за их пределы.

Далее следует взять простой кабель и на одной из его сторон удалить оплетку, а затем выполнить пайку. После создания изделия нужной длины и формы, остается заизолировать оголенные части.
Создать самодельную новогоднюю гирлянду из светодиодов проще простого: запаситесь необходимыми элементами и инструментами, выполните расчет (с этим могу помочь специалисты) или найдите в сети любую проверенную схему подключения. Затем следуйте нашим инструкциям, и в итоге получите функционирующее, качественное и безопасное изделие.
Елка из светодиодов на батарейках
Самостоятельно, можно изготовить и такой простейший светильник, как елка. Для этого не требуется особенных познаний в области электроники, достаточно умение пользоваться паяльником и придерживаться схемы.
Елка состоит из:
- Зеленые светодиоды;
- Резистор на 100 Ом;
- Батарейка на 9 Вольт:
- Старая коробка для компакт дисков.
В первую очередь, необходимо изготовить основание в виде елки, на котором будут крепиться все элементы схемы. Для этого, на листе бумаги, с размерами соответствующими размерам пластиковой коробки для дисков, рисуем елку.

После этого, прикладываем лист с рисунком к коробке и обводим контур дерева. Для этого можно использовать тонкое жало паяльника, которое разогрето до оптимальной температуры. Далее, необходимо отделить дерево по контуру от коробки. Затем, обрабатываем края заготовки. Для этого лучше использовать напильники.
После обработки краев заготовки, необходимо для лучшего рассеивания света от светодиодов, придать матовости пластику. Делается это при помощи обычной наждачной бумаги.
Далее, загибаем ножки светодиодов на одну сторону, и приклеиваем их по краям заготовки. Для приклеивания используйте супер клей. Ножки светодиодов должны смотреть внутрь заготовки. После этого, для последовательного подключения, распределяем ножки по краям заготовки и припаиваем.
Затем, используя прозрачный скотч, приклеиваем к основанию заготовки батарейку. К аноду светодиода, припаиваем резистор, и подсоединяем его к плюсовому контакту батарейки. И подсоединяем катод диода к минусовому контакту. Для управления светильником, в схему можно встроить выключатель.
Конструкция и схема гирлянды
Плата блока управления светодиодной гирлянды
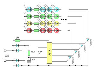
Внешне светодиодная гирлянда ничем не отличается от обычной. В ней также есть провода, лампы и управляющий блок, который является важнейшим элементом.
Блок представляет собой маленькую пластиковую коробку с кнопками, с помощью которых можно менять режим работы. Обычно изготавливается в качественном корпусе с уровнем защиты IP44. Уровень защиты зависит от помещения, в котором будет установлена гирлянда. На улице потребуются морозостойкие изделия. Внутри блока расположены припаянные провода. Также внутри есть плата, на которой припаяны контроллер, тиристоры, резисторы, конденсатор и диодные мосты. Дорогие модели могут быть оснащены предохранителем.
Схема гирлянды на светодиодах
Схема светодиодной елочной гирлянды
На блок питания поступает сетевое напряжение. Оно проходит через диодный мост и резисторы, затем его сглаживает конденсатор, после чего напряжение подается на питающий контроллер. При замыкании кнопки происходит переключение режимов. Контроллер управляет тиристорами, число которых зависит от количества каналов подсветки. После прохождения тиристоров напряжение поступает на светодиоды.
От количества выходов зависит разнообразие цветов подсветки. Если есть всего 2 линии, гирлянды будут работать в двух режимах – по очереди тускнуть и загораться. Более дорогие изделия могут иметь большее число каналов.
Идея N1. Простейшая гирлянда своими руками
Наиболее простым вариантом гирлянды является подсветка из светодиодных лент. Они подходят как в качестве новогодних украшений, так и для выделения контура витрины, элементов интерьера. Их преимущество заключается в гибкой конструкции, поэтому ничего паять вам уже не нужно, достаточно приклеить их к несущей поверхности или конструкции. Но перемещать ее, как классический вариант, не получится.
Самые простые модели на 220 В – для них нужно припаять электрическую вилку и установить в нужное место. Чаще всего их используют для наружной установки.
Для освещения елочных украшений внутри помещения используют светодиодные ленты на 12 В. Это более безопасные модели, но для их подключения обязательно используется блок питания.
Значительно сложнее изготовить гирлянду из RGB ленты, так как при ее подключении необходимо использовать большое количество механизмов.
Процесс будет включать в себя такие действия:
- Рассчитайте общую длину гирлянды, так как величина ленты не может превышать 5м. Все что выше 5м должно подключаться от отдельной системы питания.
- Установите блок питания – он необходим для понижения напряжения до 12В.
- Подключите к блоку питания контроллер для RGB ленты – это устройство позволит выбирать цвет свечения и режим работы.
- При длине более 5м установите усилитель на следующую ленту или подведите питание от другого комплекта блок питания / контроллер.
- Закрепите RGB ленту на поверхности и подключите к контроллеру.
Более детально с принципами подключения RGB ленты вы можете ознакомиться в соответствующей статье — https://www.asutpp.ru/podklyuchenie-rgb-lenty.html
Переделка китайской гирлянды
О китайской продукции у большей части потребителей сложилось не очень хорошее мнение. Гирлянды также не выделяются на общем фоне товаров из Китая: некачественные соединения, слишком тонкие проводники, дешевые конструкционные материалы. В результате такие гирлянды (в том числе блоки их управления) часто выходят из строя.
Поломка любого из элементов схемы способна повлиять на функционирование гирлянды. К примеру, нерабочий конденсатор становится причиной мерцания лампочек. Поломка тиристора влечет за собой отключение одного из каналов. Перегоревший диод, вышедший из строя диодный мост приводят к полной неработоспособности системы.
Испорченные детали нужно менять на новые. При отсутствии достаточных знаний в области электротехники или нежелании возиться с ремонтом, рекомендуется предельно простая, но действенная схема. Подключаем гирлянду напрямую с вилкой, а в один из проводников кабеля встраиваем стартер от люминесцентного светильника. Однако данная схема эффективна только для обычных лампочек. Что касается светодиодной гирлянды, ее работоспособность в таком случае будет восстановлена, но свет станет более тусклым.
Новогодняя гирлянда из обычной бумаги
acupofthuy.com
Такая красота может стать не только новогодним декором, но и украшением детской комнаты.
Как делать
Распечатайте и вырежьте шаблоны, обведите их на листах бумаги так, как показано на картинке ниже. Для гирлянды нужно по 24 первой и второй детали фонариков и 126 звёздочек. А чтобы ускорить процесс, нарисуйте звёздочки на листах, сложенных в четыре раза.
Вырежьте все детали.
acupofthuy.com
Возьмите одну деталь фонарика и смажьте с одной стороны клеем. Приклейте к ней такую же деталь. Один фонарик должен состоять из шести одинаковых деталей. Только не склеивайте стороны первой и шестой деталей, пока не сделаете петельку.
Для этого наклейте на сгиб двухсторонний скотч. Приклейте нитку снизу вверх, сверху сделайте маленькую петлю, затем приклейте нитку сверху вниз и отрежьте лишнее. Теперь можно склеивать стороны первой и последней деталей.
Повторите то же самое с остальными деталями фонариков. Всего у вас получится 8 фонариков.
acupofthuy.com
По той же схеме сделайте 21 объёмную звёздочку. Отличие будет лишь в приклеивании нитки. Её необходимо протянуть через три звёздочки, сделав петлю на самой верхней из них.
Теперь протяните через все петельки нитку, формируя вот такую красивую гирлянду:
acupofthuy.com
Не горит один или несколько цветов
Одной из самых трудоемких поломок считается тот случай, когда в электрогирлянде не работает один или два цвета, к примеру, только красный либо желтый и синий, как на фото ниже. Это свидетельствует о том, что, скорее всего, перегорели лампочки в соответствующей секции.
Для начала все же рекомендуем разобрать крышку переключателя, он же блок управления, и проверить надежность всех соединений – контактов, припаянных к плате. Сразу же предлагаем просмотреть видео урок от юного мастера, в котором наглядно показано, что делать, если оборвался провод от платы:
Как выполнить простейший ремонт неисправности?
Если с виду все в порядке, значит, с большой вероятностью можно судить о том, что перегорела лампочка. Дело в том, что современные гирлянды устроены так, что все одноцветные лампы соединены последовательно и если какая-нибудь сгорит, свет погаснет на всей электрической ветви. Чтобы починить поломку, рекомендуется действовать так, как советует хороший старый учебник: разрезать гирлянду напополам и прозвонить оба участка. Далее действуете аналогичным образом с неработающей секцией: режете на 2 и снова проверяете и так до конца, как показано на схеме.

В результате Вы сможете определить, какая лампочка не рабочая и замените ее
Обращаем Ваше внимание на то, что такой метод ремонта целесообразно использовать в том случае, если электрогирлянда неразборная, как правило, китайская
Чтобы быстрее починить гирлянду своими руками, можно взять тестер и вместо щупов прикрепить на его концы иголки. С помощью иголок пробиваете последовательно каждый из участков цепи, чтобы игла прошла до токоведущей жилы, и ищите где сопротивление секции значительно отличается. Таким способом можно найти поломку и отремонтировать ее, прилагая меньше усилий.
Старые советские гирлянды на елку (без коробки) в этом плане более удобные, т.к. в них все лампы вкручиваются в патроны, и определить, какая лампочка не работает можно без паяльника и омметра методом исключения – взяв рабочий источник света и поочередно вкручивая его во все патроны. Другой же метод ремонта – с помощью тестера замерить сопротивление каждой лампы, пока не найдете перегоревшую.
Пример ремонта еще одной непростой неисправности:
Почему советская электрогирлянда не работает и как ее самому отремонтировать?
Еще один способ, починить сломанную элекрогирлянду – проверить целостность общего провода. На плате с одной из сторон Вы увидите 5 припаянных проводков: 4 для свечения каждого из цветов и один общий. Вот если оборвался общий провод, его нужно просто подпаять.
Помимо лампочки причина того, что в гирлянде не горит один или несколько цветов может заключаться в обрыве провода, ответственного как раз за определенный цвет. Это проблема чаще всего возникает, если в доме есть кошки либо собаки, которые играясь перегрызают проводки. В этом случае нужно найти место повреждения, заново скрутить токоведущие жилы и заизолировать их. Не помешает после этого обеспечить защиту проводов от домашних животных.
Устранение неисправностей
Учитывая все особенности китайской продукции, для исправления поломки не понадобится много времени. Но в будущем все-таки лучше проверять праздничные атрибуты заранее, чтобы неприятные сюрпризы не заставали врасплох накануне праздника.
Перед началом ремонта необходимо убедиться, что изделие отключено от сети. А также нужно заранее подготовить необходимые материалы — изоленту, мультиметр, кусачки, нож и другие (конкретнее можно будет сказать после диагностики повреждения).
Соединение проводов
Разрыв провода найти довольно просто. Необходимо тщательно просмотреть гирлянду по всей ее длине, соблюдая аккуратность, чтобы не добавить новых повреждений. Если провод оторвался от лампочки с одной стороны, можно не мучиться с пайкой и отсоединить его и с другого контакта, а потом просто скрутить два конца вместе. При общем количестве в 100−500 лампочек отсутствие одной останется незамеченным. И хотя напряжение на остальные элементы возрастет, так как в последовательной цепи оно делится поровну, разница все же будет незначительной и на ускорение износа деталей гирлянды не повлияет.
Чтобы соединить два конца, надо сперва их зачистить от изоляции. Вот тут может быть проблема. Дело в том что провод имеет несколько очень тонких жил, которые практически впаяны в изоляцию
Счищать ножом нужно очень осторожно, чтобы не повредить их, хотя все равно одна-две обязательно оторвутся или срежутся. Но это не критично, без них гирлянда тоже будет отлично работать
Замена лампочки
Перегоревший светодиод можно вычислить при помощи мультиметра. Замену ему можно как купить отдельно, так и снять со старой нерабочей гирлянды, если такая имеется. После этого новая деталь припаивается на свободное место, а контакты изолируются.
Если провода и лампочки проверены, все исправно, а гирлянда до сих пор не работает или работает некорректно, то проблема в блоке управления. Возможно, там отломились контакты или пришла в негодность какая-то деталь. При отсутствии предохранителя — в самых дешевых моделях — детали могли перегореть при скачках напряжения.
Ремонт микросхемы
В любом случае необходимо проверить все детали мультиметром. При выходе из строя какой-то из них можно поступить двумя способами:
- Подыскать в магазинах или интернете замену. Чтобы правильно подобрать деталь, нужно посмотреть маркировку на корпусе и купить соответствующую или аналогичную.
- Собрать всю схему самостоятельно. Это предпочтительнее, так как своими руками можно спаять качественное изделие, которое сможет прослужить гораздо дольше китайского конвейерного продукта. Правда, этот вариант уже гораздо сложнее и для людей, не занимающихся электроникой, не подойдет.

Схема гирлянды на светодиодах выглядит примерно так. Ее можно усовершенствовать, а можно упростить. Но легче, конечно, купить новую гирлянду, если есть такая возможность.
Схема гирлянды
Схема функционирования светодиодной гирлянды показана ниже. Сетевое напряжение поступает на питающий контроллер, проходя по резисторам и диодному мосту. Напряжение заходит в контроллер в выпрямленном и сглаженном состоянии (благодаря конденсатору).

Напряжение проходит через кнопку, разомкнутую в нормальном положении. Если кнопку замкнуть, осуществляется замена режимов контроллера. Что касается контроллера, то этот компонент отвечает за управление тиристорами. Количество тиристоров определяется числом каналов в осветительной системе.
Пройдя через тиристоры, выходное электропитание направляется на световые диоды в гирлянде. Количество выходов непосредственно влияет на разнообразие цветов, выдаваемых осветительным устройством. Если имеется только пара выходов, то реализуется наиболее простая схема, при которой одна половина лампочек затухает, а другая — загорается.
Две диодные линейки присоединяют к двум каналам последовательно. Соединение осуществляется в последней точке — световом диоде.
Обратите внимание! Один из проводов сетевого напряжения всегда направляется прямиком (обходя все компоненты схемы) на конечный диод гирлянды
Изготовление гирлянды из светодиодов
При последовательно подключенных светодиодах можно создать мерцающую гирлянду. На ее создание уйдет минимум времени, а с задачей сможет справиться практически каждый человек с начальными знаниями электрики. Самое главное в данном случае: четко следовать инструкции.
Для самостоятельной сборки светодиодной гирлянды своими руками вам нужно выполнить действия в следующем порядке:
- Определитесь с желаемым расстоянием между соседними источниками (диодами).
- Раскрутив провод, маркером любого цвета нанесите соответствующие отметки на те места, где предположительно будут установлены светодиоды. В идеале расстояние между ними должно составлять 200-250 мм.
- В тех точках, где были оставлены пометки, удалите с провода изоляцию, создав «голые островки» длиной по 20-30 мм. Действовать нужно аккуратно, чтобы не повредить сам кабель. Это упростит процесс будущего крепления диодов.
- На такие участки нужно нанести канифоль с припоем.
- К образовавшимся наплывам закрепите светодиоды, соединяя паяльником их ножки с проводом. Учтите, что данный вариант крепления будет менее надежным, поэтому придется воспользоваться усиливающими фиксаторами, которые также закроют оголенные части гирлянды.
- Узкий скотч нарежьте на разные кусочки длиной 30-40 мм, затем примените в качестве изоляции для диодов. В результате этих действий каждый светодиод должен быть расположен в «кармашке», крепко удерживающем его на кабеле. Обмотать нужно все источники света на проводе.
- Затем нужно обеспечить герметизацию верхней части «кармашка». Для этого сгодится силиконовый герметик, который не просто повышает прочность конструкции, но и совершенствует свечение.
- Остается подключить к схеме резистор и блок питания, а затем протестировать работу самодельного оборудования.
Обратите внимание! Данная разновидность гирлянды не боится холода, поэтому может эксплуатироваться в системах наружной иллюминации. В таком случае рекомендуется применять блоки питания на 8-12 В
Чтобы проверить работоспособность изделия, вы можете применить аккумуляторную батарейку смартфона, блок питания от зарядки телефона.
Подготовка к созданию светодиодной гирлянды на батарейках
Не менее красиво смотрится светодиодная гирлянда, подключаемая к батарейкам. Кроме того, такое изделие будет максимально безопасным для детей. Данная разновидность иллюминации используется в качестве наружного источника света. При перемещении в воздухе будет оставаться яркий разноцветный шлейф, который дизайнеры часто используют для создания в пространстве разнообразных узоров. Изделие должно быть защищено от ветра, осадков и низкой температуры.
Для производства гирлянды на батарейках вам будут нужны:
- светодиоды диаметром 10 мм разных цветов с рассеивающим эффектом;
- магниты диаметром 1,3 и толщиной не более 30 мм;
- изолента или узкий скотч;
- литиевая батарейка (например, CR2032 3V);
- эпоксидный клей.

Процесс изготовления гирлянды на литиевых батарейках
Для создания яркой мерцающей гирлянды потребуется выполнить качественную пайку. Спешить в процессе выполнения работы не стоит. Запаситесь терпением, будьте аккуратны и внимательны, следуйте шагам:
- Выполните тестирование светодиодов, чтобы увидеть уровень их свечения. По очереди подключите компоненты к литиевой батарейке (одну, более длинную ножку, соедините с «плюсом», другую короткую – с «минусом»).
- Зафиксируйте положение диодов, затем каждый элемент вместе с батарейкой оберните скотчем или изолентой в 2 слоя.
- С положительным контактом батарейки совместите магнит, зафиксировав его.
- Каждая часть конструкции должна быть установлена на тонкий провод. Проверьте работоспособность изделия!

Использование резисторов парами
В данном случае вы сможете снизить себестоимость изделия, сделав его более экономичным, но помните: гораздо лучше с точки зрения электрической безопасности и долговечности оборудования соединять каждый светодиод с собственным резистором. К тому же, последние компоненты дешевые.
Пошаговая инструкция
Чтобы собрать гирлянду из лампочек своими руками, не обязательно быть профессиональным электриком. Инструкция разработана для параллельного подключения светильников.
Подготовка витого провода
Основа гирлянды в стиле ретро – витой провод, подобный тому, который активно использовали для наружной проводки до середины прошлого века. Переплетают кабели так:
- Складывают пополам, разрезают, раскладывают, выравнивают концы и фиксируют их стяжкой.
- 1 конец прикрепляют к загнутому гвоздю, вставленному в дрель, второй привязывают на расстоянии к какому-либо предмету – крючку, ножке стола.
- Включают дрель. Из простого провода длиной 15 м получается 7,3-7,4 м ретро.
- Не снимая с крючков, кабель слегка разминают по всей длине и дают ему немного полежать в таком положении, чтобы все жилы зафиксировались в новой форме.

Обработка провода
На этом этапе определяют точки, где будут висеть лампы, и подготавливают их к подключению:
Отмеряют участок не меньше 1,5 м для соединения с розеткой с одной стороны кабеля. Выбирают вариант оформления другой стороны, она может заканчиваться лампой или дополнительной розеткой.
Отмеряют и отмечают самоклеющимся маркером места расположения ламп (в зависимости от размера, их размещают с шагом 45-60 см). Разметку лучше сделать сразу по всей длине изделия, чтобы откорректировать расстояние между элементами.
Вставляют плоскую отвертку в отмеченной точке и раздвигают кабели так, чтобы между ними образовался участок в форме кольца.
Оголяют по 1-1,5 см в центре обоих проводов напротив друг друга с помощью стриппера или ножа
Слой изоляции снимают осторожно, чтобы не повредить жилы.
Скручивают оголенные участки в петли с помощью отвертки или тонкого гвоздя.

В результате обработки на кабеле появляются отрезки с попарно расположенными петлями, к каждой паре будет крепиться патрон.
Вилка
Вилка подбирается по внешнему виду, без заземления. Сначала ее надо разобрать, а затем подключить к кабелю:
- Оголить концы проводов на 1,5 см. Часть, которая будет прижиматься фиксатором, должна оставаться в изоляции, это предохранит кабель от сильных перегибов.
- Зажать концы проводов фиксирующими винтами так, чтобы оголенные части не касались друг друга.
- Надеть и зафиксировать крышку.

Если запланировано сделать гирлянду с диммером, кроме него понадобится соединительная колодка, быстро обеспечивающая контакт и хорошую изоляцию. В колодке ослабляют винты (4 шт.), затем с одной стороны в каналы-гильзы вставляют провода гирлянды, с другой – диммеры и закручивают винты.
Лучше приобрести диммер с кабелем и вилкой – его проще монтировать (по технологии подсоединение к устройству проводится припаиванием).
Монтаж патронов
В гирлянде не имеет значения, какой кабель к какому контакту присоединять. Для изделия в стиле ретро больше подойдут патроны старого образца – карболитовые, которые состоят из 3 частей:
- цилиндрического корпуса с резьбой;
- дна (юбки);
- керамического вкладыша.
Кабель пропускают через дно патрона, надевают на контакты керамической вставки скрученные в петли провода и фиксируют винтами так, чтобы оголенные части не касались друг друга. Затем накручивают корпус.

Подключение
Гирлянда, представляющая собой провод без разрывов, надежна при растяжении и провисании.Она рассчитана на 220 вольт. Рекомендуется каждую лампу перед вкручиванием проверить на целостность с помощью мультиметра. Только после этого ее можно включать в сеть.
Идея №1 – В дело лампы на 220 Вольт!
К Вашему вниманию первый и самый интересный мастер-класс, который наглядно показывает, как сделать электрическую гирлянду с лампами на 220 В. Итак, для начала подготавливаем следующие инструменты и материалы (все, что показано на фото):

Нужно немного остановиться на проводе. Его нужно взять 6 метров. Для примера был взят особый декоративный двухжильный скрученный провод, но можно использовать обыкновенный двухжильный провод либо два одножильных
Желательно выбирать красивые провода в интересных оплетках, это добавит неповторимого стиля вашему изделию, что очень важно на Новый Год. Выбирать сечение проводника необходимо исходя из количества ламп, то есть потребителей
Об этом на нашем сайте есть подробнейшая статья: https://samelectrik.ru/raschet-i-vybor-secheniya-kabelya-po-toku-moshhnosti-dline.html.
Начинаем сборку с разрезания проводника на 9 частей по 50 сантиметров и оставшийся кусок, который будет иметь длину 150 см. Вы можете выбрать другое расстояние между лампами, или между вилкой и первой лампой, или изменить количество ламп. В этом и заключается главное преимущество самодельной гирлянды – возможность построить ее конкретно под себя. Например, под размеры комнаты или участка стены, который вы хотели бы украсить.
После этого зачищаем концы, для чего лучше всего использовать специальный инструмент для снятия изоляции с проводов. Чтобы тканевая оплетка не пушилась, рекомендуем обжечь ее, после чего надеть на край изоляции термоусадку для большей надежности и безопасности.
После этого нужно собрать электрическую вилку самодельной новогодней гирлянды, что не составит сложности даже неопытному электрику: нужно всего лишь закрутить пару винтов. Для подключения вилки возьмите длинный отрезок провода, в нашем случае он 150 см.

Раскрутите патроны и переходите к соединению 10 лампочек накаливания. Необходимо использовать параллельное соединение ламп при изготовлении электрической гирлянды на 220 Вольт. В этом случае, если одна лампочка перегорит, то остальные продолжат светить. Вы также можете менять количество подключаемых ламп.
Когда все патроны будут собраны в одну цепь, останется только вкрутить лампы и зажечь готовую электрогирлянду. Вот по такой пошаговой инструкции можно самому сделать гирлянду на елку в домашних условиях! Как Вы видите, все довольно просто и в то же время интересно!
Кстати, можно также использовать последовательное соединение лампочек. Только в этом случае нужно использовать лампы накаливания, суммарное напряжение которых составит 220 В, к примеру: 20 штук по 12 Вольт либо 40 по 6.
Стоит обратить внимание, что лампы накаливания имеют крайне малую эффективность и большую часть энергии превращают в тепло. Поэтому целесообразнее использовать небольшие светодиодные лампы, они меньше греются и потребляют электроэнергии, что сделает вашу гирлянду намного экономичнее
Будьте осторожны и не допускайте оголенных участков провода на вашей гирлянде, она находится под опасным для жизни сетевым напряжением!
Если какой-то из моментов был непонятен, рекомендуем просмотреть видео урок:
Самоделка, работающая от сети 220В
Список источников
- www.asutpp.ru
- StrojDvor.ru
- Lifehacker.ru
- 220.guru
- stroy-podskazka.ru
- simplelight.info
- samelectrik.ru
- 220v.guru
- www.6watt.ru
7 лестниц