Гидравлические схемы
Гидравлических схем по обвязке каскадных котельных существует огромное множество. Мы рассмотрим основные, которые применяются при работе с конденсационными котлами. Общим требованием к таким схемам является возможность независимой с точки зрения гидравлики работы отдельных теплогенераторов. Это требование в первую очередь означает обязательное наличие отдельного циркуляционного насоса для каждого котла. В наиболее современных настенных котлах промышленных серий данный насос является встроенным. Для того, чтобы величина циркуляции через отдельный котел не зависела как от других котлов, так и от работы систем потребителей, обычно применяются гидравлические разделители, которые известны так же под названием “гидравлические стрелки”. Однако возможны так же и другие способы решения данной задачи.
Равнозначные котлы с гидравлическим разделителем

Наиболее распространенный вариант. Котлы гидравлически равнозначны, независимость обеспечена за счет применения гидравлической стрелки.
Количество котлов, естественно, может быть любым экономически целесообразным. Правильная автоматизация позволяет обеспечить равномерную выработку ресурса котлов на протяжении всего срока службы.

Существует, однако, ситуация, когда такая схема не является оптимальной при использовании конденсационных котлов. А именно в случае, если потребность системы в мощности на приготовление ГВС может быть обеспечена небольшой частью котлов из всего каскада: одним или двумя. Для наиболее эффективной работы конденсационных котлов желателен низкотемпературный график работы системы потребителей (с температурой обратной воды ниже точки росы), в то же время для быстрого нагрева питьевой воды до требуемых значений требуется высокая температура котловой воды. Для того чтобы не выводить весь каскад из конденсационного режима на время приготовления ГВС, можно использовать следующую схему.
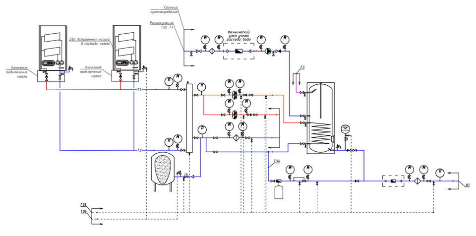
Схема с гидравлическим разделителем и отдельным котлом на нужды ГВС

В данном случае реализована возможность вывода отдельного котла из каскада для разогрева его до высокой температуры и приготовления горячей питьевой воды. Общее КПД установки в таком случае повышается. Среднегодовой рост эффективности выше для систем с низкотемпературными потребителями.
Недостатком такой схемы, в то же время, является большая выработка ресурса котлом или котлами, выделенными на цели обеспечения ГВС.
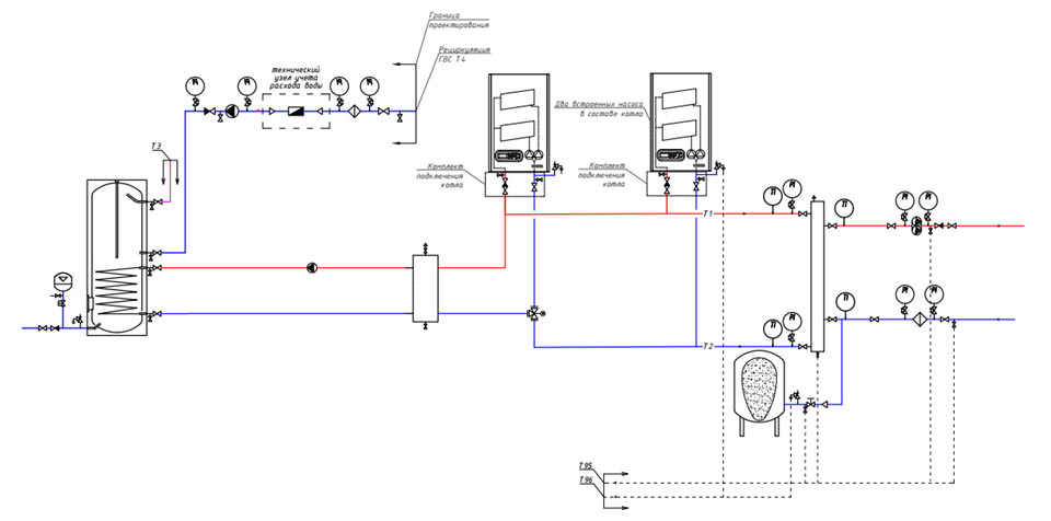
Для иллюстрации того, что гидравлический разделитель не является обязательным компонентом схемы приведем вариант схемы выше.
В данном случае для обеспечения независимости котлов применяется замыкающий участок на распределительном коллекторе, обеспечивающий постоянную циркуляцию теплоносителя через любой теплогенератор. Такая схема может быть удобна в случае использования крышной котельной и расположения распределительных систем для контуров потребителей в подвале, так как позволяет сэкономить пространство, отказавшись от гидравлической стрелки.
Но при этом, проектирование данного решения требует обратить отдельное внимание на подбор котловых насосов, так как они должны обеспечивать так же потери напора на магистральном трубопроводе. По этой же причине такая схема применяется только с напольными конденсационными котлами
В современных настенных котлах насос встроен и диапазон его производительности точно подобран для обеспечения эффективной работы конкретно котла.
Почему крышные котельные более популярны
По приведенным выше причинам большей популярностью пользуются крышные котельные для многоквартирных домов. Здесь нет никаких ограничений по виду используемого топлива. Поэтому в большинстве случаев на крышах можно увидеть газовые котлы – экономичные, эффективные, удобные в эксплуатации.
Схема работы крышной котельной
Серьезный плюс: нет нужды ломать голову над обеспечением достаточной вентиляции, необходимой для каждого помещения котельной. Сложностей при расчете и монтаже дымоотводов обычно также не возникает.
Использование газа в качестве основного энергоносителя значительно облегчает процесс эксплуатации. Установка специализированного дополнительного оборудования позволяет запускать отопительный котел автоматически, как только температура в помещениях достигнет установленного минимума. Как только температура повысится до должного уровня, котел сразу отключится, благодаря чему экономится большое количество топлива и, соответственно, деньги владельцев квартир.

Другими словами, необходимость в постоянном присутствии диспетчера становится ненужным: весь процесс работы отопительного котла становится автоматизированным.
Поэтому не обязательно быть дипломированным инженером, чтобы разобраться в его устройстве. Включить или отключить котел, а также повысить или понизить его мощность может любой из жильцов дома.
1.2.4. Регулирование температуры в системах отопления и вентиляции.
Регулирование температуры в контуре отопления осуществляется по температурному графику с компенсацией погодных условий посредством функционального модуля FM441. Чувствительными элементами являются датчик температуры наружного воздуха и датчик температуры в подающем трубопроводе контура отопления. Регулирующим органом является 3-х ходовой клапан с электроприводом, который по сигналам от модуля перемещается в ту или иную сторону, тем самым изменяя расход греющей воды и поддерживает заданную температуру воды.
Регулирование температуры в контурах вентиляции осуществляется по индивидуально заданным температурным графикам (60/50 и 95/70) с компенсацией погодных условий посредством функционального модуля FM442. Чувствительными элементами являются датчик температуры наружного воздуха и датчики температуры в подающих трубопроводах контуров вентиляции. Регулирующими органами являются 3-х ходовые клапаны с электроприводами, которые по сигналам от модуля перемещаются в ту или иную сторону, тем самым изменяя расход греющей воды и поддерживают заданную температуру воды.
Основные ошибки проектирования паровых и водогрейных котельных
Современные паровые и водогрейные котельные имеют высокую эффективность в работе, надежность и безопасность, имеют возможность работать полностью в автоматизированном режиме. Чтобы этого добиться необходимо, чтобы проект был выполнен правильно, без ошибок, все оборудование подобрано верно и с учетом всех рекомендаций заводов изготовителей.
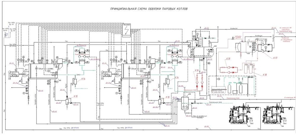
Рассмотрим самые часто встречаемые ошибки при проектировании на примере котельной вырабатывающей и тепло и пар, так называемой пароводогрейной котельной. Ошибки будем рассматривать исключительно в разделе тепломеханика.
Выполнен первоначальный проект на котельную с паропроизводительностью 8 тонн пара в час на 2-х котлах и тепловой мощностью 9 МВт на 3-х котлах. Проект выполнен на оборудование фирмы Viessmann. Это один из признанных мировых лидеров отопительного и производственного оборудования и вполне логично, что заказчик ожидает от котельной высокую надёжность, высокий КПД и полную автоматизацию.


При первоначальном рассмотрении были выявлено множество ошибок в проекте и предоставлены рекомендации:
Паровая часть.
Деаэратор стоит на одной отметке с котлом. Деаэратор необходимо поднять на уровень +2,000 в целях избежания явления кавитации на питательных насосах (рекомендация Viessmann);
Вторичный пар после сепаратора продувки подаётся непосредственно в бак запаса питательной воды, а не соединяется в один трубопровод с острым паром;
Убрать насосы с линии между баком запаса питательной воды и питательными насосами;
Трубопроводмеждубакомзапаса питательной воды и питательными насосами сильно заужен, что приведёт к созданию нежелательного сопротивления на всасывающем патрубке низкокавитационных насосов;
Убрать с трубопроводов пара и продувочных трубопроводов шаровые краны и поставить паровые вентиля воизбежание резкого открытия (закрытия) линии;
Установить паровой коллектор и организовать отвод с него конденсата;
Воду после водоподготовительной установки необходимо подавать в деаэрационную колонку, а не в конденсатный бак;
На выходе из котельной некорректно установлен регулятор давления пара. Необходимо установить запорную арматуру и предохранительный клапан;
Необходимо предусмотреть аварийный слив воды с котлов;
Вместо указателей уровня запроектированы шаровые краны. Необходимо обозначить указатели уровня (2шт.), заменить шаровые краны навентиля, установить смотровое стекло и предусмотреть продувку указателей уровня в дренаж с разрывам струи;
Вместо продувочных клапанов (нижней и верхней продувки) запроектированы лишь шаровые краны. Заменить на продувочные клапана;
Отсутствуют в схеме манометры и термометры;
Предусмотреть площадки для обслуживания оборудования;
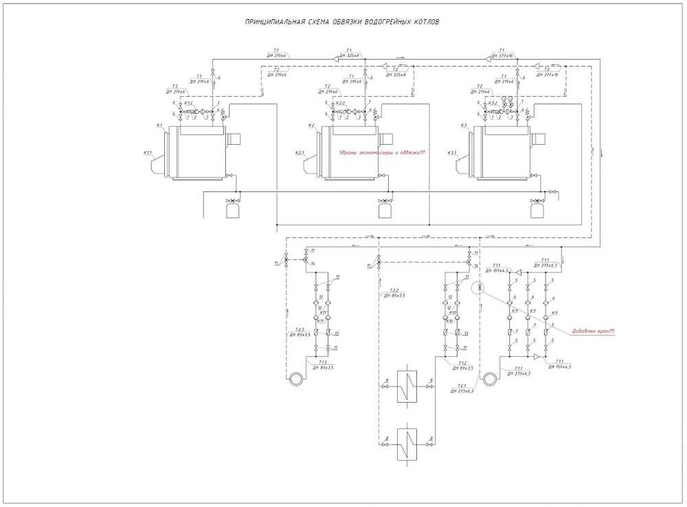
Водогрейная часть.
Отсутствует «петля Тихельмана» (попутное соединение) на обвязке котлов;
Отсутствуют в схеме термометры и манометры;
На котлах отсутствуют запорные устройства с электроприводами для автоматического отключения котлов в периоды ожидания в каскадном режиме;
Обратные клапана установить после насосов;
Много лишней запорной арматуры. Например – дублирование запорных устройств на выходе из котлов, третий шаровый кран для отключения насоса;
Предусмотреть площадки для обслуживания оборудования;
Предусмотрены не все насосы, а те, что имеются были подобраны с огромным запасом в 3-5 раз превышающие требуемые по мощности.Не предусмотрены резервные насосы.
Для того, чтобы котельная в процессе эксплуатации работала корректно в полностью автоматизированном режиме и соответствовала ожиданиям заказчика было предложено внести изменения в проект. Ниже можно увидеть новые разработанные тепловые схемы, согласованные и утвержденные, в которых были устранены все ошибки первоначального проекта и внесены дополнения, основанные на опыте эксплуатации. Стоит отметить, что сметная стоимость новой котельной не изменилась от первоначальной, за счет рационального подбора оборудования.


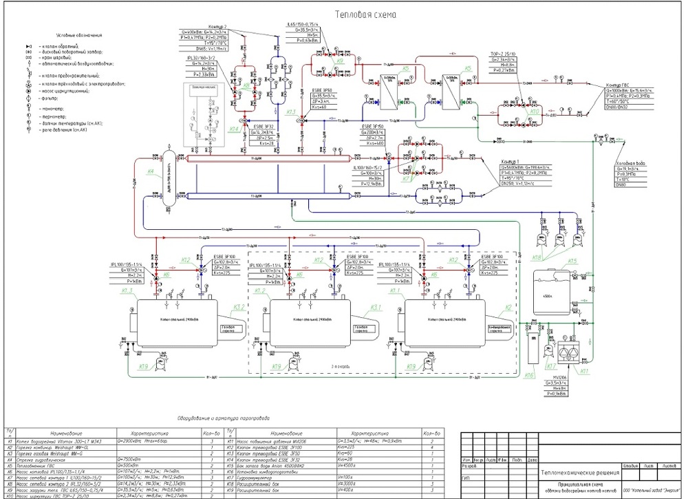
Котельный завод “Энергия” – Основные ошибки проектирования паровых и водогрейных котельных.
Насосные гидравлические коллекторы универсальные.
Для каждого насосного коллектора подготовлено пять вариантов его применения в составе котельной.Нажимайте на изображение изделия и выбирайте Ваш вариант.
|
Коллектор Север К3Мощность до 70 КВт.Для системы на 4 контура2 140 рублей. Подробнее: |
Коллектор Север К4Мощность до 70 КВт.Для системы на 5 контуров2 860 рублей. Подробнее: |
Коллектор Север К5Мощность до 70 КВт.Для системы на 6 контуров3 570 рублей. Подробнее: |
Коллектор вертикальный Север KV3Мощность до 70 КВт.Для системы на 3 контура6 210 рублей. Подробнее: |
|
| . | . | |||
|
Коллектор вертикальный Север KV4Мощность до 70 КВт.Для системы на 4 контура7 440 рублей. Подробнее: |
Коллектор вертикальный Север KV5Мощность до 70 КВт.Для системы на 5 контура8 500 рублей. Подробнее: |
. | . | . |
Чем хороша котельная в подвале
Монтаж котельной в подвале обычно доставляет значительно меньше хлопот и проблем: не нужно поднимать оборудование, весящее много центнеров, на крышу пятиэтажного (или более высокого) здания. Кроме того, не нужно проводить ряд сложных расчетов, позволяющих определить, выдержит ли крыша дополнительную нагрузку, а если нет, то насколько и как лучше укрепить несущие конструкции.
Поэтому газовые и дизельные котлы нельзя устанавливать в подвале. Дело в том, что возгорание и взрыв резервуаров с топливом в подвале здания ставит под угрозу целостность всего многоквартирного дома, а также жизнь и здоровье жильцов. В подвале можно устанавливать только твердотопливные и электрические котельные.
Пример котельной в подвале дома
Последняя неудобна из-за высокой стоимости электроэнергии: расходы на содержание электрического отопительного котла практически невозможно окупить. Твердотопливные сложны в обслуживании: топливо (дрова, кокс, уголь, торф) необходимо загружать вручную, от 2 до 4 раз в сутки.
Также стоит отметить, что при установке котельной в подвале серьезные проблемы могут возникнуть при монтаже и установке дымохода. Его верхняя точка должна быть выше, чем дом, в подвале которого установлена котельная, а также выше домов, находящихся поблизости. Хотя некоторые современные проекты многоквартирных домов эту проблему учитывают.
Основные преимущества применения каскадов котлов
Большая часть перечисляемых ниже преимуществ может быть отнесена не только к конденсационным котлам, но мы будем отдельно обращать внимание на то, чем конкретно выделяется данный вид техники в рамках соответствующей темы
Увеличение общего диапазона модуляции мощности
Как было отмечено выше, главная причина для установки нескольких котлов в каскад – увеличение максимальной мощности котельной при ограничении на производительность отдельного агрегата. С данной точки зрения любые котлы находятся, можно сказать, в равном положении.
В тоже время не стоит забывать о том, что к современным системам теплоснабжения предъявляются повышенные требования с точки зрения энергоэффективности. И одним из основных принципов в обеспечении данного принципа является обеспечение текущей мощности генераторов тепла равной потребности системы, не большей и не меньшей. Соответственно, нижняя граница модуляции производительности котельной так же играет важную роль. Применение каскада помогает значительно уменьшить данную границу. Стоит так же помнить о том, что для средних широт большую часть года потребность в тепле составляет не более 30-40 % от максимальной.
При использовании в каскаде одинаковых теплогенераторов нижняя граница мощности определяется просто делением минимальной производительности отдельного котла на их количество. И здесь легко увидеть, в насколько выгодном свете выступают конденсационные котлы. Минимальная модуляция для наиболее современных котлов настенного исполнения составляет примерно 15 %. Соответственно, применяя, например, четыре таких котла мы получаем общий диапазон бесступенчатой модуляции 4-100 %. Причем, в отличие от традиционных котлов, КПД конденсационных только растет со снижением модуляции.
Обеспечение высокого уровня отказоустойчивости котельной
Достаточно очевидное преимущество. Чем большее количество котлов в каскаде используется, там меньше падение общей мощности при выходе из строя и обслуживании отдельного теплогенератора.
Удобство монтажа и обслуживания оборудования
В независимости от общей мощности котельной, часто мы сталкиваемся с ограничениями по доступному пространству как при проектировании, так и при монтаже.
![]() |
С точки зрения проектировщика использование каскада из нескольких котлов позволяет более гибко использовать доступные площади, особенно это заметно при применении настенных котлов. Для большинства серий промышленных настенных котлов существуют готовые гидравлические решения по организации каскадов. |
![]() |
Наиболее современные напольные конденсационные котлы так же предусматривают возможность компактной установки и удобной гидравлической обвязки. |
Удобство для монтирующих и обслуживающих организаций заключается в легкости доставки отдельного котла к месту непосредственного монтажа на любом этапе. Особенно это актуально для крышных котельных, где в случае необходимости замены теплогенератора (хоть и крайне маловероятном), его легкость и компактность может сыграть критическую роль. В данном контексте так же не стоит забывать о предыдущем пункте данного раздела.
Возможность последовательного увеличения мощности котельной
Все чаще применяемая в последнее время возможность, позволяющая распределить инвестиции на различные этапы строительства.
Каскадные решения позволяют последовательно добавлять мощности в существующую систему. Естественно, что гидравлическая часть должна предусматривать возможность такого расширения.
Статья: Каскадные решения напольных котлов HL
Преимущества БКУ:
- Близость расположения модульной котельной к объекту теплоснабжения позволяет предотвратить потерю тепла и сократить затраты на инженерные коммуникации
- Отсутствие капитальных затрат на строительство стационарной котельной
- Оптимальное решение вопроса при создании локальных и автономных систем теплоснабжения
- Высокий коэффициент полезного действия
- Надежность, безопасность и качество от ведущих мировых производителей
- Возможность выбора уровня автоматизации
- Минимум затрат и времени на монтаж и ввод в эксплуатацию ТКУ (полная заводская готовность и комплектация)
- Приемлимые габариты, позволяющие произвести доставку автомобильным транспортом
Газовая комплектация изготавливает ТКУ (БКУ) по ТУ 4938-012-24422705-2014 “Блочная транспортабельная котельная установка” на базе как отечественных, так и импортных котлов. Изготовленные блочные котельные установки имеют сертификат соответствия
| БКУ- 50 | БКУ- 63 | БКУ- 80 | БКУ- 100 | БКУ- 126 | БКУ- 160 | БКУ- 200 | БКУ- 240 | БКУ- 300 | БКУ- 400 | БКУ- 500 | |
|---|---|---|---|---|---|---|---|---|---|---|---|
| Теплопроизводительность, кВт | 50 | 63 | 80 | 100 | 126 | 160 | 200 | 240 | 300 | 400 | 500 |
| Потребляемая эл. мощность, кВт | 1,8 | 1,8 | 1,8 | 1,8 | 2,6 | 3,2 | 4,8 | 4,8 | 4,8 | 4,8 | 5,0 |
| Напряжение эл. сети, В | 380/220 | 380/220 | 380/220 | 380 | 380 | 380 | 380 | 380 | 380 | 380 | 380 |
| Топливо | природный газ, сжиженный газ, жидкое топливо | ||||||||||
| Давление газа на входе в котельную, кПа | 1,3 | 1,3 | 1,3 | 1,3 | 1,3 | 1,3 | 1,3 | 1,3 | 1,3 | 1,3 | 1,3 |
| Максимальный расход газа, м3/ч | 6 | 7,4 | 9,4 | 11,2 | 15,6 | 17,7 | 24,4 | 29 | 32,4 | 43,2 | 54 |
| Температурный режим теплоснабжения, °С | 95–70 | 95–70 | 95–70 | 95–70 | 95–70 | 95–70 | 95–70 | 95–70 | 95–70 | 95–70 | 95–70 |
| Температура уходящих газов, °С | 110 | 110 | 110 | 110 | 110 | 210 | 210 | 210 | 210 | 210 | 210 |
| Давление теплоносителя, кгс/см2 | 0,3 | 0,3 | 0,3 | 0,3 | 0,3 | 0,3 | 0,3 | 0,3 | 0,3 | 0,3 | 0,3 |
| КПД, % | 84,5 | 85 | 86 | 86 | 86 | 87 | 87 | 87 | 87 | 87 | 87 |
| Производительность ГВС, кВт | по заказу | ||||||||||
| Разрешение за котлом, Па | 3–25 | 3–25 | 3–25 | 3–25 | 3–25 | 3–25 | 3–25 | 3–25 | 3–25 | 3–25 | 3–25 |
| Габаритные размеры, мм: | |||||||||||
| длина | 4500 | 4500 | 4500 | 5000 | 5000 | 5500 | 5500 | 6500 | 6500 | 7500 | 9000 |
| ширина | 2500 | 2500 | 2500 | 2600 | 2600 | 2600 | 2600 | 2600 | 2600 | 2600 | 2600 |
| высота | 2600 | 2600 | 2600 | 2600 | 2600 | 2600 | 2600 | 2600 | 2600 | 2600 | 2600 |
| Масса, кг | 3000 | 3500 | 3500 | 3500 | 4000 | 4000 | 4000 | 4500 | 4500 | 4800 | 5200 |
| Количество котлов | 2 | 2 | 2 | 2 | 2 | 2 | 2 | 3 | 3 | 4 | 5 |
Комплектация газовой котельной
Чтобы купить газовую котельную, цена которой будет зависеть от типа и количества требуемого оборудования, и заказать ее быструю доставку лучше всего обратиться к профессионалам. Подобное приобретение позволит значительно сократить расходы на отопление и подогрев воды.
Производство (строительство) газовой котельной предполагает обязательную установку следующих элементов:
- Водонагревательного котла.
- Группы насосов.
- Горелки.
- Устройств для подготовки и очистки воды.
- Калорифера.
- Распределяющего трубопровода.
- Счетчиков теплоэнергии.
Газовая котельная, чертеж которой разрабатывается в самом начале проектных работ, должна быть укомплектована системами:
- Вентиляции (подразумевается, как обеспечение поступления воздуха, так и выведение продуктов сгорания).
- Подачи электричества (это обеспечит и корректную работу установки, и даже простое наличие освещения на объекте).
Преимущества котельной на газе
Ниже представлены основные преимущества и плюсы газовой котельной:
-
экономичность
В любом регионе Российской Федерации газ является не только распространенным, но и самым доступным видом топлива. Себестоимость подачи теплоэнергии будет в разы меньше тех же услуг, предоставляемых центральной отопительной системой.
-
Экологичность
Продукты сжигания газа практически не влияют на состояние окружающей среды и не наносят вреда здоровью людей.
-
Оперативность
Срок изготовления газовой котельной определяется требованиями заказчика к ее комплектации. В любом случае, от проектирования до введения в эксплуатацию проходит совсем немного времени.
-
Компактность
Блочные котельные системы занимают мало места. Готовый модуль можно устанавливать на любой площадке вблизи основного здания.
-
Автоматизация
Автоматизированные газовые котельные функционируют без привлечения обслуживающего персонала. Вся система работает автономно, а в случае сбоев на пульт дежурного поступает соответствующий сигнал.
-
Высокий кпд
Эффективность установок, использующих в качестве топлива газ, достигает 95%.
Достоинства и недостатки автономной котельной
Итак, вы раздумываете над возможностью установки собственной котельной, которая бы обогревала весь многоквартирный дом и подавала горячую воду в каждую из квартир. О каких достоинствах и недостатках вам следует знать, чтобы принять верное решение, которое не заставит вас раскаиваться в будущем?
Схема отопительной системы в многоквартирном доме
Для начала стоит рассказать о недостатках, так как их значительно меньше.
- Высокая изначальная стоимость проекта – закупка самого оборудования, его монтаж и подведение коммуникаций к каждой из квартир. Да, изначально каждому из владельцев квартиры в доме придется вложить немалую сумму, чтобы коллектив жильцов смог совершить столь дорогостоящую покупку. Многие из владельцев могут просто отказаться от столь значимой траты, хоть и разовой.
- Необходимость поддержания всей системы в рабочем положении. Если при подключении к теплоцентрали все обязанности по обслуживанию оборудования ложатся на плечи специалистов компании, предоставляющей услуги, то теперь при любой поломке решать проблему придется своими силами. А значит, нужно будет нанимать специалистов, которые будут проводить регулярный осмотр техники, а при выявлении поломок – чинить их. Это может доставить лишние хлопоты и финансовые затраты.
На этом основные недостатки автономной котельной исчерпываются. Конечно, они весьма значимы, из-за чего сегодня далеко не в каждом доме установлена мини-котельная. Но все же количество таких мини котельных стремительно растет. Почему? Из-за приведенных ниже достоинств автономного отопления.
- Полная независимость от городских монополистов в ЖКХ. Всем прекрасно известно, что в каждом городе существует всего одна компания, предоставляющая услуги по отоплению и подаче горячей воды в жилые многоквартирные дома. И они могут практически неконтролируемо повышать стоимость своих услуг. Если же вы устанавливаете собственную котельную, то у монополистов больше не будет рычагов давления на вас.
- Сведение теплопотерь к минимуму. Как показывает практика, проходя через многокилометровые теплотрассы, теплоноситель (горячая вода) теряет до 30% полученного тепла (в зависимости от удаленности от городской котельной).
А за это тепло вынуждены платить также конечные потребители. В автономных же отопительных системах теплопотери измеряются долями процентов. Так что уже за счет этого оплата снижается на треть.
- Котельная, отапливающая один дом, а не тысячи, легко настраивается. Если в квартирах становится слишком жарко, можно легко уменьшить расход топлива, а в морозные дни – увеличить. Благодаря этому температура в помещениях всегда будет оптимальной, устраивающей каждого из обитателей. Не придется проветривать помещения, снижая температуру и вместе с тем выпуская на улицу тепло, за которое заплачены немалые деньги. Но в то же время не придется пользоваться дополнительными источниками тепла (электрическими нагревателями), чтобы поддерживать достаточно высокую температуру в квартире.
- Чтобы котельная многоквартирного жилого дома содержалась в идеальном порядке, достаточно нанять одного диспетчера, следящего за показаниями всех приборов, а также одного-двух приходящих наладчиков, которые задействуются только при обнаружении поломок. Если же ваш дом подключен к городской теплотрассе, вам придется оплачивать услуги не только десятков (или даже сотен) рядовых монтажников, но и сотен бухгалтеров, директоров, их заместителей, секретарей, водителей и многих других. На этом также экономятся немалые деньги.
- В большинстве случаев отопление домов, подключенных к городской теплоцентрали, начинается с 15 октября и заканчивается к 15 апреля. И даже если осень и весна выдаются необычно холодными или теплыми для данной местности, сменять даты начала и конца отопительного сезона никто не будет. Поэтому в межсезонье в квартирах нередко бывает слишком жарко или слишком холодно. Наличие автономной котельной позволяет включать и отключать отопление именно тогда, когда это необходимо. Чаще всего такие решения принимаются советом жильцов дома. Конечно, это позволяет не только сократить расходы на отопление, но и поддерживать оптимальную температуру в помещениях, независимо от температуры за стенами дома.
Какой же вывод можно сделать из всего вышесказанного?
Зато она позволяет ежемесячно экономить немалые деньги. Поэтому все первоначальные затраты довольно быстро будут компенсированы, и совсем скоро вы заметите, что у вас появились свободные деньги, которые раньше уходили на оплату счетов за коммунальные услуги.
Оборудование для котельной на твердом топливе
Что должно находиться в помещении, какова должна быть принципиальная схема котельной частного дома на твердом топливе?
Давайте прикинем состав:
- Собственно теплогенератор с сопутствующими бункерами, топливными емкостями и т.п.
- Обвязка твердотопливного котла, включающая в себя группу безопасности котла, циркуляционный насос и трехходовой клапан подмеса.
- Бойлер косвенного нагрева для производства горячей воды для системы водоснабжения дома.
- Дымоход для ТТ котла эффективного сечения и высоты.
- Система слива котловой воды на случай профилактики теплогенератора.
- Котловая автоматика – внутридомовая или погодозависимая.
- Система пожаротушения в твердотопливной котельной.
Вот самая простая принципиальная схема котельной частного дома, в которой учтена и обвязка котла и подключение бойлера косвенного нагрева:



Список источников
- teploclub.com
- Proekt-sam.ru
- kotlobzor.ru
- kep-project.ru
- gazkom.su
- stroystandart.info
- energy-gk.ru
- hortek.com
7 лестниц


