Ремонт светодиодной лампы. Подробная инструкция
Ремонт своими руками > Освещение > Ремонт светодиодной лампы. Подробная инструкция
Привет! У вас перестала светится светодиодная лампа? Тогда это статья для вас. Ведь многие думают, что ремонт светодиодной лампы трудно выполнить самостоятельно и часто выбрасывают их. И зря! Ведь стоимость светодиодных ламп на сегодняшний момент относительно простых ламп накаливания достаточно высока.

Из практики же ремонта отремонтировать осветительные приборы на основе светодиодов можно легко, не обладая глубокими знаниями электроники. При этом сделав ремонт светодиодной лампы своими руками вы сможете немало сэкономить денег из своего семейного бюджета.
Устройство светодиодной лампы
Простая светодиодная лампа небольшой мощности состоит из корпуса, цоколя, матового рассеивателя света, блока светодиодов LED, драйвера электропитания(в дешевых маломощных светодиодных лампах применяется простой бестрансформаторный выпрямитель).

Принцип работы светодиодной лампы
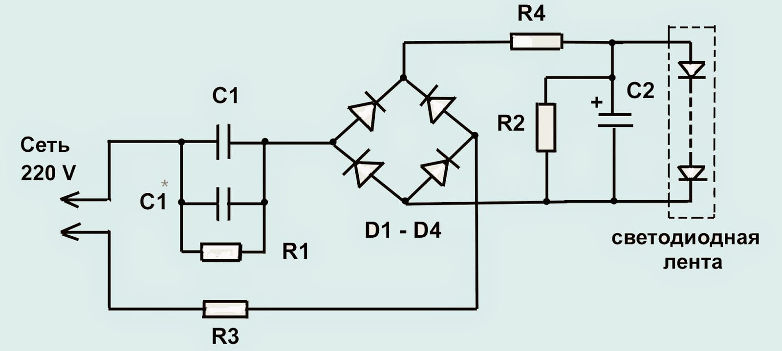
Рассмотрим принцип работы светодиодной лампы на примере недорогой китайской. Для этого посмотрите на схему ниже
Схема светодиодной лампы 220В
Напряжение сети 220 вольт подается на схему мостового выпрямителя на диодах через токоограничивающий конденсатор С1 и резистор R2. На выходе получаем постоянное напряжение, которое подается на блок светодиодов HL1 через токоограничивающий резистор R4. При этом светодиоды начинают светится. Конденсатор C2 предназначен для сглаживания пульсаций выпрямленного напряжения. Резистор R1 предназначен для разрядки конденсатора C1 при отключении питания светодиодной лампы от сети.
Как отремонтировать светодиодную люстру или светильник своими руками
Если люстра или светильник перестали светится, то в первую очередь рекомендую начать проверку наличия питающего напряжения, подаваемого на светильник. Если при включении люстры выключателем на нем напряжение отсутствует, то необходимо тщательно проверить электропроводку. Если напряжение присутствует на контактах патрона, куда заворачивается светодиодная лампа, то причина в лампе.
Ремонт светодиодной лампы своими руками
Как я рассказывал выше, светодиодная лампа состоит из схемы электропитания и самих светодиодов. Необходимо вначале аккуратно разобрать светодиодную лампу и внимательно осмотреть блок питания(выпрямитель) на наличие внешних повреждений(прогаров деталей, перегорание дорожек печатной платы). Если такового визуально не обнаруживается, то переходим к проверке элементов при помощи цифрового мультиметра. Часто причиной неисправности является неисправный токоограничивающий конденсатор С1 емкостью 1 мкФ напряжением 400 вольт. Его без выпаивания из схемы не проверишь. Лучше всего заменить его заведомо исправным.

Проверка диодов выпрямителя осуществляется при помощи мультиметра. Переводим его в режим измерения диодов и прозваниваем
При исправности конденсатора и диодов обратите внимание на состояние токоограничивающих резисторов R2 и R4. Они внешне могут казаться не поврежденными, но при прозвонке могут иметь обрыв
Проверка светодиодов лампы
Лампа может иметь в зависимости от ее мощности от нескольких светодиодов до нескольких десятков.

Иногда при осмотре платы со светодиодами сразу видно прогар некоторых. Такие светодиоды подлежат обязательной замене. Другие светодиоды также необходимо прозвонить мультиметром или же подать на них напряжение от внешнего источника величиной в 2,5-3 вольта через омическое сопротивление 100-200 Ом. Если они загораются, то они исправны. Светодиоды можно использовать от старой светодиодной ленты. От вас требуется умение работать паяльником.
Почему моргают светодиодные лампы
Причиной является применение производителем лампы некачественного токоограничивающего конденсатора С1. Замените его другим, с номинальным рабочим напряжением не менее 400 вольт. На напряжение 250 вольт ставить не рекомендую, так как он быстро выйдет из строя и вся схема попросту задымит. У меня лампа после замены конденсатора весело светит! ))

Удачи вам в ремонте светодиодных ламп и светильников на их основе!
Рекомендуемый порядок поиска неисправности и ремонта
Проверка наличия и номинала промышленного напряжения
Автор понимает, что этот пункт кому-то покажется бессмысленным, даже несколько наивным и так далее. Но практика показывает, что нередко неисправность не в самой лампе, а в том осветительном приборе (устройстве), в котором она расположена. Перед тем, как начинать ее ремонт, стоит сначала убедиться в наличии напряжения на контактах патрона, их состоянии. Нагар, дефект «язычка» или, например, плохое соединение в эл/проводке – все это и может быть причиной того, что лампа при включении не светится.
На такую проверку понадобится всего пара минут, но почему-то не все соблюдают одно из основополагающих правил ремонта любого электротехнического устройства. Вкратце его можно сформулировать так – сначала убедись, что есть питание (и оно в норме), и только потом начинай «потрошить».
Разборка лампы
Все светодиодные модели отличаются корпусом, внутренней «начинкой», особенностями конструктивного исполнения. При разборке LED-прибора (равно, как и любого другого устройства, механизма) нужно соблюдать определенный порядок. Он заключается в том, что все отсоединенные (отвинченные, отпаянные) детали укладываются в ряд, слева направо. А вот сборка лампы производится в обратном порядке.
Такая методика – гарантия того, что все будет сделано правильно, и не останется «лишней детальки, неизвестно откуда взявшейся». Тем, кто привык все сваливать в кучу, автор предрекает некоторые сложности после окончания ремонта светодиодной лампы.
Начинать следует с демонтажа «купола». Когда он будет снят, дальнейший алгоритм действий станет понятен.
Нужно запомнить (записать, зарисовать) и то, как именно скрепляются детали друг с другом. Иногда такая невнимательность оборачивается проблемой при сборке светодиодной лампы.
Визуальный осмотр
Любая подгоревшая (оплавившаяся) деталь, какой-то сегмент на плате – явный признак неисправности. Как поступить? Кто умеет производить точечную пайку и имеет соответствующий инструмент, решает проблему просто – заменой детали. К примеру, если плата потемнела в области диодного моста, то «вычислить» неисправный полупроводник – простейшая задача. Второй вариант – приобрести панель драйвера и поменять.
Проверка радиодеталей на исправность
Это касается включенных в схему конденсаторов и резисторов. Ток утечки емкости определить сложнее, но выявить пробой можно и простейшим мультиметром. Сопротивления обычно подгорают, но иногда встречается и такая их визуально незаметная неисправность, как внутренний обрыв токопроводящего слоя. То же самое – «прослушать» измерительным прибором.
Выходят из строя и отдельные светодиоды
Это самый негативный вариант. Дело в том, что для нормальной работы лампы их нужно менять по принципу «один в один». Где взять исходные данные (по параметрам п/п прибора)? Плюс к этому – с учетом их плотной компоновки и «нежности» ножек перепаять несколько полупроводников без соответствующего опыта вряд ли получится. Как правило, если светодиоды вышли из строя в большом количестве, то проще купить новую LED-лампу. Неисправность же 3 – 5 штук «погоды не делает».
Как определить целостность светодиода? Обычной батарейкой типа «Крона», но через резистор номиналом порядка 150±50 Ом. Дело в том, что она на 9 В, а для п/п изделия требуется всего 1,5. При касании выводов прибора он должен (если исправен) засветиться.
Моргание (мигание) светодиодной лампы часто является причиной ее замены на новую. Торопиться не следует – такая неприятность довольно легко устраняется. Об этом подробно рассказывается здесь .
Собственно, вот и все, что можно сказать о ремонте светодиодных ламп своими руками. Если учесть, что ничего особо сложного в этом нет, а требуется лишь внимательность и аккуратность, не стоит прибор сразу же выбрасывать и тратить деньги на новый.
Рекомендовано для вас:
Как передать показания счетчика электроэнергии через интернет, телефон и терминал Почему генератор не дает зарядку на аккумулятор авто — причины и способы ремонта Скачки напряжения в электросети — основные причины и способы решения проблемы
Схемы драйверов и их принцип работы
Чтобы провести успешный ремонт, необходимо четко представлять, как лампа работает. Одним из основных узлов любой светодиодной лампы является драйвер. Схем драйверов для светодиодных ламп на 220 В существует множество, но условно их можно разделить на 3 типа:
- Со стабилизацией тока.
- Со стабилизацией напряжения.
- Без стабилизации.
Только устройства первого типа, по своей сути, являются драйверами. Они ограничивают ток через светодиоды. Второй тип лучше назвать блоком питания для светодиодной ленты. Третий вообще как-то назвать сложно, но его ремонт, как я указывал выше, самый простой. Рассмотрим схемы ламп на драйверах каждого типа.
Драйвер со стабилизацией тока
Драйвер лампы, схему которой ты видишь ниже, собран на интегральном стабилизаторе тока SM2082D. Несмотря на кажущуюся простоту он является полноценным и качественным, да и ремонт его несложен.
Схема лампы LED-А60 на полноценном драйвере
Сетевое напряжение через предохранитель F подается на диодный мост VD1-VD4, а затем, уже выпрямленное, на сглаживающий конденсатор С1. Полученное таким образом постоянное напряжение поступает на светодиоды лампы HL1-HL14, включенные последовательно, и вывод 2 микросхемы DA1.
С первого же вывода этой микросхемы на светодиоды поступает напряжение, стабилизированное по току. Величина тока зависит от номинала резистора R2. Резистор R1 довольно большой величины, шунтирующий конденсатор, в процессе работы схемы не участвует. Он нужен для того, чтобы быстро разрядить конденсатор, когда ты выкрутишь лампочку. В противном случае, взявшись за цоколь, ты рискуешь получить серьезный удар током, поскольку С1 останется заряженным до напряжения 300 В.
Драйвер со стабилизацией напряжения
Эта схема, в принципе, тоже довольно качественная, но подключать ее к светодиодам нужно несколько иначе. Как я уже говорил выше, такой драйвер правильнее было бы назвать блоком питания, поскольку он стабилизирует не ток, а напряжение.
Схема блока питания для светодиодной лампы
Здесь сетевое напряжение сначала поступает на балластный конденсатор С1, снижающий его до величины примерно 20 В, а затем уже на диодный мост VD1-VD4. Далее выпрямленное напряжение сглаживается конденсатором С2 и подается на интегральный стабилизатор напряжения. Снова сглаживается (С3) и через токоограничивающий резистор R2 питает цепочку светодиодов, включенных последовательно. Таким образом, даже при колебаниях сетевого напряжения ток через светодиоды останется постоянным.
Драйвер без стабилизации
Драйвер, собранный по этой схеме, — чудо китайской схемотехники. Тем не менее, если в сети напряжение нормальной величины и не сильно скачет, он работает. Устройство собрано по простейшей схеме и не стабилизирует ни ток, ни напряжение. Оно просто понижает его (напряжение) до примерной нужной величины и выпрямляет.
Простейший драйвер светодиодной лампы 220 В
На этой схеме ты видишь уже знакомый тебе гасящий (балластный) конденсатор, зашунтированный для безопасности резистором. Далее напряжение поступает на выпрямительный мост, сглаживается конденсатором обидно малой емкости – всего 10 мкФ – и через токоограничивающий резистор поступает на цепочку светодиодов.
Что можно сказать о таком «драйвере»? Поскольку он ничего не стабилизирует, напряжение на светодиодах и, соответственно, ток через них напрямую зависят от входного напряжения. Если оно завышено, то лампа быстро сгорит. Если «скачет», то будет мигать и лампочка.
Такое решение обычно используется в бюджетных лампах китайских производителей. Назвать его удачным, конечно, сложно, но оно встречается довольно часто и при нормальном напряжении в сети может работать достаточно долго. Кроме того, такие схемы легко поддаются ремонту.
Самостоятельный ремонт
В случае выхода из строя простейшего LED-осветителя, изготовленного на основе отдельных светодиодных элементов, его ремонт может быть осуществлён своими руками. Самостоятельный ремонт светодиодных ламп и устройств, электрические схемы которых были рассмотрены ранее, сводится к простой замене неисправных блоков и деталей.
Корпус изделия легко разбирается после того, как его аккуратно отделяют от цокольной части. Внутри конструкции располагается плата с рабочими светодиодами, количество которых отличается у разных моделей (смотрите фото ниже).
Разборка светодиодной лампы
Обратите внимание! У широко распространённой модели лампы типа «MR 16», например, общее число светодиодов равно 27-ми 1,5 вольтовым элементам. Для того чтобы получить доступ к печатной плате с размещенными на ней диодами, достаточно удалить защитную стеклянную линзу, аккуратно поддев её хорошо отточенной отверткой
Для того чтобы получить доступ к печатной плате с размещенными на ней диодами, достаточно удалить защитную стеклянную линзу, аккуратно поддев её хорошо отточенной отверткой.
После разборки корпуса светодиодного изделия необходимо будет предпринять следующие шаги:
Обнаруженные ранее неисправные (несветящиеся) диоды после дополнительной проверки нужно будет заменить. Для оценки их исправности следует воспользоваться измерительным прибором (мультиметром), включённым в режим «Прозвонка»;
Дополнительная информация. Проверить исправность остальных элементов, которые содержит данная электросхема, можно путём подачи на них напряжения величиной от 1,5 до 2,5 Вольт (исправные диоды при подаче такого потенциала должны загораться).
- При проверке потенциалами более 5-ти Вольт последовательно с проверяемым элементом включается ограничивающий резистор номиналом порядка 4,7-5,1 Ком;
- В случае если все установленные в плату диоды исправны, но при горении постоянно мерцают, причиной этого может быть «пробой» конденсатора С1.
Для того чтобы убедиться в этом, следует проверить его номинальную ёмкость тем же мультиметром (о том, как это сделать, можно узнать в инструкции по применению прибора). Другой подход к решению данной проблемы предполагает простую замену конденсатора другим, заведомо исправным элементом, рассчитанным на напряжение не менее 400 Вольт.
Как починить вышедший из строя элемент?
Итак, имея представление об устройстве электронной схемы нашей светодиодной лампы, которая не работает, рассмотрим, как отремонтировать ее в домашних условиях.
Первым делом производим визуальный осмотр микросхемы и самих диодов. В 80% случаях поломкой является сгоревший светодиод. Чтобы осуществить ремонт, нужно сначала найти диод, который зрительно отличается от остальных, например, наличием выраженной черной точки, как показано на фото ниже, после чего заменить его на новый.
Видеоурок по ремонту светодиодной лампочки, в которой сгорел светодиод:
Как починить сгоревшую LED лампу с цоколем E27
Также может перегореть токоограничивающий резистор. Редко выходят из строя рабочие конденсаторы, своей поломкой выводя из строя остальные элементы LED устройства.
Раз вы изучаете данную страницу, мы надеемся что у Вас есть паяльник и минимальные понятия в электронике. Теперь о методике поиска неисправности. Проверка диода возможна как мультиметром, так и кроной с ограничивающим резистором 1 кОм. Поочередно ставя проводки на выводы светодиода, исправный будет светить. Мультиметр в положении прозвонка также заставит светодиод светиться, при соблюдении полярности.
Если со светоизлучателем проблемы не выявлено, тестером проверяем ограничивающий резистор, в большинстве схем его номинал около 100-200 Ом. Более сложный ремонт рекомендуем просмотреть на видео:
Ремонтируем драйвер
Также бичом современных схем является такое понятие, как «холодная пайка». Это когда со временем разрушается контакт в плохо залитом оловом месте пайки.
Цепь разрушается физически и разрывает целостность схемы, в результате чего светодиодная лампа не включается. Отремонтировать поломку можно путем повторного прогрева места контакта с нанесением на него флюса.
Редко встречающиеся неисправности — это пробой выпрямительного диода или конденсатора, который случается во время бросков напряжения. С помощью тестера можно установить это досконально. Выявив причину и заменив перегоревший элемент можно вернуть лампочкам рабочее состояние. Более подробно узнать о том, как проверить конденсатор, вы можете в нашей соответствующей статье.
В более дорогих LED устройствах вместо конденсаторного блока питания стоит импульсный источник питания, который автоматически подстраивается под напряжение в сети, и регулируя его, на выходе держит постоянное значение напряжения и тока, не давая кристаллам диодов перегреваться, обеспечивая долгую службу и постоянный световой поток.
Метод поиска неисправности практически не отличается от вышеописанного, и скорее всего это будет холодная пайка на каком-либо из элементов. Ремонт светодиодной лампы в этом случае не составит труда.
Если же диодная лампочка не загорается либо мерцает, далеко не всегда причина в ее неисправности. В большинстве случае мигание происходит из-за того, что она подключена к выключателю с подсветкой. В этом случае решить проблему можно, заменив выключатель на обычный. Также в качестве ремонта можно рассмотреть еще один простой способ исправить проблему — отключить подсветку на выключателе, отсоединив диодную лампочку в нем.
Однако иногда все же лампа может мигать, т.к. в ней что-то отошло, например, отпаялся провод от цоколя. В этом случае отремонтировать ее достаточно просто, по следующей технологии:
Что делать, если настольная лампа мерцает?
Ремонт
Светодиодную лампу можно отремонтировать независимо от причин выхода из строя. Чтобы это сделать, нужно разобрать изделие на части и добраться до начинки. Для начала удаляется рассеиватель, выполняющий несколько функций. Компонент либо крепится к базовой части через герметик, либо удерживается с помощью защелки. Если элемент будет поворачиваться отдельно от корпуса, для снятия достаточно в нужном месте надавить.
Выше было описано, что нужно делать, если рассеиватель надежно приклеен к корпусу. Добавим к применению растворителя возможность удаления корпуса при помощи тонкой отвертки: аккуратно подденьте, не прикладывая больших усилий.
Неремонтопригодны светодиодные лампы со стеклянными колбами, поскольку удалить подобный рассеиватель без повреждений практически нереально.

Замена блока питания
В комнатах с повышенным уровнем влажности используются осветительные приборы низкого напряжения — 12 или 24 В, которые подключаются к общей электрической сети 220 В. Для понижения высокого напряжения переменного тока до необходимых значений постоянного используются стабилизирующие блоки питания, которые могут выйти из строя.
Причиной поломки блока питания может стать повышенная нагрузка (если суммарная мощность используемых светильников превышает допустимую для стабилизатора) или неправильно подобранная степень защиты от проникновения пыли и влаги (IP). Чтобы починить данные изделия, следует обратиться в специализированные сервисные центры, поскольку в бытовых условиях восстановить их нереально (требуется определенное оборудование и знания радиоэлектроники). Единственный вариант — поменять блок питания.
Во время замены стабилизатора светодиодная лампа должна быть полностью отключена от сети питания — перерезаны провода или отключены клеммы. Не надейтесь исключительно на выключатель. Обязательно отключите напряжение через распределительный щиток квартиры.
Мощность для стабилизирующего блока питания должна быть выше суммарного значения подключаемых ламп. После отключения вышедшего из строя элемента подключите новый в соответствии с коммутирующей схемой. Найти ее можно в технической документации к оборудованию. Процесс максимально прост, поскольку провода имеют цветовую, а контакты — буквенную маркировки.

Степень защиты от пыли и влаги для ванной комнаты должна быть не менее IP45.
Замена светодиодов
Чтобы максимально упростить процедуру, воспользуйтесь паяльной станцией/феном. Паяльником действовать труднее, но можно.
Большинство устройств состоят из нескольких светодиодов, соединенных последовательно. Если выходит из строя хотя бы один, перестает работать целая группа или весь источник света. В таком случае, если под рукой нет подходящего светодиода, сгоревший можно заменить обычной перемычкой. Помните, что из-за перемычки лампа проработает недолго, но так можно выиграть немного времени на покупку нужного элемента. Чем меньше общее число светодиодов, тем быстрее лампа с перемычкой выйдет из строя.

В современных осветительных приборах используются SMD-диоды, которые могут быть выпаяны из ленты. При замене убедитесь, что купили деталь с идентичными техническими параметрами.
Ремонт драйвера
Если вышел из строя драйвер, изучите его конструкцию. Электронная плата может состоять из нескольких SMD-диодов, размер которых гораздо меньше, чем у жала паяльника. В таком случае нужно выбрать паяльник с медной проволокой на жале. Выполните выпаивание сгоревшего элемента и подберите подходящий по характеристикам или маркировке.
Когда видимых неисправностей не обнаружено, задача усложняется. Придется выпаивать каждую деталь отдельно и прозванивать ее. Как только будет найден сгоревший компонент, замените его на новый и верните все элементы на свои места. Для упрощения работы используйте пинцет.
Никогда не удаляйте с платы все детали разом. Вы можете не запомнить их правильное расположение и впоследствии перепутать. Действуйте следующим образом: выпаяйте один диод, проверьте его работоспособность, а затем верните на место. Повторите то же самое для остальных элементов.

Причины неисправностей и ремонт люминесцентных ламп
Самой частой причиной поломки ламп такого типа является потеря контакта, которая в ряде ситуаций провоцирует собой перегрев закрытого светильника, а как итог – разрушение разъемов и пластмассовых элементов крепления.

Довольно часто у таких ламп наблюдается перегорание дросселя. Определить наличие именно этой причины поломки можно даже при визуальном осмотре – потемнение цвета, клемма находится в расплавленном состоянии.

Изредка отмечается поломка кабелей – из-за вибрации осветительного прибора возле ламподержателя или дросселя отламывается жила. В этой ситуации ремонтные работы заключаются в восстановлении контакта.

В результате можно выделить, что следуя инструкции, предписанной для ремонта такого типа ламп, можно значительно снизить свои растраты, отказавшись от приобретения нового оборудования.

Популярный алгоритм ремонта
Перед тем, как разобрать конструкцию, обязательно отсоединяем ее от источников питания в целях собственной безопасности.

Электрическая схема
Далее процедуру можно разделить на несколько процессов:
- с помощь тонкой отвертки или шила поддеваем матовый купол для разделения корпуса на составные части, операция достаточно деликатная, поэтому не стоит применять излишнее усилие, чтобы не повредить стекло;
- на плате откроются шурупы, которые необходимо будет выкрутить из посадочных гнезд;
- тонким краем отвертки или ножом поддеваем плату с посадочного места для открытия доступа к тыльной стороне;
- цоколь отделяется просто, его удерживают на корпусе вдавленные персональные зазубрины;
- каждую сторону цоколя деликатно отгибаем по всему периметру фиксации;
- прикладываем небольшое усилие для вынимания цоколя;
- чтобы итог работы был успешным, при помощи ножа отсекаем соединительную проводку от светодиодной платы;
- извлекаем блок питания.
Теперь перед нами оказывается полностью подготовленная к дальнейшим работам разобранная конструкция.
На следующем этапе проводится визуальный контроль состояния прибора. Стадия зачастую позволяет выявить оплавленные или перегоревшие участки в цепи. Именно они и являются причиной поломок. Наиболее популярным является выход из строя элементов питания. Проблемы на плате требую вмешательства мастера с паяльником.

Для извлечения неисправных элементов нужно демонтировать всю конструкцию
Если отсутствует опыт пайки таких приборов, то допускается элементарная замена целых блоков. Их можно вынимать из других поломанных конструкциий, предусмотрительно отложенных в места хранения. Такое сведение из нескольких элементов обойдется дешевле, чем покупка новых светодиодов.
Продемонстрировать проблемы могут такие элементы:
- токоограничивающий конденсатор;
- его диоды;
- расположенный рядом резистор.
В этом случае ремонт драйвера лед-устройства предусматривает предварительный обязательный прозвон элементов с помощью мультиметра. Метод обязательно выявит поломку узла.

Так выглядит плата светодиода
Виновниками неисправности могут оказаться и сами кристаллы. Они будут окружены темным пятном гари, а также будет слышаться характерный запах. Для верности их работоспособность прозванивают мультиметром. Если он отсутствует, то достаточно использовать пальчиковую батарейку для подачи питания.
Вышедшие из строя светодиоды не будут гореть. Выпаиваем их с места посадки
Важно подобрать новые такие же по мощности, оттенку и силе свечения
Мерцание также свидетельствует о том, что электроприбор вышел из строя. Он нуждается в замене.
Если перед тем как сгореть, раздавался хлопок, то вероятнее всего нужно будет начинать с замены конденсатора. Он имеет свойство не только вздуваться, но и лопаться. Придется купить на радиорынке аналогичную замену, а затем впаять на место в электросхеме.
Назначение и разновидности цоколей
Несмотря на простоту конструкции, цоколи лампочки делятся на несколько больших групп, сформированных в зависимости от назначения. Выделяют:
Цоколи Е14 и Е27.
Применяются в повседневной жизни и относятся к стандартным элементам. Цифры в названии определяют диаметр цоколя.
Цоколь Е40.
Крупногабаритный элемент, используемый в мощных лампах. Они применяются для освещения улиц, помещений с большой площадью и в больших светильниках.
GU3, GU10 и G9.
Являются заменой для галогенных лампочек, полностью повторяя конструкцию их цоколя.
GX 53, GX 70 и GX 40.
Лампы, монтируемые во встраиваемые светильники, служащие для освещения потолка или элементов декора.
R7s и GX24q-4.
Лампы, необходимые для корректной работы прожекторов.
G13.
Поворотный элемент, используемый для работы ламп Т8.
Кроме классификации цоколя по назначению, выделяют:
- металлические цоколи;
- керамические цоколи;
- цоколи, выполненные из прогрессивного температурного пластика.
Из металла
Стандартный вариант изготовления, который можно найти в любом магазине. Металл обладает всем необходимыми качествами, в число которых входит:
- изоляция проводников друг от друга;
- прочность и надежность конструкции;
- термостойкость;
- проводимость электричества.
При этом цоколь из металла стоит мало денег, что позволяет экономить семейный бюджет.
Керамические
Керамические цоколи более современные, а по качеству превосходят металлические. Среди главных достоинств цоколей из керамики выделяют:
- Срок эксплуатации. Намного выше, чем у пластиковых и металлических.
- Надежность. Керамика лучше переносит перегрузки, чего нельзя сказать о пластике.
В остальном выполняет аналогичные металлическим цоколям функции, ничем от них не отличаясь. Основная область применения керамических цоколей – галогеновые лампочки.
Прогрессивный температурный пластик
Прогрессивный температурный пластик представляет собой нечто среднее между керамикой и пластиком, вбирая в себя их лучшие качества. Среди достоинств материала выделяют:
- низкую стоимость изготовления;
- хорошую термостойкость;
- высокий срок эксплуатации;
- устойчивость к физическим воздействиям.
Единственным недостатком считается плохая совместимость с галогенными лампами, которые негативно влияют на прочность материала.
Причины неисправностей светодиодных ламп
Причины поломок лампочек:
- Скачки напряжения в электросети. Светодиодные светильники не так подвержены поломкам из-за этого благодаря наличию драйвера. Но со временем перепады напряжения могут пробить диодный мост, что приводит к перегоранию LED элементов. При наличии чувствительных скачков в сеть потребуется добавить стабилизаторное устройство, это позволит повысить ресурс эксплуатации диодного оборудования.
- Для электросети неверно подобран осветительный прибор. Если в устройстве нет необходимой вентиляции, это негативно отразится на функционировании драйвера. В результате тепло, которое выделяет устройство, не сможет отводиться, что приводит к перегреву. Для решения проблемы необходимо выбрать осветительное устройство, имеющее качественную вентиляцию. Это будет способствовать эффективному тепловому обмену.
- Ошибки при установке. При неверном подборе осветительной системы или ее подключении лампочка выйдет из строя. Также причина может заключаться в неправильно высчитанном сечении проводки. Для решения проблемы необходимо разгрузить осветительную линию либо произвести замену световых приборов. Надо установить устройства, которые будут потреблять меньше мощности.
- Различные внешние факторы. К примеру, проблема может заключаться в воздействии вибраций, высокой влажности, а также запыленности. Иногда причина кроется в неверном выборе степени защиты. Все негативные внешние факторы, влияющие на функционирование осветительных приборов, надо устранить.
Список источников
- samelectrik.ru
- kachestvolife.club
- hozzi.ru
- electricremont.ru
- electrikmaster.ru
- diodgid.ru
- amperof.ru
- 220.guru
7 лестниц
