Схема работы предпускового нагревателя
Схема работы предпускового нагревателя двигателя выглядит таким образом:

Где: 1 система управления; 2 двигатель постоянного тока; 3 трубка для всасывания; 4 муфта; 5 вентилятор; 6 подшипник; 7 передачи; 8 насос топлива; 9 электромагнитный клапан; 10,11 форсунка с корпусом; 12,13 электрод для зажигания и держатель; 14 пропускной клапан; 15 индикатор подачи пламени; 16 диск; 17,18 трубки отвода и подвода топлива; 19,21,22 теплообменник и его трубки; 20 завихритель; 23 трубка ввода/вывода газов; 24, 25 трубки входа/выхода; 26.27 кронштейны; 28 блок питания; 29 предохранитель; 30, 31 датчики управления устройством.
Система дистанционного управления ПЖД-30 дает возможность управлять работой подогревателя как при рабочем положении кабины автомобиля, так и при опрокинутой кабине.
Переключатель подогревателя ПЖД-30, установленный на кронштейне в кабине, имеет четыре положения:
- положение 0 — все выключено;
- положение I — включен электродвигатель насосного агрегата, электромагнитный топливный клапан и электроискровая свеча;
- положение II — включен электродвигатель насосного агрегата и электромагнитный топливный клапан;
- положение III — включен электродвигатель насосного агрегата и электронагреватель топлива.
Переподсоединение с 380В на 220
Чтобы присоединить мотор трёхфазный к 220 вольтам, важно знать, что он имеет шесть выводов, полностью соответствующих нескольким обмоткам. Посредством проводного тестера осуществляется прозвон для поиска катушки
Концы совмещаются парно для получения треугольников.


От выбора варианта зависит, куда именно будет происходить вращение мотора. Проделав необходимые действия, осуществляется запуск мотора, после подачи 220 вольт на него.

Если в процессе подключения наблюдается гул, но при этом двигатель не крутится, соответственно требуется установка конденсатора, который в процессе запуска заставляет мотор крутиться, как на фото подсоединения электрического двигателя на сайте.
Сопротивление измеряется посредством тестера. При его отсутствии можно использовать батарейку, либо лампочку, предназначенную для фонарика: непосредственно в цепи с лампой присоединяют определённые провода.

В случае, если найдены концы обмотки, то происходит загорание лампочки. Значительно проблематичнее определить концы, а также начало обмоток. В данном случае необходим вольтметр.

Во время разрыва батарейки и провода важно смотреть происходит ли отклонение стрелки. Подобные действия необходимо осуществить с другими обмотками, чтобы изменять при достижении полярности
Достигается отклонение стрелки до первоначального измерения.

Варианты систем плавного пуска электродвигателей
Система «звезда-треугольник»

позволяет добиться тока почти на треть ниже
Однако, этот способ не подойдёт для механизмов с небольшой инерцией вращения. К таким, к примеру, относятся вентиляторы и небольшие насосы, из-за малых размеров и массы их турбин. В момент перехода с конфигурации «звезда» на «треугольник», они резко снизят обороты или вовсе остановятся. В результате после переключения, электродвигатель по сути, запускается заново. То есть в конечном счёте вы не добьётесь не только экономии ресурса двигателя, но и, вероятнее всего, получите перерасход электроэнергии.
Электронная система плавного пуска электродвигателя

С помощью таких схем, обычно, удаётся снизить пусковой ток до двух–трёх номинальных. Кроме этого, удаётся снизить существенный нагрев, присущий вышеупомянутой системе «звезда-треугольник», что способствует увеличению срока службы электродвигателей. Благодаря тому, что управление запуска двигателя происходит за счёт снижения напряжения, разгон ротора осуществляется плавно, а не скачкообразно, как у других схем.
В целом, на системы плавного пуска двигателя возлагаются несколько ключевых задач:
- основная – понижение пускового тока до трёх–четырёх номинальных;
- снижение напряжения питания двигателя, при наличии соответствующих мощностей и проводки;
- улучшение параметров пуска и торможения;
- аварийная защита сети от перегрузок по току.
Однофазная схема пуска
Данная схема предназначена для запуска электродвигателей мощностью не более одиннадцати киловатт. Применяют такой вариант в том случае, если требуется смягчить удар при запуске, а торможение, плавный пуск и понижение пускового тока не имеют значения. В первую очередь из-за невозможности организации последних, в такой схеме. Но по причине удешевления производства полупроводников, в том числе и симисторов, они сняты с производства и редко встречаются;
Двухфазная схема пуска
Такая схема предназначена для регулирования и пуска двигателей мощностью до двухсот пятидесяти ватт. Такие системы плавного пуска иногда комплектуют обходным контактором для удешевления прибора, однако, это не решает проблемы несимметричности питания фаз, что может привести к перегреву;
Трехфазная схема пуска
Эта схема является наиболее надёжной и универсальной системой плавного пуска электродвигателей. Максимальная мощность, управляемых таким устройством двигателей, ограничена исключительно максимальной температурной и электрической выносливостью применённых симисторов. Его универсальность позволяет реализовать массу функций, таких как: динамический тормоз, подхват обратного хода или балансировку ограничения магнитного поля и тока.

позволяет обеспечить правильный тепловой режим системы плавного пуска электродвигателя
Существующие на сегодняшний день устройства плавного пуска электродвигателей, помимо приведённых выше свойств, рассчитаны на их совместную работу с различными контроллерами и системами автоматизации. Имеют возможность включения по команде оператора или глобальной системы управления. При таких обстоятельствах, в момент включения нагрузок, возможно появление помех, могущих привести к сбоям в работе автоматики, а следовательно, стоит озаботиться системами защиты. Использование схем плавного пуска, способно значительно уменьшить их влияние.
Схема звезда треугольник
Во многих отечественных электрических двигателях уже собрана схема звезда, нужно только реализовать треугольник. По сути, Вам необходимо произвести подключение трех фаз и собрать звезду из оставшихся шести концов обмотки. Для лучшего понимания ниже просмотрите чертеж звезды и треугольника электродвигателя. Здесь концы нумеруются с левой стороны на правую, номера 6, 4 и 5 присоединяются три фазы, как на схеме:
Фото — Звезда и треугольник электродвигателя
В соединении звезда с тремя выводами или как его еще называют звезда треугольник, самым главным достоинством является то, что вырабатывается максимальная мощность электрического двигателя. Но вместе с тем, это соединение довольно редко используется на производстве, гораздо чаще его можно встретить у мастеров-любителей. Главным образом это потому, что схема очень сложная, и на мощных предприятиях просто нет смысла организовывать такое трудоемкое соединение.
Фото — подключение звезда
Для того чтобы схема работала, Вам понадобится три пускателя. Схема изображена на чертеже ниже.
Фото — схема подключения звезда треугольник
К первому пускателю, который обозначен К1, с одной стороны подключается электрический ток, а к другому присоединяется обмотка статора. Свободные концы статора присоединяются к пускателям К2 и К3. После этого обмотки с пускателя К2 также подсоединяются к остальным фазам, для образования треугольника. Когда в фазу включается пускатель К3, то остальные концы немного укорачиваются и у Вас получается схема звезда.
Заметьте, что третий и второй пускатели на магнитах нельзя включать одновременно. Это может привести к короткому замыканию и аварийному отключению автомата электродвигателя. Для того, чтобы этого избежать, реализовывается своеобразная электроблокировка. Принцип её работы прост – когда включается один пускатель, то выключается другой, т.е. блокировка размыкает цепь его контактов.
Принцип работы схемы относительно прост. Когда в сеть включается первый пускатель, обозначенный К1, реле времени электродвигателя включает также третий пускатель К3. После двигатель заводится по схеме звезда и начинает работу с большей мощностью, чем обычно. Спустя определенный временной отрезок, реле времени отключает контакты третьего пускателя и включает в сеть второй. Теперь двигатель работает по схеме треугольника, немного снижая мощность. Когда нужно отключить питание, включается цепь первый пускатель, во время очередного цикла схема повторяется.
Нужно отметить, что мы не рекомендуем реализовывать такое соединение без определенного опыта и навыков. В любом случае при самостоятельной работе лучше проконсультироваться с профессионалами.
Видео: двигатель 380 в 220
Виды электрических двигателей
Двигатель электрический — это функционирующая от электричества машина, перемещающая различные элементы с помощью привода. Производят асинхронные и синхронные агрегаты.
Синхронный двигатель
Ещё со школьной скамьи установлено, что при взаимном приближении магниты притягиваются или отталкиваются. Первый случай появляется у разноименных магнитных полюсов, 2-й — у одноименных. Разговор идёт о стабильных магнитах и постоянно организовываемом ими магнитном поле.
Кроме представленных, есть неустойчивые магниты. Все без исключения помнят пример из учебника: на рисунке представлен магнит в форме обычной подковы. Между его полюсами размещена рамка, сделанная в форме подковы с полукольцами. В рамку подавали ток.
Поскольку магнит отвергает одноименные и притягивает разные полюса, вокруг этой рамки появляется электромагнитное поле, что разворачивает её в вертикальном положении. В результате на нее действует обратный основному случаю по символу ток. Модифицированная полярность крутит рамку и снова отдаёт в горизонтальную область. На этом убеждении и сформирована работа синхронного электродвигателя.
В настоящей схеме ток подаётся на обмотку ротора, представленного рамкой. Источником, который создает электромагнитное поле, считаются обмотки. Статор осуществляет функции магнита. Кроме того, он сделан из обмоток либо из комплекта стабильных магнитов.
Частота вращения ротора такого электродвигателя такая же, как у тока, который подан на клеммы обмотки, т. е. они трудятся одновременно, что и дало наименование электродвигателю.
Асинхронный аппарат
Чтобы разобраться с принципом работы, вспоминаем картинку: рамка (но без полуколец) расположена между магнитными полюсами. Магнит сделан в форме подковы, окончания которой объединены.
Начинаем его медленно крутить вокруг рамки, наблюдая за происходящим. До какого-то момента перемещения рамки не наблюдается. Далее, при конкретном угле поворота магнита, она начинает вертеться за ним с быстротой меньшей, чем темп последнего. Работают они не одновременно, поэтому моторы именуются асинхронными.
В настоящем электродвигателе магнит — это помещённая электрообмотка в пазах статора, в который подан электроток. Ротор же считается рамкой. В его пазах присутствуют соединённые накоротко пластинки. Его так и именуют — короткозамкнутый.
Отличия электродвигателей
Внешне моторы распознать сложно. Их главное отличие составляет правило работы. Разнятся они и по сфере применения: синхронные более сложные по конструкции, используются для приведения в действие такого оснащения, как насосы, компрессора и пр., т. е. работающего с постоянной быстротой.
У асинхронных при нарастании перегрузки снижается частота верчения. Ими снабжается огромное количество приборов.
Электродвигатели и нагрузки — проблема?

Наверное, самая значительная нагрузка, приходящаяся на двигатель в момент пуска, это многократное, хоть и кратковременное, превышение номинального рабочего тока агрегата. Уже через несколько секунд работы, когда электромотор выйдет на свои штатные обороты, ток, потребляемый им, тоже вернётся к нормальному уровню. Для обеспечения необходимого электроснабжения приходиться наращивать мощность электрооборудования и токопроводящих магистралей, что приводит к их подорожанию.
При запуске мощного электродвигателя, из-за его большого потребления, происходит «просадка» напряжения питания, которая может привести к сбоям или выходу из строя оборудования, запитанного с ним от одной линии. Ко всему прочему, снижается срок службы аппаратуры электроснабжения.
При возникновении нештатных ситуаций, повлёкших перегорание двигателя или его сильный перегрев, свойства трансформаторной стали могут измениться настолько, что после ремонта двигатель потеряет до тридцати процентов мощности. При таких обстоятельствах, к дальнейшей эксплуатации он уже непригоден и требует замены, что тоже недешево.
Принцип работы электрического коллекторного двигателя
Тем, кто понимает принцип работы коллекторного двигателя, его запуск не покажется непосильной задачей. Но мы коротко расскажем, чтобы понять суть проблемы.
Коллектор электродвигателя имеет насколько секций. Это медный барабан, разбитый изолирующими перемычками на ровные ряды. Все секции имеют выводы, установленные четко на противоположных сторонах, то есть сюда и подходят обе щетки. При работе одна секция получает электропитание, и в катушке появляется поле. Давайте рассмотрим, к чему приводит этот процесс.
Прямое подключение ротора и статора

поле распределяется
Если щетки подключить навстречу статору, то расположение зарядов на роторе изменится на противоположное. Вал двигателя в этом случае вращается против часовой стрелки. Как и в первом случае, одинаковые заряды притягиваются, а разные отходят.
Как правило, для изменения вращения электродвигателя стиральной машины устанавливаются специальные силовые реле или контакторы. Если необходимо, то ротор подключается навстречу статору, благодаря чему появляется реверс. Для нас это означает одно: когда вал вращается не так, как нужно, то надо поменять направление подключения обмоток.
Как выглядит разъем или коннектор электрического двигателя
Чаще всего коннектор электродвигателя стиральной машины похож на тот обычный пластиковый разъем, который очень знаком компьютерщикам. Он довольно просто подсоединяется, но отсоединить его назад практически невозможно. Как правило, для этой цели себе помогают шлицевой отверткой. Обе половинки обычно имеют 10 контактов, при этом определенная их часть чаще всего не задействована.
По два на статор и ротор, 4 клеммы представляют собой конец обмотки разъема. Также с неподвижной части зачастую выведена и середина. Это дает возможность реализовать различные режимы работы двигателя. Как правило, управление скоростью происходит с помощью изменения угловой отсечки напряжения. Что это обозначает?
- Представьте, что из электрической розетки выходит ровная синусоида (хоть, на самом деле это не так) с постоянным значением 220 Вольт. Как правило, для двигателя это много. То есть, часть синусоиды отсекается каким-то силовым ключом. К примеру, тиристором.
- Так, действующее напряжение значительно падает. Например, на Самсунгах может находиться корейский электродвигатель с иероглифами, где русскими буквами указано, что при отжиме используется 300 Ватт при входящем токе 3 Ампера, а на стирку используется 40 Ватт (ток 4 Ампера). Что это означает – ток выше, а потребление ниже? Нет. Это различный угол отсечки. В первом варианте действующее напряжение 300/3=100 Вольт, а в другом – только 40/4=10 Вольт. Вот таким образом, и нам будет необходимо производить управление скоростью, если это нужно. Или подключать напряжение через схему трансформатора.
Скорость вращения электродвигателя
Что относительно скорости вращения, то ее может оценить тахогенератор (это даже больше тахометр). Он является, по большому счету, источником импульсов, которые следуют одновременно с валом, и на него приходится не менее двух выходов коннектора. Но тут есть одна небольшая проблема: в схеме тахогенератора находятся движущиеся части. А это огромный недостаток, в плане надежности оборудования.
Поэтому, как правило, используется датчик Холла. Это так называемая планшетка из чувствительного материала, которая реагирует на приближение магнитного электрического поля. Относительно скорости вращения вала меняется частота прохождения импульсов. При этом планшетка может прослужить практически вечно, так как механического контакта здесь нет, как и подвижных элементов. Датчик Холла устанавливается не только для регулирования скорости вращения вала с целью функции стирки, он также участвует во взвешивании белья.
Смысл в том, что после замачивания вещи намокают, и от полученного веса будет зависеть скорость вращения барабана. По заданным формулам и схемам стиральная машина определяет массу белья. Не забывайте, что датчик Холла, как правило, имеет три выхода:
- два выхода – это питание;
- третий выход – снимает импульсы.
Защита от перегрева

термопредохранителя
Непосредственно термопредохранитель зачастую устанавливается на корпусе мотора машины. Обычно для стиральных машин двигатель изготавливается таким образом, что по контуру появляется нечто похожее на магнитный провод (набор металлических пластин). Термопредохранитель может находиться или там, или под изоляцией обмоток. Для нашей задачи он не сильно важен, если, естественно, не боитесь, что сгорит электродвигатель. В действительности, именно с помощью этой цепи нужно подключать оборудование. Термопредохранитель обязан находиться последовательно с обмотками.
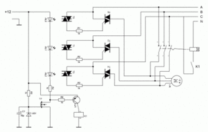
Работа предпускового подогревателя

Работа предпускового подогревателя двигателя КамАЗ, который находится под передней поперечиной рамы (Рис.1), заключается в подаче топлива из бачка с топливного насоса подогревателя. Затем поступившее горючее направляется через открытый электромагнитный клапан (1) к форсунке и в определенном объёме впрыскивается во внутреннюю горелку теплообменника (2) подогревателя.
Распространившееся горючее вперемешку с воздухом работающего вентилятора, воспламеняется и начинает сгорать, при этом подогревая охлаждающую жидкость. Далее продукты сгорания по трубке попадают под масляный картер и увеличивают температуру масла.
Горючее в баке подогревателя появляется в процессе работы двигателя (4) из специального бачка (5), если топливо отсутствует, то наполнение возможно при помощи ручного топливоподкачивающего насоса. Необходимо регулярно отслеживать на предмет течи топлива и охладительной жидкости в местах соединения трубок, кранов и прочих узлов.
Предпусковой подогреватель на КамАЗе в момент достижения температуры котла до 85°С, переключается в режим продувки. Включить повторно ПЖД на КамАЗе станет возможным после полного отключения.
Принцип работы УПП
Силовая часть устройства плавного пуска состоит из силовых тиристоров, включенных встречно-параллельно и обходных контакторов. Изменение напряжения достигается регулировкой проводимости полупроводниковых устройств путем подачи отпирающих импульсов на управляющие контакты. Б.
В состав УПП также входит:
- Генератор управляющих импульсов. Этот блок вырабатывает сигналы, изменяющие угол проводимости полупроводниковых устройств при пуске и остановки электродвигателя.
- Управляющее устройство на базе контроллера или микропроцессора. Его основные функции – подача команд на генератор импульсов, обеспечение связи с другими устройствами, прием сигналов от датчиков, обеспечение защитного отключения электрической машины при аварийных и ненормальных режимах работы.
Старт электрической машины осуществляется на напряжении, составляющем 30-60% от номинального. При этом происходит плавное зацепление шестеренок передаточного механизма, постепенное натяжение ремней привода. Далее управляющий блок постепенно увеличивает проводимость тиристоров до полного разгона электродвигателя. При достижении номинальной частоты вращения вала, замыкаются контакты шунтирующих коммутационных устройств. Ток начинает течь в обход тиристоров. Это необходимо для снижения нагрева полупроводниковых устройств, увеличения срока службы УПП, снижения энергопотребления.
При остановке электродвигателя, контактор включает в цепь тиристоры. С генератора импульсов поступают сигналы, плавно уменьшающие проводимость тиристоров до остановки электрической машины.
Как проверить электродвигатель на работоспособность
Для пользователя существует несколько вариантов, как проверить двигатель на работоспособность.
• Анализ внешнего состояния прибора. Перегрев системы связывают с потемнением краски на двигателе в средней части.
• Сверьтесь с заявленными производителем характеристиками, указанными на маркировке прибора. Не ожидайте, что двигатель выдаст большие мощности и RPM (число оборотов), чем это написано на маркировке.
• Измерьте показания с помощью мультиметра.
• Устройте прибору аппаратную диагностику.
Проверка мощности электродвигателя.
Электродвигатель сталкивается с большой нагрузкой в ходе работы отдельной или комплексной системы. Опытный пользователь знает, что любое, даже самая надежное устройство со временем дает сбой
Поэтому важно снимать показания электрической машины до нескольких раз после установки, как мощность электродвигателя, так и другие значения
• Мощность можно определить по счетчику.
• Параметр мощности считается исходя из таблиц (понадобятся данные, например, диаметр D вала, S см/м до оси, длина мотора).
• Данные о габаритах двигателя также служат вспомогательным материалом для вычисления мощности двигателя.
• Непосредственно мощность определяют исходя из значений скорости вращения вала. Частоту умножают на k 6.28, силу и радиус системы (узнается с помощью штангенциркуля).
Подготовка элехтровоза к запуску в эксплуатацию
Общие указания
Подготовка пневматического оборудования, системы вентиляции и кондиционирования
Подготовка механической части
Подготовка тяговых электродвигателей
Подготовка вспомогательных машин
Подготовка электрических аппаратов
Подготовка аккумуляторной батареи
Подготовка прочего электрооборудования и монтажа
Подготовка к проверке электрической схемы
Проверка электрической схемы при опущенном токоприемнике
Проверка электрической схемы под контактным проводом
Подготовка электровоза к работе в зимних условиях
Подготовка электровоза к эксплуатации после хранения
Онлайн расчет емкости конденсатора мотора
|
Введите данные для расчёта конденсаторов — мощность двигателя и его КПД |
Есть специальная формула, по которой можно высчитать требуемую емкость точно, но вполне можно обойтись онлайн калькулятором или рекомендациями, которые выведены на основании многих опытов:
Конденсаторы должны быть неполярными, то есть не электролитическими. Рабочее напряжение этих конденсаторов должно быть минимум в 1,5 раза выше, чем напряжение сети, то есть, для сети 220 В берем емкости с рабочим напряжением 350 В и выше. А чтобы пуск проходил проще, в пусковую цепь ищите специальный конденсатор. У них в маркировке присутствует слова Start или Starting.
Пусковые конденсаторы для моторов
Эти конденсаторы можно подбирать методом от меньшего к большему. Так подобрав среднюю емкость, можно постепенно добавлять и следить за режимом работы двигателя, чтобы он не перегревался и имел достаточно мощности на валу. Также и пусковой конденсатор подбирают добавляя, пока он не будет запускаться плавно без задержек.
Устройство и описание ДПТ
Конструктивно электродвигатель постоянного тока устроен по принципу взаимодействия магнитных полей.
Самый простой ДПТ состоит из следующих основных узлов:
- Двух обмоток с сердечниками, соединенных последовательно. Данная конструкция расположена на валу и образует узел, называемый ротором или якорем.
- Двух постоянных магнитов, повёрнутых разными полюсами к обмоткам. Они выполняют задачу неподвижного статора.
- Коллектора – двух полукруглых, изолированных пластин, расположенных на валу ДПТ.
- Двух неподвижных контактных элементов (щёток), предназначенных для передачи электротока через коллектор до обмоток возбуждения.
Рисунок 1. Схематическое изображение простейшего электродвигателя постоянного тока.
Рассмотренный выше пример – это скорее рабочая модель коллекторного электродвигателя. На практике такие устройства не применяются. Дело в том, что у такого моторчика слишком маленькая мощность. Он работает рывками, особенно при подключении механической нагрузки.
Статор (индуктор)
В моделях мощных современных двигателях постоянного тока используются статоры, они же индукторы, в виде катушек, намотанных на сердечники. При замыкании электрической цепи происходит образование линий магнитного поля, под действием возникающей электромагнитной индукции.
Для запитывания обмоток индуктора ДПТ могут использоваться различные схемы подключения:
- с независимым возбуждением обмоток;
- соединение параллельно обмоткам якоря;
- варианты с последовательным возбуждением катушек ротора и статора;
- смешанное подсоединение.
Схемы подключения наглядно видно на рисунке 2.
Рисунок 2. Схемы подключения обмоток статора ДПТ
У каждого способа есть свои преимущества и недостатки. Часто способ подключения диктуется условиями, в которых предстоит эксплуатация электродвигателя постоянного тока. В частности, если требуется уменьшить искрения коллектора, то применяют параллельное соединение. Для увеличения крутящего момента лучше использовать схемы с последовательным подключением обмоток. Наличие высоких пусковых токов создаёт повышенную электрическую мощность в момент запуска мотора. Данный способ подходит для двигателя постоянного тока, интенсивно работающего в кратковременном режиме, например для стартера. В таком режиме работы детали электродвигателя не успевают перегреться, поэтому износ их незначителен.
Ротор (якорь)
В рассмотренном выше примере примитивного электромотора ротор состоит из двухзубцового якоря на одной обмотке, с чётко выраженными полюсами. Конструкция обеспечивает вращение вала электромотора.
В описанном устройстве есть существенный недостаток: при остановке вращения якоря, его обмотки занимают устойчивое. Для повторного запуска электродвигателя требуется сообщить валу некий крутящий момент.
Этого серьёзного недостатка лишён якорь с тремя и большим количеством обмоток. На рисунке 3 показано изображение трёхобмоточного ротора, а на рис. 4 – якорь с большим количеством обмоток.
Рисунок 3. Ротор с тремя обмотками
Рисунок 4. Якорь со многими обмотками
Подобные роторы довольно часто встречаются в небольших маломощных электродвигателях.
Для построения мощных тяговых электродвигателей и с целью повышения стабильности частоты вращения используют якоря с большим количеством обмоток. Схема такого двигателя показана на рисунке 5.
Рисунок 5. Схема электромотора с многообмоточным якорем
Коллектор
Если на выводы обмоток ротора подключить источник постоянного тока, якорь сделает пол-оборота и остановится. Для продолжения процесса вращения необходимо поменять полярность подводимого тока. Устройство, выполняющее функции переключения тока с целью изменения полярности на выводах обмоток, называется коллектором.
Такой же принцип коммутации питания обмоток используются во всех коллекторах, в т. ч. и в устройствах с большим количеством ламелей (по паре на каждую обмотку). Таким образом, коллектор обеспечивает коммутацию, необходимую для непрерывного вращения ротора.
В современных конструкциях коллектора ламели расположены по кругу таким образом, что каждая пластина соответствующей пары находится на диаметрально противоположной стороне. Цепь якоря коммутируется в результате изменения положения вала.
Принцип работы схемы реверсивного управления асинхронным двигателем с к.з. ротором с выдержкой времени
Реверсирование двигателя выполняется двумя контакторами и трёхкнопочной станцией, следующим образом. При срабатывании контактора КМ1 к обмоткам двигателя подаётся напряжение сети с прямым порядком чередования фаз (А-В-С). Если сработает контактор КМ2, то порядок чередование фаз обратный(С-В-А).
Рис.2 Схема реверсивного управления асинхронным двигателем с к.з. ротором с выдержкой времени
Дистанционный пуск и остановку выполняют реверсивным электромагнитным пускателем (КМ), снабженным электротепловым реле (КК) для защиты его от перегрузок. Управление электродвигателем осуществляется кнопками«ВПЕРЁД», «НАЗАД»,«СТОП».
Пуск электродвигателя вперёд осуществляется следующим образом. При нажатии SBC1.1(кнопка «ВПЕРЁД»с замыкающим контактом) образуется замкнутая электрическая цепь: фаза А-размыкающий контакт SBT(кнопка «СТОП») размыкающий контакт SBC2.2(кнопка«НАЗАД»), замыкающий контакт SBC1.1, катушка электромагнитного пускателя КМ1, размыкающий контакт электротеплового реле КК-фаза В.
В электромагните КМ1 создаётся магнитное поле. Якорь, притягиваясь к сердечнику, увлекает траверсу, на которой закреплены подвижные главные и блокировочные контакты. Силовые контакты КМ1 замыкают цепь главного тока, обеспечивая запуск двигателя вперёд, а блокировочный замыкающий контакт КМ 1.1 шунтирует кнопку «ВПЕРЁД», так как она с пружинным самовозвратом и замкнута лишь на нажатии.
Пуск электродвигателя назад осуществляется следующим образом. При нажатии SBC2.1 (кнопка «НАЗАД» с замыкающим контактом) образуется замкнутая электрическая цепь: фаза А-размыкающий контакт SBT (кнопка «СТОП» ), размыкающий контакт SBC 1.2(кнопка «ВПЕРЁД»), замыкающий контакт SBC 2.1 размыкающий блокировочный контакт магнитного пускателя KM 2.2, катушка реле времени KT, нулевой провод сети N, при этом замкнётся контакт реле времени KT 1.1 через определённый промежуток времени, который выставляется на шкале реле, при помощи указателя неподвижных контактов замкнётся подвижный контакт с самовозвратом КТ1.2, катушка электромагнитного пускателя КМ2, размыкающий контакт электротеплового реле КК-фаза В. Т.о. сработает контактор КМ2, в силовой цепи замкнутся главные контакты КМ2.1 шунтирует кнопку «НАЗАД»(контакт SBC2.1 и контакт с выдержкой времени КТ1.2).
Для остановки электродвигателя следует нажать кнопку SBTс размыкающим контактом («СТОП»). При этом обесточивается катушка КМ, главные контакты электромагнитного пускателя разомкнутся и отключается электродвигатель.
Защита электродвигателя от перегрузок осуществляется тепловым реле КК, которое работает нижеописанным способом. При превышении заданного значения электрического тока в цепи питания электродвигателя сработает тепловое реле КК и своим размыкающим контактом разомкнёт цепь питания катушки электромагнитного пускателя, что в свою очередь приведёт к размыканию его главных контактов и электродвигатель отключается.
асинхронный двигатель ротор реверсный
Типовые схемы пуска синхронных электродвигателей
Для эксплуатации синхронных
двигателей большое значение имеет
правильный выбор схемы подключения.
Сегодня наиболее распространенной,
простой и надежной схемой является
схема прямого пуска от полного сетевого
напряжения. Исключение: двигатели с
тяжелым пуском или очень мощные двигатели,
пуск которых вызывает недопустимые
снижения сетевого напряжения.
Конструкция каждого синхронного
двигателя предусматривает возможность
асинхронного пуска. Выбор пускового
реактора для синхронных двигателей
также не отличается практически ничем
от подбора реакторов для двигателей
асинхронного типа. Во многих случаях
для мощных двигателей целесообразно
применить питание от отдельных
трансформаторов, которые еще называются
блок-трансформаторами. Увеличение
мощности трансформатора может
понадобиться, если наблюдаются частые
тяжелые пуски двигателя и его перегрев.

Типовые узлы схем возбуждения синхронного
двигателя
Пуск с помощью реактора и пуск
в работе со схемой, в которую подключен
блок-трансформатор имеет весомые
преимущества перед пуском двигателя
через автотрансформатор. Приведем
пример: при пуске напряжение, подаваемое
на двигатель, через постоянного включенный
реактор или трансформатор по мере того,
как снижается ток, плавно возрастает.
В конце пускового режима это напряжение
не отличается от номинального практически
ничем.
На схеме, приведенной на рисунке,
подача возбуждения синхронному двигателю
осуществляется с помощью электромагнитного
реле постоянного тока КТ (реле времени
с гильзой). Катушка реле включается на
разрядное сопротивление Rразр через
диод VD. При подключении обмотки статора
к сети в обмотке возбуждения двигателя
наводится ЭДС. По катушке реле КТ проходит
выпрямленный ток, амплитуда и частота
импульсов которого зависят от скольжения.
Подача возбуждения синхронному двигателю
в функции скорости
Именно поэтому можно говорить
о том, что при реакторном пуске шунтирование
происходит без токовых толчков, в то
время как при автотрансформаторном
пуске необходимо сильно усложнять схему
подключения для того, чтобы ограничить
толчки тока при переходе с режима «пуск»
на полное сетевое напряжение.
Согласно стандартам ГОСТ обмотки
трансформатора должна выдерживать токи
короткого замыкания на выводах каждой
из них без каких-либо повреждений,
поэтому, можно уверенно говорить о том,
что практика применения схем
трансформатор-двигатель полностью себя
оправдывает.
Как подключить электродвигатель современной стиральной машины?
Если вам понадобилось подключить электродвигатель современной стиральной машинки к сети переменного напряжения двести двадцать вольт, то следует учитывать особенности данной детали. Их особенности заключаются в следующем:
- Они не нуждаются в пусковой обмотке.
- Для запуска не понадобиться пусковой конденсатор.
Для запуска нам понадобится нужным образом соединить провода на двигателе. Два белых провода, которые расположены слева, мы использовать не будем. Они необходимы для измерения оборотов электродвигателя. Следующий по очередности – красный провод. Он идет на обмотку статора. За ним находиться коричневый провод. Он так же направлен на одну из обмоток статора. Серый и зеленый провода подключены к щеткам двигателя.
Для того, чтобы представить вам схему подключения более наглядно, мы подготовили следующую схему:

К одному из выводов обмотки мы подключим один провод 220 вольт. На следующую подключим одну из щеток. На оставшуюся щетку двигателя стиральной машины подсоединим второй провод 220 вольт. Так, как это показано на схеме ниже:

После этого, вы можете включить двигатель в сеть 220 и проверить его работоспособность. Если вы все сделали правильно, то увидите, как вращается движущаяся часть мотора и услышите шум его работы. Если все прошло нормально, значит двигатель готов к использованию. Кстати, при таком подключении он движется в одну сторону. А что необходимо сделать, чтобы изменить направления вращения? Смотрите схему:

Как вы видите из схематического отображения на рисунке выше, для того, чтобы сменить направление вращения нам понадобилось поменять местами подключения щеток электродвигателя. После переподключения двигателя вновь проверьте его работоспособность, подсоединив его к сети 220 вольт.
Кстати, для того, чтобы облегчить вам работу, мы решили добавить видео инструкцию. В которой описан весь процесс подключения двигателя от стиральной машинки к электричеству.
Список источников
- 2shemi.ru
- tokar.guru
- stanok.guru
- drives.ru
- elektro.guru
- electrikmaster.ru
- mashmaster.ru
- gigabaza.ru
- electricremont.ru
- www.uesk.org
- www.asutpp.ru
- poezdvl.com
- topkamaz.ru
7 лестниц