Как проверить понижающий трансформатор
Для того чтобы проверить исправность и работоспособность понижающего трансформатора, понадобится мультиметр (тестер) – комбинированный электроизмерительный прибор. Если на трансформаторе отсутствует маркировка, то изначально определяются концы обеих обмоток. Для этого щупы тестера прикладываются к выводным клеммам (проводам) проверяемого устройства, при этом мультиметр используется в режиме измерения сопротивления. Когда концы обмоток обозначены, определяется, какая из них первичная, а какая − вторичная. Для этого изучаются значения сопротивлений в обмотках, в первичной оно будет больше, во вторичной – меньше.

Использование мультиметра для проверки работоспособности трансформатора напряжения
При наличии большего количества обмоток работы выполняются аналогично, с той лишь разницей, что появляется необходимость в прозвонке большего количества выводов. Для проверки работоспособности на первичную обмотку подаётся напряжение, а ко вторичной подключается нагрузка в виде источника света соответствующего класса напряжения.
Статья по теме:
Сделаем упрощенный расчет трансформатора 220/36 вольт.
Мощность во вторичной цепи: Р_2 = U_2 · I_2 = 60 ватт
Где:
Р_2 – мощность на выходе трансформатора, нами задана 60 ватт;
U_2 — напряжение на выходе трансформатора, нами задано 36 вольт;
I_2 — ток во вторичной цепи, в нагрузке.
КПД трансформатора мощностью до 100 ватт обычно равно не более η = 0,8.
КПД определяет, какая часть мощности потребляемой от сети идет в нагрузку. Оставшаяся часть идет на нагрев проводов и сердечника. Эта мощность безвозвратно теряется.
Определим мощность потребляемую трансформатором от сети с учетом потерь:
Р_1 = Р_2 / η = 60 / 0,8 = 75 ватт.
Мощность передается из первичной обмотки во вторичную через магнитный поток в магнитопроводе. Поэтому от значения Р_1, мощности потребляемой от сети 220 вольт, зависит площадь поперечного сечения магнитопровода S.
Магнитопровод – это сердечник Ш – образной или О – образной формы, набранный из листов трансформаторной стали. На сердечнике будут располагаться первичная и вторичная обмотки провода.
Площадь поперечного сечения магнитопровода рассчитывается по формуле:
S = 1,2 · √P_1.
Где: S — площадь в квадратных сантиметрах,
P_1 — мощность первичной сети в ваттах.
S = 1,2 · √75 = 1,2 · 8,66 = 10,4 см².
По значению S определяется число витков w на один вольт по формуле:
w = 50/S
В нашем случае площадь сечения сердечника равна S = 10,4 см.кв.
w = 50/10,4 = 4,8 витка на 1 вольт.
Рассчитаем число витков в первичной и вторичной обмотках.
Число витков в первичной обмотке на 220 вольт:
W1 = U_1 · w = 220 · 4.8 = 1056 витка.
Число витков во вторичной обмотке на 36 вольт:
W2 = U_2 · w = 36 · 4,8 = 172.8 витков,
округляем до 173 витка.
В режиме нагрузки может быть заметная потеря части напряжения на активном сопротивлении провода вторичной обмотки. Поэтому для них рекомендуется число витков брать на 5-10 % больше рассчитанного. Возьмем W2 = 180 витков.
Величина тока в первичной обмотке трансформатора:
I_1 = P_1/U_1 = 75/220 = 0,34 ампера.
Ток во вторичной обмотке трансформатора:
I_2 = P_2/U_2 = 60/36 = 1,67 ампера.
Диаметры проводов первичной и вторичной обмоток определяются по значениям токов в них исходя из допустимой плотности тока, количества ампер на 1 квадратный миллиметр площади проводника. Для трансформаторов плотность тока, для медного провода, принимается 2 А/мм² .
При такой плотности тока диаметр провода без изоляции в миллиметрах определяется по формуле: d = 0,8√I .
Для первичной обмотки диаметр провода будет:
d_1 = 0,8 · √1_1 = 0,8 · √0,34 = 0,8 · 0,58 = 0,46 мм. Возьмем 0,5 мм.
Диаметр провода для вторичной обмотки:
d_2 = 0,8 · √1_2 = 0,8 · √1,67 = 0,8 · 1,3 = 1,04 мм. Возьмем 1,1 мм.
ЕСЛИ НЕТ ПРОВОДА НУЖНОГО ДИАМЕТРА, то можно взять несколько, соединенных параллельно, более тонких проводов. Их суммарная площадь сечения должна быть не менее той, которая соответствует рассчитанному одному проводу.
Площадь поперечного сечения провода определяется по формуле:
s = 0,8 · d².
где: d — диаметр провода.
Например: мы не смогли найти провод для вторичной обмотки диаметром 1,1 мм.
Площадь поперечного сечения провода диаметром 1,1 мм. равна:
s = 0,8 · d² = 0,8 · 1,1² = 0,8 · 1,21 = 0,97 мм².
Округлим до 1,0 мм².
Из таблицы выбираем диаметры двух проводов сумма площадей сечения которых равна 1.0 мм².
Например, это два провода диаметром по 0,8 мм. и площадью по 0,5 мм².
Или два провода: – первый диаметром 1,0 мм. и площадью сечения 0,79 мм²,
— второй диаметром 0,5 мм. и площадью сечения 0,196 мм².
что в сумме дает: 0,79 + 0,196 = 0,986 мм².
Намотка катушки ведется двумя проводами одновременно, строго выдерживается равное количество витков обоих проводов. Начала этих проводов соединяются между собой. Концы этих проводов также соединяются.
Получается как бы один провод с суммарным поперечным сечением двух проводов.
Смотрите статьи:— «Как намотать трансформатор на Ш-образном сердечнике».— «Как изготовить каркас для Ш — образного сердечника».
Порядок сборки
Конструирование трансформатора начинается с расчета его параметров. Задаемся следующими величинами:
- Напряжение на входе: 220 В.
- Напряжение на выходе: 12 В.
- Площадь поперечного сечения сердечника: принимаем S = 6 кв. см.
На основании этих данных нужно рассчитать число витков в катушках. Используется следующая формула:
N = K*U/S,
Где
- N — количество витков;
- K — эмпирический коэффициент. Можно принять К = 50, но для того, чтобы избежать насыщения трансформатора, лучше принять К = 60. При этом несколько увеличится число витков и сам трансформатор станет чуть больше, но зато уменьшатся потери.
- U – напряжение в обмотке, В.
- S — площадь поперечного сечения сердечника, кв. см.

Автомобильный преобразователь напряжения 12-220 В своими руками
Таким образом, в первичной катушке число витков составит:
N1 = 60*220/6 = 2200 витков,
во вторичной:
N2 = 60*12/6 = 120 витков.
Далее нужно подготовить следующие материалы:
- медный провод, заключенный в шелковую или бумажную изоляцию: для первичной катушки — сечением 0,3 кв. мм, для вторичной — 1 кв. мм (при силе тока в цепи нагрузки менее 10 А);
- несколько консервных банок (жесть пойдет на изготовление сердечника);
- плотный картон;
- лакоткань (ленточная изоляция);
- пропитанная парафином бумага.

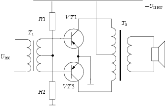
Схема мощного инвертора
Процесс изготовления трансформатора выглядит так:
- Из банок нужно вырезать 80 полос размером 30х2 см. Жесть нужно подвергнуть отжигу: ее помещают в печь, нагревают до высокой температуры, а затем оставляют остывать вместе с печью. Суть обработки состоит именно в постепенном остывании, в результате которого сталь размягчается и теряет упругость.
- Далее пластины нужно очистить от копоти и покрыть лаком, после чего каждая из них с одной стороны оклеивается тонкой бумагой — папиросной или пропарафиненной.
- Из плотного картона необходимо изготовить каркас для обмоток, состоящий из ствола и щечек. Он должен быть обмотан в несколько слоев пропитанной парафином бумагой, также можно воспользоваться чертежной калькой.
- На каркас виток к витку нужно намотать провод. Для ускорения этой операции можно сделать простенький намоточный станок: надеть каркас на стальной прут, вставить последний в пазы, проделанные в двух досках, и затем согнуть один конец в виде ручки. При укладке провода через каждые два-три витка нужно прокладывать бумагу с парафином — для изоляции. Когда намотка первичной катушки будет завершена, нужно зафиксировать концы провода на щечках каркаса и обмотать катушку бумагой в 5 слоев.
- Направление намотки вторичной катушки должно совпадать с направлением первичной.
Можно изготовить трансформатор, способный понижать напряжение и до 12-ти, и до 24-х вольт, которые требуются некоторым светильникам и другим приборам. Для этого на вторичную катушку нужно намотать 240 витков, но со 120-го сделать вывод в виде петли.
Далее:
- Закрепив на второй щечке каркаса выводы вторичной катушки, ее (катушку) также обматывают бумагой.
- Жестяные пластины на половину длины нужно вставить в катушку, после чего ими огибают каркас, так чтобы концы соединились под катушкой. Обязательным является наличие зазора между пластинами и каркасом.
- Теперь самодельный трансформатор нужно закрепить на основе — фрагменте деревянной доски толщиной порядка 50-ти мм. Для крепления следует использовать скобы, которые должны охватить нижнюю часть сердечника.
В завершении концы обмоток выводятся на основание и оснащаются контактами.
Принцип работы с 220 на 12 В
Самый простой трансформатор состоит из двух катушек провода с различным числом витков. Одна катушка — она называется первичной — подключается к источнику переменного тока, в роли которого обычно выступает бытовая электросеть.
Как известно, проводник, по которому протекает переменный ток, становится генератором электромагнитного поля, а если он еще и смотан в катушку, то поле получается более плотным. При этом поскольку ток является переменным, то и электромагнитное поле получается таким же.
Далее в строгом соответствии с законом электромагнитной индукции генерируемое первичной катушкой переменное электромагнитное поле наводит во вторичной катушке ЭДС
Важно понимать, что ЭДС появляется именно при изменении количества или интенсивности силовых линий, пронизывающих проводник

Принцип работы преобразователя напряжения
То есть, либо поле должно быть постоянно изменяющимся (такое поле и называют переменным), либо проводник должен в нем двигаться (именно это происходит в электрогенераторах). Отсюда вывод: если первичную катушку подключить к источнику постоянного тока, трансформатор функционировать не будет.
Чтобы первичная катушка имела высокую индуктивность, а также для сосредоточения магнитного потока внутри катушек, их наматывают на сердечник из ферромагнитной стали.
При отсутствии такого сердечника подключенный к бытовой сети трансформатор не только не будет функционировать, но и попросту сгорит.
То, как изменится напряжение на выходе трансформатора, зависит от соотношения числа витков в катушках. Если во вторичной катушке их меньше, напряжение окажется пониженным, при этом оно будет во столько же раз меньше входного напряжения, во сколько число витков во вторичной катушке меньше, чем в первичной. То есть, к примеру, если первичная катушка состоит из 2 тыс. витков, а вторичная — из 1 тыс. витков, и при этом на первичную катушку подается напряжение в 220 В, то во вторичной появится ЭДС в 110 В.

Преобразователь напряжения
Соответственно, чтобы преобразовать напряжение с 220 В до 12 В, число витков во вторичной катушке должно быть в 220/12 = 18,3 раза меньше, чем в первичной.
Поскольку мощность от одной катушки другой передается почти в полном объеме (доля потерь зависит от КПД трансформатора), а мощность представляет собой произведение напряжения на силу тока (W = U*I), то с силой тока в катушках наблюдается противоположная картина: во сколько раз уменьшится напряжение во вторичной катушке, во столько же раз сила тока в ней будет больше, чем в первичной.
Следовательно, вторичную катушку в понижающем трансформаторе нужно мотать более толстым проводом, чем первичную.
Виды трансформаторов
В зависимости от области применения, материалов обмотки и количества фаз трансформаторы могут быть:
- Трансформатор, первичная обмотка которого непосредственно подключена к источнику тока, а во вторичную обмотку включаются измерительные приборы (эл.счётчик), называется трансформатором тока (ТТ). Это устройство, которое используется в различных релейных и измерительных цепях.
- Импульсный трансформатор преобразует полученные сигналы и передает прямоугольный электрический импульс. Чаще всего применяется в технике, где вч помехи через кабель питания нарушают работу или ведут к нарушению строчной развертки (используется до 100 кВА).
- Для преобразования синусоидального напряжения в устройствах с оцифровкой ts используется пик-транcформатор (большой известностью пользуется продукция Lider).
- В некоторых устройствах обе обмотки первичная и вторичная соединены в одну напрямую, и благодаря такому конструктивному решению имеют помимо магнитной связи еще и электрическую. Это принцип используется в автотрансформаторах.
- Силовой трансформатор использует две или более обмоток для преобразования при помощи электромагнитной индукции одной системы в другую систему напряжения;
- Для освещения улиц и тоннелей широко применяется безопасный разделительный трансформатор для переносного освещения. Это устройство представляет из себя компактный прибор с изолированными обмотками. Портативный прибор может быть установлен на специальную платформу, либо на дин рейку. Переносной трансформатор часто применяется на открытых местностях либо в экстремальных условиях работы.
В свою очередь разделительные трансформаторы также бывают разные. Допустим, все медицинские учреждения оснащены устройством, которое отвечает за электроснабжение для операционных, реанимационных и прочих отделений. Этот прибор называется индивидуальным медицинским разделительным трансформатором для it-системы, и работает в пределах напряжений 220 /220 В. Очень популярные модели, производства компании Allintext, одного из лидеров мировой электрической промышленности, а из отечественных производителей ОСО Электра.
Ключевой особенностью этих приборов является полное отсутствие связи гальванической развязки с нейтралью и фазой, благодаря чему предотвращается поражение электрическим током пациентов и работников мед. учреждений. При желании можно присоединить специальный командный блок, который будет на расстоянии управлять процессом при помощи алгоритмов и программ.
Для бытовых нужд чаще всего применяется повышающий разделительный трансформатор. Он может быть силовым, бытовым или промышленным; в зависимости от области применения максимально допустимое напряжение будет варьироваться в пределах 380 /220 В. Его производят однофазным и трехфазным. Размер трансформатора можно уменьшить, если увеличить частоту переменного тока. В быту применяется для подключения газовых котлов или прочего отопительного оборудования.
Часто применяются разделительные трансформаторы встроенные и специального назначения. Тип подключения определяется степенью безопасности модели и требованиям во время работы. Такие устройства работают с номинальным первичным напряжением, не превышающим 1000 В переменного тока и 1000 В пульсирующего постоянного тока, номинальной частотой не выше 50 Гц.
Применение
Квалифицированный специалист будет настаивать именно на покупке такого оборудования для использования в быту и на производстве. Это объясняется простотой работы устройства, его относительной доступностью и безопасностью, а принцип защиты этого прибора от поражения человека электрическим током известен даже школьникам из уроков физики по технике безопасности и охране труда.
Схема разделительного трансформатора
Если спросить специалиста, для чего нужно такое устройство, то все просто: оно работает в условиях повышенной электроопасности, на опасных предприятиях и производствах, во влажных помещениях – банях, саунах, ваннах, и даже в громкоговорителях и станочном оборудовании его применение очень широко.
Если собираетесь делать в доме ремонт, то для использования теплого пола просто необходимо установить УЗО. Вообще, к любому вопросу, связанному с электричеством нужно подходить очень серьезно. Для установки электрооборудования в помещениях с большой влажностью (ванны, сауны и др.) существуют строгие правила по технике безопасности и правилам устройства электроустановок. Перед установкой оборудования требуется пригласить для консультации специалиста.
Расчёт мощности питающего трансформатора для 12 и 24 вольт
Зачастую для светодиодов необходимо присутствие постоянного напряжения в 12 или 24 вольт, поэтому нам требуется рассчитать мощность прибора, которое будет преобразовывать переменное напряжение (сеть в 220 В) в постоянное (12/24 В).
Мы рассмотрим расчёт мощности на примере простой SMD 3528 60 4,8 Вт/метр. Допустим, её длина равна 16 метров.
Так как напряжение производители указывают на упаковке или на самой ленте, то питающий прибор должен обеспечивать для работы именно такое напряжение.
- На нашей ленте рабочее напряжение равно 12 вольт, поэтому мы должны приобрести трансформатор именно с таким напряжением с определённой степенью мощности.
- Для того чтобы произвести правильный расчёт нам необходимо знать потребляемую мощность диодов 4,8 Вт/метр.
- Нам необходимо умножить 16 метров на мощность 4,8 Вт (16х4,8=76,8 Вт).
- Так как прибор должен обязательно иметь 20 или 30% запаса мощности, то для расчёта требуемой мощности нам необходимо полученный результат умножить на 1,2. (76,8х1,2=92,16 Вт).
- Но так как блоки питание мощностью на 96 Вт не продают, то нам придётся приобрести трансформатор на 100 Вт.
Если LED-ленту мы будем монтировать на улице или в помещении с высоким уровнем влажности, то лучше всего приобрести влагозащитное устройство с герметичным корпусом типа IP65, 66 или 67.
Изготовление понижающего трансформатора с 220 на 12 Вольт своими руками
В настоящее время в продаже можно найти любой понижающий трансформатор, отвечающий всем требованиям, предъявляемым к данному виду технических устройств. Тем не менее, людям, имеющим творческую жилку и желающим изготавливать всё своими руками, вполне доступно собрать понижающий трансформатор своими руками. Все работы по самостоятельному изготовлению подобного изделия можно разбить на несколько этапов: подготовительный, выполнение работ и проверка работоспособности.

Выбор конструкции и собираемой схемы зависит от умения и возможностей исполнителя
Подготовительный этап
На этом этапе следует:
- определиться с типом собираемого аппарата – электромагнитный или электронный;
- определить технические параметры, необходимые для дальнейшего использования, – мощность и место установки, допустимые габаритные размеры и вес;
- рассчитать параметры первичной и вторичной обмотки, в случае изготовления электромагнитной модели;
- приобрести необходимые материалы и комплектующие.
При изготовлении электронного устройства необходимы навыки работы с паяльником и начальные знания в области электроники. В этом случае изначально выбирается схема устройства, и, соответственно, под неё готовятся электронные компоненты (транзисторы, конденсаторы и прочие). В случае изготовления электромагнитной модели сначала потребуется рассчитать обмотки собираемого прибора, после чего выполнять все остальные операции.

Конструкция простейшего электромагнитного трансформатора
Для определения числа витков N1 в первичной обмотке необходимо воспользоваться формулой:
N1 = (40 – 60) / S, где
- S – сечение магнитопровода (сердечника) трансформатора, измеряется в см2;
- 40–60 – это показатель (константа), определяющий тип и качество сердечника.
Сечение сердечника определяется исходя из геометрических размеров используемых заготовок: окно, ширина и толщина щёк сердечника. Сечение провода в первичной обмотке должно соответствовать току, который будет протекать в ней при эксплуатации, что определяется величиной подключаемой нагрузки, в числовом выражении это определяется как:
I1 = P / U, где
- I1 – ток, протекающий в первичной обмотке;
- P – мощность подключаемой нагрузки;
- U – напряжение на первичной обмотке.
Соответственно, зная величину протекающего по проводам тока, можно выбрать их допустимое сечение, в соответствии с требованиями, регламентированными Правилами устройства электроустановок (ПУЭ). Аналогичным образом определяется и сечение провода для вторичной обмотки.

При самостоятельном изготовлении сердечник может быть выбран различной формы и конструкции
Количество витков в каждой из обмоток определяется по формуле:
W = U × (V / 10), где
- W – количество витков в обмотке;
- U – напряжение в обмотке трансформатора;
- V – частота электрического тока – 50 Гц.
Определившись с количеством витков, а значит, и с размерами сердечника, а также необходимой длиной и сечением провода в обеих обмотках, можно готовить необходимые материалы для выполнения работ:
- провод для обеих обмоток;
- сердечник – можно приобрести новый или использовать от бывшей в употреблении техники (телевизор, радиоприёмник и т.д.);
- изоляционные материалы (лента, бумага и прочие).
Кроме этого, можно изготовить намоточный станок, облегчающий изготовление обмоток, в случае варианта, когда обмотки выполняются в виде катушек, размещаемых на сердечнике.
Выполнение работ
Когда все подготовительные мероприятия выполнены, можно приступать к изготовлению и сборке трансформатора, в этом случае работы выполняются следующим образом:
| Иллюстрация | Описание действия |
|---|---|
![]() |
Из электротехнического картона или иного материала изготавливаются каркасы катушек. |
![]() |
При помощи намоточного станка или вручную на катушки наматывается провод, количество витков на каждой катушке должно соответствовать значениям, определённым расчётным путём для каждой из обмоток. |
![]() |
Катушки помещаются на подготовленный сердечник, их концы фиксируются и обозначаются соответствующим образом. |
Проверка работоспособности
Когда трансформатор собран, а все его узлы надёжно закреплены и заизолированы, необходимо проверить его работоспособность. Для этого на первичную обмотку подаётся напряжение 220 Вольт, а к вторичной подключается нагрузка, рассчитанная на работу на напряжении 12 Вольт.
В случае успешного испытания, собранное изделие помещается в подготовленный корпус или устанавливается в предназначенном для размещения место.
Выбор готового решения
Сегодня трансформатор с любыми параметрами можно найти в магазинах радиоэлектроники или сварочного оборудования. Наряду с традиционными продаются и устройства нового поколения — трансформаторы инверторные. В таких приборах ток перед поступлением на первичную обмотку сначала проходит через выпрямитель.
А потом — через собранный на базе микросхемы и пары ключевых транзисторов инвертор, снова превращающий ток в переменный, но с гораздо большей частотой: 60 – 80 кГц вместо 50-ти Гц. Такое преобразование входного тока позволяет значительно уменьшить размеры трансформатора и сильно сократить потери.

Ящик с понижающим трансформатором ЯТП 0,25
Подбирать трансформатор следует по следующим характеристикам:
Входное напряжение и частота тока: в характеристиках прибора должно быть указано «220 В» или «380 В», если он приобретается для 3-фазной сети. Частота должна составлять 50 Гц. Есть трансформаторы, которые рассчитаны, к примеру, на частоту в 400 Гц и более — при подключении напрямую к бытовой электросети такой прибор сгорит.
Напряжение и тип тока на выходе: с выходным напряжением все понятно — оно должно соответствовать напряжению, на которое рассчитан электропотребитель
Но при этом важно не забыть посмотреть, какой ток выдает трансформатор. Многие из них сегодня комплектуются выпрямителями, в результате чего ток на выходе получается не переменным, а постоянным.
Номинальная мощность: очень важно, чтобы максимальная мощность, с которой может работать трансформатор (она и называется номинальной), была примерно на 20% больше мощности нагрузки
Если этого запаса не будет, а тем более если номинальная мощность трансформатора окажется меньше мощности, потребляемой нагрузкой, обмотки преобразователя перегреются и сгорят.
Трансформаторы бывают:
- Открытыми: снабжены негерметичным кожухом, внутрь которого могут попадать влага и пыль. Но зато имеется возможность принудительного охлаждения при помощи вентилятора.
- Закрытыми: снабжены герметичным корпусом с высокой степенью влаго- и пылезащиты, поэтому могут устанавливаться в помещениях с повышенной влажностью.
Модели с алюминиевым корпусом могут эксплуатироваться в условиях улицы (уличное освещение светодиодными лампами, реклама). Из-за невозможности применить принудительное охлаждение мощность закрытых трансформаторов является ограниченной.

Трансформатор ОСМ-1-04
Также трансформаторы бывают:
- стержневыми: катушки можно располагать только в вертикальном положении;
- броневыми: работают в любом положении.
Стоимость трансформаторов сильно варьируется и в первую очередь зависит от мощности. Вот несколько примеров:
- ЯТП-0,25. Прибор с номинальной мощностью 250 Вт, оснащенный корпусом. Стоимость составляет 1700 руб.
- ОСМ-1-04. Может работать с входным напряжением 220 В или 100 – 127 В, выходное составляет 12 В. Корпус отсутствует. Стоимость — 2600 руб.
- ОСЗ-1 У2 220/12. Трансформатор на 1 кВт. Стоит 5300 руб.
- ТСЗИ-4,0. Преобразователь с корпусом, номинальная мощность составляет 4 кВт. Входное напряжение — 220 или 380 В, выходное — 110В или 12 В. Стоимость — 10,5 тыс. руб.
Переносной трансформатор в корпусе ТСЗИ-2,5 кВт. может подключаться как к 220 В, так и к 380 В, на выходе — 12 В. Стоимость — 13,9 тыс. руб.
Список источников
- www.asutpp.ru
- tehznatok.com
- proprovoda.ru
- HomeMyHome.ru
- domasniyelektromaster.ru
7 лестниц


