Как подключается домофон
В комплекте с домофоном обычно идут все комплектующие элементы:
- Внешний блок.
- Электромагнитный замок.
- Кнопка выхода из подъезда.

Комплектующие
Тип монтажа домофонной системы может быть двух способов. Обычно используют координатную схему подключения. Также существует и цифровая система подключения. Рассмотрим подробнее каждые из схем.
Координатная схема подсоединения
Данная схема реализуется следующим образом. К монтированному внешнему блоку домофонной системы подключается коммутатор, куда далее подсоединяются все трубки с квартир. Из-за параллельных соединений они не зависят друг от друга, но получается слишком много проводов (используются двужильные провода).
На внешнем блоке посетитель набирает номер квартиры. Сигнал идет на главный контроллер, обрабатывается и подключает для связи нужную ветку, ведущую к трубке. Данная схема наиболее распространена и популярна.

Схема аналогового подключения
Цифровая схема
Другая, более дорогостоящая и менее распространенная схема основывается на цифровом сигнале. При такой схеме устройства не подключаются к коммутатору параллельно, а кабель, подключаемый к ним, устроен, как гирлянда. При соединении нужно соблюдать полярность. Если хоть одно устройство вышло из строя или его решили заменить, не соблюдая полярность, то вся система остановится. Это вызывает определенные неудобства.
При такой схеме имеется ограничение на количество абонентов. Максимальное число равно 255. Система перемычек позволяет генерировать цифровой сигнал и подключать всегда одну нужную трубку.

Инструкция к аналоговой системе
Причины возможных поломок и секреты ремонта трубки своими руками
Трубка — долговечный прибор, однако в процессе службы у него могут возникнуть небольшие дефекты. Наиболее распространенными среди таковых являются:
- механические повреждения переговорного устройства;
- непрекращающийся при снятии прибора вызывной сигнал;
- отказ кнопки открытия замка;
- сбрасывание вызова при нажатии кнопки управления замком;
- недостаточная слышимость.
Бюджетные варианты трубок для домофона стоят недорого, поэтому при внешних трещинах и сколах корпуса можно просто купить новое устройство. Если снятие трубки не прерывает звучания вызывного сигнала, наблюдается отсутствие связи с гостем и отказ кнопки открытия электромеханического замка, неисправность кроется в переключателе снятия прибора.
Иногда дистанционное открытие электронного замка не происходит сразу после первого нажатия. Такая ситуация говорит о неисправности микровыключателя. Кнопка управления замком часто расположена на приборе, тогда микровыключатель несложно заменить своими руками, т.к. он запаян в доступном месте печатной платы.
Для замены этой детали необходимо осуществить прогрев паяльником 4 контактов, осторожно поддев при этом стенку корпуса плоской отверткой. Сброс вызова сразу после надавливания на кнопку управления электронным замком может происходить из-за обрыва кабеля, идущего от громкоговорителя
Причиной недостаточного уровня слышимости может быть выход из строя микрофона или динамика. Однако при таком дефекте устройства не стоит торопиться с заменой этих деталей, т. к. недостаточная слышимость может наблюдаться при загрязнении переменного резистора «Баланс» на управляющей плате переговорного устройства.
Этим элементом снабжены не все модели, но если он есть, можно пошевелить движок из стороны в сторону, вернув его потом в исходное положение. В результате этой несложной манипуляции слышимость нормализуется.
Чем отличаются модели Цифрал
Благодаря расширенному производству и постоянному вниманию производителя к запросам потребителей линейный ряд трубок Цифрал имеет большой ассортимент. В продаже можно выбрать оборудование различное по габаритам, форме, дизайну и функциональным возможностям.
Существуют устройства, позволяющие устанавливать в квартиру не одну, а две трубки, разнесенные по разным помещениям.
Эксклюзивные модели, которые ценят неординарные люди, могут быть изготовлены под индивидуальный заказ.
Оборудование выпускается для работы в режиме аудио или видео общения.
Производство трубок Цифрал представлено в видеоролике владельца ООО НТП Cifral.
Как и любая техника, трубка может поломаться. Это типичный недостаток оборудования у домофонов любой системы.
Однако, трубку Cifral не так уж сложно восстановить без привлечения посторонних специалистов.
Подключение к цифровым домофонам
Как правильно подключить в квартире трубку цифрового домофона? Это совсем нетрудно при условии соблюдения нескольких правил. Абонентский узел домофонной системы состоит из панели и трубки. Панель обычно устанавливают сбоку от входной двери, место установки трубки при желании может быть где угодно, единственное – туда нужно будет провести кабель от панели. Внутреннее строение домофонной трубки почти ничем не отличается от телефонной – там тоже есть микрофон с динамиком и микросхемой. Кнопка разблокирования подъездной двери может быть расположена как на трубке, так и на настенной панели.
На тыловой стороне панельной части устройства расположены две клеммы с обозначениями полярности («+» и «-»). К ним нужно подсоединить двухпроводную линию
Важно не перепутать полярность проводов при монтаже – в противном случае система не будет функционировать
Первоначальный монтаж домофонной системы всегда производят профессионалы, самостоятельная замена сводится к покупке нового переговорного устройства, собственно замене и подключению проводов. Перед покупкой трубки уточните тип своего домофона. Для цифровых и координатных систем предусмотрены разные модели. Схема подключения трубки к цифровому домофону имеет свои особенности. В процессе установки необходимо набрать номер квартиры. Это делается так.
Осторожно вскройте корпус переговорного устройства. Вы увидите, что на микросхеме есть парные штырьки с номерами 1-2-4-8
С помощью специальных перемычек параллельно соедините пары так, чтобы сумма их номеров равнялась номеру вашей квартиры
Для квартиры №15, к примеру, вам нужно замкнуть четыре первые пары.
Учтите, что неполадки с одним квартирным переговорным устройством могут отразиться на функционировании всей системы, в этом заключается главный недостаток подобных систем. Чтобы локализовать неисправность в пределах одного этажа, в систему можно дополнительно встроить этажные контроллеры.

Как подключить все компоненты устройства?
Рано или поздно каждый из нас столкнется с проблемой подключения трубки. Этому может быть ряд причин:
- Монтаж оборудования самостоятельно в связи с установкой системы защиты;
- Подключение трубки по причине поломки ранее установленного .
Если все же вам предстоит самостоятельно заняться данной работой, то в первую очередь следует приобрести абсолютно новое оборудование. В данном случае следует учитывать тот факт, что трубка должна полностью соответствовать установленной домофонной системе.
Более подробней о монтаже домофона вы сможете узнать после просмотра этого видео:
Устройство должно отвечать всем поставленным условиям качества, поскольку только высококачественные трубки для домофона могут обеспечить бесперебойную и надежную работу системы защиты. В противном случае повторная установка не заставит себя ждать.
Монтаж трубок для цифровых домофонов
Цифровые домофонные системы в основном применяются в многоквартирных домах. Установка трубки данного типа имеет свою специфику, а именно: такая схема адресации требует наличия двужильного кабеля, к которому прикрепляется абонентская трубка
Здесь следует обратить внимание на полярность
План подсоединения трубки
Установка трубки домофона в данном случае имеет свою микросхему, которая программируется перемычками или джамперами на каждый номер квартиры. В связи с этим, чтобы узнать номер своей квартиры, придется аккуратно разобрать трубку и внимательно изучить имеющуюся микросхему. Возле каждой перемычки расположена специальная цифровая панель, на которой числа идут в порядке возрастания. Здесь код квартиры складывается из чисел, относящихся к замкнутым перемычкам.
Разобранная старая трубка может послужить вам примером, с которого можно перенести код на новое устройство. Таким образом, установка новой трубки не составит большого труда.
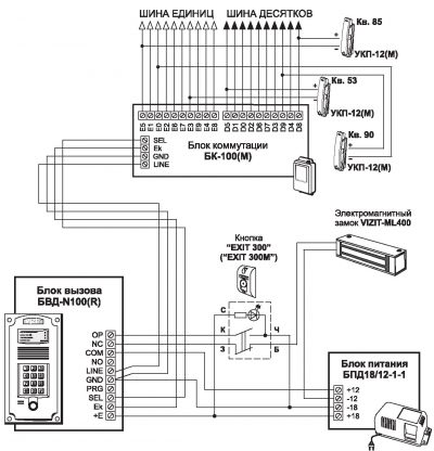
Монтаж устройства на домофон координатно-матричного типа
Подключить трубку домофона самостоятельно на данный тип не составит труда. Здесь вся работа заключается в передаче сигнала на специальный коммутатор, который при получении вызова обрабатывает его, и за счет наличия специальных ключей отправляет сигнал вызова на необходимое абонентское устройство.
Установка трубки для такого домофона заставит хозяина не только потрудиться, но и развить быструю смекалку. При монтаже вся проблема заключается в кабеле, который подразделяется на множество проводов, относящихся к каждой отдельной квартире в подъезде. Здесь также следует учитывать, что ключи десятков в основном не превышают семи с учетом нуля. Таким образом, общее количество пользователей может составить более восьмидесяти.
Схема установки домофона
Монтаж трубки домофона своими руками состоит в поиске нужной шины десятков, а также единиц. С десятками справиться очень просто – они расположены на щитке необходимого этажа. Все что требуется – это найти провод, к которому подключены провода, относящиеся к каждой квартире в подъезде. Таким образом вы подберете нужный вам кабель.
Чтобы правильно выбрать шину единиц, необходимо подняться на этаж с номером квартиры, который совпадает с последней цифрой вашей квартиры, и снова найти кабель на щитке. К шине десятков подключается плюс, а к шине единиц – минус. На этом все сложности заканчиваются. Монтаж устройства не составит труда.
Дальше просто подключаем трубку
Для этого проделываем всю описанную процедуру, обращая внимание на полярность. При соблюдении всех имеющихся правил, можно сказать, что установка завершена
Интересную информацию о домофонах вы сможете узнать просмотрев это видео:
При подключении домофона люди часто задаются вопросом: что делать, если подключил устройство самостоятельно, а оно не работает? Ответ прост: следует заново пересмотреть схему сборки устройства, а также обратить внимание на полярность, так как именно с полярностью возникает больше всего проблем. Если вы сомневаетесь в правильности проделанной работы, вызовите специального мастера на дом
Такие мастера обычно предоставляют свои услуги во всех компаниях, занимающихся реализацией и монтажом домофонов
Если вы сомневаетесь в правильности проделанной работы, вызовите специального мастера на дом. Такие мастера обычно предоставляют свои услуги во всех компаниях, занимающихся реализацией и монтажом домофонов.
Простыми словами о конструкции
Домофонные системы работают на основе одной из двух технологий:
- устаревающей координатно-матричной;
- либо более современной цифровой.
В обеих схемах квартирные трубки соединяются проводами с коммутатором подъездной станции. Их отличие:
- при первом методе число проводников повторяет количество обслуживаемых квартир;
- цифровой способ предусматривает центральную магистраль, обеспечивающую ответвления к абонентам.
Домофон цифровой системы
Это наиболее дорогое оборудование. Оно создается на обслуживание до 255 квартир одновременно.
Подключение квартирных аппаратов выполняется двужильным медным кабелем. Его монтируют параллельными цепочками по каждому стояку внутри подъезда. Все трубки подключают в параллель с соблюдением полярности.

Для разграничения номера квартиры внутри корпуса каждой трубки есть плата установки перемычек. Их называют «джамперы», а нанесенная нумерация позволяет выполнять кодирование.
Чтобы ввести номер квартиры достаточно замкнуть джамперы, сумма маркировки которых даст нужное число.
Например, любимая нами квартира №13 вводится замыканием перемычек №1, 4, 8.

Все остальные контакты на этой плате должны быть разомкнуты.
Принцип работы
Когда абонент набирает номер квартиры на входе в подъезд, то сигнал от процессора поступает на все подключенные аппараты. Однако сработает только тот, где совпадет количество установленных джамперов.
Во время замены трубки или монтажа нового видеодомофона следует выставлять количество перемычек по номеру квартиры, как и ранее. Если этого не сделать, то аппарат правильно работать не будет.
Недостаток системы
Цифровой домофон здания зависит от состояния оборудования в квартирах.
Когда кто-то из жильцов меняет трубку и неправильно настраивает перемычки, то неисправность появляется во всей системе. Требуется ее ремонт и поиск дефектов представителем обслуживающей компании.
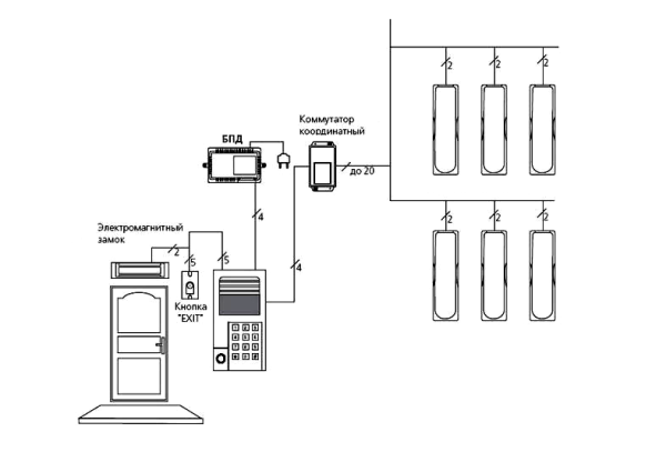
Домофон координатно-матричной системы
Это проверенное временем оборудование. Поломка любой квартирной трубки не влияет на работу домофона здания.
Каждая квартира подключается к коммутатору отдельной парой, чем создается большой расход провода.

Принцип работы
Кабель от коммутатора прокладывают многожильным. Его провода разбивают на две группы:
- блок десяток;
- единицы.
Блок десяток подключают к плюсу, жилы маркируют от нуля до семи. А на группу единиц подводится минус системы. Ее маркировка выполняется от 1 до 10.

Для подключения оборудования квартиры плюс ее трубки монтируют на контакт десяток, а минус — единиц. Например, квартира №72 подключается минусом на Е7, а плюсом — D2.
Таким образом работает оборудование для квартир с номером до 80. Если возникает необходимость большего использования номеров, то применяют технологию смещения параметров настроек.
Она предусматривает возможность перепрограммирования номеров, начинающихся с цифры 81. В этом случае для замены трубки необходимо знать эти настройки.
Зданиям с небольшим количеством квартир подходит более дешевое оборудование: домофон со встроенным коммутатором. В ней предусмотрено прямое подключение квартиры с панелью вызова.
Как устроена трубка Цифрал
Рассмотрим на примере модели Cifral КЛ-2.

На фото видно, что в ее составе имеются:
- динамик сверху;
- микрофон снизу;
- небольшая плата с электронными компонентами;
- соединительные провода.
Внутреннее устройство платы настенного блока
Оно показано ниже более крупным планом.

Кнопка открытия двери выполнена на основе микропереключателя. Геркон управляет положениями трубки: поднята или опущена.
Электрические характеристики
Трубка Цифрал КЛ-2:
- во время разговора потребляет ток 18÷22 мА;
- работает от напряжения на линии в режиме дуплекса (трубка поднята) — 5,8÷6,3 В;
- в обычном состоянии до момента поступления вызова с уличного пульта обесточена, напряжение на нее не поступает.
- звуковую и световую индикацию вызова абонента;
- регулировку громкости звукового сигнала;
- возможность отключения звука при вызове;
- одновременное прослушивание и ведение разговора (режим дуплекс);
- дистанционное открытие двери.
На что обратить внимание при выборе
Покупатель трубки для домофона должен обратить внимание на следующие особенности:
- конструкцию — есть настенные стационарные или миниатюрные беспроводные;
- качество материала корпуса и сборки деталей, которые определяют долговечность устройства;
- тип прибора в зависимости от домофонной системы дома.
Какого производителя и какой тип лучше выбрать
Высокая оценка специалистов и наибольшее количество положительных отзывов потребителей позволяют выделить среди всего существующего многообразия переговорных устройств 3 лучшие модели, это:
- FALCON EYE FE-12M, оснащенная автоматической установкой номера квартиры и светодиодной индикацией для удобства пользования в ночное время, подходящая к домофонным системам марок CiFral, Vizit, Metacom, Eltis.
- Kocom DP-203HA, позволяющая устанавливать голосовой контакт с гостем на дистанции в 300 м и делающая возможным параллельное подключение нескольких устройств.
- LASKOMEX LM-8d, изготовленная из высокопрочных материалов, долговечная, подходящая даже для слабослышащих, программирующаяся по номеру квартиры.

Стоимость
Цена на трубки для домофона определяется:
- типом модели;
- способом доставки;
- количеством продаж;
- видом продаж (оптом или в розницу);
- дополнительными наценками продавца;
- затратными средствами завода-изготовителя;
- спросом модели у покупателей;
- экономической ситуацией и колебаниями в данном сегменте рынка.
Рекомендации по установке и подключению
Установку и подключение устройства необходимо производить в том месте, где аппарат не помешает выключателям, розеткам, щитовым распределительным коробкам и другим электрическим системам.
Инструкция по установке прибора:
- В корпус устройства нужно завести двужильный кабель и проложить его к щитку на лестничной клетке.
- Для поступления звонка в квартиру панель устройства необходимо прикрутить к стене вертикально.
- Кабель нужно подсоединить к внутренним винтам согласно схеме подсоединения проводов: один цвет к «минусу», другой — к «плюсу».
- Другой конец кабеля следует закрепить в подъездной щитовой. В ней пропускается разноцветный провод.
- Для корректного подсоединения необходима информация о номере квартиры и цвете провода.
- На коммутатор подсоединяется кабель нужной расцветки.

Что из себя представляют трубки для домофона
Эти технические средства представляют собой переговорные устройства. Они поддерживают дуплексную связь между жильцами квартиры и их посетителями. Кроме того, аппараты позволяют дистанционно открывать электромагнитные замки входных дверей.
Как она устроена
Абонентский внутриквартирный прибор состоит из телефонной трубки и панели. Конструкция домофонной трубки в точности повторяет схему устройства аналогичного элемента стационарного телефона. Содержимое ее пластикового корпуса состоит из динамика, воспроизводящего звук речи абонента по ту сторону провода, и микрофона, транслирующего голос говорящего по эту сторону.
Такая звуковая система соседствует с регулятором для настройки звука и кнопкой управления электромеханическим замком. Кнопка открывания замка для удобства пользователя включается в схему настенной панели, на которой имеется рычажок-держатель аудиотрубки. Усовершенствованные модели вместо него снабжены герконом, а на приборе имеют маленький магнит. Устройства некоторых модификаций могут быть оснащены кнопкой включения.

Приспособление устраивается на держателе, оснащенном язычком трубки и коммутационной платой. Обратная сторона панели имеет два винта, обозначенные «+» и «-». Через них к плате подключаются джамперы домофонной линии. Система может функционировать, если при подключении не были перепутаны джамперы.
Трубка домофона: как работает
Трубка домофона работает так: в момент набора номера соответствующей квартиры на панели домофона входной двери сигнал вызова достигает переговорного устройства внутри жилища. Сняв устройство, пользователь может поговорить с визитером.
Полезные ресурсы от производителя
Когда мне понадобилась схема трубки домофона Цифрал серии КЛ-2, то пришлось довольно много затратить сил и энергии на ее поиски. Сейчас ситуация изменилась.
Компания Cifral на своем сайте опубликовала схемы всех марок систем домофонов, которые она выпустила в продажу. Их число подходит к двум сотням.
Все эти документы выполнены в формате *.pdf. Скачать их можно по этой ссылке. Для удобства последующей работы рекомендую их распечатать на бумаге.
Полезные товары
- Стержень-губка для чистки от ржавчины
- Поворотная головка на кран для экономии воды
- Приспособление для удаления косточек
Цифровой домофон
Для подключения аппаратов такого типа используются только кабель с двумя жилами, по которым передается закодированный сигнал. Трубка, установленная в квартире, номер которой был набран на панели вызова, реагирует на подаваемый сигнал. Чтобы задать соответствие между набираемым кодом и трубкой, применяются специальные перемычки – джамперы, – которые перемыкают нужные контакты в ответном аппарате.

Чтобы правильно запрограммировать работу трубки, джамперы размещают между пронумерованными клеммами таким образом, чтобы сумма цифр равнялась номеру квартиры.
К достоинствам подобных домофонов относят простоту монтажа и подключения новых абонентов.
Главным недостатком такого оборудования является влияние каждой трубки на работу всей системы
При замене устройства, которая проводится вследствие его поломки, а также при подключении новых абонентов крайне важное значение имеет правильная установка джамперов
В настоящее время для частичного устранения этого недостатка применяются этажные контроллеры, которые позволяют локализовать неисправность в пределах одного уровня.
Другим минусом цифровых домофонов является их относительная дороговизна, которая не позволяет этим устройствам получить широкое распространение.
Как устроена домофонная трубка
Обычная трубка координатная квартирная переговорная для устройств домофонов – это элемент устройства, который отвечает за связь между человеком, находящимся внутри помещения, и тем, кто стоит за дверью. Когда связующим звеном служит панель вызова, которая находится снаружи, домофонная трубка становится домашним устройством, расположенным внутри квартиры. Установить её можно самостоятельно. Чаще после её поднятия она сразу же обеспечивает связь, без надобности нажимать комбинацию цифр.
Для каждого вида домофона защитного устройства требуется своя переговорная трубка, потому что разные системы требуют прокладки своего количества проводов. Например, если будет использоваться домофон, который относиться к цифровым моделям, потребуется задействовать один провод, который будет идти от цифровой панели. Наличие на нём ветвей позволяет подключить его к каждой отельной абонентской точке. Когда уставлена домофонная система, которая относиться к координатно – матричному типу, потребуется сложный монтаж, провод придётся прокладывать к каждой квартире.
Устройство и принцип работы
Домофон – это электромагнитное замочное устройство с возможностью дистанционного управления процессом открытия-закрытия с пультов (трубок), расположенных в квартирах или офисах. Система устанавливается на подъездной двери и обеспечивает защиту здания от нежелательного проникновения.
При координатной системе коммутации к каждой квартире от домофона идет отдельный кабель, при цифровой же – связующий кабель один. Казалось бы, цифровые домофонные устройства должны быть дешевле, однако, на самом деле все обстоит ровным счетом наоборот – их стоимость выше, чем у координатных, практически в 3 раза. Но считается, что это окупается более высокой надежностью и защищенностью подобной системы связи.
По типу связи домофоны подразделяются на аудио- и видеоприборы. Из названия ясно, что у видеодомофонных аппаратов имеется экран, на котором отображается личность звонящего посетителя, а аудиоустройства обеспечивают лишь голосовую связь. Естественно, устройства, осуществляющие передачу видеоизображения, обеспечивают более высокий уровень защиты, но не стоит забывать и о ценовом аспекте – они гораздо дороже голосовых домофонов и вследствие этого гораздо менее распространены. Обычно видеоустройства устанавливаются на воротах больших частных владений.
Устройство домофонной системы
Для обеспечения качественной идентификации посетителей устанавливаются видеодомофоны или аудиодомофоны. Первый вариант чаще используют для обеспечения безопасности частного жилья. Такое решение позволяет организовать визуальный контроль за человеком, который стоит за дверью или калиткой. Для многоквартирных домов чаще применяют аудиодомофон.

Устройство домофонной системы
Такая система имеет простое устройство и меньшую цену в отличие от первого варианта. Ниже мы рассмотрим все элементы, из которых состоит аудиодомофонная система:
Панель вызова. На ней расположен ряд чисел, которые необходимы, чтобы человек стоящий за дверью набрал код и отправил поступающий сигнал вызова на установленную в квартире домофонную трубку. Обычно таким кодом служит номер квартиры. Помимо этого панель оборудована специальным считывающим устройством. Оно позволяет с помощью ключа произвести открывание запирающего замка, который расположен на входной двери.

Панель вызова
Переговорная трубка. Этот элемент домофона оборудован кнопками, которые позволяют принять поступающий с панели вызов и при нажатии на кнопку открыть входной замок. Запирающее устройство бывает двух типов – электромеханическое или электромагнитное, это зависит от модели домофона.

Домофонная трубка
- Замок. Распространенным типом замковой системы домофона считается электромагнитный замок. Хотя до сегодняшнего времени популярностью пользовались замки электромеханические, которые оборудованы специальными задвижными механизмами. Но и сейчас такие устройства часто устанавливаются на подъездах.
- Коммутатор. Он обеспечивает передачу сигнала идущего от вызывной панели, которая расположена на входной двери, к переговорной трубке в квартиру абонента.
Исходя от того, каким способом обрабатывается поступающий сигнал, современные домофонные системы бывают двух типов: аналоговые домофонные устройства и цифровые.
Цифровые модели
Чтобы к такой системе контроля доступа подключить сразу несколько трубок потребуется применить два провода. Они отвечают за качественную передачу сигнала. Трубка, которая располагается внутри помещения дает реакцию на поступающий сигнал только тогда, когда номер кто-то наберет на установленной снаружи дома панели вызова. Чтобы между домофонной трубкой и кодом, который набирают на наружной панели, организовать взаимосвязь, используют джамперы. Они необходимы, чтобы перемыкать в домофонной трубке контакт.

Цифровая модель
Цифровое домофонное устройство отличается рядом преимуществ, среди которых выделяют несложность монтажа и возможность быстрого подключения к системе контроля доступа новых точек. Несмотря на удобство использования такой домофонной системы у неё есть недостаток – каждая подключенная трубка оказывает влияние на функционирование всей домофонной системы
В случае замены домофона, если он по каким-то причинам дает сбой в работе, а также при подключении каждой новой абонентской точки, важно грамотный смонтировать джамперы
Список источников
- stroy-podskazka.ru
- mr-build.ru
- mezhdveri.ru
- HouseDiz.ru
- DomNaMne.ru
- camafon.ru
7 лестниц