Способы монтажа стиральной машинки под столешницу
Встроить машинку под столешницу можно несколькими способами – без дверцы и с дверцей. Первый вариант хорош тем, что для монтажа достаточно выбрать модель, подходящую по высоте. При переезде или ремонте машинку без труда можно извлечь из-под столешницы. Но имеет этот способ и свои недостатки, передняя панель остается видимой, а это означает, что вокруг корпуса останутся зазоры. К тому же интерьер будет не таким упорядоченным и однородным, как в случае с полным встраиванием.

Если разместить стиральную машинку у стены, столешницу желательно закрепить к стене, а не просто оставить на крышке техники. Гармонично будет смотреться техника, если ее выбрать под цвет гарнитура. Хотя ассортимент таких машинок и небольшой, можно взять самый универсальный оттенок – белый или цвет нержавеющей стали. На кухне, оформленной в стиле прованс, кантри можно отделить зону с техникой с помощью милой шторки, в одной цветовой гамме с интерьером. Для украшения приобретенных ранее моделей подойдут специальные виниловые наклейки.

Есть и другой вариант – встройка техники с дверцей. Машинку можно полностью скрыть, если модель будет иметь уменьшенную глубину 45-50 см. Прибор с такими габаритами оставит достаточно места для шлангов. Выбирать модель следует не по глубине корпуса, а по дверце и самым выпуклым точкам.
Если сделать небольшой зазор, более 1 см, как было указано выше, это поможет лотку для порошка при выдвижении не упираться в ребро дверцы и петлю. Дверца шкафа должна открываться более чем на 90 градусов, так будет удобнее разгружать и загружать барабан машинки.
Встраиваемые стиральные машины
Встраиваемая бытовая техника отличается от отдельно стоящей не только внешним видом (на передней панели есть крепления для навески фасада), но и конструкцией. Она тише работает и меньше вибрирует. Но есть и недостаток: при прочих аналогичных характеристиках она всегда дороже. Цена на встраиваемые стиральные машинки колеблется от 25 до 250 тыс. руб.

По минимальной цене можно приобрести прибор с ограниченным набором функций, без сушки и с максимальной скоростью отжима 1000–1200 об/мин., производства Турции или Китая (Beko, Weissgauff, Midea, Candy и др.). Стиралки более известных марок (Bosch, Electrolux, Kuppersbusch, NEFF и др.), с сушкой или скоростью отжима до 1400 об/мин. обойдутся дороже – от 40 тыс. руб.
Но главный минус встройки не в цене, а в маленьком ассортименте. Практически все встраиваемые модели полногабаритные. В розничной продаже невозможно найти малогабаритную встраиваемую машинку (шириной 40–55 см или глубиной 33–45 см).
Высота

Высота встраиваемых моделей – от 81 до 84 см, причем высота ниши для встраивания либо такая же (марки Beko или Smeg), либо больше на 0,5–2 см. Эта разница объясняется конструктивными особенностями той или иной марки. Например, машинки Bosch имеют высоту 81–82 см, а ниши для встраивания – 82–84 см.
Стандартная высота кухонной столешницы – 85 см от уровня пола. Толщина столешницы из ламинированной ДСП – 4 см (38 мм). В этом случае приобретают прибор с нишей для встраивания высотой не более 81 см (85-4=81). Таких моделей мало, большинство – от 82 см. Поэтому придется либо поднимать уровень столешницы на 1 см, либо сделать ее тоньше (изготовить из МДФ или искусственного камня).
Ширина
С шириной все проще. Встраиваемые стиральные машины, продаваемые в магазинах, имеют ширину от 59 до 60 см. Стандартная ширина ниши для встраивания у всех моделей одинаковая – 60 см.
Для встраиваемой стиральной машины подойдет стандартный кухонный модуль шириной 60 см.
Глубина
Глубина встраиваемых моделей – от 53 до 57 см, глубина ниш для встраивания – от 55 до 58 см. Эти параметры соответствуют стандартной глубине столешниц – 60 см.
Ход работы
Мы договорились, что описываем установку под столешницу старой стиральной машины, которая была уже подключена, например, в ванной, но было принято решение перенести ее на кухню и встроить под столешницу. Итак, как встраивается стиральная машина под столешницу.
- Еще до того как вам привезут новую мебель на кухню подготовьте все коммуникации для ее подключения особенно электрические. Выровняйте и укрепите пол в месте, где будет стоять стиральная машина.
- После монтажа нового кухонного гарнитура еще до ухода мастеров проверьте, чтобы все элементы этого гарнитура совпадали по размерам и соответствовали плану и эскизу.
- Убедитесь, что размеры ниши под столешницей достаточны для монтажа стиральной машины.
- Отпускайте установщиков мебели и приступайте к монтажу стиральной машины в нишу под кухонную столешницу.
- Демонтируйте стиральную машину со старого места и перетащите ее в кухню.
- Убедитесь, что к ней подключен сливной и наливной шланг, а сетевой провод исправен.
- Аккуратно задвиньте стиральную машину в нишу под столешницу.
- Подсоедините сливной шланг к отводу сифона.
- Подключите шланг залива воды к тройнику, заизолируйте место соединения и зажмите хомутом.
- Убедитесь, что передняя панель машины спрятана в нишу минимум на 2-3 см, а по бокам есть зазоры в 1 см.
- Стиральная машина должна стоять ровно. Чтобы этого добиться положите строительный уровень на верхнюю крышку машины, а затем начинайте попеременно подкручивать ножки до тех пор, пока машина не выровняется.
- Подключаем стиральную машину к розетке и запускаем пробную программу стирки – ее установка под столешницу на кухне, завершена.
Какие машинки подойдут?
Есть еще один вопрос, требующий обсуждения. Нередко бывает так, что люди затевают ремонт на кухне и еще только планируют покупать стиральную машину-автомат, но уже считают, что единственный вариант ее установки – это монтаж на кухню под столешницу. В таком случае у них гораздо больше свободы и в отношении планирования изготовления кухонной мебели и в отношении покупки техники.
Если есть возможность купить новую машину лучше выбрать ту, которая больше подойдет для
встраивания. Вообще стиральные машины автомат бывают:
- отдельностоящими;
- встраиваемыми;
- компактными.
Отдельностоящая стиральная машина для встраивания под столешницу подходят меньше всего, поэтому их отметаем сразу. Компактные стиральные машины, конечно, хороши и места для них нужно меньше, но и загрузка у них всего 3-4 кг. Лучше всего взять стиральную машину с возможностью встраивания, она для наших целей подойдет больше. Ну, и конечно, при покупке конкретной модели стиральной машины, измеряйте ее реальные размеры, не смотрите техническую документацию, в ней размеры машины могут указываться неточно.
В заключение, отметим, встроить стиральную машину под столешницу несложно, если вы заранее все просчитали и подготовили. Нужно заранее позаботиться о подготовке коммуникаций, о производстве замеров, начертании плана, подготовке инструментов, если все это сделано качественно – волноваться не о чем, установка стиральной машины под столешницу пройдет успешно. Удачи!
Встраиваем посудомойку под крышку столешницы
Итак, как встроить посудомоечную машину под столешницу? Для этого нужно уточнить размеры посудомойки. Лучше всего для этих целей подходят узкие встраиваемые посудомойки, шириной до 45 см. Но если в вашем гарнитуре использованы дверки шириной 60 см, используйте для встраивания полноразмерные аппараты. Вообще, этот вопрос лучше всего продумать еще до покупки техники, чтобы потом не было проблем.
Для начала нам нужно подобрать отделение, в котором будет ставиться аппарат. Убираем из него все лишнее, вынимаем полочки, чтобы у нас образовалась полностью свободная ниша. Машина у нас будет стоять на полу, никаких дополнительных креплений нам не нужно. По высоте она должна встать так, чтобы ее верхняя часть упиралась в саму столешницу. При необходимости, можно подкрутить ножки, если они имеются.
Крайне желательно отрегулировать положение машины так, чтобы на ее переднюю панель можно было бы навесить дверцу – тогда все будет смотреться просто гармонично. Если же у вас отдельно стоящая посудомоечная машина, то ее нужно встроить так, чтобы столешница не мешала нормально открывать дверцу. Причем промежуток между столешницей и машиной должен быть минимальным. Если регулируемые ножки у вашего аппарата отсутствуют, сделайте деревянный постамент и замаскируйте его под цвет мебели.
Разбираясь в вопросе о том, как встроить посудомоечную машину под столешницу, необходимо понимать, что ваша мебель может потребовать переделки. Например, если у вас широкие дверки, а машина узкая, то оставшееся место нужно как-то замаскировать. Некоторые умельцы отделяют посудомойку стенкой, делая узкое, но глубокое отделение для хранения всякой всячины – здесь потребуются навыки работы с деревом.
После того как вы установите посудомоечную машину под столешницу, приступайте к подключениям. Заднюю стенку шкафа, кстати, придется снять, так как она будет мешать и ограничивать глубину. К чему нужно подключить посудомойку?
- К водопроводу – перекройте воду в стояке, врежьте в водопроводную трубу тройник с шаровым краном. Именно к тройнику будет подключаться подающий шланг. Герметизируйте подключение с помощью фум-ленты. Затяните гайку до полной неподвижности, но не перестарайтесь;
- К канализации – изгибаем сливной шланг, чтобы избежать попадания канализационных запахов внутрь посудомоечной машины. Снимаем с раковины сифон и устанавливаем на его место сифон с патрубком, подключаем к нему сливной шланг, место соединения пережимаем хомутом;
- К электрической сети – если поблизости нет розетки, ее нужно установить. Если будете ставить розетку, смонтируйте перед ней автомат УЗО. Некоторые специалисты советуют протянуть к этой розетке отдельную линию, но максимальная потребляемая мощность посудомоечной машиной не превышает 3 кВт, поэтому такой шаг будет излишеством.
Если у вас получилось встроить вашу посудомоечную машину и подключить ее к коммуникациям, приступайте к испытаниям. Если дверца задевает за столешницу, увеличьте расстояние между столешницей и верхней крышкой машины.
Встроить посудомоечную машину под кухонную столешницу легко. Только вот штатные шланги могут оказаться короткими – если это так, следует купить шланги подходящей длины.
Виды и размеры встраиваемых машин
Больше всего подходят для встраивания стиральные машины-автоматы с барабанной загрузкой. Хозяйки отдают предпочтение такой технике благодаря удобству использования и экономичности. Выделяют два вида машинок в зависимости от способа закладывания белья: фронтальные и вертикальные.
Агрегаты с фронтальной загрузкой представлены в большом ассортименте у разных производителей. В них белье закладывается в барабан через люк на фасадной части. Благодаря глухой верхней панели стиральную машину легче встроить под цельную столешницу.
В вертикальных моделях белье загружается через верхнюю крышку, и вещи можно добавлять в барабан в процессе стирки. Данные агрегаты более компактные, но пользователей часто отталкивает завышенная цена и небольшой ассортимент техники. Стиральные машины с вертикальной загрузкой подлежат встраиванию под откидную столешницу.
Нужно отметить, что для встраивания под столешницу подойдет и обычная техника, и агрегат с возможностью встраивания. Последние отличаются тем, что имеют съемную верхнюю панель, благодаря чему машинку легко разместить под поверхностью любой высоты. Поскольку размещение техники под столешницей – это не полная интеграция (подразумевающая стационарное крепление агрегата к мебели), то использование для таких целей специальной встраиваемой техники нецелесообразно.
В зависимости от параметров модели определяется способ размещения техники. Если машинка невысокая, ее можно поставить на цоколь. Стандартные агрегаты с высотой 80-85 см устанавливаются на пол и сверху накрываются столешницей либо задвигаются под нее. Фасадная часть может быть как открытой, так и закрытой. При встраивании в гарнитур лучше закрыть прибор дверцей, чтобы он не выделялся среди остальных элементов мебели. Если оставить переднюю часть открытой, машинка будет объединена с ближайшими элементами только общей поверхностью.
Невысокую стиральную машину можно просто задвинуть под столешницу
Габариты играют первостепенную роль при выборе прибора под столешницу. В таблице представлены характеристики агрегатов в зависимости от размера.
|
Категория стиральных машин |
Объем загрузки барабана (кг) |
Ш х В х Г (см) максимальные показатели |
|
Полногабаритные |
5-7 |
60 х 90 х 65 |
| Узкие |
3-5 |
60 х 90 х 40 |
|
Ультраузкие |
3-4 |
60 х 90 х 35 |
|
Компактные |
1-3 |
50 х 70 х 45 |
Размеры встроенной стиральной машины вертикального типа практически не отличаются от габаритов узких моделей. Их глубина составляет около 60 см, высота – 85-90 см, максимальная ширина – 45 см, а барабан позволяет загрузить 5-6 кг белья.
Установка любого из агрегатов имеет свои тонкости. Далее предлагаем ознакомиться с особенностями размещения техники под столешницей.
Выбираем идеальный вариант встраиваемой под столешницу стиральной машины
Прежде чем приобрести встраиваемую стиральную машинку, необходимо изучить все характеристики и выявить наиболее оптимальные для себя
Таким образом, времени в магазине покупатель потратит гораздо меньше и выберет нужный вариант. Разберем, на какие нюансы следует обратить внимание
Первым делом необходимо определиться с типом встраиваемых стиральных машин. Всего их разновидностей две:
стиральные машинки, встраиваемые под столешницу. Верхние панели данного вида аппаратов легко снимаются, после чего машинка подгоняется под гарнитур для кухни или ванной комнаты. Иногда между верхней частью машинки и непосредственно столешницей прокладывается слой поролона или металлическая пластина для предотвращения загрязнений и попадания нежелательной влаги. Панель же управления и люк не скрываются за фасадами и остаются открытыми. Данные машинки используются и как отдельностоящие варианты;
полновстраиваемые стиральные машинки — вариант с полным скрытием за фасадом гарнитура. Для этого на передней панели агрегата устанавливаются специальные петли под дверцу, нижняя же часть укрывается частью цоколя. Подгонке под фасад способствуют выемки для плинтуса и расширенная амплитуда регулировки ножек.

Затем следует определиться с параметрами стирки, ради которых и приобретается агрегат. К таким параметрам относятся:
вместимость барабана — характеристика, указывающая на массу сухого белья, которая кладется в барабан за один цикл стирки. Популярностью пользуются машинки с загрузкой в 5-6 кг, подходящие для супружеских пар или семей с одним ребенком
Если же детей или других родственников больше, то стоит обратить внимание на загрузку в 8 или даже 10 кг;
класс стирки. Данный параметр указывается в паспорте встраиваемой стиральной машинки. Большинство моделей имеют экономичный с точки зрения затрат электричества класс А;
класс отжима. Эта характеристика покажет, насколько хорошо тот или иной агрегат отжимает выстиранные вещи. Машинки с классом отжима А лучше остальных моделей справляются со своей задачей. Варианты с параметрами В и С неплохи, но вещи после отжима в них сохраняют в себе большее количество влаги, из-за чего продлевается время сушки;
программы стирки. Здесь необходимо определиться с программами, которые будут использоваться. Некоторые модели стиральных машинок располагают двадцатью программами, поэтому нужно собственные потребности сопоставить с данными характеристиками, чтобы не переплачивать за не нужный функционал.
Следующим пункт для анализа — выбор технических характеристик, к которым относятся:
габариты встраиваемой под столешницу стиральной машины — параметр, который учитывается при выборе аппарата. Для вписания в гарнитур кухни или ванной комнаты подбираются нужные размеры стиральной машинки. Стандартные модели обладают значениями в 80х60х60 см. Существуют и компактные варианты, чья глубина составляет 40 см. Однако такие машинки способны поместить в себя меньше белья, нежели первый вариант;
тип управления. Данный параметр разделяет стиральные машинки на два вида: а) электронно-механические стиральные машинки — аппараты, для выбора программы в которых необходимо повернуть ручку до выбранной функции; б) электронные модели — машинки, которые сами выбирают оптимальный режим после указанного типа загруженного белья. Данный вариант накладнее для кошелька, однако энергоэффективность выше;
дополнительные параметры. К данным характеристикам относятся отложенный старт, функция освежения белья, сушка, стирка в холодной воде, био-уход и прочие. Следует учитывать, что чем больше дополнительных параметров имеет стиральная машинка, тем она дороже.
Обзор компактных моделей
В среднем, компактные модели отличаются более высокой стоимостью по сравнению со стандартными и ограниченным функционалом. Высота компактной стиральной машины обычно составляет 60 см. Этого достаточно для встраивания под кухонную мебель. Глубина может отличаться.
Стандартной глубиной остаются 60 см, что потребует широкой столешницы (помните о технике безопасности?). Также есть глубина 50 см и 56 см. Глубина 50 см является оптимальной, потому как с задней стороны техники тоже желателен технический зазор.
При приобретении компактной встраиваемой техники, желательно избегать эконом класса и неизвестных брендов. В случае выхода из строя, стиральная машинка может испортить дорогую кухонную мебель. Поэтому будем рассматривать только крупные бренды.
Кстати, многие производители недостаточно точно указывают размеры техники
Например, не учитывают ручки люка или даже наклонную сенсорную панель.
Поскольку в компактных моделях размер имеет важное значение, в магазин следует идти с рулеткой. Стандартная загрузка компактных моделей всего 3 кг
Лидером продаж почему-то считают Candy. Но эта техника не отличается надежностью и рассматривать ее всерьез мы не станем.
Порядок установки автоматической стиральной машины под столешницу
Белая стиральная машина под столешницей будет идеально сочетаться со светлым деревом
Транспортировочные элементы, как правило, выглядят как бруски, болты и скобы:
- Болтами фиксируется бак при транспортировке, их можно обнаружить на задней панели машины. После их демонтажа полые отверстия закрываются пластиковыми заглушками, которые входят в комплектацию.
- Скобами фиксируется сливной шланг и шнур электропитания.
- В некоторые модели для перевозки укладываются бруски между баком и корпусом машины. Чтобы их извлечь, нужно наклонить машину впереди вытащить их.
Все элементы транспортировки желательно сохранить на случай перевозки машины в дальнейшем (ремонт, переезд и т. д.).
Установка стиральной машины под столешницу может быть произведена несколькими способами:
- Машина помещается в отдельный шкаф с цокольной частью, корпусными планками, боковыми стенками и дверцами фасада.
- Если встраиваемая модель имеет на фронтальной части места для креплений элементов кухонного гарнитура, она устанавливается между соседствующими коробами гарнитура, а мебельный фасад крепится на корпус машины.
- Технический прибор устанавливается между двумя секциями элементов гарнитура, а фасады мебели крепятся к внешней стороне боковых частей коробов.
- Стиральная машина помещается между двумя секциям кухонного гарнитура и накрывается столешницей, при этом ее фронтальная часть остается видимой.
Скрываемые или встраиваемые модели снизу закрываются фальшпанелью, которая изготовлена по образу и подобию цокольной части гарнитура.
Если не нравится вид стиральной машины – можете просто спрятать ее за дверцей фасада
Сделав стиральную машину со столешницей невидимой, вы сделаете кухню более стильной не в ущерб рациональности
Автоматическую стиральную машину можно успешно установить под столешницу кухонного гарнитура, если следовать определенным правилам:
- В коробе, внутрь которого помещается данный технический прибор, задняя стенка должна отсутствовать, чтобы прибор мог полноценно функционировать, и обеспечивалась свободная циркуляция воздуха вокруг прибора.
- Стиральную машину не рекомендуется устанавливать на цоколь кухонного гарнитура – она должна стоять на полу.
- Если по каким-либо причинам машина устанавливается на цокольную часть мебели, данный элемент должен быть очень устойчив и прочен.
Производим замеры
Задумываясь о том, чтобы встроить стиральную машину под столешницу в кухню, необходимо на этой кухне тщательно распланировать пространство, ведь стиралка потребует место, а если учесть размеры кухонь хрущевских домов, то немало места. Для начала расставим точки над «и». Если вы рассчитываете обустроить место, сделать столешницу в кухне со старой мебелью будьте уверены, красиво сделать не получится. Гораздо лучше затеять ремонт на кухне, поменять мебель, а заодно и подготовить место для стиральной машины.

В этой статье мы рассмотрим ситуацию, когда планируется замена мебели на кухне и хозяева захотели встроить уже имеющуюся стиральную машину автомат под будущую столешницу на кухне. С чего вообще начать подготовку к данной работе? А начинать нужно с плана.
- Возьмите лист бумаги, карандаш и ластик. Нарисуйте прямоугольник и отметьте размеры помещения вашей кухни. Если есть какие-то ниши, выступы и другие особенности отметьте их.
- Подумайте и отобразите на плане место расположения наиболее габаритных предметов техники: холодильника, морозильной камеры, посудомоечной машины, электроплиты. Располагайте их с учетом габаритов, рассчитывайте, сколько полезного пространства помещения уже занято.
- На этапе распределения мест для техники подумайте, куда вы бы поставили стиральную машину, чтобы было удобно ею пользоваться.
- Распределив крупную технику, попробуйте оставшееся место оборудовать необходимой мебелью и отобразить идеи на плане. Нужно рассчитать размеры и расположение каждого шкафа и шкафчика, мойки и т.п.
Нишу под стиральную машину нужно рассчитывать тоже очень тщательно. Измерьте точные габариты своей стиральной машины. Не надейтесь на размеры указанные в паспорте, один неучтенный выступ на корпусе и машина может в будущую нишу не встать. Что еще нужно учесть при расчете ниши стиральной машины на кухне под столешницу?
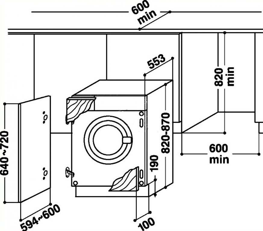
- Глубину ниши под столешницей нужно рассчитывать с порядочным запасом: не менее 10 см от задней стенки машины до стены нужно будет оставить для шлангов и фильтров, передняя панель должна быть полностью утоплена в нишу хотя-бы на 2-3 см.
- Высота стиральной машины регулируется ножками, но высоту самих ножек нужно учитывать при расчете высоты ниши под стиральную машину на кухне. Может получиться так, что придется совсем откручивать ножки, чтобы машина встала в нишу по высоте – так быть не должно.
- Ширина ниши должна быть минимум на 2 см больше ширины корпуса стиральной машины, чтобы была возможность оставить сантиметровые зазоры с боков. Дело в том, что во время отжима на высоких оборотах стиральная машина сильно вибрирует и раскачивается. Если хотите, чтобы вместе с ней раскачивалась вся столешница и весь кухонный гарнитур, можете зазор не делать.
- Конфигурация самой ниши не должна перекрывать беспрепятственный доступ к передней панели стиральной машины. Должны хорошо открываться: люк, кюветка для порошка, люк мусорного фильтра, люк аварийного слива воды. Никакие декоративные планки не должны мешать пользоваться стиралкой.
Готовим место и инструмент
Чтобы в будущем встроить стиральную машину автомат под столешницу на кухне, мало произвести расчеты и нарисовать план. Нужно еще знать технические особенности стиральной машины и особенности подключение ее к коммуникациям.
При подготовке места под стиральную машину нужно позаботиться о доступе ее к воде, к канализации и электричеству. Необходимо вывести отдельную розетку, правильно рассчитав нагрузку, которую создаст машина на электросеть. О том как это сделать прочитайте в статье Как подключить стиральную машину к электричеству. Также нужно организовать подводку от трубы с холодной водой, а также вывод в канализационной трубе или сифоне для слива отработанной воды.
Для того чтобы в будущем стиральную машину подключить к воде, нужно установить кран-тройник на трубу с холодной водой и убедиться, что длины наливного шланга будет достаточно для того, чтобы до этого крана дотянуться. Ну а для организации слива нужно поставить под раковину специальный сифон, имеющий сбоку отвод для подключения сливного шланга. Если у вашего сифона отвод уже есть, то ничего делать не нужно. Убедитесь только, что длины сливного шланга стиральной машины будет достаточно.
Теперь подготовим инструмент. Откроем кладовую и вынем из ящика с инструментами:
- небольшой разводной ключ;
- рожковый ключ на 12 мм;
- строительный уровень;
- ФУМку;
- автомобильный герметик;
- рулетку;
- плоскогубцы.
Выбор места под встраиваемую машину
Теоретически стиральную машину можно установить в любой точке кухни. Но оптимальным будет размещение ее вблизи стационарных точек водопровода и канализации.
Рекомендованная удаленность «автомата» от коммуникаций – до 1,5 м. На большем расстоянии машина при наборе и спуске воды будет работать более интенсивно и выйдет из строя значительно раньше. Если все же пришлось отдалить «стиралку» от мойки, необходимо приобрести более длинные коммуникационные шланги.
Если по соседству с машиной планируется размещение духового шкафа, необходимо предусмотреть монтаж теплоизолирующего экрана для предотвращения перегрева машины.
Удобнее всего устанавливать стиральную машину рядом с водопроводом
Устанавливать стиральную машину нужно только на жесткую поверхность. Если планируется монтаж машины в шкаф, не предназначенный для встраиваемой техники, предварительно необходимо удалить в нем днище.
Как разместить стиральную машину под столешницей?
Стандартная высота кухонной рабочей поверхности составляет 82-85 см. Обычная стиральная машина имеет именно такую высоту.
Кроме того, потребуется технический зазор между столешницей и стиральной машиной.
Вариантов решения два:
- Приподнять рабочую поверхность.
- Остановить свой выбор на компактной модели.
Как безопасно приподнять мебель?
Давайте подсчитаем. В этом видео, пользователь стиральной встроенной машины под столешницу, расскажет он устанавливал свою стиральную машину.
Высота напольного шкафчика 72 см. Это стандартный размер, он неизменен для большинства фабрик. Шкафчик размещается на подкручиваемых ножках, безопасная высота установки которых 8-12 см. Сверху размещается столешница. Толщина хорошей финской рабочей кухонной панели обычно составляет 3 см.
Разумеется, возможны варианты с акриловой моделью. Толстые лаковые столешницы толщиной 10-15 см с картоном внутри, вышли из моды. Общая высота конструкции, как и ожидалось, 83-87 см. Этого недостаточно.
Если заменить ножки на финские или шведские ножки для кухонной мебели, можно приподнять уровень кухонного стола до 93 — 95 см
Важно выбирать модели с возможностью регулировки высоты, поскольку в противном случае шкафчики встанут неровно, что приведет к перекосу и не эстетичному виду
В принципе, этого достаточно. Можно устанавливать стиральную машину стандартной высоты. Но, если приподнимать столешницу кажется неудобным, придется рассматривать компактные варианты техники.
Другие проблемы размещения техники на кухне
Глубина стандартной стиральной машины 60 см. И ровно столько же — ширина стандартной столешницы. Согласно технике безопасности, свес рабочей поверхности на кухне над стиральной машиной должен составлять не менее 5 см. Это нужно для того, чтобы вода со столешницы не попала на панель управления.
По исследованиям сервисных центров, занимающихся ремонтом стиральных машин, именно попадание воды на панель управления, выводит из строя больше половины стиральных машин. Значит, при заказе кухонной мебели, необходимо позаботиться о ее достаточной ширине, или выбирать узкую модель стиральной машины.
По узким моделям лидеры надежности Самсунг и LG. Эти компании превосходно адаптируют технику, но безжалостно урезают «элитные» функции. Если нет желания возиться с размерами столешницы, подгоняя ее под стандартную по высоте технику, можно выбрать компактную модель, уменьшенную по всем параметрам.
В этом видео, вам расскажут, какие особенности Встраиваемых стиральных машин от отдельно стоящих.
Список источников
- rem.ninja
- inter-er.ru
- kitchenremont.ru
- 2stiralki.ru
- zapodlico.ru
- tehnosektor.ru
- stirkaved.ru
- mashmaster.ru
- chudovanna.ru
7 лестниц