КАВ37..~ КАВ157..

| size | a
b с |
e1
e2 f |
g1
g2 g3 |
h1
h2 |
j | k | m
n |
Геометрия вала | ||||
|---|---|---|---|---|---|---|---|---|---|---|---|---|
| d | l | l1
l2 |
S | t
u |
||||||||
| K37.. | 115
110 100 |
150
143 120 |
32
28 60 |
100-0.5
63-0.5 |
16 | 11 | 37
38 |
25k6 | 50 | 5
40 |
M10 | 28
8 |
| K47..
KA47B.. |
130
130 120 |
170
162 145 |
37
35 75 |
112-0.5
71-0.5 |
18 | 11 | 37
32 |
30 k6 | 60 | 3.5
50 |
M10 | 33
8 |
| K57..
KA57B.. |
150
130 130 |
190
172 157 |
45
30 88 |
132-0.5
80-0.5 |
21 | 13.5 | 43
40 |
35 k6 | 70 | 7
56 |
M12 | 38
10 |
| K67..
KA67B.. |
160
120 140 |
203
170 170 |
45
30 101 |
140-0.5
90-0.5 |
24 | 13.5 | 43
45 |
40 k6 | 80 | 5
70 |
M16 | 43
12 |
| K77..
KA77B.. |
200
150 165 |
263
208 200 |
55
40 123.5 |
180-0.5
112-0.5 |
27 | 17.5 | 55
55 |
50 k6 | 100 | 10
80 |
M16 | 53.5
14 |
| K87..
KA87B.. |
233
180 180 |
305
260 230 |
70
55 150 |
212-0.5
132-0.5 |
32 | 22 | 67
75 |
60m6 | 120 | 5
110 |
M20 | 64
18 |
| K97..
KA97B.. |
295
240 240 |
372
294 290 |
75
75 171 |
265-1
160-0.5 |
36 | 26 | 82
60 |
70m6 | 140 | 7.5
125 |
M20 | 74.5
20 |
| K107..
KA107B.. |
360
280 270 |
448
380 340 |
95
95 212 |
315-1
200-0.5 |
40 | 33 | 98
100 |
90m6 | 170 | 5
160 |
M24 | 95
25 |
| K127..
KA127B.. |
420
350 330 |
526
440 400 |
110
115 253 |
375-1
225-0.5 |
45 | 39 | 111
100 |
110m6 | 210 | 15
180 |
M24 | 116
28 |
| K157..
KA157B.. |
500
380 420 |
634
480 500 |
130
140 247 |
450-1
280-1 |
50 | 39 | 130
100 |
120m6 | 210 | 5
200 |
M24 | 127
32 |
| size | Размер полого вала | H | L1
L2 |
L3 | N | Q | ||||||
|---|---|---|---|---|---|---|---|---|---|---|---|---|
| d1 | d2 | l3
l4 |
l5
l6 |
l7
l8 |
s1 | t1
u1 |
||||||
| K37.. | – | – | – | – | – | – | – | 165 | 110
60 |
139 | 8.5 | 120 |
| K47..
KA47B.. |
35H7 | 50 | 78
75 |
15
3 |
22
132 |
M12x30 | 38.3
10 |
185 | 135
72 |
166 | 7.2 | 160 |
| K57..
KA57B.. |
40H7 | 55 | 86
83 |
18
3 |
29
142 |
M16x40 | 43.3
12 |
217 | 153
80 |
173 | 13.1 | 160 |
| K67..
KA67B.. |
40H7 | 55 | 93
90 |
20
3.5 |
29
156 |
M16x40 | 43.3
12 |
228 | 171
86.5 |
179 | 20 | 160 |
| K77..
KA77B.. |
50H7 | 70 | 108
105 |
22.5
4 |
32
183 |
M16x45 | 53.8
14 |
228 | 206
101 |
202 | 31.3 | 200 |
| K87..
KA87B.. |
60H7 | 85 | 123
120 |
30
4 |
36
210 |
M20x50 | 64.4
18 |
340 | 240
116 |
257 | 25.9 | 250 |
| K97..
KA97B.. |
70H7 | 95 | 153
150 |
30
4 |
34
270 |
M20x50 | 74.9
20 |
417 | 291
146 |
277 | 32.3 | 300 |
| K107..
KA107B.. |
90H7 | 118 | 178
175 |
40
2.5 |
40
313 |
M24x60 | 95.4
25 |
503 | 347
175 |
341 | 52 | 350 |
| K127..
KA127B.. |
100H7 | 135 | 208
205 |
40
2.5 |
38
373 |
M24x60 | 106.4
28 |
592 | 418
203 |
390 | 53 | 450 |
| K157..
KA157B.. |
120H7 | 155 | 253
250 |
40 | 36
460 |
M24x60 | 127.4
32 |
705 | 457
250 |
426 | 71.7 | 550 |
Кадви МБ-90 и его модельный ряд
Мотоблок получил признание как отечественного, так и зарубежного землевладельца. Эти агрегаты входили в ТОП самых популярных моделей отечественного ПРОМа. Силовая установка 1-ДМ хоть и не отличалась большой мощностью, но позволяла проводить различные агротехнические работы на небольших и средних земельных участках.
Конструкция агрегата предлагала два ВОМ, которые давали возможность владельцу мотоблока Кадви МБ-90 цеплять различные навесные и прицепные орудия, того же кадвиевского моторного завода.
Так, при помощи мотоблока Кадви МБ-90 стало возможным механизировать следующие процессы:
- культивацию почвы фрезами;
- вспашка плугом;
- посадка растений и выкопка урожая;
- покос;
- транспортировка штучных и сыпучих грузов;
- расчистка снега;
- поливкой растений;
- уборка территорий и т. д.
На мотоблоке Кадви МБ-90 установлен редуктор шестеренчатого типа. Коробка механическая, позволяет включать четыре передние скорости движения и четыре реверсивные. Центр тяжести специально занижен производителем, благодаря чему появилась лучшая устойчивость мотоблока. Конический дифференциал влияет на маневренность агротехнического устройства.

Специальный фиксатор на сцеплении постоянно включен, благодаря чему переключение передач происходит в упрощенном режиме специальным рычагом.
Калужским моторным заводом были созданы следующие модификации этого мотоблока:
- “Кадви” МБ-90М.
- МБ-90М1.
- “Кадви” МБ-90М2.
- МБ-90М3.
Последняя модификация, “Кадви” МБ-90М3, в отличие от предыдущих моделей, снабжена иностранным двигателем мощностью в 7,5 лошадиных сил марки Vanguard 7,5 HP.
Комплектация всех модификаций приблизительно одинакова:
- почвофрезы (культиваторы);
- сошник;
- пневматические колеса.
Первый запуск мотора и обкатка
Руководство по первому пуску подробно описывает процедуру первого запуска двигателя. Перед началом этой процедуры необходимо:
- Залить горючее в топливный бак.
- Залить масло в соответствующие емкости.
- Проверить давление в пневматических колесах.
Обкатка — процедура, предназначенная для увеличения моторесурса силовой установки и всех частей мотоблока. Начинается обкатка сразу же после первого пуска и длится около 20-25 часов (не более 2 часов работы в сутки).
Период обкатки — щадящий режим, если предстоит фрезеровка почвы — в три этапа с погружениями не более чем на 10 см за один проход. По окончании периода обкатки необходимо полностью заменить масло в мотоблоке и дозаправить его топливом.
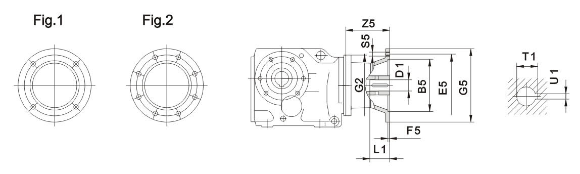
Габаритные размеры IEC (фланец) под стандартные электродвигатели К..107 ~ K..187

| Fig | B5 | E5 | F5 | G2 | G5 | S5 | Z5 | D1 | L1 | T1 | U1 | ||
|---|---|---|---|---|---|---|---|---|---|---|---|---|---|
| K..107 | AM100 | 1 | 180 | 215 | 5 | 350 | 250 | M12 | 110 | 28 | 60 | 31.3 | 8 |
| AM112 | |||||||||||||
| AM132S | 230 | 265 | 300 | 163 | 38 | 80 | 41.3 | 10 | |||||
| AM132M | |||||||||||||
| AM132ML | |||||||||||||
| AM160 | 250 | 300 | 6 | 350 | M16 | 221 | 42 | 110 | 45.3 | 12 | |||
| AM180 | 48 | 51.8 | 14 | ||||||||||
| AM200 | 300 | 350 | 7 | 400 | 262 | 55 | 59.3 | 16 | |||||
| AM225 | 2 | 350 | 400 | 450 | 277 | 60 | 140 | 64.4 | 18 | ||||
| K..127 | AM132S | 1 | 230 | 265 | 5 | 450 | 300 | M12 | 148 | 38 | 80 | 41.3 | 10 |
| AM132M | |||||||||||||
| AM132ML | |||||||||||||
| AM160 | 250 | 300 | 6 | 350 | M16 | 206 | 42 | 110 | 45.3 | 12 | |||
| AM180 | 48 | 51.8 | 14 | ||||||||||
| AM200 | 300 | 350 | 7 | 400 | 247 | 55 | 59.3 | 16 | |||||
| AM225 | 2 | 350 | 400 | 450 | 262 | 60 | 140 | 64.4 | 18 | ||||
| AM250 | 450 | 500 | 550 | 336 | 65 | 69.4 | |||||||
| AM280 | 75 | 79.9 | 20 | ||||||||||
| K..157 K..167 K..187 | AM160 | 1 | 250 | 300 | 6 | 550 | 350 | M16 | 198 | 42 | 110 | 45.3 | 12 |
| AM180 | 48 | 51.8 | 14 | ||||||||||
| AM200 | 300 | 350 | 7 | 400 | 239 | 55 | 59.3 | 16 | |||||
| AM225 | 2 | 350 | 400 | 450 | 254 | 60 | 140 | 64.4 | 18 | ||||
| AM250 | 450 | 500 | 550 | 328 | 65 | 69.4 | |||||||
| AM280 | 75 | 79.9 | 20 |
Список источников
- ProOgorod.com
- region-privod.ru
7 лестниц