Как обезопасить дачу?
Рассмотрим, как сделать заземление на даче и, тем самым, обезопасить себя от удара током. Как уже упоминалось, для таких домов чаще применяют схему №2 из электродов, соединенных в виде треугольника.
Установка самодельного заземления
По данной схеме можно собрать заземление не только из заводского комплекта, но и из подручных материалов.
Траншея под заземление
Для этого понадобится:
- металлические полосы шириной 4 см и толщиной 4 мм для шины;
- стальной уголок толщиной 4-5 мм для электродов;
- шлифовальная машинка;
- садовый бур;
- лопата;
- сварочный аппарат;
- кувалда.
Сначала определяемся с местом расположения. Оно должно обеспечить удобное подключение от шины заземления к силовому щитку. Кроме того, контур нельзя размещать на расстоянии менее трех метров от фундамента дома. Перед началом работ рекомендуется проконсультироваться в местной службе электроснабжения относительно оптимальных схем заземления для вашего региона.
Последовательность работ по установке:
- В выбранном месте наносят разметку и выкапывают котлован глубиной около 1 м и траншею, ведущую к цоколю дома. Вместо котлована можно ограничиться траншеей по форме заземляющего контура.
- Края стальных уголков, которые станут электродами, заостряют в виде треугольника шлифовальной машинкой.
- Электроды заглубляют в грунт при помощи кувалды так, чтобы они возвышались над дном котлована или траншеи на 20 см.
- К уголкам горизонтально приваривают стальные полосы, образовывая треугольную шину.
- К одному из электродов присоединяют еще одну стальную полосу (шину), укладывают ее в заранее подготовленную траншею и выводят на цоколь здания.
- Шину крепят к цоколю и к ней приваривают болт с резьбой.
- Конец шины при помощи болта соединяют с клеммой провода заземления, ведущего к распределительному щитку.
- В стене высверливают отверстие под провод и вставляют в него пластиковую гильзу.
- Провод выводят на щиток и соединяют с распределительной пластиной.
Вывод шины на цоколь дома
Конструкция готова, но прежде чем засыпать котлован, убедитесь, что все работает исправно. Но как проверить заземление на даче? Измерять сопротивление получившегося контура, не имея специального оборудования и навыков, небезопасно. В этой ситуации рациональнее пригласить работников из службы энергоснабжения, тем более что им необходимо выдать разрешающую документацию на работы по заземлению.
Если измерения покажут неудовлетворительный результат, уменьшить сопротивляемость заземления можно добавив вертикальных электродов. Еще один способ улучшить показатели – посыпать контур поваренной солью. Но нужно учитывать, что так коррозия металла усилится. Добившись нужных параметров, траншею засыпают грунтом и утрамбовывают.
Соль уменьшает сопротивляемость материала
Монтаж заводского комплекта
Помимо самодельной, можно установить готовую конструкцию на даче. Заводской комплект заземления для дачи, намного удобнее в сборке и установке, чем самодельный. Он состоит из набора медных или оцинкованных штырей с соединительными муфтами, которые позволяют корректировать длину электродов по мере заглубления. Такой комплект применяется для создания заземления по схеме №3 с одним штыревым электродом.
Обычно в комплектацию входят стальные штыри с диаметром 1,4-1,8 мм и длиной по 1,5 метра каждый.
Соединения выполняется при помощи резьбовых или запрессовочных муфт, также прилагается заостренный наконечник для удобства прохождения грунта. Следует отдавать предпочтение проверенным фирмам, а устройства приобретать в магазинах с ответственными поставщиками.
Ударное воздействие передается специальной насадкой – нагелем. Его применение не дает металлу спрессоваться от ударов кувалды. Есть наборы, в которых предусмотрено заглубление штырей не ударной силой, а через переходник, соединенный с перфоратором высокой мощности.
Порядок проведения работ по монтажу:
- В подходящем месте выкапывают котлован глубиной и шириной в 1 м.
- В дно ямы вбивают штыри, наращивая их до нужной длины (6-15 м в зависимости от почвы).
- Над поверхностью земли оставляют участок электрода длиной 20 см и надевают на него контактный зажим (идет в комплекте).
- Внутрь зажима вставляют металлическую полосу или кабель заземления.
- Кабель или шину заводят внутрь дома и подключают к щитку, так же, как описывалось выше.
Заводской комплект
Остается только проверить работу устройства, и заземление на даче готово.
Итак, если вы приложите немного усилий, то при организации заземления сэкономите время и средства. Но, если вы сомневаетесь, что сможете выполнить все мероприятия правильно, обратитесь за помощью к специалистам.
Устройство контура заземления
Требования к заземлению и занулению определяются в ПУЭ Глава 1.7. Также перед организацией защитного контура рекомендуем изучить ГОСТ Р 50571.5.54-2013.
Контур заземляющего устройства представляет из себя электроды, вкопанные в землю и соединенные между собой электродом — стержнем из металла или металлической полосой. Обычно заземляющий контур делают в форме треугольника или квадрата. На фото показано, как устанавливать заземлители в траншею.
При устройстве заземления вертикальные заземлители должны закладываться на глубину 0,5-0,6 м от уровня планировочной отметки земли и выступать от дна траншеи на 0,1-0,2 м. Расстояние между электродами 2,5-3 м. Горизонтальные заземлители и соединительные полосы между вертикальными заземлителями укладывают в траншеи глубиной 0,6-0,7 м от уровня планировочной отметки земли.

Контур заземления соединяется в двух местах с помощью заземляющих проводников с внутренней заземляющей сетью дома. Она может быть выполнена так, как показано на этом фото:
На фото видно, что заземляющая полоса жестко прикреплена к стене. Заземляющие полосы можно прикрепить дюбелями или строительно-монтажным пистолетом непосредственно к стене или с использованием промежуточных деталей. Пистолетом пристреливаются полосы из листовой или полосовой стали толщиной до 6 мм. Основанием должен быть бетон или кирпич.
Далее мы предоставим к Вашему вниманию описание, как пошагово устроить заземление в своем доме.
Порядок монтажных работ
Первым делом необходимо выбрать место для забивки электродов и разметить этот участок. Не располагайте контур слишком далеко от здания и самого электрощита, ведь каждый метр стального проводника – это дополнительное сопротивление. Оптимальное расстояние – 3 м от дома. Если с нужной стороны к даче прилегает забор или другие постройки, располагайте штыри в одну линию (можно – ломаную), в остальных случаях делайте треугольник.

После нарезки заготовок приступайте к работам, соблюдая такой порядок:
- Между точками установки вертикальных заземлителей прокопайте траншею глубиной не меньше 500 мм, а лучше – 70 см, как показано на фото. На этом уровне пройдет соединительная полоса.
- Болгаркой заострите концы стальных уголков или прутов, установите в намеченных точках и загоните их вертикально в грунт при помощи кувалды. Электроды должны выступать над дном траншеи не больше, чем на 10 см.
- Свяжите стержни металлической полосой, тщательно обваривая соединения с обеих сторон. Общая длина сварного шва на каждом стыке – не менее 10 см.
- Проложите полосу к дачному домику и выведите его на цоколь. Возьмите битумную мастику и обработайте сварные швы, а также часть проводника, поднимающегося над землей.
- Приварите к концу полосы болт и прикрутите к нему медную шину, проложенную от электрощита.

По окончании работ траншею можно зарывать и заниматься внутренней проводкой. Если вы приобрели монтажный комплект из медных стержней, то порядок ведения работ сохраняется, разница – в способе соединения элементов (болты с муфтами вместо сварки). Погружение одинарного электрода тоже производится довольно просто – загнав первую секцию, прикручивайте к ней вторую и забивайте, и так далее. Как правильно сделать заземляющее устройство на даче из металлических уголков, рассказывается на видео:
Устройство громоотвода для частного дома своими руками
Устройство молниезащиты частного дома важно, если строение возвышается над другими постройками сектора, возведено на отшибе или возвышении. Но рачительный хозяин даже невысокого жилища не станет им пренебрегать
Ведь природные явления предугадать сложно, а значит нужно быть готовым ко всему. В выполнении такой защиты имеются нюансы, которые сейчас и рассмотрим.
Правильно смонтированная система грозозащиты может спасти и имущество или даже жизнь
Согласно правилам и нормам молниеотвод устанавливается выше самой высокой точки во дворе на 0.5÷1.5 м (на деревья тоже стоит обратить внимание). Выполнить молниеприемник можно из меди, алюминия или стали
От него по крыше укладывается токоотвод без изоляции, который соединяется с защитным контуром по кратчайшей траектории.
Защитный контур выполняется в форме треугольника или прямой линии. Под землей он соединяется с контуром заземления жилого помещения – это обязательное условие.
Если стены выполнены из горючего материала, расстояние между токоотводом и поверхностью должно превышать 100 мм.
Как рассчитать длину молниеприемника
Для этого воспользуемся формулой:
h = (rх + 1.63hx) / 1.5, где
- h – нужная высота молниеприемника;
- rx – радиус зоны на крыше дома, защищаемый от молнии;
- hx – высота самого дома, без учета громоотвода.
Все части грозозащиты рекомендуется выполнять из одного металла – такие системы надежнее в эксплуатации. Подробнее о том, как сделать громоотвод в частном доме, будет описано в одной из ближайших статей.
Отсутствие громоотвода может привести к плачевным последствиям
Типы используемых заземлений
Основными выводами для питания электрической сети в квартире являются фаза и ноль. При этом существуют различные варианты подключения нулевого провода для защитного зануления или только в качестве обратного пути протекания тока. То же относится и к заземляющему PE проводу, который может либо иметь выделенную жилу в общей схеме, быть совмещенным или вообще отсутствовать.
Все отличия схем подключения оговариваются п.1.7.3 правил ПУЭ, поэтому для начала рассмотрите вариант, которым подключен весь дом и конкретно ваша квартира. Всего их выделяют шесть, но конкретная схема, примененная в вашем доме, закладывался еще на этапе строительства и монтажа электропроводки. Рассмотрите наиболее актуальные схемы электроснабжения для бытовых потребителей.
Система TN-C.
Особенностью системы TN-C является электроснабжение при помощи четырехпроводной схемы, в которой три провода отводятся для фазы, а четвертый выполняет одновременно роль нуля и защиты. Четвертый провод совмещает заземляющий проводник PE и нулевой N, из-за чего он получил название PEN проводника. При подключении заземления в квартире по такой схеме существует серьезная угроза человеческой жизни.
Рис. 1: пример аварийной ситуации в TN-C системе
Посмотрите на рисунок 1, как показано на примере, в случае обрыва совмещенного заземляющего проводника у всех владельцев квартир будет развиваться следующая ситуация:
- Прекратят работать электроприборы – из-за отсутствия рабочего нуля прервется цепь протекания электротока (исключение составят лишь те приборы, которые питаются фазным напряжением без использования нуля);
- Сами устройства будут находиться под потенциалом напряжения сети, так как цепь электрических приборов по-прежнему будет оставаться исправной;
- На корпусе и металлических деталях приборов, заземляющих контактах розеток, в случае их соединения с совмещенной шиной заземления, будет находиться потенциал нулевого провода.
Как видите, применять такую систему для своей квартиры не только не эффективно, но и опасно для вашей жизни. Поэтому не стоит подключать заземление оборудования на один проводник с нулем. Следует отметить, что обеспечить защиту для квартиры посредством установки УЗО в такой системе невозможно, на что указывает п 1.7.80 ПУЭ. Полноценное заземление можно обеспечить только за счет перевода схемы на более современные TN-C-S или TN-S системы.
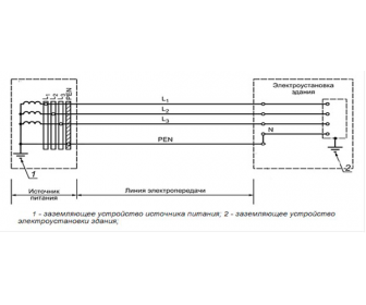
Система TN-C-S.
На практике схема TN-C-S представляет собой современное развитие предыдущей TN-C системы. Как и предыдущий вариант, в ней от питающей подстанции к потребителю выдается четыре линии, из которых три отведены для фазных проводов, а четвертый под совмещенный PEN проводник. Но, на определенном участке цепи выполняется разрыв PEN жилы, а из нее отдельно выделяется нулевой провод и заземление. Для последнего устанавливается отдельный заземляющий контур в месте раздела, обеспечивающий необходимую величину электрического сопротивления току растекания.
Рис. 2. Принципиальная схема подключения TN-C-S
Посмотрите на рисунок, здесь приведена принципиальная схема TN-C-S. От подстанции к дому проведен совмещенный PEN провод. Далее, возле дома обустраивается собственный контур заземления, от которого в дом заведена шина PE, а совмещенная шина используется только в качестве нулевого вывода. При этом нулевой проводник несет угрозу для оборудования из-за его совмещения до места разделения. Поэтому, чтобы избежать негативных последствий, в него необходимо включать УЗО.
Система TT.
Такая система наиболее распространена в отечественных сетях питания бытовых потребителей. Она характеризуется четырехпроводным электроснабжением, в котором три провода отводятся под фазы, а четвертый под глухозаземленный ноль.
Рис. 3: принципиальная схема подключения TT
Как видите на рисунке, защитное заземление в такой системе отсутствует, поэтому контур организовывается индивидуально для каждого дома или квартиры. После установки такого заземления от электрического щитка в квартире питание ведется трехжильным проводом (фаза, ноль и заземление).
В виду того, что для всех вышеприведенных вариантов отсутствует отдельный защитный проводник, оптимальным способом для каждого потребителя будет организация заземления в квартире самостоятельно. Самым эффективным способом является заземляющий контур, хоть общий, хоть индивидуальный.
Монтаж заземления своими руками
Качественные стержни глубинного заземления и подделки
Электромонтаж дома невозможен без заземления, поскольку оно предусматривается техническими нормами электроснабжения. По сути, это несколько соединенных электродов, зарытых в землю в один ряд или в виде треугольника. Такая конструкция подсоединяется специальными кабелями к электрощиткам в здании.
Все это можно сделать собственноручно, неплохо при этом сэкономив. Главное – точно следовать инструкции.
Этап первый
Сначала определитесь с местом установки электродов. Профессионалы утверждают, что контур лучше монтировать неподалеку от вводного распределительного прибора, но не ближе одного метра к дому (в идеале — 3–4 метра).
Этап второй
Приготовьте электроды. Они должны быть медными или стальными, красить их категорически запрещено! Зачастую для этого используют:
- стальные полосы, 4х40 мм;
- уголки из стали, 5х50х50 мм.
Стандартное количество уголков – три штуки, высота – 2,5–3 м. Количество полос – тоже три штуки, по 60–70 см в длину.
Этап третий

Монтаж заземления своими руками
Погрузите уголки в заранее выбранное место так, чтобы они образовали правильный треугольник. Это можно сделать одним из двух способов:
- вырыть траншею 3х3 метра, ее глубина должна быть такой, чтобы над поверхностью оставалось 20 см каждого уголка;
- вдавить их в землю, прибегая к помощи экскаватора. Для этого зафиксируйте уголки в вертикальном положении, после чего трактор вдавит их на требуемую глубину.
Также обратите внимание на тот факт, что для прокладки контура заземления идеально подходят такие типы грунта, как:
- торф;
- влажная глина;
- суглинок.
Вместе с тем проложить этот контур в скальной или каменной породе будет крайне трудно, а нередко и вовсе невозможно. Еще один важный момент – глубина нижней точки контура должна находиться ниже уровня замерзания грунта(зачастую это от 1,5 до 3 метров, в зависимости от региона).
Этап четвертый
После погружения электродов вы должны соединить их между собой сверху. Используйте для этого металлические полосы, приваривая их таким образом, чтобы они огибали полученный треугольник. Постарайтесь добиться максимальной площади провара. Еще раз отметим, что красить металлические элементы не нужно – чем больше они поржавеют, тем лучше будет растекаться электрический ток в грунте.
Затем к контуру приварите еще одну полосу такой же ширины, уходящую в дом (как показано на схеме).
Этап шестой
Проведите от электрощитка нулевой провод ко всем розеткам дома. Это и есть третий провод заземления (первые два – «+» и «–»), которого не хватало.

Монатж и проверка заземления
По окончании установки контура проверьте его сопротивление. Для этого обратитесь в одну из специальных электротехнических лабораторий, сотрудники сделают это с помощью специального прибора – измерителя параметров (зачастую для измерения используется оммометр «Евротест ХЕ»). Если сопротивление в норме, работники энергоуправления заполнят специальный паспорт, в противном случае вам придется установить в землю дополнительный электрод (электроды) и произвести повторную проверку.
Если сделаете все правильно, то тем самым вы надежно защитите себя и своих близких от удара током в случае короткого замыкания или выхода из строя одного из приборов.
Выбор геометрической формы для системы заземления
Самая распространенная конфигурация, согласно которой проще всего осуществить устройствозащитного контуразаземления собственными руками – равносторонний треугольник. Треугольный в плане контур образуют три загнанных кувалдой в землю металлических стержня, расстояние между парой которых должно быть равным. Кроме треугольников системы заземления сооружаются в форме квадратов, прямых или округлых линий либо иных геометрических фигур. Соблюдение равных расстояний между заземлителями – условие обязательное, четкая геометрия желательна, но не принципиальна.

Нередко автономные строения, наполненные всевозможной техникой, просто окружают заземляющим контуром. Прекрасный, эффективный вариант, если для этого имеются средства и достаточно свободного места на участке. Точнее, денег особых на самостоятельную организацию заземления не нужно, а вот выбор формы контура чаще всего продиктован запланированной под устройство заземления площадкой. Однако не стоит забывать, что при параллельном соединении заземлителей в один ряд эффективность системы будет снижена из-за влияния электродов друг на друга. В приоритете замкнутые контуры.
В комплексе защитного заземления три и более заземляющих электрода. Рабочее заземление, создаваемое для оптимизации поставляемого на приборы сигнала, может иметь два заземляющих стержня. Т.к. грунт – проводник нелинейный, заземлителей должно быть как минимум два. Так нужно, чтобы в пространстве между ними формировалась потенциальная поверхность, способствующая растеканию тока. Единственного стержня для этого недостаточно.

На рабочий потенциал заземляющей системы влияет расстояние между вертикальными электродами. Чем чаще они установлены, тем действенней заземление. Рекомендуемый минимум расстояния 1,0м, максимум 2,0м. При увеличении максимального предела между металлическими стержнями образуется разрыв потенциальной поверхности, он сведет к нулю все усилия по обустройству.

Между крайней точкой заземления и фундаментом расстояние должно быть более 1,0м. Безупречно система будет работать при удалении от дома на 4-6м. Дальше 10м от строения устраивать заземление бессмысленно.
Ошибки и стоимость

- Самой распространенной ошибкой является малое расстояние между электродами. Ни в коем случае нельзя допускать, чтобы оно было меньше 1,5 метра. Это связано с тем, что сила тока уменьшается по мере удаления от электрода, если в почве нет заряда. Если же поля от 2 электродов пересекутся, то процесс рассеивания значительно ухудшится и время, через которое УЗО обесточит сеть, увеличится.
- Второй по распространенности ошибкой является экономия на электродах. Их делают 3 или 6, независимо от типа почвы и уровня залегания вод. Где-то этого хватает, а где-то может и не хватить. Как и в прошлом случае, падает скорость рассеивания заряда и увеличение срабатывания автоматики.
- Третья по популярности, но не по значимости ошибка состоит в том, что не ставят УЗО. Надеясь, что заземление спасает, защитную автоматику не монтируют. Такой подход может привести к гигантским утечкам тока, нагреву проводов и как следствие, пожару. Только в комплексе они могут обеспечить полноценную защиту, и недопустим монтаж одного без другого.
Основные расходы при монтаже заземления своими руками, это металл. Закупка арматуры и металлических полос, в зависимости от размера контура и региона, обходится от 3 до 10 тысяч руб. Отдельно покупается лист из нержавеющей стали, нарезается на короткие полосы и сваривается в одну. Его цена колеблется от 2, до 4 тысяч руб., в зависимости от толщины.
Соответственно, минимальные расходы на создание контура заземления около пяти тысяч, максимальные могут составить десять и даже больше.
Несмотря на кажущуюся сложность, процесс изготовления заземления прост. Разобрав все этапы подробно, и рассмотрев все основные моменты, можно убедиться, что сделать его может любой. Достаточно умелый хозяин справится без привлечения посторонних лиц и наемных рабочих.
Назначение повторного заземления
Повторное заземление ВЛИ нужно для того, чтобы обеспечить нормальную электробезопасность при эксплуатации ВЛ. Согласно п. 2.4.38 ПУЭ «На опорах ВЛ должны быть выполнены заземляющие устройства, предназначенные для повторного заземления, защиты от грозовых перенапряжений, заземления электрооборудования, установленного на опорах ВЛ. Сопротивление заземляющего устройства должно быть не более 30 Ом».
Если в системе электроснабжения установлена трансформаторная подстанция с глухозаземленной нейтралью, то для того, чтобы обеспечить требуемую электробезопасность требуется создать электрическую связь с заземлением по всей системе. Для опор выполняется повторное заземление нулевого провода — таким образом обеспечивается надежная связь РЕN проводника с заземляющим устройством. Схема выглядит следующим образом:

В ПУЭ указывается, что повторное заземление ВЛИ означает погружение в грунт PEN или РЕ проводника в воздушной электрической линии с изолированными проводами.
Важно! Повторный заземляющий контур осуществляется на подпоре без вводного приспособления или вводного щитка (ВЩ). Оно присоединяется к вводному автомату или к совместному рубильнику
Защитный и рабочий нулевые провода подключаются вверху ЖБ (железобетонного столба) к арматурному выпуску. Если есть подкосной столб, то присоединять необходимо и к нему, а не только к основному.
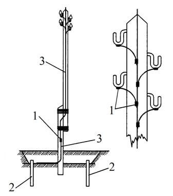
На фото ниже изображено, как нужно соорудить повторное заземление ВЛИ основного проводника с использованием прокалывающего зажима на проходном столбе, без отвода. Осуществлять подобное необходимо на каждой третьей опоре ВЛ и на столбе, который ведет к жилому зданию.

На опорах при монтаже может быть сделан заземляющий спуск из проволоки или катанной стали. Он также может отсутствовать. На рисунке ниже показана конструкция опоры с заземляющим спуском.

- 1 – место сварки;
- 2 – заземлители;
- 3 — спуск.
Как правило, он изготавливается из металлической проволоки. Все это прикрепляется к штыревому электроду, который вбивается в грунт. В случае если проволока больше по диаметру, чем 6 мм, то желательно чтобы он был сделан из оцинкованного металла, а если меньше 6 мм – из черного металла с нанесенным антикоррозийным средством.
Согласно правилам устройства электроустановок, если на деревянной конструкции было выполнено повторное заземление PEN-проводников, то необходимо заземлить полностью все штыри и крюки опоры из металла. Если же на столбе из дерева или железобетона не организовывают повторный заземляющий контур, то ничего делать не нужно (ПУЭ 2.4.41).
Электрооборудование из металла, которое находится на опорах, в обязательном порядке должно заземляться индивидуальными проводами. Это такое оборудование как щиты ВУ, молниезащита или защита от высокого напряжения. В случае ТП с глухозаземленной нейтралью сопротивление вторичного заземлителя должно быть 30 Ом или меньше.
Учтите! Для частного жилья повторная защита PEN-проводников ВЛИ не освобождает от установки специального заземляющего контура. О том, как сделать заземление в доме своими руками, мы рассказывали в соответствующей статье!
Алгоритм устройства треугольного контура
Порядок работ:
- На выбранной для устройства системы заземления площадке размечаем точки закладки вертикальных проводников. Это вершины треугольника со сторонами примерно 1,2-1,4м.
- Наметили контур будущей траншеи. Она будет треугольной с «отростком» для подведения заземления к точке входа в дом или в наружный щиток. Выбор минимального расстояния от контура до щитка обеспечит экономию материалов. Ширина траншеи произвольная, но учитывающая необходимость проведения в ней сварных работ. Глубина зависит от местных условий. К рекомендованному электриками уровню установки горизонтального проводника нужно прибавить 20 см. Например, если глубина расположения горизонтальной металлосвязи 0,8м, заглубить траншею нужно на 1,0м.
- Предварительно заостренные стержни забиваем в точки их установки, периодически смачивая водой почву вокруг точки забивки. Вертикальный заземлитель должен погрузиться в землю практически весь за исключением крайних 20 см.
- Привариваем к торчащим из земли отрезкам электродов горизонтальную связующую планку.
- От ближайшей к заземляемому строению точки ведем планку по отрезку траншеи, прорытому к силовому шкафу. Ее выводим на стену.
- В удобной для подключения точке подведенной к шкафу планки привариваем стальной болт резьбой наружу. Т.е. к планке будет привариваться шляпка болта, с которой нужно счистить ржавчину и оцинковку, если имелась. Для подключения заземления к расположенному внутри дома щитку в стене нужно будет выбурить отверстие, через которое будет проводиться заземляющий кабель.
- К приваренному болту присоединяем заземляющий провод, крепим его гайкой.
- Затем густо обрабатываем сварные швы подземных соединений битумом, наружные ботовые соединения заливаем автомобильным силиконовым герметиком.
- Вызываем электрика с омметром и проверяем работу созданной системы заземления. Проверку проводят в сухую погоду, чтобы атмосферная влага не внесла коррективы в показания. По нормативам сопротивление контура не должно превышать 4 Ом. Если прибор подтвердил превышение сопротивления, заземление придется доработать: установить дополнительный вертикальный заземлитель и превратить треугольник в ромб.
- Если показания прибора удовлетворят требования ПУЭ-7 и подтвердят формирование контура с достаточно низким сопротивлением, зарываем траншею, оборудование подключаем к заземлению не параллельно, а в отдельности каждую техническую единицу.
Все. Процесс сооружения заземления можно считать завершенным.


Домашний мастер, знающий как правильно сделать и грамотно подключить заземление, потратит на работу не более 2х – 3х дней.
Зачем нужен заземляющий контур
К подавляющему большинству дачных участков подведены однофазные сети с напряжением 220 В. Это значит, что к электроустановкам ток подается по двум проводам – фазному и нулевому (нейтрали). При этом всегда существует вероятность повреждения или износа изоляции электронагревателей, двигателей либо самих проводников. Тогда на металлическом корпусе прибора возникнет высокий потенциал от прямого контакта с фазой.

Чем это чревато? Прикосновение к такой поверхности в обычных условиях приведет к ощутимому удару током. Если же в этот момент вы стоите босиком на сыром бетонном полу или держитесь рукой за стальную трубу центрального отопления или водопровода, то разряд может оказаться смертельным. Причина в том, что электрический ток ищет путь наименьшего сопротивления к земле, а вы замыкаете цепь на себя и становитесь проводником, что хорошо видно выше на схеме.
Вывод простой: чтобы обезопасить себя и близких от поражения из-за нарушения изоляции, нужно проложить заземляющий проводник, по которому электроток самостоятельно уйдет в землю
Важное условие: его сопротивление должно быть в несколько раз ниже, чем у человека (около 1000 Ом) и составляет для частных домов не более 30 Ом. Тогда при случайном прикосновении фазное напряжение не выберет вас в качестве проводника, поскольку у него есть более легкий путь попасть в грунт

Помимо обеспечения элементарной безопасности, заземление на даче выполняет такие функции:
- дает возможность правильно функционировать дифференциальным автоматам и устройствам защитного отключения (УЗО);
- выравнивает потенциал между всеми стальными элементами, контактирующими с грунтом, — батареями отопления, трубопроводами и так далее;
- позволяет корректно работать сложной электронике, какой оснащаются отопительные котлы, водонагреватели и вычислительная техника;
- подземный контур допускается присоединять к громоотводу;
- на заземленных электроприборах не скапливается статический заряд.

Выбор системы заземления для частного дома
Можно почитать форум , а также статью “”
Для современного частного сектора подходят только две системы заземления ТТ и TN-C-S. Практически весь частный сектор запитывается от трансформаторных подстанций с глухозаземлённой нейтралью и четырёхпроводной ЛЭП (три фазы и PEN, объединённый рабочий и защитный ноль или, иначе говоря, объединённый ноль и земля).
Особенности системы заземления TN-C-S
Согласно п. 1.7.61 ПУЭ при применении системы TN рекомендуется выполнять повторное заземление РЕ- и PEN-проводников на вводе в электроустановки зданий, а также в других доступных местах. Т.е. проводник PEN на вводе в дом повторно заземляется и делится на PE и N. После этого используется 5 или 3 проводная проводка.
Коммутация PEN и PE строго запрещена (ПУЭ 7.1.21. Во всех случаях в цепях РЕ и РЕN проводников запрещается иметь коммутирующие контактные и бесконтактные элементы). Точка разделения должна стоять до коммутационного прибора. Запрещается разрывать PE и PEN проводники.
Недостаток системы TN-C-S
при обрыве PEN проводника на корпусах заземлённых электроприборов может оказаться опасное напряжение.

Описание системы TN-C-S – Описание системы TN-C-S
только на современных ЛЭП выполненных проводом СИПрекомендуется выполнять повторное заземление РЕ- и PEN-проводников на вводе в электроустановки зданий,обязательно должны быть выполнены повторные заземления на ЛЭП.
Согласно п. 1.7.135 ПУЭ когда нулевой рабочий и нулевой защитный проводники разделены начиная с какой-либо точки электроустановки, не допускается объединять их за этой точкой по ходу распределения энергии. В месте разделения PEN-проводника на нулевой защитный и нулевой рабочий проводники необходимо предусмотреть отдельные зажимы или шины для проводников, соединенные между собой. PEN-проводник питающей линии должен быть подключен к зажиму или шине нулевого защитного РЕ-проводника.
Для обеспечения высокого уровня безопасности от поражения электрическим током в системе TN-C-S необходимо использовать устройства защитного отключения (УЗО).
Особенности системы заземления ТТ

Описание системы ТТ – Описание системы ТТ
защитный проводник PE заземляется независимо от нулевого рабочего проводника N и запрещена какая-либо связь между ними.
Систему TT рекомендуется применять при неудовлетворительном состоянии питающей воздушной линии электропередач (ВЛ) (старые неизолированные провода ВЛ, отсутствие повторного заземления на опорах).
Замечание
СП 31-106-2002 “ПРОЕКТИРОВАНИЕ И СТРОИТЕЛЬСТВО ИНЖЕНЕРНЫХ СИСТЕМ ОДНОКВАРТИРНЫХ ЖИЛЫХ ДОМОВ” устанавливает, что электроснабжение жилого дома должно осуществляться от сетей напряжением 380/220 В с системой заземления TN-C-S.
Внутренние цепи должны быть выполнены с раздельными нулевым защитным и нулевым рабочим (нейтральным) проводниками.
Правила монтажа системы ТТ:
- Установка УЗО на вводе с уставкой 100-300 мА (пожарное УЗО).
- Установка УЗО с уставкой не более 30 мА (желательно 10 мА – на ванную) на все групповые линии (защита по току утечки от прикосновения к токоведущим частям электрооборудования при появлении неисправностей в электропроводке дома).
- Нулевой рабочий проводник N не должен соединяться с местным контуром заземления и шиной РЕ.
- Для защиты электрических приборов от атмосферных перенапряжений необходимо устанавливать ограничители перенапряжения (ОПН) или ограничители импульсных перенапряжений (ОПС или УЗИП).
- Сопротивление контура заземления Rc должно удовлетворять условию ПУЭ (п. 1.7.59):
- при УЗО с уставкой в 30 мА сопротивление контура заземления (заземлителя) – не более 1666 Ом;
- при УЗО с уставкой 100 мА сопротивление контура заземления (заземлителя) – не более 500 Ом.
Как произвести измерение сопротивления контура — читайте в статье измерение сопротивления заземления.
Для выполнения вышесказанного условия достаточно будет использовать один вертикальный заземлитель в виде уголка или прутка длиной около 2-2,5 метра. Но я Вам рекомендую выполнить контур более тщательно, забив несколько заземлителей. Хуже не будет.
Недостатки системы ТТ:
-
При коротком замыкании фазы на землю на корпусах электроприборов будет опасный потенциал (ток короткого замыкания недостаточен, чтобы сработал автомат защиты, поэтому обязательна установка УЗО – ПУЭ 1.7.59).
Указанный недостаток системы можно нейтрализовать установкой реле контроля напряжения и УЗО (2-х каскадная схема с одним “пожарным” или селективным УЗО на весь дом и несколькими УЗО на всех линиях потребителей).
Контроль заземления после монтажа
После того как заземляющий контур будет готов, его следует обязательно проверить ради собственной же безопасности. Делается это путем измерения сопротивления растекания электрического тока в грунте и уровня сопротивления металлосвязи.
Профессиональные электрики делают это с помощью специальных приборов. Вы же можете сделать это при помощи инструмента под названием меггер. Специализированные организации дают такое оборудование на прокат.

Мегаомметр Megger
Эти ручные электроиндукционные мегомметры и в наши дни пользуются популярностью. В их составе нет электроники, их не нужно подключать к сети, они не создают лишних шумов в протяженности цепи и имеют множество других преимуществ.
Единственное – металлосвязь с помощью меггера замерить нельзя. Однако при условии качественного соединения и правильного подключения проблем с этими участками не возникает в течение десятков лет.
Для определения сопротивления нужно, чтобы пара измерительных электродов находилась на расстоянии порядка 12-15 м от края металлосвсязи. Электроды должны быть тщательно зачищенными. Измерение проводится на электродах, заглубленных в грунт примерно на 70-100 см и установленных на расстоянии около 150 см.

70 молний во время шторма на острове Икария, Греция
Непосредственно же измерение с помощью мегомметра выполняется так: вы берете инструмент, крутите его ручку и изучаете показания стрелки на предустановленной шкале. Ранее упоминались оптимальные показатели, ориентируйтесь на них.
Измерение сопротивления растекания заземления меггером
Таким образом, монтаж заземления является крайне важным этапом обустройства частного дома
Уделите должное внимание этой процедуре, и ваш дом станет не только удобным и комфортным, но и полностью безопасным
Удачной работы!
Список источников
- www.asutpp.ru
- samelectrik.ru
- svoimi-rykami.ru
- homius.ru
- samostroy74.ru
- stroy-banya.com
- slarkenergy.ru
- small-house.ru
- qustu.com
7 лестниц