Типовые схемы обвязки бойлера косвенного нагрева
Принципиальная схема монтажа бойлера косвенного нагрева проста и понятна. Но на практике эти потоки горячей и холодной воды ведут себя совершенно непредсказуемым образом. А если к системе добавить еще и контур рециркуляции, повышающий КПД, но усложняющий схему подключения, то вся принципиальная схема становится попросту неуправляемой. Впрочем, бойлеры, все же, работают.
И в большинстве случаев их работоспособность поддерживают особые схемы подключения к водопроводу и системе отопления, а именно:
- Обвязка с трехходовым клапаном.
- Обвязка с двумя насосами.
- Обвязка с гидравлической стрелкой.
И далее по тексту мы рассмотрим каждую схему (обвязку) и каждую разновидность гидравлического оборудования (клапан, насос, стрелку), обеспечивающую работоспособность этой схемы.
Схема с трехходовым клапаном
Эта схема предполагает подключение к основной ветви системы отопления отдельного контура, обслуживающего нагревательный элемент бойлера. Причем подключение контура к «горячей» трубе отопления осуществляется с помощью особого трехходового клапана, а возврат отработанного теплоносителя в «холодную» трубу (обратку) реализуется с помощью обычной врезки (или тройника).
Сам клапан, с помощью которого осуществляется врезка в «горячую» трубу контура работает под управлением автоматики, считывающий сигналы с температурных датчиков, расположенных внутри бойлера.
В итоге, схема функционирует следующим образом:

Схема с трехходовым клапаном
- При падении температуры воды в бойлере клапан перекрывает подачу теплоносителя в контур отопления.
- При отключении контура отопления включается контур водонагревательного прибора, и вся энергия отопительного котла передается на змеевик бойлера.
- После разогрева воды в бойлере клапан отключает контур водонагревательного прибора и включает контур отопления.
То есть, отопительный котел нагревает или батареи (радиаторы) или бойлер. Причем температура теплоносителя в котле должна быть выше, чем ожидаемая температура воды в бойлере. В ином случае контур системы отопления работать не будет. Поскольку относительно холодный теплоноситель не сможет нагреть воду до температуры отключения клапана.
Схема с двумя насосами
Эта схема предполагает использование в процессе рециркуляции двух насосов и обратного клапана. Причем монтаж бойлера косвенного нагрева предполагает подключение к отдельному контуру, врезанному в систему отопления с помощью тройников.

Схема с двумя насосами
Суть процесса управления потоками в параллельных контурах путем включения то «отопительного», то «водонагревательного» насосов. Отсечение потоков реализуется с помощью клапана обратного давления. А очередностью включения насосов управляет все тот же датчик температуры, вмонтированный в бойлер.
То есть, если температура воды упала ниже критической отметки, то «отопительный» насос отключается, а «водонагревательный» — включается. Ну а после разогрева бойлера происходит обратный процесс – выключается «водонагревательный» и включается «отопительный» насос.
Причем «водонагревательный» агрегат работает не более 50-60 минут. За это время батареи попросту не успевают остыть, и двойная нагрузка на котел не отражается на качестве отопления. В итоге, схему с двумя моторами можно практиковать даже при обустройстве системы косвенного горячего водоснабжения в многоэтажном доме.
Схема с гидравлической стрелкой

Схема с гидравлической стрелкой
Этот вариант подключения используют в том случае, если систему косвенного горячего водоснабжения врезают в усложненную схему отопления, состоящую из нескольких контуров (радиаторами, теплого пол и прочие изыски).
Управление циркуляцией теплоносителя в такой системе возможно лишь при наличии нескольких насосов, обеспечивающих движение потока в каждом контуре. В свою очередь, работой насосов, с учетом общих интересов, управляет особый прибор – гидравлическая стрелка, смонтированная совместно с коллектором.
Этот узел не только распределяет энергию к точкам потребления (радиаторам, теплому полу, змеевику бойлера), но и стабилизирует давление в системе.
https://youtube.com/watch?v=sLsOysrbhb8
Система рециркуляции
Бойлер, который имеет вход линии рециркуляции позволяет осуществлять моментальную подачу горячей воды. При этом, открыв кран не нужно сливать холодную воду из «горячего» трубопровода.
Это возможно благодаря использованию отдельного зацикленного контура со своим циркуляционным насосом. Такой контур называют рециркуляционной системой. В данной магистрали может быть дополнительно установлен полотенцесушитель.
Схема бойлера, включенного в систему рециркуляции
В обвязке бойлера, включенного в систему рециркуляции применяются:
- Обратный клапан – для предотвращения смешивания потока горячей и холодной воды.
- Воздухоотвод – для исключения попадания воздуха в систему при включении насоса.
- Предохранительный клапан – служит для аварийного сброса давления.
- Расширительный бак – компенсирует тепловое расширение теплоносителя при перекрытых кранах.
Давление в расширительном баке не должно превышать давление срабатывания предохранительного клапана.
Устройство – что у него внутри?
Агрегат в основном состоит из бака заданного объема. Этот резервуар может быть рассчитан как на несколько десятков литров, так и вмещать сотни литров воды. Внутри располагается змеевик теплообменника. Он обычно изготавливается из стали либо латуни. Сложная форма этого элемента позволяет теплоносителю лучше нагреться. В основном витки теплообменника расположены в нижней части, ведь именно здесь оседает наиболее прохладная вода. Правда, в некоторых конструкциях их равномерно распределяют по всему объему. Есть и специальные агрегаты с двумя теплообменниками. В этом случае один элемент предназначается для жидкости, поступающей из отопительной системы, а второй – для теплоносителя из иных альтернативных источников, таких как тепловой насос, солнечный коллектор и т. д.

Устройство нагревательного агрегата
Еще существуют модели, в которых вместо теплообменных трубок установлена внутри бака еще одна емкость. Внутренняя часть обязательно делается из нержавеющей стали. Жидкость циркулирует в пространстве между этими двумя резервуарами. В баке также расположен и анод из магния, благодаря которому обеспечивается надежная защита от гальванической коррозии. Из-за того, что электрический потенциал этого элемента ниже, чем у основного металла, то коррозия воздействует именно на первый. Поэтому он периодически нуждается в замене.
Также очень важно свести теплопотери к минимуму, для этого водонагревательный аппарат защищают специальным материалом (минеральной ватой, полиуретановой пеной и т. д.)
Это покрытие дополнительно убережет агрегат от механических повреждений. Нельзя недооценивать и работу термостата. Этот элемент устанавливает контроль за температурой жидкости и играет немаловажную роль в обеспечении безопасности прибора.
Система с двумя насосами
Такая схема подключения бойлера косвенного нагрева предусматривает использование системой обвязки двух циркуляционных насосов. Установка бойлера осуществляется на отдельный контур, подсоединенный к системе с помощью тройников и проходящий параллельно трубам отопления. Управление потоком нагретой воды происходит посредством попеременного включения отопительного и нагревательного контуров. Для закрытия одного из потоков используется обратный клапан. За включением нужного на данный момент насоса отвечает датчик температуры, вмонтированный внутрь бойлера. То есть, когда вода в накопителе остывает, включается насос водонагревательного контура. Обычно на нагрев воды в баке уходит не более часа. За это время температура в помещениях не успевает заметно снизиться, а затем вновь включается насос в отопительном контуре.
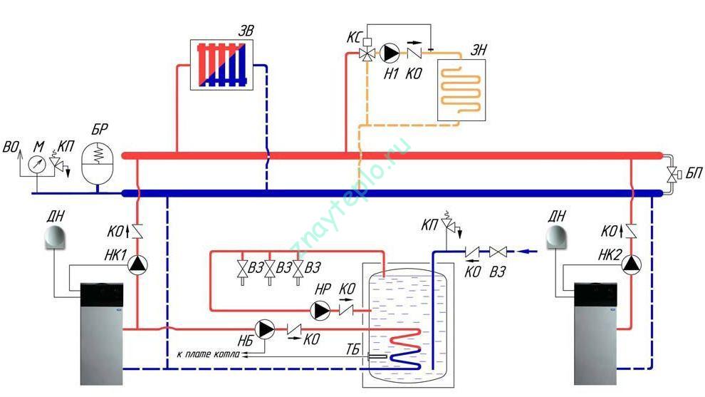
Схемы подключения бойлера косвенного нагрева.
Ниже на рисунке приведены схемы подключения с одним общим циркуляционным насосом:

В этих схемах управление загрузкой теплообменника осуществляется при помощи трехходового клапана с сервоприводом. Сервопривод управляется термостатом, который отслеживает температуру воды внутри емкости бойлера. Левая схема показывает подключение бойлера с двумя змеевиками без использования солнечных коллекторов, а на правой схеме коллектора подключены. Последовательное соединение змеевиков позволяет увеличить суммировать их мощность, а это в свою очередь позволяет уменьшить время нагрева воды.
Ниже приведена схема подключения бойлера с отдельным циркуляционным насосом:

В приведенной выше схеме нет трехходового клапана, а загрузка змеевика осуществляется включением специального насоса стоящего на подаче. Включается насос по сигналу термостата. На рисунке изображен газовый котел, который также запускается по команде термостата. Также на схеме показано кольцо рециркуляции горячей воды по дому.
Подключение
При непосредственном подключении надо соблюдать следующие правила:
- Устанавливать только на ровную поверхность. Если делаете монтаж на стену, то она должна быть кирпичной, для крепления использовать только анкерные болты или скобы.
- Давление в самой системе не должно превышать параметры водонагревателя.
- При установке напольного водонагревателя монтаж необходимо произвести так, чтобы бойлер находился выше котла, чем ниже он расположен, тем дольше нагревается вода. Для соблюдения такого условия делается подиум высотой в 10 см.
- Если выполняете монтаж водонагревателя самостоятельно, помните, что патрубки входа и выхода должны быть направлены в сторону котла.
- Монтаж обычно выполняется совместно с другим оборудованием, находящимся в котельной. Безусловно, монтаж осуществляют с соблюдением техники безопасности, если необходимо, то делается заземление.
Как выбрать
Полезный объем – вместительность резервуара бойлера. Какие величины необходимо учесть, подбирая данный параметр:
- Численность населения данного жилья;
- Предпочтения и пристрастия обитателей дома;
- Их распорядок и привычки.
Сложно, конечно, точно вычислить расход воды. Выбирая объем бойлера в спектре от 200л до 1500л, нужно исходить из расчета 80л/человека. Не стоит прибавлять «на непредвиденные ситуации». Ведь, мало того, что сам аппарат тем дороже, чем больше его резервуар, так потом вам же придется больше платить за электроэнергию.
Расход теплоносителя через нагревающий контур. Эта величина указана в техническом паспорте аппарата. Нормальным считается ее значение, которое не превышает 40% от всего объема теплоносителя, проходящего сквозь обогревательный прибор.
Материал, который использован для создания резервуара. Наиболее популярны емкости из нержавеющей стали. Они имеют наибольший срок эксплуатации, но и стоимость их тоже максимальна.
Наличие возможности извлечения теплообменника для технического обслуживания.
Сырье, использованное для создания теплоизоляции. Наиболее распространены такие материалы, как минеральная вата и пенополиуретан.
Стоимость изделия. Кроме вышеперечисленных факторов, оказывающих влияние на расчет цены нагревателя, к таковым можно также отнести бренд и место создания устройства.
Последнее слово, конечно, за вами! Главное, не потеряться, изучая и анализируя образцы нагревателей с различными техническими параметрами, которыми представлен широкий ассортимент сегмента теплотехнического оборудования современного строительного рынка.
Бойлер косвенного нагрева

Сравним несколько вариантов подключения водонагревателя косвенного нагрева:
- С использованием трехходового клапана.
- Двухнасосная система.
- С применением гидравлической стрелки.
- Метод возрватной циркуляции.
Трехходовой клапан

В основании этого метода лежит 2 контура: нагревательный от бойлера и отопительный. Трехходовой клапан будет распределять теплую воду между ними. Для управления клапаном используется автоматика (термостат). Как только температура воды в контуре нагревателя достигает заданной отметки, автоматика подает сигнал на трехходовой клапан. После этого теплая вода поступает в батареи. Этот метод считается наиболее востребованным.
Двухнасосная система

Насосы будут направлять теплую воду в разные контуры, т.е. подключение водонагревателя происходит параллельно. Каждая магистраль оснащается насосом, работа которого контролируется термодатчиком.
Когда включается ГВС, отопление временно перестает работать. Учитывая тот факт, что в водонагревателе нагревается воды осуществляется за короткий промежуток времени, горячая воды в радиаторах не достигнут критической температуры. Если же используется 2 котла, то подогрев ГВС и работа отопления будет бесперебойной.
Схема с гидравлической стрелкой

При использовании циркуляционных насосов важно чтобы потоки были равными. Для этого можно использовать гидравлическую стрелку и гидравлические распределители
Особенно это эффективно, если необходимо, чтобы прогретый теплоноситель направляется в напольное отопление, бойлер и радиаторы. Чтобы нивелировать разницу давления в контурах, параллельное действие гидравлического модуля с гидроколлектором. Хотя их можно и не задействовать, установив балансирующие краны. Но в таком случае произвести монтаж и регулировку системы без помощи специалиста будет сложно.
Метод возвратной циркуляции

Эта техника подсоединения возможно только если в бойлере имеется третий вход. К нему будет возможно подсоединить рециркуляцию теплоносителя. Благодаря этому, сделать процесс нагрева воды можно очень быстрым. Как следствие вы избавитесь от проблемы слива холодной воды с крана до тех пор, пока не пойдет горячая. Это существенная экономия.
Вследствие этого будет образована закольцованная магистраль, по которой будет постоянно (принудительно) циркулировать вода. Также потребуется подключать следующие элементы:
- Расширительный бачок. При закрытых кранах в горячем трубопроводе будет поддерживаться стабильное давление.
- Предохранительный клапан. Он будет защищать водонагреватель от скачков давления.
- Автоматический воздухоотводчик перед обратным клапаном. Это позволит полностью избежать завоздушивание насоса перед непосредственным его запуском.
- Обратный клапан. Если в системе высокое давление и как следствие вода перегревается, в трубопровод с холодной воды не будет попадать горячий теплоноситель. Устанавливается он на входе в водонагреватель.
Инструменты для проведения монтажа
Так, мы рассмотрели основные варианты подсоединения водонагревателя косвенного нагрева. Выделим плюсы и минусы этого метода:
Достоинства:
- Можно одновременно использовать несколько отопительных приборов.
- Возможность рециркуляции.
- Потоки ГВС и отопления отделены.
- Высокая производительность.
- Значительно разгружается электрическая сеть в период отопления.
- Внутренняя поверхность водонагревателя на имеет контакта с проточной водой.
Недостатки:
- Требуется больше затрат для переоборудования отопительной системы.
- Первый нагрев воды осуществляется более одного часа.
- Необходимо иметь отдельное помещение, в котором можно будет расположить все оборудование.
Что такое бойлер косвенного нагрева и какие они бывают
Водонагреватель или бойлер косвенного обмена — это бак с водой, в котором размещен теплообменник (змеевик или по типу водяной рубашки — цилиндр в цилиндре). Теплообменник подключен к котлу отопления или к любой другой системе, в которой циркулирует горячая вода или другой теплоноситель.
Нагрев происходит просто: через теплообменник проходит горячая вода от котла, она нагревает стенки теплообменника, а они, в свою очередь, передают тепло воде, находящейся в емкости. Так как нагрев происходит не напрямую, то и называется такой водонагреватель «косвенного нагрева». Нагревшаяся вода по мере необходимости расходуется на хозяйственные нужды.
Устройство бойлера косвенного нагрева
Одна из важных деталей в данной конструкции — магниевый анод. Он снижает интенсивность процессов коррозии — бак служит дольше.
Виды
Есть два типа бойлеров косвенного нагрева: со встроенным управлением и без. Бойлеры косвенного нагрева со встроенным управлением подключаются к системе отопления, работающей от котлов без управления. У них есть встроенный датчик температуры, собственное управление, которое включает/отключает подачу горячей воды в змеевик. При подключении оборудования такого типа все что надо — завести на соответствующие входы подачу и обратку от отопления, подключить подачу холодной воды и к верхнему выходу подключить гребенку раздачи горячей воды. На этом все, можно заполнять бак и начинать ее греть.
Обычные бойлеры косвенного нагрева работают в основном с автоматизированными котлами. Во время монтажа необходимо в определенное место установить датчик температуры (есть отверстие в корпусе) и связать его с определенным входом котла. Далее делают обвязку бойлера косвенного нагрева в соответствии с одной из схем. Можно их подключить и к энергонезависимым котлам, но для этого требуются особые схемы (есть ниже).
Что ее надо помнить, что воду в бойлере косвенного нагрева можно нагреть чуть ниже температуры теплоносителя, циркулирующего в змеевике. Так что если котел у вас работает в низкотемпературном режиме и выдает, скажем +40°C, то максимальная температура воды в баке будет именно такой. Больше вы ее никак не сможете нагреть. Чтобы обойти это ограничение, есть комбинированные водонагреватели. В них есть змеевик и встроенный ТЭН. Основной обогрев в этом случае идет за счет змеевика (косвенного нагрева), а ТЭН только доводит температуру до заданной. Также такие системы хороши в паре с твердотопливными котлами — вода будет теплой даже тогда, когда топливо прогорело.
Что еще можно сказать по особенностям конструкции? В больших по объему косвенниках устанавливают несколько теплообменников — это уменьшает время нагрева воды. Для уменьшения времени нагрева воды и для более медленного остывания бака, лучше выбирать модели с теплоизоляцией.
К каким котлам можно подключать
Бойлеры косвенного нагрева могут работать с любым источником горячей воды. Подойдет любой водогрейный котел — твердотопливный — на дровах, угле, брикетах, пеллетах. Можно подключить газовому котлу любого типа, электрическому или работающему на жидком топливе.
Схема подключения к газовому котлу со специальным выходом для бойлера косвенного нагрев
Просто, как уже писали выше, есть модели с собственным управлением, и тогда их установка и обвязка — более простая задача. Если же модель простая, приходится продумывать систему регулирования температуры и переключения котла с обогрева радиаторов, на обогрев горячей воды.
Формы баков и способы установки
Бойлер косвенного нагрева может устанавливаться на пол, может — навешиваться на стену. Настенные варианты имеют емкость не более 200 литров, а в напольные могут вмещать до 1500 литров. И в том и в другом случае есть горизонтальные и вертикальные модели. При установке настенного варианта крепление стандартное — кронштейны, которые монтируются на дюбеля подходящего типа.
Если говорить о форме, то чаще всего эти устройства сделаны в форме цилиндра. Практически во всех моделях все рабочие выводы (патрубки для подключения) выведены сзади. Так проще подключать, да и внешний вид лучше. На лицевой части панели есть места для установки датчика температуры или термореле, в некоторых моделях есть возможность установки ТЭНа — для дополнительного догрева воды при нехватке мощности отопления.
По типу установки они есть настенные и напольные, емкость — от 50 литров до 1500 литров
При установке системы, стоит помнить, что система будет работать эффективно только в том случае, если мощность котла будет достаточной.
Двухнасосная схема
- В этом случае потоки теплоносителя будут перемещаться по разным транспортным магистралям при помощи циркуляционных насосов. Проще говоря котел и бойлер будут подключаться параллельно, а для их функционирования будет задействовано по циркуляционному насосу. Работа насосов опять же будет контролироваться термодатчиком нагревателя.
- Для того чтобы не было влияния между потоками теплоносителя после каждого насоса устанавливают обратный клапан.

Схема подключения с двумя насосами
В данной схеме, если включается линия ГВС, то будет отключаться контур отопления. Однако в то же время вода в бойлере имеет свойство нагреваться довольно быстро, что не позволяет батареям остывать до критичной температуры.
В некоторых случаях, если будет применяться сложная отопительная система, в которой будут задействованы два котла, отопление и ГВС будут работать бесперебойно.
Схема обвязки бойлера косвенного нагрева с рециркуляцией
Для начала необходимо выбрать подходящий размер бака. Рассчитав давление в системе отопления, так как вода нагревается посредством змеевика, необходимо учитывать размеры внутренней конструкции для проведения обвязки.
При рециркуляции жидкости в системах ГВС обеспечивается горячей водой любая точка систем без дополнительных действий по её проливанию. Чтобы это сделать, монтируются контуры, по которым протекает жидкость из бойлеров по всем системам. В конце вода вновь должна вернуться в бойлер.
Проводится рециркуляция с помощью небольших насосов. Они работают практически без звуков. Установленные виды системы дают возможность поддерживать стабильную температуру жидкости в любых точках контура по дому. Есть 3 самые распространённые схемы рециркуляции в доме:
Установка трехходовых или сервоприводных клапанов. Используется по большей части для баков напольного и настенного типа. Конструкция примечательно тем, что имеет два выхода. Один идёт на горячее водоснабжение, которое нагревает отопительное оборудования, другая на отвод воды для бытовых нужд.
Схема монтажа с трёхходовым клапаном
Установка 2-х насосов циркуляций на 1 систему. Такой тип схемы позволяет распределить поступающую воду по потокам на отопление и непосредственно нагрев жидкости в баке. Бойлеры такого типа обладают встроенными термостатами и автоматическими переключателями направления поступающей жидкости.
Монтаж двух насосов циркуляции в одной системе
Использование гидравлических стрелок. Нужны, когда в домах есть больше 2 контуров, к которым могут относиться отопление, тёплые полы, горячее водоснабжение и т.д. Она действует по принципу нагрева от всех источников теплоснабжения. Есть 1 минус, который заключается в том, что одновременно получить источник тёплой воды будет невозможно из нескольких узлов.
Применение гидравлической стрелки
Подбор схемы обвязки бойлера и подключение его к отопительной системе, учитывая способ рециркуляции, необходимо проводить в соответствии с точными расчётами потребительного объёма в системе горячего водоснабжения. Ошибка в выборе метода подключения может привести к поломке насосного оборудования или полной неэффективности всей системы рециркуляции.
Принцип работы и устройство бойлера косвенного нагрева
Принцип работы нагревательной системы бойлера косвенного нагрева и его устройство достаточно простые. В баке установлены полые спиралеобразные трубки, они же змеевки. На постоянной основе циркулируют теплоносители.
Для того чтобы была постоянная циркуляция, устанавливаются насосы, которые имеют автоматические системы контроля показания давления и температур. При достижении температурой воды заданных показателей насосы перестают работать. Источниками теплоносителей выступают работающие системы отоплений. Поэтому при нагревании содержимого в отсеке бака может быть незначительное понижение показателей температур на отопительном элементе. Стоит отметить, что нагревание жидкости в баках осуществляется в короткий промежуток времени. Это позволяет практически не замечать снижений градуса в короткий временной период.
Как только жидкость в баках дойдёт до нужной отметки температуры, этот показатель будет долго держаться на одном уровне. Понижают потерю температуры в баках современный изоляционный материал. Пенополистиролы или полиуретановые виды пены отлично справляются с этой задачей.
Схема работы бойлера косвенного нагрева
В каждом бойлере установлены 2 патрубка. Они используются для поступления и отдачи жидкости. Патрубки поступления жидкости соединяются с отопительными системами котла. Он направляет в змеевик, поступает теплоносители, что позволяет повышать температуру в баке с водой. Патрубки отдачи подают и направляют в нужное место отвода нагретую жидкость.
Советуется покупать отопительные системы и бойлеры косвенных нагревов у одних и тех же производителей. Это позволит быстро и без проблем настроить и подключить всю систему. Принцип работы подключённого к котлу бойлеров косвенного нагрева практически не отличается от обычного водонагревателя.
Что касается его устройства, то здесь также не ничего сложного. С виду бойлеры просто как большие баки, преимущественно имеющие формы цилиндров. Состоят они из следующих элементов:
- корпус;
- утеплители для удержания температуры;
- баки из оцинкованной стали;
- термометры для контроля температуры;
- теплообменник и в виде заведённых внутрь змеевиков;
- магниевые аноды позволяющие уберечь изнутри бак и элементы от образования ржавчины.
Утеплители, установленные между баками и корпусами самих бойлеров, снижают коэффициенты потери тепла до 3 или 4 градусов за 24 часа. Размещённые внутри термометры дают возможность контролировать установленные температуры жидкости в баках.
Теплообменники – это спиралевидные стальные или латунные трубки. Они располагаются внутри самих бойлеров. Практика показывает, что трубки изготавливаются сложной формы и располагаются поближе ко дну бойлеров. Как утверждают изготовители такого оборудования, это позволяет добиваться более равномерного подогрева жидкости в баке. Магниевые аноды, установленные в верхней части корпуса, защищают баки от гальванических типов коррозий.
1 Как работает бойлер косвенного нагрева с подключением к котлу отопления
Установка современных водонагревателей гарантирует подачу горячей воды в надлежащем объёме в нескольких точках разбора – в ванной комнате, на кухне и т.д. Технические характеристики выбранного бойлера должны соответствовать требованиям по водопотреблению при комфортной температуре в нужном объёме. Чтобы обеспечить быстрый нагрев за короткий срок, необходимо правильно рассчитать мощность водонагревателя. Например, при потреблении воды объемами по 500 литров в течение часа, требуется установка бака емкостью от 100 литров.

Бойлер косвенного нагрева похож на обычный накопительный
- Нагревательный котёл;
- Насос, обеспечивающий постоянную циркуляцию воды;
- Трёхходовой клапан;
- Шланг с патрубками для подключения к трубопроводной системе;
- Бойлер косвенного нагрева.
Агрегат для косвенного нагрева внешне напоминает простой накопительный бойлер, работающий от электричества, и выполняет те же задачи по созданию ГВС. Основным отличием служит используемый принцип работы с применением для нагрева отопительного котла.
В базовый комплект устройства косвенного нагрева входят:
- накопительный бак в кожухе, окруженный слоем теплоизоляции;
- змеевик, встроенный для циркуляции воды;
- Гильза для подключения температурного датчика;
- Патрубок для подключения бойлера к системе водоснажения;
- Линия рециркуляции (в некоторых моделях).

Теплоноситель пропускается по змеевику накопительного бака
Принцип работы устройства основан на нагреве теплоносителя, пропускаемого по змеевику накопительного бака. При взаимодействии с водой, происходит передача тепла от змеевика с одновременным ростом и температуры, и давления в баке. В процессе эксплуатации необходимо следить за степенью нагрева с помощью функции выставления нужной температуры, избегая предельных значений. При подключении бойлера косвенного нагрева в этом поможет использование термодатчиков. При нагреве воды термодатчик сигнализирует насосу или трехходовому клапану о достижении требуемой температуры, и вода в змеевике прекращает циркулировать. Схожий принцип лежит в основе работы датчика при остывании теплоносителя.
При подключении могут быть использованы несколько различных схем обвязки с единым принципом осуществления подачи холодного и выпуска нагретого теплоносителя: холодная вода поступает снизу в емкость для косвенного нагрева, а нагретая – выпускается к водопроводу. При проходе через змеевик нагретая вода отдаёт тепло и выходит снизу. Такой вариант подключения позволяет максимально увеличить объем нагретой воды.
Схему нагрева можно описать следующим образом: при направлении горячего потока пользователю подаваемая снизу холодная вода действует в виде поршня, и, проходя сквозь нагретый теплоноситель, холодный поток нагревается и перемещается в верхнюю часть резервуара.
Осуществление обвязки бойлера косвенного нагрева производится по принципу обвязки радиатора, отличаясь лишь в необходимости остановки циркуляции воды в змеевике после достижения нужной температуры. Для решения этого вопроса применяются трехходовой клапан или дополнительный насос, подключенные к встроенному термостату. Предусматривается возможность использования тупикового контура ГВС или циркуляционного. Первый вариант потребует дополнительного открытия крана для слива остывшей воды в трубах.
Список источников
- znayteplo.ru
- udobnovdome.ru
- TechnoSova.ru
- remoskop.ru
- openfile.ru
- canalizator-pro.ru
- obustroen.ru
- delai-remont.com
- trubexpert.ru
- stroyka.ahuman.ru
- domogreev.ru
- teplosten24.ru
7 лестниц