к по
В 63 Л 183 Н 267 Н 278
Н 270, Н 271 Н 273 Н 268
черных
|
25 |
2611 |
2911 |
|
25 |
2611 |
1311 |
|
25 |
2611 |
0313 |
|
25 |
2611 |
0711 |
|
25 |
2611 |
1511 |
|
25 |
2611 |
2311 |
|
25 |
2611 |
1113 |
|
25 |
2611 |
0521 |
|
25 |
2611 |
0811 |
|
25 |
2611 |
1711 |
Код ОКП шин
одноцветных
25 2612 2911 25 2612 1311
25 2612 0711
25 2612 1111 25 2612 1211 25 2612 0811 25 2612 0911 25 2612 1713
двухцветных
25 2612 1323
25 2612 2523 25 2612 0721
25 2612 1123 25 2Ы2 1221 25 2612 0823 25 2612 0021 25 2612 1723 25 2612 25 2612 25 2612 25 2612 25 2612
ПРИЛОЖЕНИЕ 2
Обязательное
МЕТОД ОПРЕДЕЛЕНИЯ КОЭФФИЦИЕНТА ЛЕГКОСТИ ХОДА
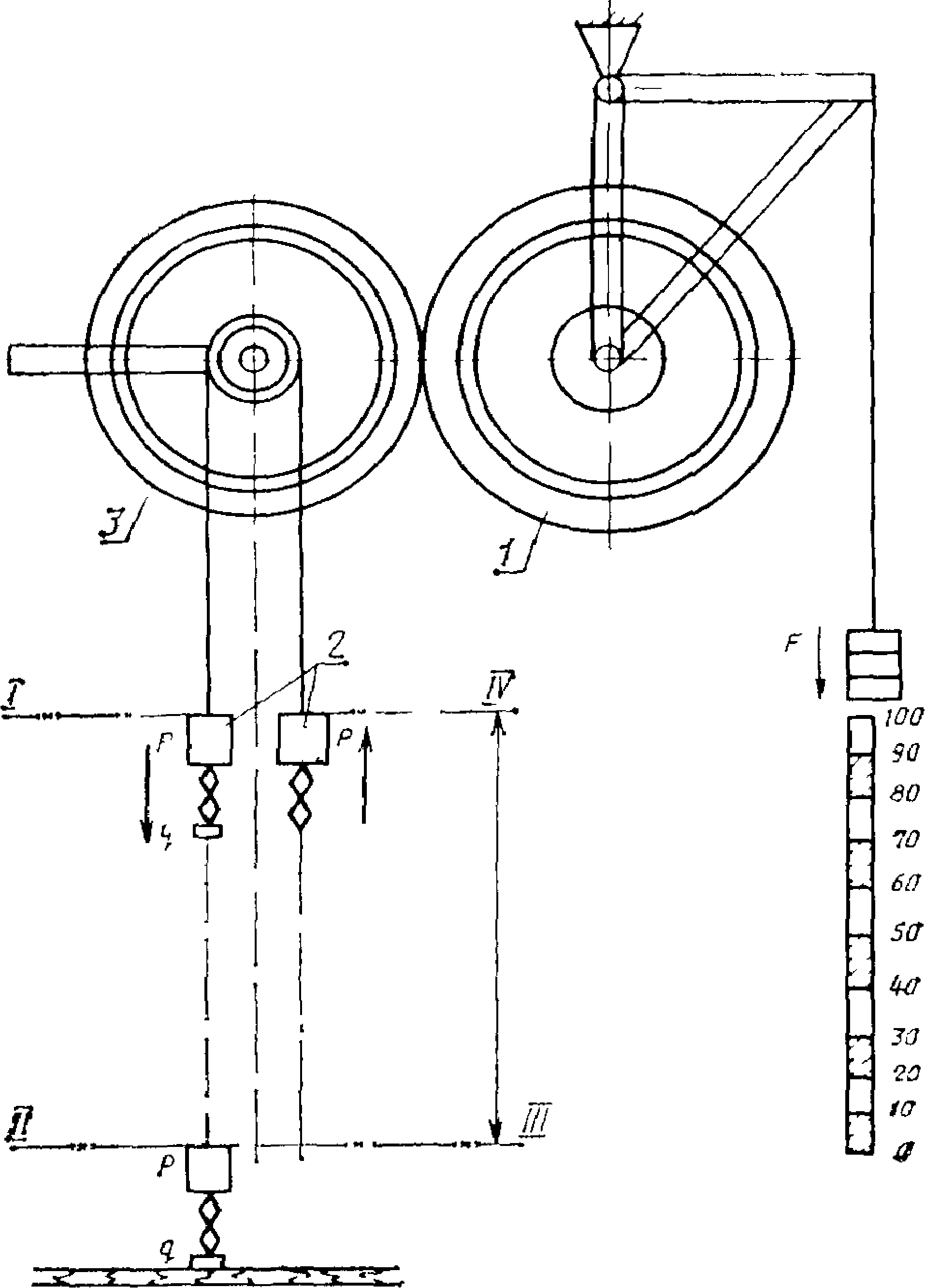
Коэффициент легкости хода шины определяют как отношение полезной работы к затраченной на преодоление силы трения качения шины по гладкому барабану
1. Аппаратура
1.1 Стенд для определения коэффициента легкости хода шин
Схема стенда представлена на чертеже
2. Подготовка шин к испытанию
2.1. Покрышка и камера после вулканизации должны выдерживаться при температуре (25±2,5)°С не менее 5 сут
2 2 Перед монтажом покрышка и камера должны выдерживаться в помещении испытательной станции в тс 1ение 12 ч при температуре (25±5)°С
2 3 Шина должна монтироваться на предварительно отцентрированный обод с радиальным и боковым биением ±1,0 мм
2 4 Шина в сборе с ободом должна крепиться на специальной вилке испытательного стенда
3. Проведение испытаний
3 1 Металлический обод должен быть закреплен в вилке испытательного стенда и прижат к металлическому барабану стенда с силой (Я), равной
(45±0,5) кг — для всех шин;
(30±0,5) кг — для шин подростковых велосипедов
К корпусу втулки барабана жестко крепится шкив На шкив наматывают нить с закрепленным на ней грузом (Р) массой (2,0±0,1) кг Длину нити подбирают так, чтобы система грузов (Я) и (^i) в крайнем нижнем положении касалась основания
3 2 Обод в сборе с шиной приводят в соприкосновение с серединой беговой дорожки барабана Убирают стопор, при этом шина должна быть прижата к барабану с силой F Наматывают вручную нить с грузами на шкив и поднимают их до положения I (см чертеж)
Отпускают систему грузов из положения I свободно падать, при этом необходимо подобрать груз qь так, чтобы после отщепления груза q (положение II) груз Я вернулся в положение IV
Подобранный таким образом груз q\ взвешивают на весах типа РП- 15Щ или ВНЦ-20 по ТУ 25 06 2068
3 3 Груз q определяют по п 3 2, при этом на обод монтируется испытуемая шина.
3.4. Коэффициент легкости хода шины (14) определяется по формуле
Я
р+я+qi

1—шииа на ободе, 2—грузы, 3—барабан
Группа Л62
Изменение Л1 \ ГОСТ 4750—59 Шины пневматические для велосипедов. Технически е условия
Утверждено и введено в действие Постановлением Государственного комитета СССР по управлению качеством продукции и стандартам от 16.04 90 № 902
Дата введения 01.01.91
Пункты 15 4, 1 5.5 Заменить ссылку ГОСТ 3916 на «ГОСТ 3916 1 или ГОСТ 3916 2»
(Продолжение см с 218)
(Продолжение изменения к ГОСТ 4750—89)
Пункты 5 2, 5 3 изложить в новой редакции «5 2 Гарантийный срок хранения шин
черного цвета — 30 мес,
цветных—12 мес с месяца изготовления
53 Гарантийный срок эксплуатации в пределах гарантийного срока хранения для шин черного цвета — 20 мес, для цветных — 12 мес со дня розничной продажи, для внерыночного потребления — с момента получения потребителем».
(МУС № 7 1990 г.)
ИНФОРМАЦИОННЫЕ ДАННЫЕ
1. РАЗРАБОТАН И ВНЕСЕН Министерством нефтеперерабатывающей и нефтехимической промышленности СССР
ИСПОЛНИТЕЛИ
А. И. Ердеев; Т. А. Кучережко; А. Т. Юрченко (руководитель темы); В. А, Шумов; Л. А. Немеровец; Ю. П. Дьяченко; Н. С. Ломанова
2. УТВЕРЖДЕН И ВВЕДЕН В ДЕЙСТВИЕ Постановлением Государственного комитета СССР по стандартам от 30.03.89 № 902
3. Срок первой проверки — 1993 г.г периодичность проверки — 3 года
4. Стандарт полностью соответствует ИСО 5775/1
5. ВЗАМЕН ГОСТ 4750—79
6. ССЫЛОЧНЫЕ НОРМАТИВНО-ТЕХНИЧЕСКИЕ ДОКУМЕНТЫ
Обозначение НТД, на который дана ссылка
Номер пункта, приложения
ГОСТ 2226—88 ГОСТ 2991—85 ГОСТ 3282—74 ГОСТ 3916—69 ГОСТ 4598—86 ГОСТ 6465—76 ГОСТ 7933—75 ГОСТ 11680—76 ГОСТ 14192—77 ГОСТ 17811—78 ГОСТ 18510—87 ГОСТ 22374—77 ГОСТ 24779—81 ГОСТ 26000—83
32 Г2 3
33
1 6 1, 4 1
1 54 1 54 1 54 1 6 1 1 53 1 6 1 1 54 1 2 1
1 6 1 1 6 1 I 5 5
15 4, 155
ОСТ 37 005 016—80
ТУ 25,06 575—77 ТУ 25.06 2068—82
3 3, приложение 2
Список источников
- allgosts.ru
7 лестниц