Нижний тэн духовки для плит beko в России
Всё было на своих местах и в очень удовлетворительном состоянии. ОК. Отсутствие быстрого результата – тоже результат. Далее пошёл по стандартной цепочке от силовых входящих распределительных клемм. По ходу цепочки проверил термостат электроплиты Мечта – без нареканий, и медленно но уверенно следуя по наглядной схеме, подобрался к переключателю мощности ПМ-16-5-01.
То, что через него не проходил ноль, я понял сразу, но не снимать переключатель, ни разгадывать ребусы зигзагов пятиступенчатого переключателя не стал, решив подготовившись, творчески подойти к процессу.
Так же, как и обнаружить с наскока неисправность духовки электроплиты Мечта, мне не удалось найти схему подключения данной чудо техники. Но нашёл важнее, режимы работы пятиконтактного переключателя мощности. Что касаемо схемы электроплиты Мечта, вопрос был решён следующим образом. Хоть и визуальная, а главное до меня никем не нарушенная схема у меня была, но сделав запрос на завод изготовитель, к своему удивлению, я довольно быстро получил ответ, а следом и монтажную схему электрической плиты Мечта 12-03, за что отдельное спасибо менеджеру Наталье, с данного производства.
Вооружившись схемами, я совершил повторную атаку на ремонт электрической духовки чудо плиты Мечта.
Мои первоначальные предположения подтвердились, неисправность скрывалась в переключателе режима духовки, а конкретней, два контакта от нагрева «поплыли» в сторону, а контактные пластины имели каленый вид от перегрева. Вердикт – переключатель мощности режимов духового шкафа Мечта, под замену.
Но, поскольку в нашем городе, таких переключателей в наличии не нашлось, только под заказ, по просьбе хозяев плиты «сделать хоть что-нибудь», поведённые отходящие контакты были восстановлены на место, посредством прогрева, а сами контактные поверхности очищены от обугливания спиртом, (к счастью их поверхность при подгорании не пострадала).
Как вариант, для временной трудоспособности переключателя мощности ПМ-16-5-01 и других из этой же серии, если «подгоревший» контакт деформировался от температуры и не замыкает контактную пластину, его можно подогнуть. По месту это сделать не получится, а сняв контактную группу с корпуса, предварительно вытащив удерживающую его контактную перемычку (указано на фото стрелкой), его возможно подогнуть.
При этом, учитывая температурную деформацию и ослабления металла, угол подгибания берите градусов на 20 больше соседних рабочих контактов. Перед установкой переключателя на электрическую плиту Мечта, убедитесь, что согласно рабочим режимам «подлеченный» контакт замыкает группу, а в остальных режимах имеется видимый разрыв.
Гарантию на такой ремонт электроплиты Мечта дать сложно, но до прихода нового переключателя мощности, она точно продержится.
В завершении своего описания по ремонту электрической плиты, выложу все схемы, что удалось найти в сети и те что прислал завод изготовитель (кстати, в моём случае фактический монтаж отличался от заводской схемы).
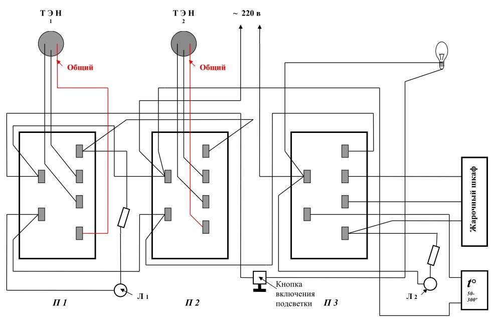
Схема контактных групп переключателя мощности ПМ-16-5-01

Так выглядит непосредственно сам переключатель духовки (да и конфорок) электроплиты Мечта:

Электрическая схема электроплиты с духовкой Мечта (хоть и двух конфорочная, но расключение проводов переключателя духовки совпадает.

Монтажная схема электрических соединений электрической плиты Мечта 8

Монтажная схема электрических соединений электрической плиты Мечта 12-03


Электрическая схема двухконфорочный плиты с духовым шкафом модели «Мечта 221Ч»
И на всякий случай, вдруг кому захочется ознакомиться:
Руководство пользователя электрической плитой Мечта 12-03
Руководство пользователя электрических плит моделей — 221Ч, 251Ч, 221Т, 251Т
Руководство по эксплуатации и обслуживанию Мечта 12-06
Паспорт электроплиты Мечта 15M
Инструкция по эксплуатации и обслуживанию Мечта 29
Руководство по эксплуатации и обслуживанию моделей — Мечта 341Т, 341Ч
Руководство по эксплуатации электроплит — Мечта 443Ч, 443Ч-01, 443Ч-02, 443Ч-03
Инструкция по эксплуатации газоэлектрической плиты Мечта 450 ГЭ, 450-01 ГЭ, 451 ГЭ
Руководство по обслуживанию, характеристики комбинированных плит Мечта 221 ГЭ, 221-01 ГЭ, 251 ГЭ, 251-01 ГЭ
Инструкция, характеристики настольных электроплиток Мечта 111, 111Т, 112, 112Т, 211, 211Т, 212, 212Т
Паспорт по эксплуатации и обслуживанию электроплиты Злата 231Т (Мечта)
У кого возникнут вопросы по ремонту электроплиты Мечта, пишите на почту: rsm-omsk@mail.ru — я обязательно отвечу и помогу чем смогу.
Неисправности электроплит с индукционными конфорками
Не все неисправности в работе индукционной электроплиты являются поломками, некоторые, кажущиеся неполадки, представляют собой отклонения от правил при эксплуатации.
Конфорка индукционной электроплиты плохо греет
Возможно недостаточный нагрев происходит из-за неправильного расположения посуды, либо из-за того, что дно посуды по диаметру меньше конфорки и прилегает к ней неплото. Подобрав подходящую посуду для индукционной плиты, Вы избавитесь от данной проблемы.
Если с посудой все в порядке, возможно причина неисправности в неплотно прилегающем блоке конфорки с другой стороны стеклокерамики. Регулировка прижимающих пружин устранит данную неисправность.
Также такой симптом может быть вызван перегревом индукционной обмотки.
Не работает конфорка индукционной плиты
Проверьте правильно ли происходит эксплуатация индукционной электроплиты. При включении электроплиты необходимо выбрать конфорку, а затем установить мощности. Использовать подходящую для электроплиты посуду. Дно посуды должно быть ровным и соответствовать диаметру конфорки.
В случае, если правила эксплуатации соблюдаются, возможно неисправен датчик температуры конфорки, датчик подлежит замене.
Недостаточно плотное прилегание индукционной конфорки к стеклокерамике, также может быть причиной ее неработоспособности.
Не греет пара левых конфорок электроплиты – возможно нарушение соединения конфорок с платой питания и блоком управления. Неисправность блока управления, неисправность блока индукционной конфорке. Обнаруженные при диагностике неисправные детали, заменяются.
Не греет пара правых конфорок электроплиты – возможно отошли контакты на клеммной коробке и предохранителе, вероятна необходимость замены предохранителя. Также возможны проблемы с блоком питания, управления и блоком самой конфорки.
ЖК дисплей работает некорректно
За работу сенсорной панели отвечает блок управления, при сбоях в работе дисплея необходимо проверить и при необходимости заменить соединительный шлейф.
Если соединение сенсорной панели с блоком управления – исправно, в замене нуждается сам бок управления.
Индукционная электроплита не включается
Возможно из строя вышел сетевой выключатель или плавкий предохранитель. В том числе есть вероятность, что нарушены контакты между платой питания и блоком управления, а также между блоком управления и сенсорной панелью. Устранение неисправности – замена сенсорной панели, замена блока конфорок.
Вышел из строя индикатор остаточного тепла
Причина: неисправность датчика температуры конфорок или блока управления. Устранение: после диагностики замена неисправного элемента.
Вентилятор работает постоянно или не работает совсем
Данная неисправность электроплиты скорее всего связана с блоком управления, после диагностики замене подлежит либо неисправный вентилятор, либо блок управления.
Конструкция и устройство плиты
Обычно все электроплиты имеют идентичное строение. Различия заключаются только в частных деталях тех или иных узлов:
- Варочная поверхность. Это верхняя часть устройства с конфорками. На ней происходит приготовление пищи. Она может быть выполнена в виде отдельных конфорок из чугуна или металлических нагревательных тенов. Также на ней может быть стеклокерамическое покрытие (как ремонтировать плиты из стеклокерамики?).
- Панель управления. На ней располагаются основные ручки-регуляторы температуры для каждой конфорки и отдельно для плиты.
- Блок управления духовкой. Чаще всего это самостоятельное программируемое устройство.
- Духовой шкаф. Большая часть электроплиты, температура в которой может достигать 300º. Духовка может дополнительно оснащаться внешним нагревательным теном (грилем) и вентилятором, для создания конвекции.
- Нижняя открытая полка. Служит для хранения противней, решеток, и прочего мелкого кухонного скарба. В том числе выполняет функцию воздушного барьера, который защищает полы помещения от чрезмерного нагревания.
- Металлические стенки. Задние и боковые стальные листы, закрывающие внутренности электроплиты от попадания влаги, грязи и прочего сора.
Важно
Внутри электроплиты есть множество проводов питания, которые подходят как к конфоркам, так и к духовому шкафу. Важно не перепутать их во время ремонта, и по окончанию работ подключить по своим местам
Как проверить тэн в электроплите
Для диагностики тэнов электрической плиты используется мультиметр. При этом проверяется такой показатель как сопротивление. Величина данной характеристики соответствует нескольким сотням Ом. В случае если величина сопротивления будет занижена, это говорит о возникновении в нем короткого замыкания. При показании равном бесконечности, будет ясно, что произошел обрыв элемента. Данные ситуации, описанные выше, предусматривают замену неисправного нагревательного инструмента.
Конфорки электрической плиты обладают четырьмя выводами. При этом в них заключаются два нагревательных компонента. Эти компоненты обладают различными размерами мощности и сопротивления.
Тэны не должны быть взаимосвязаны с корпусом. Для такого обследования нужно переключатель мультиметра переключить на диапазон, который соответствует зуммеру. Один из щупов присоединяется к выводу тэна, второй проводник подсоединяется к поверхности электроприбора. Если прозвонка издаст сигнал, значит, произошла утечка тока. Такой компонент также требует замены на исправный.
Основные признаки неисправности
Любая поломка приводит к тому, что дверца перестаёт держаться, фиксироваться или нормально закрываться. Причины таких неисправностей разные, но сначала стоит перечислить все видимые признаки необходимости ремонта:
Дверца косо прилегает к само́й плите. Достаточно редкий случай, однако иногда бывает, что может перекоситься дверца и даже сама плита, если она стоит на неровной поверхности. Искривлённую придётся заменить, а вот ножки плиты можно отрегулировать по высоте.
Болтается или «ходит» слишком свободно. Это происходит из-за изнашивания петель, на которых держится дверь. Винты на петлях можно подтянуть обычной отвёрткой. Иногда приходится разбирать для замены петель на новые. В петельном устройстве есть пружины, которые нужно подтянуть или заменить.
Нормально закрывается, но не фиксируется. Признак относится только к тем плитам, на которых установлен фиксирующий замок. При его износе или поломке придётся ставить новое фиксирующее устройство.
Плохо закрывается, при этом на её границах и корпусе плиты видна грязь
Банальная причина, однако хозяйки редко обращают внимание на чистоту области, которая прилегает к духовке. Плиту нужно просто хорошо почистить и вымыть.
Резиновый уплотнитель в некоторых местах деформировался или загрубел
Резина тоже изнашивается, а любые шероховатости уплотнителя приведут к тому, что дверь будет прилегать к корпусу недостаточно плотно. Такой уплотнитель придётся заменить. Духовка будет закрываться, как новая.
Дверцу приходится закрывать с силой. Виной тому также может быть уплотнитель, который часто выскакивает из специальной канавки. Нужно поместить резиновую прокладку обратно в жёлоб и убедиться в том, что она надёжно зафиксировалась на своём месте.
Вы не можете закрыть дверку плотно, так как что-то этому мешает. Если все детали духовки и дверцы в порядке, то стоит осмотреть уплотнитель. Возможно, внутрь него случайно завалился какой-то твёрдый предмет, который препятствует нормальному прилеганию.
Не открывается. Такое иногда происходит на дорогих многофункциональных плитах. Например, духовка блокируется, если активировать защиту от детей или поставить её на самоочистку. Обычно дверку можно разблокировать, но иногда для этого приходится выполнять сложную последовательность действий, прописанную в инструкции к плите.
Совет
Если ничего не помогает, то плиту можно отключить от электропитания — так её блокировка немедленно исчезнет. Иногда причиной блокировки становится поломка самого́ замка или электронного блока управления. Тут нужна помощь мастера.
Многие неисправности возникают по несущественным причинам, можно устранить их самостоятельно. В крайнем случае приходится разбирать дверцу и менять неисправные детали. Если недостаточно опыта или знаний, лучше доверить ремонт мастеру.
здесь
Советы специалистов
На некоторых моделях плит стекло приклеивается на герметик. В подобных ситуациях стекло вынимают при нарушении его целостности. Чистить придётся вместе с само́й дверкой. Конечно, такую дверь тоже можно разобрать и приклеить новое стекло, но для этого требуется специальный клей, предназначенный для ремонта бытовой техники.
При замене старого уплотнителя нужно почистить жёлоб, в котором он находился, и только после этого вставлять новую резиновую прокладку.
Чтобы плита прослужила вам как можно дальше, её нужно бережно эксплуатировать. Нельзя открывать духовку с силой. После каждого приготовления пищи её нужно вымыть, не дожидаясь большого скопления мусора.
Хозяйки часто жалуются на проблемы с дверкой духовки: в силу каких-то причин она плохо закрывается, что мешает нормальной эксплуатации плиты и качественному приготовлению еды. Большинство проблем можно устранить своими силами, даже если придётся снимать дверцу и разбирать её крепления.
Диагностика компонентом (элементов) духовки
Формула для вычисления сопротивления исправного ТЭНа. Сетевое напряжение (на которое рассчитан ТЭН) в квадрате и результат разделить на мощность ТЭНа. Пример – напряжение 230 вольт, мощность 1600 ватт. Сопротивление этого ТЭНа будет равно 33 Ома. Упрощенно можно считать что ТЭН мощностью 1.5 кВт должен давать сопротивление в районе 30 Ом.
Общее правило по сопротивлению элементов – чем выше мощность элемента, тем ниже его сопротивление.
Термостат циклический тоже проверяется на сопротивление. Исправный термостат должен давать цепь (быть замкнутым) в выключенном состоянии и размыкать цепь при включении (при добавлении температуры).
Термостат аварийный (защита от перегрева). В нормальном состоянии должен быть замкнут. При высокой температуре должен размыкаться.
Общее правило проверки сопротивления элементов:
-
Сетевое питание должно быть отключено.
-
Перед проверкой сопротивления элемента, нужно снять один из проводов, который к нему подключен. Чтобы исключить влияние других элементов системы.
Наиболее распространенные типы поломок
Неисправность контактов. Это можно выявить при визуальном осмотре “внутренностей” устройства. Провода и контакты могут обрываться, оплавляться или просто отходить от мест соединений. Для устранения этой неполадки достаточно заменить неисправные элементы, подключить их обратно или “срастить” при помощи изоленты. Если повреждена изоляция проводов, то ее можно восстановить специальными термостойкими трубочками (термоизоляционными).
Неисправность нагревательного элемента (для электроплит старого типа). Для данной поломки характерно то, что не работает только одна (реже две) конфорка. Сначала снимается общая панель, далее металлическая опора, поддерживающая элемент, затем монтажная планка. Переверните монтажную планку, при этом старайтесь не перекручивать и сильно не натягивать идущие от нее провода. Зарисуйте положение электропроводов (это необходимо для того, чтобы потом снова правильно их подключить) и снимите их при помощи плоскогубцев. Подключите устройство к сети. Мультиметром измерьте напряжение в месте контактов нагревательного элемента. Если показания сильно отклоняются от нормативных или равны бесконечности, то данная конфорка подлежит замене.
Неисправность переключателя (для моделей с регулировкой режима нагрева). Начните медленно поворачивать ручку переключателя. Когда он достигает отметки первого режима, раздается характерный щелчок. То же происходит и при вращении ручки в сторону выключения. Если щелчка не слышно, то переключатель неисправен и требует замены. Для этого снимите заднюю панель устройства и открутить шурупы, крепящие данный элемент. Если переключатель имеет ступенчатую регулировку, то проверить исправность его работы можно при помощи мультиметра (при этом устройство необходимо подсоединить к сети).
Неисправность других элементов цепи. Если внешние повреждения проводов/контактов не были обнаружены, конфорки и переключатели исправны, то проблема может заключаться в других элементах устройства. Для проверки нужно подключить панель к сети, включить ее на полную мощность и мультиметром последовательно проверить всю схему, начиная с регулятора и заканчивая конфоркой. На неисправном участке прибор будет показывать значения равные бесконечности или сильно отличные от нормы (220 В)
ВНИМАНИЕ! Нельзя касаться руками оголенных проводов и контактов. Предварительно заизолируйте их или удалите на значительное расстояние, чтобы случайно не задеть
Устройство электроплит
Электрическая плита представляет собой довольно внушительное устройство, которое включает в себя огромное количество сложных с технологической точки зрения компонентов. Несмотря на это, плита характеризуется простой конструкцией, а главное, рабочие элементы располагаются в самом корпусе, который изготовлен из нержавейки. Принцип работы подобного устройства практически ничем не отличается от других бытовых приборов, которые работают на электричестве.


Главная задача по обеспечению работоспособности ложится на нагревательные элементы, которые прогреваются до определенной температуры благодаря использованию тока. На поверхности каждой плиты имеется определенное количество конфорок, число которых варьируется в зависимости от модели и особенности самой плиты. Стандартная версия оснащается четырьмя конфорками, однако, можно увидеть варианты с двумя или шестью.


Строение конфорок является уникальным у каждого производителя и может выглядеть совершенно по-разному. Классическим вариантом считается, если конфорка выполнена на эмалированной поверхности, а нагревательный ТЭН располагается внутри. Кроме того, на современном рынке можно увидеть варианты, где поверхность полностью выполнена из керамики или туда уже встроены нагревательные элементы. Среди основных видов конфорок, которые можно увидеть у электрических плит, можно выделить следующие.
Старые российские варианты, в процессе производства которых использовался чугун. Подобные электрические конфорки не могут похвастать быстротой нагрева, а также достаточно оперативно остывают, в результате чего на кухне создается некий паровой эффект. Особенность подобной плиты заключается в том, что она не портится из-за воздействия влаги или высокой температуры.








Особенность всех представленных на современном рынке электрических плит заключается в том, что для передачи тока они применяют силовой провод с особым сечением. Кроме того, конструкция включает в себя специальные регуляторы температуры, которые гарантируют надежную защиту от перегрева. В зависимости от модели электроплиты уровень и скорость нагревания могут происходить по-разному. У некоторых это осуществляется при помощи изменения вручную, а другие оснащаются особыми таймерами и термодатчиками, которые позволяют измерять температуру в автоматическом режиме или полностью отключать устройства при необходимости.

Важные предупреждения
Перед началом работы не забудьте отключить духовку от электросети питания.
Выясните, где расположен ТЭН в вашей духовке и как он закреплен. Такую информацию, можно например найти в Интернет или запросить в техподдержке производителя. Это можно сделать даже визуально, начав осмотр изнутри духовки и при необходимости, снять заднюю крышку корпуса.
Если вы не специалист по ремонту духовок – прежде чем снимать старый ТЭН, запишите или сфотографируйте расположение проводов между электрическими элементами. Чтобы при сборке не перепутать подключение проводов.
Если контакты и крепеж ТЭНа расположены сзади корпуса, то сначала нужно отсоединить провода, а потом откручивать винты крепления ТЭНа
Но если ТЭН крепится внутри доховки, тогда сначала окручивать винты крепления, затем осторожно, на небольшое расстояние вытащить ТЭН и после этого отсоединить провода питания
Обычно электрические провода подключаются ТЭНы через специальные плоские разъемы, которые напрессованы на проводах питания. При отключении такого провода тянуть нужно за сам разъем, а не за провод. Если вы будете тянуть за провод вы можете выдернуть провод из разъема.
Как устранить неисправности?
Конфорки
Чтобы починить конфорку, необходимо действовать по следующему алгоритму:
- Необходимо сначала убрать заземление. Для этого нужно открутить гайку.
- Если в технологических условиях прописано усложнённое конструктивное устройство, значит, кроме гайки, придётся убрать специальное кольцо или скобу. Эти детали плотно прижимают гайку к основанию.
- Конфорка может крепиться соединением из резьбы или прикрепляться через специальное отверстие. В первом варианте нужно смазать резьбу подсолнечным маслом выкрутить из корпуса. Для второго случая нужно запастись отвёрткой и вынуть конфорку.
- При старой модели конфорки лучше сразу вытащить и выбросить. На их место поставить более современные и экономичные образцы, которые будут подходить по габаритам.
- Исправные конфорки, но с дефектом нагревания бывают из-за нарушения в блоке управления. Механические регуляторы пропускают через себя большой мощности ток. Даже надёжные контакты после такого влияния могут образовывать на своей поверхности нагар. Счищается он обыкновенной наждачной бумагой.
Переключателей
Отремонтировать ли или заменить переключатель на новый зависит от степени его неисправности. Если провернуть регулятор и не услышать характерных щелчков, то это свидетельствует о незначительной поломке детали. Чтобы осуществить оригинальную проверку состояния переключателя нагрева, его располагают в среднее положение и подают напряжение на плиту. В этот момент должна сработать автоматика защиты. Обычно включение и выключение выполняется через каждые 30 секунд.
Перед тем как снимать ручки, нужно изучить инструкцию. У некоторых моделей (Gefest, Kaiser) они неразборные. Если все же ручки съёмные, то сначала снимаются регулирующие снаружи, а только потом откручивается передняя панель.
Чтобы добраться до сломанного регулятора, необходимо снять установленную под плитой планку. Если щелчка не слышно при включении реле, то проверяют наличие сигнала. Если его нет, то проблема — в микропроцессоре или каскаде на выходе.
Внимание
Для ремонта электронного блока понадобится изучить схему его строения и уметь разбираться в сложностях, технических составляющих плиты
Сенсорных датчиков
Чтобы заменить неисправный сенсорный датчик, нужно отключить электричество и переключить ручку от положения выключения до минимального нагрева. Должен раздаться щелчок, который говорит о срабатывании термостата. При отсутствии этого сигнала понятно, что регулятор неисправен.
Чтобы провести окончательную проверку и убедиться в поломке сенсорного датчика, термостат откручивают до среднего положения, а затем включают питание. При правильной работе датчика происходит включение/отключение питания каждые 30 секунд.
Приступая к ремонту электроплиты из стеклокерамики своими руками, необходимо приготовить:
- мультиметр;
- набор крестообразных и плоских отвёрток;
- плоскогубцы;
- кусачки.
Для работы нужна термоусадочная трубка с монтажным ножом и мелкозернистой наждачной бумагой. Перед работами необходимо взять:
- пробник напряжения;
- набор гаечных ключей;
- фонарь;
- пинцет;
- молоток.
Варочной панели
Ремонт варочной поверхности зависит от причины неисправности. Актуальны следующие случаи:
- Нет сигнала включения варочной панели из-за отсутствия напряжения в розетке или неисправности её деталей. Мультиметром проверяется работоспособность розетки и сигнал тока, от неё исходящий. При отрицательном тесте проверяют предохранитель, который может перегореть из-за разрыва контактов, перетирания или передавливания шнура или из-за поломок ТЭНа.
-
Одна или две конфорки варочной панели могут отказывать в работе из-за обрыва контактов нагревателя. Их нужно просто спаять. А перегоревший ТЭН меняют на новый. Переключатель блока управления подлежит ремонту или замене на новый.
Совет
Плохой нагревательный эффект связан с плохой передачей сигнала к оборудованию через ТЭН. При этом могут быть повреждены термостат и терморегулятор. Термостат подлежит обязательной замене, а другие детали можно починить самостоятельно. - Проблемы с перегревом плавкого предохранителя или нерабочее состояние сенсора. Мультиметром устанавливают причину и место разрыва. Блок управления прочищают солевым раствором, чтобы привести его в рабочее состояние.
Поиск неполадок
Перед тем как начать искать основную причину неисправности и начинать ремонт, необходимо провести поверхностную диагностику. Благодаря ей удастся определить наиболее вероятные причины поломки данного оборудования. Если к сетевому напряжению нет никаких претензий, а устройство после включения всё равно не работает, то нужно удостовериться в работоспособности самой розетки. Не исключено, что она отличается иной мощностью, чем необходимо, или же просто её контакты износились. Если проблема заключается в этом, то необходимо будет просто заменить розетку и установить оптимальный вариант.

Очень часто случается так, что в электрических плитах, которые оснащаются механическими контроллерами и переключателями, лампочка не работает, а спустя некоторое время перестает функционировать и плита. Поверхностная диагностика позволит определить без разборки корпуса, что основная причина выхода из строя заключается именно в переключателе, который нужно будет просто заменить, чтобы устройство могло функционировать в полном режиме.

Если в процессе первичной диагностики выявлено, что определённые части нагревательных элементов всё ещё функционируют, однако, не могут похвастать стопроцентной отдачей, то, скорее всего, неисправность можно будет обнаружить в целостности сетевого шнура
Кроме того, необходимо будет пристальное внимание уделить переключателям конфорок, которые также могут привести к подобным проблемам


Очень редко случается так, что все конфорки перестают работать в один момент. Такое может произойти только из-за быстрого скачка напряжения, из-за чего перегорают электрические детали и провода. Именно поэтому, если все конфорки не работают, то в первую очередь необходимо убедиться в том, что они получают напряжение на контроллер. Только после того, как вы убедитесь в том, что электрическая плита получает необходимое количество тока, но при этом не работает, можно разбирать конструкцию и приступать к ремонту.


Панели с цифровым управлением
Варочные панели с цифровым управлением при неисправности часто выводят на экран код ошибки. Посмотреть ее значение можно в прилагающейся к устройству инструкции. В целом ремонт таких электроплит схож с ремонтом более старых моделей. Для них характерны такие же типы поломок (перечислены выше). Если сбой произошел в системе управления или вы не знаете, как убрать ту или иную ошибку, то рекомендуется обратиться к специалисту.
Часто встречающиеся коды ошибок:
- F0. Неисправна сенсорная панель.
- F1. Поломка цепи таймера.
- F2. Превышена температура внутри устройства.
- F3. Обрыв датчика.
- F4. Короткое замыкание датчиков.
Помните, что в зависимости от модели техники значение кодов ошибок может различаться. Если указание на них вы не нашли в инструкции, то поищите лист за панелью управления. При неуверенности в правильном определении поломки электроплиты или варочной панели также рекомендуется обратиться к мастеру. Специалист поможет достоверно выявить причину поломки и грамотно устранить ее.
Список источников
- okcomfort.com
- peterburgremont.ru
- stroy-podskazka.ru
- energycraft.org
- uzotoka.ru
- shtyknozh.ru
- adiutor.ru
7 лестниц