Для каких помещений лучше всего подходит?
Настенные газовые котлы Navien Deluxe 24k предназначены для обогрева жилых или общественных (производственных) помещений площадью до 240 м2.
Они не используются в промышленных цехах, имеющих высокие потолки и нуждающихся в других способах отопления.
Эти котлы являются наиболее распространенными образцами для использования в коттеджах и частных домах, поскольку способны обслуживать площадь двухэтажного дома или коттеджа средней величины.
ОБРАТИТЕ ВНИМАНИЕ!
Большинство пользователей приобретает такие агрегаты для домов меньшей площади, что не всегда дает ожидаемый эффект. Чрезмерная мощность котла иногда создает нежелательный эффект частого включения-отключения устройства, вследствие чего происходит быстрый износ узлов котла и преждевременный выход их из строя.

Сервис
Помимо поддержания оборудования в работоспособном состоянии, своевременное техническое обслуживание позволяет поодерживать в оптимальном состоянии рабочие параметры оборудования, а это позволяет экономить энергоресурсы. Ведь в процессе эксплуатации КПД практически любого технически сложного устройства будет неизбежно снижаться.
Наша компания имеет в оснащении сервисных бригад весь арсенал необходимого оборудования и инструментов для проведения технического облуживания систем отопления, вентиляции, кондиционирования на самом высоком профессиональном уровне.
32 007
₽
Купить в 1 клик
В корзину
Частые неисправности и их решение
Ошибки в работе котла отображаются соответствующими кодами на панели управления.
В их числе:
- Е01. Перегрев котла. Возникает при выходе из строя циркуляционного насоса, реже при загрязнении фильтра теплоносителя.
- Е02. Ошибка циркуляции теплоносителя. Свидетельствует об образовании протечек системы или самого котла (соединений).
- Е03. Отсутствие пламени на горелке. Свидетельствует либо о выходе из строя катушек розжига, либо об отсутствии газа в системе.
- Е04. Паразитное пламя. Возникла утечка газа или проскакивает искра между датчиком пламени и электродами розжига.
- Е05, Е06. Обрыв (КЗ) датчика температуры ОВ (отопительной воды). Возникает при замыкании контактов, чаще всего из-за наличия конденсата или иной влаги на плате с датчиком.
- Е07. Отказ датчика нагрева ГВС. Требуется проверить контакт или качество присоединения датчика.
- Е08. Короткое замыкание датчика нагрева ГВС. Требуется замена датчика или всего контроллера.
- Е09. Отказ (сбой) вентилятора. Проверить контакты, при необходимости — заменить вентилятор.
- Е10. Сбой работы системы дымоудаления. Обычно возникает из-за закупорки дымохода льдом от конденсата.
ОБРАТИТЕ ВНИМАНИЕ!
Существуют и другие коды ошибок, возникающие при появлении определенных проблем. Полный перечень можно изучить в руководстве пользователя на данное устройство.

Основная характеристика
Корейские производители позаботились об удобстве потребителей и выпустили обширный модельный ряд отопительных систем. Оборудование отличается высокой надежностью и доступной ценой. Особенности газовых котлов Навьен:
- Аппарат оснащен схемой регулировки, которая позволяет избежать проблем, связанных с перепадами напряжения в сети. Такая функция защищает систему от поломок при ложном запуске датчиков. Эта функция очень полезна, поскольку напряжение в энергосети не всегда стабильно.
- Отопительная система способна стабилизировать свою работу при снижении давления подачи до 4 бар.
- Аппарат не замерзает даже при отсутствии подачи газа. Имеется насос для принудительной циркуляции воды.
- В системе присутствует двойной теплообменник, предназначенный для нагрева теплоносителя и воды. Предварительное нагревание можно запрограммировать.
- Электроника отличается простотой и удобством.
Газовый котел Navien:
Разновидности оборудования
У компании Навьен очень широкий ассортимент, включающий напольное и настенное оборудование. Агрегаты могут нормально функционировать даже при нестабильной подаче топлива и электроэнергии. Модели имеют функцию турбонаддува и оснащены защитной системой от замерзания.
Напольное оборудование идеально подходит для загородных домов. Оно качественно отапливает помещение и обеспечивает его горячей водой. Агрегаты просты и компактны. Встречается конденсационное оборудование. Такие аппараты значительно сокращают расходы на отопление дома.
Виды котлов Navien: Большой популярностью пользуются следующие модели Navien: Ace (Эйс), выпускаемые с различным уровнем мощности, например, 16 k или 20 k, Deluxe (Делюкс), Prime (Прайм).
Новая модель Deluxe
Navien Delux — это новейшая отопительная система, которая пришла на смену Ace. Эта модель имеет закрытую камеру сгорания и турбину для принудительного отвода дыма. Особенности оборудования:
- Увеличенная защита от замерзания. При температуре -6 градусов включается автоматическая горелка, а при -10°С активируется циркуляционный насос, позволяющий теплоносителю непрерывно двигаться.
- Вентилятор с регулируемым количеством оборотов. Скорость турбины меняется в зависимости от показания датчика воздушного давления.
- Отопительная система создана из нержавеющей стали, которая отличается гораздо более длительным сроком работы по сравнению с другими материалами.
- Защита от воздействия перепадов напряжения в сети и возможность эксплуатации при низком давлении воды и теплоносителя.
Газовый котел Navien Deluxe:
Вся работа совершается с помощью отдельного пульта. На нем отображается индикатор температуры и разная информация о текущем состоянии прибора, в том числе коды ошибок и неисправностей.
Также присутствует датчик воздушного давления, которой не только проверяет тягу, но и оповещает об обратной тяге и отправляет данные для порционного контроля на пульт управления.
Если в дымоходе был образован избыток давления, газ перестанет перемещаться в горелку, и котел временно остановится.
Navien ошибка 02:
Инструкция по подключению
Установка котла не отличается большой сложностью. Требуется выбрать место на стене и установить крепежные элементы.
Стена должна быть капитальной, способной нести около 30 кг нагрузки. Не следует устанавливать котел на перегородки из гипсокартона и подобные им ненадежные поверхности. В качестве крепежей используются анкерные болты, надежно удерживающие конструкцию на стене.
При установке рекомендуется использовать резиновые демпферные панели, смягчающие гул и препятствующие его распространению по всем помещениям через конструкции дома.
Для подключения к электросети отводится отдельная розетка, без возможности подключения других приборов потребления.
Для подключения газа и воды используются соответствующие присоединительные элементы. Необходимо использовать штатный дымоход, который изготавливается специализированно для подобного оборудования и приобретается отдельно.
В целом, установка котла заключается в установке на стену и подключении газа, воды и электропитания.
Основные монтажные работы заключаются в создании системы обогрева дома и установке разводки до точек водоразбора (санузел, ванная, кухня). Эти работы могут быть произведены отдельно, чаще всего их делают предварительно, чтобы после установки котла можно было сразу начинать пользоваться им.

Настройка
«Навьен» запрограммирован на зимний (отопление и ГВС) и летний (ГВС) режимы функционирования — со значками «Снежинка» и «Солнышко». Регулировка температуры в сети на ЖК-пульте выполняется, когда на нем горит пиктограмма «радиатор». В одних вариантах запускают «Режим отопления», в других прокручивают ручку. Мигающий светодиод фиксирует установленную температуру воды.

Если же значок просто горит без пульсации – отображается фактическая температура в сети. Выбрав значок, через «+» или «-»,увеличивают или уменьшают температуру. Через пару секунд светодиод прекращает мигать и покажет реальную температуру. Регулируют температуру отопления от 40.0 С до 80.0 С. Если она установлена неправильно высветится код ошибки.
Обратите внимание! Регулировка температуры ГВС осуществляется аналогичным образом, только на пульте пиктограммы с краном, диапазон от +30 до +60 С
Режимы работы
Как и многие отопительные приборы, котлы Навьен имеют зимний и летний режимы работы. На дисплее кнопка смены режимов обозначается пиктограммой «Снежинка» и «Солнышко».
Нажимая эту кнопку повторно, можно менять варианты:
- Зимний режим задействует отопление и горячее водоснабжение.
- Летний – это только ГВС для хозяйственных нужд.
Отрегулировать температуру теплоносителя на пульте можно тогда, когда на дисплее загорается значок с радиатором отопления.
В одних моделях для этого нужно нажимать кнопку «Режим отопления», в других поворачивать ручку с данной пиктограммой.
Мигающий значок радиатора означает, что цифры, которые Вы видите, показывают установленную t теплоносителя.
Если же «радиатор» просто горит – отображается действительная температура в отоплении.
Выбрав «радиатор», нужно нажимать клавиши «+» или «-», чтобы увеличить или уменьшить температуру. Через несколько секунд после того, как установлена желаемая температура, значок радиатора перестаёт мигать, и на дисплее появятся данные о том, какая t теплоносителя сейчас, и прибор начнёт постепенно нагревать его (или охлаждать) до выбранной.
Особенности конструкции
По конструкции котлы Навьен бывают настенные и напольные
Классический газовый котел из Кореи конструктивно состоит из следующих обязательных узлов:
- независимый теплообменник, считающийся первичным и изготавливающийся из меди или нержавеющей стали;
- второй теплообменный агрегат, являющийся дополнительным к первому, делается на основе нержавейки;
- камера сгорания, оснащенная газовой горелкой, а также объединенная с основным теплообменником;
- классический расширительный бачок;
- перекачивающий насос;
- специальный 3-ходовый клапан;
- вентилятор наддува (устанавливается только на 2-хконтурных моделях).
Особенности эксплуатации котлов «Навьен»
Navien — бытовые двухконтурные котлы с открытым или закрытым топочным устройством служат для отопления жилых и общественных помещений и нагрева воды для бытовых и технических целей.

Управление котла русифицировано и адаптировано под реальные режимы работы российских инженерных систем.
Механизм APS обеспечивает стабильный процесс горения топлива при минимальном потреблении. Дутьевой вентилятор для подачи воздуха и создания рабочего напора газовоздушной смеси имеет разноскоростные режимы работы и позволяет оператору контролировать скорость вращения для полноты горения, предотвращая конденсацию.
Комплектация котлов Navien:
- Циркуляционный насос;
- универсальные теплообменники для отопительного контура и системы ГВС;
- автоматика безопасности;
- расширительный бак;
- выбор отопительного режима и таймер для остановки агрегата;
- котел Navien, инструкция по наладке и эксплуатации.

Преимущество применения отопительного агрегата – горелка с предварительным смешиванием газовоздушной смеси имеет диапазон модуляции 30-100%.
Устройство и основные элементы котла
Важно знать свой котёл, чтобы выполнять простейшие действия по его обслуживанию. Хотя модель от модели может отличаться, в корпусе можно найти основные элементы:
- камеру сгорания;
- теплообменник;
- расширительный бак;
- газовую горелку;
- циркуляционный насос;
- блок управления.
Особое внимание нужно уделить устройству нижней части корпуса, так как здесь производится подключение входов и выходов контуров, и располагаются другие важные детали

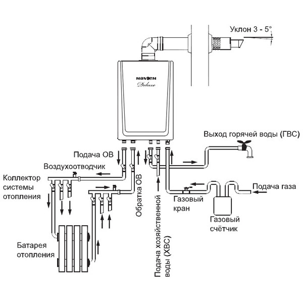
Схема котла Навьен
Ближе к стене есть 4 соединительных патрубка:
- Вход подачи.
- Вход обратки (с предохранительным клапаном).
- Выход горячего водоснабжения.
- Холодная вода.
Дальше небольшой патрубок подачи газа.
Перед входом обратки располагается фильтр горячей воды, а ещё ближе – сливная заглушка.
Перед выходом ГВС располагается подпиточный кран, при помощи которого система заполняется водой.
Если же продолжается падение температуры, и она доходит до -6°, срабатывает горелка, которая подогреет воду до +21°.
Диагностика оборудования
Ошибка 02 формируется электронным модулем котла Навьен в случае отсутствия сигнала с датчика (реле протока). Это может быть как следствием уменьшения объема теплоносителя, так и резкого снижения скорости его циркуляции в контуре.

Измерительный прибор
Датчик давления редко выходит из строя: комплектующие котлов Навьен отличаются высокой надежностью. Наиболее вероятная причина ошибки 02 – проблема в сигнальной линии: обрыв, замыкание проводов (на корпус, между собой), окисленные или ослабленные контакты. Проверить и устранить обнаруженный дефект несложно.
Циркуляционный насос
Поломка, некорректная работа помпы – все это инициирует появления ошибки 02 котла Навьен. Особенно часто проблемы с насосом возникают при использовании воды неподготовленной должным образом: повышенной жесткости, плохо очищенной.

Замена насоса газового котла Navien Deluxe 16 K
Что проверить
- Напряжение питания. Не только наличие, но и величину. Если она не соответствует паспортному значению, двигатель насоса не выйдет на расчетную мощность: ошибка 02 гарантирована.
- Надежность контактов. В процессе эксплуатации котла ламели постепенно окисляются. Зачистить можно обычным ластиком, но только не абразивным материалом (шкуркой).
- Состояние внутренних частей насоса. Его придется из Навьен демонтировать и проверить на работоспособность. Если при легком касании крыльчатки она свободно вращается, причина кода 02 в чем-то другом. Но при затруднении с прокручиванием нужно произвести частичную разборку насоса.
Ошибка может вызываться:
Окислением вала, повреждением крыльчатки или солевыми образованиями на лопастях, разрушением подшипника, проблемой с обмоткой двигателя. Ее получится проверить только на обрыв (R=∞) или замыкание на корпус (R=0). Межвитковое не определить, но из-за него снижается мощность насоса (если он еще будет работать) и скорость циркуляции жидкости.
Если приведенные в статье рекомендации по выявления и устранению причины ошибки 02 котла Навьен не дали положительного результата, нужно обращаться к профессионалам. Код может вызываться неисправностью в электронном модуле или трехходовом кране (для двухконтурных Навьен). Самостоятельно диагностировать не получится – нужны соответствующие знания, оборудование и приборы.
Полезные советы
При вызове специалиста следует обращаться в сервисный центр, аттестованный производителем. Вызвать представителя просто лицензированной мастерской – потерять время и деньги. Если с компанией Навьен нет прямых связей, значит, в ремонтной организации отсутствуют заводские схемы, методические указания по диагностике и ремонту котлов этой марки. То же и с запасными частями: они приобретаются на рынке, дороже себестоимости, да и сервис «накручивает» цену.
Особенность газовых котлов Навьен – устойчивое функционирование даже при нестабильном напряжении сети. Но в случае систематических проблем с энергоснабжением, характерных для загородных объектов (регулярные отключения, обрывы на ЛЭП) рекомендуется в качестве источника питания использовать ИБП. В его составе группа аккумуляторов, зарядное устройство и стабилизатор. В зависимости от суммарной емкости АКБ блок способен обеспечить автономную работу котла Навьен от 4 до 14 часов. Этого времени достаточно для устранения аварии на линии. А с учетом встроенного стабилизатора риск появления мнимых ошибок нивелируется.
Расшифровка
Ошибка информирует о наличии пламени при неработающей горелке котла Навьен. Такой сигнал называют ложным, паразитным.
Порядок действий
Перезапуск. Нестабильность питающего напряжения – причина сбоев и появления кодов неисправностей технических устройств, оснащенных электронными схемами самодиагностики. Нажатие кнопки сброса (повторное включение) на выносном пульте котла Навьен уберет ошибку 04.

Включение и выключение выносного пульта управления котлом Navien
Проверка заземления. Ненадежный контакт, R линии ˃ 4 Ом инициируют ошибку 04. Данное требование относится и к общедомовой электропроводке (инструкция на котел Навьен, раздел 6).
Проверка давления «голубого топлива». Значение, превышающее указанное в паспорте котла Навьен как рабочее, вызывает появление ошибки 04. При автономном газоснабжении определить несложно по манометру редуктора: при использовании СУГ 275±25 мм вод. ст. Если объект подключен к магистральной трубе, достаточно разжечь конфорки газовой плиты. Обязательно все – для обеспечения максимального потребления энергоресурса. По язычкам пламени несложно определить, давление в норме или завышенное.
Проверить электродную группу. Причина ошибки 04 – воздействие искры при розжиге Навьен на датчик ионизации. Бывает при дефекте изолятора, неправильном расположении чувствительных элементов (проволок): они могут быть сбиты при неаккуратном обслуживании теплообменника, камеры сгорания. Неисправность вызывается замыканием сигнальной линии, сыростью. Последнее характерно для котлов Навьен при запуске в работу после длительного простоя в неотапливаемом помещении. Визуально оценить состояние керамики, проводов, просушить фэном полость котла несложно.

Электрод розжига котла использованный и новый Navien
Проверка газового клапана Навьен. Утечка в арматуре вызывает ошибку 04 на дисплее пульта. Измеряется давление на входе котла при закрытом вентиле на трубе: понадобится манометр (норма 130–250 мм вод. ст.). Дефект узла связан с его механической частью: самостоятельный ремонт нецелесообразен – заменить или вызвать сервисного мастера.

Газовый клапан котла Navien
Неисправность электронной платы – последняя вероятная причина ошибки 04. Самостоятельно заменить блок не составит труда – прикручивается винтами к задней стенке агрегата, а места установки проводов, кабелей не перепутать (порты отличаются размерами, конфигурацией). Учитывая стоимость модуля, следует убедиться, что именно он вызывает ошибку 04, а для этого нужна профессиональная диагностика котла. Без представителя ремонтной организации не обойтись.
Инструкция по эксплуатации газовых котлов «Навьен»
Этот документ является обязательным приложением к технической документации, которую представляет производитель при оформлении устройства в торговой сети. Эксплуатация ведется с панели управления, модель предлагает много режимов использования.

«Навиен» навесной котел инструкция по эксплуатации, структура и описание функций:
- Питание (POWER) — включено / выключено;
- горение (COMBUSTION) отображает процесс горения;
- насос (PUMP) состояние насоса циркуляции сетевого контура;
- горячая вода (HOT WATER) — температура нагрева воды;
- низкий уровень (LOW LEVEL) — аварийный уровень воды в контуре;
- перегрев (OVERHEAT) – недопустимо высокая температура воды;
- датчик (SENSOR) – неисправность датчика;
- сброс (MISFIRE) режима на панели к заводским настройкам.
Особенности котлов
Большинство образцов газовых котлов Навьен Делюкс адаптировано к российским реалиям, благодаря чему они неплохо работают в условиях низких давлений и колебаний сетевых напряжений. В них предусмотрены механизмы автоматической корректировки колебаний сетевого напряжения в пределах до 30%
Наличие этих возможностей привлекает внимание пользователей, а низкая цена лишь повышает спрос на корейские агрегаты
На российском рынке представлены выпускаемые компанией двухконтурные настенные модели, имеющие два исполнения: турбированные и атмосферные. В зависимости от заявленной производителем мощности они способны отапливать пространства площадью от 30 до 400 м2. Наличие двух контуров позволяет использовать их для отопления и для нагрева воды, идущей на хозяйственные нужды. Эти агрегаты способны работать как на природном, так и на сжиженном газе.
Преимущества и недостатки
Нужно ставить фильтр, так как котлы плохо переносят жесткую воду
Основными достоинствами агрегатов из Кореи являются:
- привлекательное соотношение стоимости и функциональных возможностей;
- экологическая чистота;
- многофункциональность;
- большой выбор вариантов управления работой агрегата;
- возможность самостоятельной диагностики, позволяющая упростить поиск неисправности;
- практически неограниченный срок службы.
Технические характеристики
Для частного дома выбирают котлы с открытой камерой сгорания
К основным техническим показателям газовых котлов Navien относят:
- тип применяемого топлива – сжиженный или природный газ;
- КПД, достигающий у некоторых моделей величины 92 процента;
- тепловая мощность в кВт;
- максимальная площадь обогрева в квадратных метрах;
- температура теплоносителя в градусах;
- количество задействованных контуров (две штуки);
- развиваемое внутри давление в барах;
- температура и давление горячей воды;
- производительность по ГВС.
Также к техническим характеристикам относятся параметры питающей электрической сети (220 Вольт, 50 Гц) и присоединительные размеры.
Какие модели входят в неё
В серию Делюкс входят следующие модели котлов:
- Deluxe.
- Deluxe Plus.
- Deluxe Coaxial.
- Deluxe Atmo.
Три первые модели практически не отличаются друг от друга, имея лишь незначительные расхождения в конструкции дымохода или величине подачи газа.
Модель Атмо— это котлы с открытой камерой сгорания, которые отличаются подачей воздуха непосредственно из помещения.
Все виды котлов выпускаются в различных вариантах по мощности:
- 13k (кВт).
- 16k (кВт).
- 20k (кВт).
- 24k (кВт).
- 30k (кВт).
- 35k (кВт).
- 40k (кВт).
Некоторые модели созданы на базе одного типоразмера с программно ограниченным функционалом.
Так, котлы мощностью 24 и 16 кВт представляют собой идентичную конструкцию, но у моделей 16 кВт несколько снижена мощность. Это дает агрегатам заметный запас мощности, позволяя свободно преодолевать изменения нагрузки и внешние воздействия.

Рассмотрим подробнее основные преимущества этой серии
Если вы покидаете свой дом на несколько дней и не хотите отапливать его в этот период ради экономии – вам не нужно беспокоиться по поводу того, что вода в трубах замерзнет. Система будет функционировать в эконом-режиме, чтобы вы, вернувшись домой, могли запустить котел на полную мощность без каких-либо проблем.
Еще один несомненный плюс котла NAVIEN ACE 24k – наличие модулируемой системы турбонаддува. В каждом агрегате непосредственно под топкой установлен специальный вентилятор, реагирующий на изменения давления воздуха. Модель ACE 24k Turbo комплектуется датчиком APS, который запускает вентилятор турбонаддува тогда, когда необходимо обеспечить дополнительную подачу воздуха в топку.

Причем количество воздуха увеличивается при увеличении количества топлива. Такая особенность конструкции обеспечивает максимально эффективное сгорание газа с выделением наибольшего количества тепловой энергии. При этом теплопотери, которые влечет за собой удаление отработанных газов, сводятся до минимума.
Решение инженеров внедрить вентилятор турбонаддува в модель ACE 24k имело целый ряд позитивных последствий. КПД агрегата значительно возрос. Данный показатель у моделей со стальным теплообменником достиг уровня аналогичных агрегатов с медным теплообменником.
К слову, наличие стального теплообменника – несомненный плюс конструкции. Элемент из стали обладает гораздо более выраженной по сравнению с медью стойкостью к образованию ржавчины. Естественно, такие аппараты служат гораздо дольше.
Как уже было сказано, ACE 24k Coaxial способен поддерживать стабильную работу даже при резких скачках напряжения в электрической сети. Инженерам удалось достичь таких результатов, благодаря внедрению чипа SMPS. Он позволяет защитить котел от скачков напряжения в пределах 30% от 230В. SMPS позволяет агрегату функционировать без сбоев и резких остановок. Естественно, это отражается на долговечности аппарата. При этом риск возникновения поломок из-за нестабильной подачи электроэнергии практически сводится на нет.

Котел NAVIEN – это универсальное оборудование, которое отапливает помещение даже при невысоком входном давлении в газопроводной системе (до 0.1 бара). Если в вашей квартире есть проблема плохого напора воды – вы можете смело приобретать корейский агрегат, который будет обеспечивать вас теплоносителем при любых условиях.
Еще один плюс этой модели – это особая технология отопления помещения. Ее суть заключается в том, что котел постоянно адаптируется к температурным условиям в конкретном помещении. Аппарат комплектуется выносным пультом, оснащенным термодатчиком. Данная инновация дает возможность оптимизировать расход топлива, тем самым экономя ваш семейный бюджет.
При этом, с помощью данных, предоставляемых системе датчиком, в квартире или в доме поддерживается оптимальная температура на заданном пользователем уровне. Покупатель, который приобретает котел NAVIEN ACE, должен рассчитывать на то, что при подключении к баллонному газу система будет потреблять в пределах 2,15 кг/ч.
Среди технических особенностей агрегата стоит выделить следующие:
- Мощность – 24кВт;
- КПД на уровне 90.5%;
- Температура теплоносителя в системе отопления и ГВС: 40-80 и 30-60 градусов Цельсия соответственно;
- Габариты агрегата: 695х440х265 мм.
Подводя итоги
Котел NAVIEN ACE 24k – универсальное решение для обеспечения дома горячей водой и теплом. Данная техника уже доказала рынку, что полностью оправдывает свою стоимость. Надежность и высокая производительность – главные плюсы ACE 24k от NAVIEN
При этом немаловажное преимущество агрегата – минималистичный привлекательный дизайн, который сочетается с любым интерьером. Приобретая аппарат в белом цвете NAVIEN ACE 24k Coaxial White, вы можете установить его где угодно, будь то ванная комната, подсобное помещение или отдельная котельная
Данная техника неприхотлива в повседневной эксплуатации. В случае возникновения какой-либо неисправности NAVIEN ACE 24k проинформирует владельца об этом. С помощью подобной инструкции NAVIEN ACE 24k можно без труда определить причину поломки. Если же вы не уверены в том, что сумеете избежать какой-либо неисправности в будущем – было бы разумно вызвать специалиста сервисного центра. Практика показывает, что у тех потребителей, которые не занимаются ремонтом «своими руками», а предпочитают обращаться к профессионалам, агрегат работает гораздо дольше.
Достоинства и недостатки
К достоинствам котлов Navien Ace принято относить:
- Оптимальное сочетание цены и качества.
- Экологически безопасный процесс.
- Простота и удобство регулировки и настройки режимов работы.
- Адаптация к российским условиям, способность работать на нестабильных показателях давления газа, воды, напряжения электропитания.
- Одновременное обеспечение обогрева и ГВС.
- Длительный срок службы без сервисных проверок.
Недостатками котлов Navien Ace считаются:
- Зависимость от наличия электропитания, газа и воды.
- Высокий уровень шума.
- Для ремонта годятся только оригинальные запчасти.
- Неустойчивость конструкции к воздействию жесткой воды.
Большинство недостатков не являются следствием ошибок или брака при сборке, а относятся, скорее, к особенностям конструкции.
Они присущи практически всем газовым котлам, независимо от производителя. Для исключения образования известковых отложений, вызванных чрезмерной жесткостью воды, следует пользоваться электромагнитными смягчителями или другими видами соответствующего оборудования.

Достоинства и недостатки
К достоинствам газовых котлов Navien Deluxe Coaxial 24 кВт можно отнести:
- Интеллектуальное дистанционное управление.
- Используются модулируемые горелки с возможностью регулировки температуры и низкой температурной нагрузкой на детали конструкции.
- Присутствует голосовое сопровождение, облегчающее управление.
- Агрегаты адаптированы к российским условиям, приспособлены к работе с изменяющимся давлением газа.
- Присутствует функция самодиагностики.
- Оптимальное сочетание стоимости и качества оборудования.
- Низкая стоимость ремонта.
К недостаткам следует отнести:
- Высокий уровень шума во время работы.
- Для ремонта требуются исключительно оригинальные комплектующие.
- Нередко возникают отказы (ошибки) агрегата, связанные с высокой чувствительностью датчиков или иными причинами.
Несмотря на существующие недостатки, котлы Navien пользуются высокой популярностью и широко распространены в России.

Список источников
- kaminguru.com
- fixbroken.ru
- expert-dacha.pro
- prostokotel.ru
- aqpi.ru
- StrojDvor.ru
- iobogrev.ru
- firmmy.ru
7 лестниц