Назначение каждой электросхемы
Структурная
Этот тип документа является наиболее простым и дает понимание о том, как работает электроустановка и из чего она состоит. Графическое изображение всех элементов цепи позволяет изначально увидеть общую картину, чтобы переходить к более сложному процессу подключения или же ремонта. Порядок чтения обозначается стрелочками и поясняющими надписями, что позволяет разобраться в структурной электрической схеме даже начинающему электрику. Принцип построения Вы можете увидеть на примере ниже:

Функциональная
Функциональная электросхема установки, по сути, не слишком отличается от структурной. Единственное отличие – более подробное описание всех составляющих узлов цепи. Выглядит этот документ следующим образом:

Принципиальная
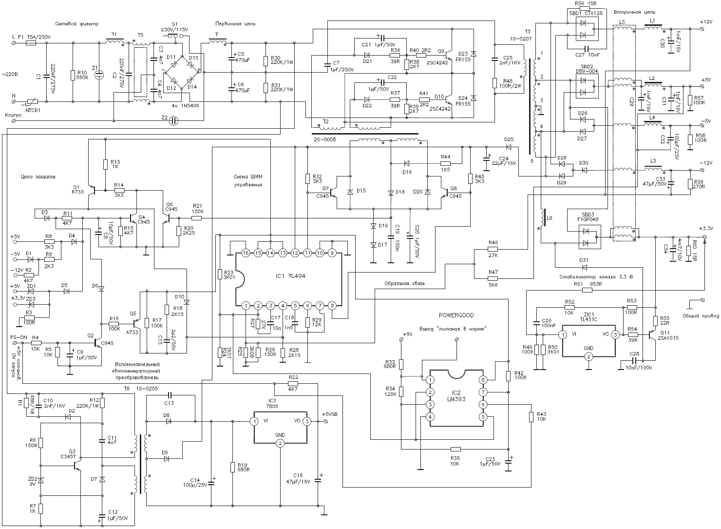
Принципиальная электрическая схема чаще всего применяется в распределительных сетях, т.к. дает самое раскрытое пояснение о том, как работает рассматриваемое электрооборудование. На таком чертеже должны обязательно быть указаны все функциональные узлы цепи и вид связи между ними. В свою очередь, принципиальная электросхема может иметь две разновидности: однолинейная или полная. В первом случае на чертеже изображают только первичные сети, называемые также силовыми. Пример однолинейного изображения Вы можете увидеть ниже:

Полная принципиальная схема может быть развернутой или элементной. Если электроустановка несложная и на один главный чертеж можно нанести все пояснения, достаточно сделать развернутый план. Если же Вы имеете дело со сложной аппаратурой, которая имеет в составе цепь управления, автоматизации и измерения, лучше разнести все отдельные узлы на разные листы, чтобы не запутаться.
Существует также принципиальная электросхема изделия. Этот тип документа представляет собой своеобразную выкопировку из общего плана, на которой обозначено только, как работает и из чего состоит определенный узел.
Монтажная
Эту разновидность электрических схем мы чаще всего используем на сайте, когда рассказываем о том, как самостоятельно выполнить монтаж электропроводки. Дело в том, что на монтажной электросхеме можно показать точное расположение всех элементов цепи, способ их соединения, а также буквенно-цифровые характеристики составляющих чертеж установок. Если взять за пример схему электропроводки в однокомнатной квартире, на ней мы увидим, где нужно размещать розетки, выключатели, светильники и остальные изделия.

Основное назначение монтажной схемы – руководство для проведения электромонтажных работ. Согласно подготовленному чертежу можно понять, где, что и как нужно подключать.
Кстати, монтажной также считается электросхема соединений, которая предназначена для подключения электрооборудования, а также соединения установок между собой в пределах одной цепи. При подключении бытовой техники руководствуются именно монтажной схемой.
Объединенная
Ну и последней из применяемых в распределительных сетях электросхемой является объединенная, которая может включать в себя несколько видов и типов документов. Ее используют в том случае, если можно без сильного нагромождения чертежа обозначить все важные особенности цепи. Используют объединенный проект чаще всего на предприятиях. Домашним мастерам такой тип схемы вряд ли может встретиться. Пример Вы можете увидеть ниже:

Существует также схема кабельных трасс, которая представляет собой упрощенный план прокладки кабельной линии к распределительным пунктам и трансформаторным подстанциям. Ее назначение аналогично монтажной электросхеме – с помощью данного документа монтажники руководствуются как вести линию от точки А к точке Б.
Напоследок рекомендуем просмотреть полезное видео по теме:
Вот мы и рассмотрели основные виды и типы электрических схем, а также их назначение и характеристики. Зная условные обозначения и имея под рукой всю нужную документацию совсем не сложно разобраться в том, как работает та или иная установка.
Будет интересно прочитать:
- Виды электрического теплого пола
- Какие бывают кабель каналы
- Программы для черчения схем
Монтаж защитных и других устройств
-
Подключение стабилизатора 1 фазного
шт.
1750 руб.
-
Подключение стабилизатора 3х фазного
шт.
2500 руб.
-
Установка бокса накладного 4 модуля
шт.
420 руб.
-
Установка бокса накладного 8 модулей
шт.
630 руб.
-
Установка бокса накладного 12 модулей
шт.
770 руб.
-
Установка бокса накладного 24 модулей
шт.
980 руб.
-
Установка бокса накладного 36 модулей
шт.
1150 руб.
-
Установка бокса накладного 54 модуля
шт.
1600 руб.
-
Установка бокса накладного свыше 54 модуля
шт.
2000 руб.
-
Установка бокса встраиваемого 4 модуля, врезка в гипсокартон
шт.
500 руб.
-
Установка бокса встраиваемого 4 модуля, врезка в кирпич
шт.
1000 руб.
-
Установка бокса встраиваемого 4 модуля, врезка в бетон
шт.
1600 руб.
-
Установка бокса встраиваемого 8 модулей, врезка в гипсокартон
шт.
700 руб.
-
Установка бокса встраиваемого 8 модулей, врезка в кирпич
шт.
1300 руб.
-
Установка бокса встраиваемого 8 модулей, врезка в бетон
шт.
2000 руб.
-
Установка бокса встраиваемого 12 модулей, врезка в гипсокартон
шт.
1000 руб.
-
Установка бокса встраиваемого 12 модулей, врезка в кирпич
шт.
1900 руб.
-
Установка бокса встраиваемого 12 модулей, врезка в бетон
шт.
2600 руб.
-
Установка бокса встраиваемого 24 модуля, врезка в гипсокартон
шт.
1500 руб.
-
Установка бокса встраиваемого 24 модуля, врезка в кирпич
шт.
3700 руб.
-
Установка бокса встраиваемого 24 модуля, врезка в бетон
шт.
5000 руб.
-
Установка бокса встраиваемого 36 модулей, врезка в гипсокартон
шт.
2000 руб.
-
Установка бокса встраиваемого 36 модулей, врезка в кирпич
шт.
4500 руб.
-
Установка бокса встраиваемого 36 модулей, врезка в бетон
шт.
6500 руб.
-
Установка бокса встраиваемого 54 модуля, врезка в гипсокартон
шт.
2500 руб.
-
Установка бокса встраиваемого 54 модуля, врезка в кирпич
шт.
6000 руб.
-
Установка бокса встраиваемого 54 модуля, врезка в бетон
шт.
7800 руб.
-
Установка бокса встраиваемого свыше 54 модуля, врезка в гипсокартон
шт.
3200 руб.
-
Установка бокса встраиваемого свыше 54 модуля, врезка в кирпич
шт.
7500 руб.
-
Установка бокса встраиваемого свыше 54 модуля, врезка в бетон
шт.
11000 руб.
-
Установка авт.выключателя однополюсного от 6 до 63 А на DIN- рейку
шт.
200 руб.
-
Установка авт.выключателя двухполюсного от 6 до 63 А на DIN- рейку
шт.
300 руб.
-
Установка авт.выключателя трехполюсного от 6 до 63 А на DIN- рейку
шт.
400 руб.
-
Установка УЗО двухполюсного
шт.
350 руб.
-
Установка УЗО четырехполюсного
шт.
450 руб.
-
Установка двухполюсного дифф. автомата
шт.
350 руб.
-
Установка четырёхполюсного дифф. автомата
шт.
450 руб.
-
Установка магнитного пускателя
шт.
450 руб.
-
Подключение силового кабеля в щитке (5 жил)
шт.
430 руб.
-
Соединение группового провода (1 жила)
шт.
100 руб.
-
Монтаж шины-N
шт.
100 руб.
-
Установка гребенки (до 10 мод)
шт.
150 руб.
-
Демонтаж старой пробки с основанием
шт.
100 руб.
-
Установка дополнительной DIN-рейки
шт.
200 руб.
-
Демонтаж автомата защиты
шт.
100 руб.
-
Демонтаж распределительного щита
шт.
от 500 руб.
-
Измерение нагрузки потребителя (линии)
участок
200 руб.
-
Установка однофазного электрического счетчика
шт.
1500 руб.
-
Установка трехфазного электрического счетчика
шт.
2000 руб.
-
Демонтаж счетчика
шт.
500 руб.
Монтаж и сборка щита
Монтаж щита можно перенести в любой временной интервал во время замены проводки. Лучше всего производить монтаж щита после черновой отделки (например отштукатуривания стен). Сборка щита производится в любое время, но перед установкой розеток и выключателей, для удобства пуско-наладочных работ.
Сборкой щита занимается квалифицированный электрик с допуском. Для щитовой мы используем только качественные сертифицированные материалы (автоматы, УЗО, диффавтоматы, реле контроля напряжения, рубильники, счетчики). По желанию заказчика можно использовать и более дешевые отечественные аналоги. Также, за дополнительную плату, возможно подключить стабилизатор напряжения к щитовой (стабилизатор требует дополнительного места рядом с щитом).

Замена проводки
Мы можем: поменять старую проводку на новую, на любом объекте и в любых объемах; с нуля заложить всю электрику и слаботочку; частично поменять проводку в одной комнате; полностью собрать или перебрать электрощитовую. Проводимые нами работы соответствуют всем строительным нормам и правилам безопасности. Учитываются особенности каждого объекта, и индивидуальные пожелания заказчика. Мы успешно координируем все наши действия с архитекторами, дизайнерами и строителями. Зная всю специфику отделки помещения под ключ, мы соблюдем все временные регламенты, и всегда сдаем все объекты в срок. Почитайте наши отзывы.

- Стоимость замены проводки в однокомнатной квартире
Что такое однолинейная схема
Главной особенностью однолинейной схемы является то, что данная принципиальная схема состоит полностью из одних линий обозначения трехфазных или двухфазных цепей. Такой подход позволяет обеспечить более целесообразное использование технической документации. Т.е. в один техпроект можно поместить несколько разных чертежей, не связанных друг с другом.
Фото — однолинейная схема
Существует два типа таких схем:
- Расчетная;
- Исполнительная.
Расчетная однолинейная схема помещения в основном используется после готового просчета нагрузок, необходимых для питания отдельного здания. Иногда её проектируют после того, как будет рассчитана потребность проводов и питающих кабелей.

Исполнительная принципиальная однолинейная схема используется для перерасчета действующей системы подачи энергии. В большинстве случаев, это необходимо для внесения серьезных изменений в уже устанавливающийся проект.
Фото — однолинейная схема подстанции
Видео: пример работы с контуром электроснабжение
От чего зависит контур
Перед началом работы обязательно проводятся замеры и измерение сопротивления контура заземления. Этот показатель зависит от нескольких факторов, в частности:
- Состояние земельного настила;
- Глубина установки заземления;
- Качество грунта и его тип (глина, чернозем, песок и т.д.);
- Количества заземляющих групп и электродов в каждой группе;
- Материала электродов и его характеристик.
В идеале нужно расположить заземлительный контур в черноземе, глинистых грунтах и суглинках. Категорически запрещено монтировать электрическое сопротивление в каменных покровах или скалах, они также проводят ток, и сопротивление у данных материалов очень низкое.
Грунты для заземления
Инструкция по устройству контура
- Устройство АС контура заземления нужно устанавливать на расстоянии около 50 метров от места ввода электрических сетей в дом. Это расстояние является оптимальным для установления как вертикальных, так и горизонтальных электродов, но желательно их поверхность не должна быть окрашена;
- Профиль сечения заземлителей подбирается согласно материалу, мы подготовили специальную таблицу, по которой подбираются размеры электродов;
- Контур защитного заземления составляем из стального уголка и стальной ленты, их соединения проводится дуговой сваркой, после окончания работ обязательно испытание на прочность соединений;
Монтаж замкнутого контура производится следующим образом: выкапывается траншея выбранной глубины, оптимальное значение 70 сантиметров, но если у Вас наполнена квартира различного рода силовыми установками, то можно создать ров и до метра вниз. Форма траншеи представляет собой равнобедренный треугольник с максимальной шириной метр и глубиной о07-1 м, предварительно обязательно его нужно замерить.
Контур треугольник
К вершинам треугольника забивается кувалдой уголок, который будет отвечать за первоначальное сопротивление контура заземления частного дома. Оптимальная длина трубы для обычного здания – 2-3 метра. Если арматура плохо входит в землю – воспользуйтесь специальным буром, а не молотом. После этого по траншее начинаем устанавливать наши заземлители.
Советы от электрика:
- Перед тем, как сделать защитный контур заземления своими руками, нужно заострить концы труб, так они будут легче устанавливаться и не понадобится повторного силового воздействия;
- Уголки нужно забивать не полностью, а оставлять около 30 сантиметров над поверхностью земли. Это поможет соединять их.
- После свариваем части системы в одно целое, и соединяем с вводом напряжения дом или электрощитовой;
- Места сварки и сгибов обязательно обрабатываются обезжиривателями и специальными растворами против коррозии.
- Есть еще один способ соединения ленты и электродов – вывести из земли дополнительный замкнутый провод, к которому при помощи болтов среднего размера подключить проводники, по которым и будем прокладывать шины. Сечение медного кабеля для этого способа должно быть не меньше 10 мм, алюминиевого – 16 мм, стального 75 мм.
После того, как все электроды замкнуты, нужно проложить стальную полосу до 4 мм толщиной, начинаем от подстанции и движемся по периметру.
Понадобится чертеж-схема участка, т.к. монтаж контура заземления частного дома или здания запрещен СНИП над газовыми или водопроводными трубами. Её можно составить схематически либо использовать ПО (к примеру, программа АвтоКад), этот документ понадобится, когда будет составляться протокол проверки согласно ГОСТ. Кроме того, нужно учитывать еще и разрешение от энергоснабжающей компании.
Видео: как сделать контур заземления в доме
Контуры заземления, могут сооружаться, только если есть акт на скрытые работы.
Советы по монтажу
Итак, чтобы Вы могли правильно и в то же время быстро монтировать кабель-канал, рекомендуем ознакомиться со следующими нюансами установки:
- Первым делом тщательно выровняйте стену с потолком и подготовьте ее к креплению пластикового короба. Чем ровнее будет поверхность, тем больше может быть шаг между крепежными элементами. Помимо этого отсутствие зазоров положительно отобразиться на интерьере комнаты.
- Чтобы соединить кабельный канал на углах (внешних, внутренних, стык вертикальной трассы с горизонтальной), сделайте специальные углы под 45о. Для этого можете использовать стусло, как показано на фото.
- К дополнению к пункту 2 – чтобы не хлопотать с вырезкой одинаковых углов, используйте готовые комплектующие от производителя: внутренние и внешние пластиковые уголки, Т-образные соединители, заглушки и т.д.
- Крепить кабель-канал нужно ровно, как в вертикальной, так и в горизонтальной плоскости. Чтобы прикрепить короб горизонтально ровно, используйте строительный уровень. Для выравнивания трассы по вертикали лучше всего использовать отвес.
- Перед тем, как устанавливать кабельный канал на стене своими руками, нужно выполнить разметку этих стенок. Существуют определенные нормы на этот вопрос, который мы подробно рассмотрели в статье – как выполнить монтаж открытой электропроводки.
- Если Вам нужно крепить пластиковый электротехнический короб на гипсокартонной либо деревянной стене, заранее не просверливайте отверстия в поверхности. Саморезы и без этого хорошо зайдут в стенку. Как Вы понимаете, с бетоном и кирпичом уже такой вариант крепления короба для кабеля не пройдет.
- Если это возможно, начинайте укладывать кабель-канал с угла, чтобы потом было легче стыковать участки и подрезать их при необходимости.
- Нет особой разницы в том, когда Вы решите установить кабельный короб — до декоративной отделки стен или после. Мы же рекомендуем прокладывать изделие в самую последнюю очередь, т.к. монтаж кабель-канала на обои выполнить гораздо проще, нежели поклеить обои, подрезая их из-за уже проведенной трассы.
- Если Вы решите и на потолке класть пластиковую защиту для провода, не забудьте подготовить и потолочную поверхность по аналогии со стенами. Крепится кабель-канал на потолке также, как и на стенках.
Как это делают профессионалы — видео обзор
Вот и все, что Вы должны знать по поводу того, как крепить кабель-канал к стене своими руками. Надеемся, что предоставленное подробное описание с фото и видео примерами было для Вас полезным!
Полиэтиленовые клеммники
Более устаревший способ ответвления провода – использование клеммных колодок (их еще называют полиэтиленовыми клеммниками). Компактные клеммники использовать не рекомендуется, т.к. в этом случае без разрезания и разрыва магистральной жилы не обойтись. Помимо этого клеммная колодка имеет еще такие недостатки, как плохая герметичность и необходимость периодически подтягивать зажимной винт, особенно если проводник алюминиевый. В итоге Вы не получаете никаких важных плюсов при сращивании и в то же время получаете несколько серьезных недостатков.
Обзор клеммных колодок
Правила разбивки
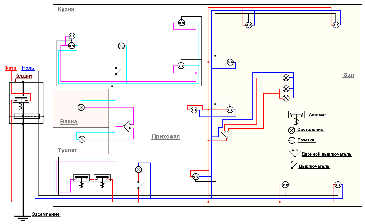
Правильным разделением электропроводки в доме и квартире на сегодняшний день является проведение для каждой комнаты отдельной линии для розеток, отдельной для освещения.

К тому же отдельной линией проводят кабель к мощным потребителям. Чтобы наглядно разобраться и понять, что такое разделение электрики на группы, рассмотрим графические изображения. Представлена электрическая план-схема:

В данной схеме трехфазный ввод в дом распределен по группам электропотребителей. В качестве вводного кабеля, от счетчика, используется ВВГнг 5*10, пять жил сечением 10 квадратных мм. Для защиты ввода в щит установлен автоматический выключатель ВА 40 А.
Первая группа (подключена от фазы L1) — это освещение, устанавливается автомат 10 А, провод на на них ВВГнг 3*1.5 мм. Вторая — это потребители санузла и ванной, установлено устройство защитного отключения, УЗО 10А-10mA. Вообще можно до 30 мА, но не более (глава 7.1. ПУЭ п. 7.1.82). Связанно это с высокой влажностью и большой вероятностью электротравматизма при эксплуатации электроприборов. В качестве силового провода задействован ВВГнг 3*2.5 мм, который также запитан от первой фазы L1. Третья — розетки комнат. Для их защиты установлен автомат на 16 А, а питание подходит с фазы L2. Делается это для равномерной нагрузки на трехфазную сеть. Провод для третьей ветки электропроводки также берут ВВГнг 3*2.5 мм. Розетки для четвертой группы (кухня и коридор) запитаны от фазы L3. Автоматический выключатель на 16 А защищает провод ВВГнг 3*2.5 мм. Пятая ветка — питание электроплиты, задействованы три фазы, ноль и заземление. Для подключения используют провод ВВГнг 5*6 мм (согласно СП 256.1325800.2016 п.10.2), для защиты установлено УЗО 32 А — 30 mA.
Данная схема разделения проводки на группы приведена в качестве примера, для помощи домашним мастерам разобраться и на примере помочь научится читать схемы, а также составлять их, исходя из собственных наработок. В качестве недорогого и простого решения разбивки электропроводки для хрущевки, можно использовать схему приведенную ниже, с распределенной нагрузкой на потребителей.

Также добавлено визуальное изображение, план-схема проводки на плане квартиры. При вновь проложенной электропроводке необходимо составлять подобную схему распределения, для того чтобы в дальнейшем облегчить поиск неисправности или же модернизацию проводки, добавление точек потребителей.

Также рекомендуем вам ознакомиться со схемой электропроводки в двухкомнатной квартире!
Чтобы закрепить прочитанный материал, предлагаем вам ознакомиться с видео уроками, на которых доходчиво и наглядно демонстрируется, как разделить проводку в квартире или доме на линии:
Вот собственно и все, что мы хотели рассказать вам о правильном разделении электропроводки на группы. Надеемся, предоставленные примеры помогли вам понять, зачем нужна разбивка электрики и как ее правильно осуществить!
Будет интересно прочитать:
- Распределение нагрузки по фазам
- Неотключаемые линии в щитке
- Как собрать распределительный щит своими руками
- Как выполнить разделение PEN проводника
- Ошибки при монтаже электропроводки
Установка розеток и выключателей
Монтаж всех электроустановочных изделий, производится только на чистовую отделку. То есть после покраски, поклейки обоев, укладки плитки или др. При необходимости устанавливаются временные розетки и выключатели.

Установка выключателей совмещается с установкой временных источников освещения (лампочек Ильича), для проверки стабильности работы всей системы.
Выключтели подбираются в зависимости от пожеланий заказчика или проекта. Так как существуют различные модификации выключателей: проходные, на веревочке, с подсветкой, диммеры, радио выключатели, бесконтактные и т.п.
Все светодиодные ленты, трансформаторы и инсталляции с использованием диодов, также монтируются на чистовую отделку.
Проектная документация
-
Составление исполнительной документации категория 1 (до 6 электроточек)
комплект
2800 руб.
-
Составление исполнительной документации категория 2 (от 6 до 12 электроточек)
комплект
3500 руб.
-
Составление исполнительной документации категория 3 (свыше 12 электроточек)
комплект
6000 руб.
-
Проект электроснабжения внутренних сетей в жилых помещениях (освещение)
кв.м
80 руб.
-
Проект электроснабжения внутренних сетей в жилых помещениях (силовая часть)
кв.м
50 руб.
-
Проект электроснабжения внутренних сетей в нежилых помещениях (освещение)
кв.м
50 руб.
-
Проект электроснабжения внутренних сетей в нежилых помещениях (силовая часть)
кв.м
50 руб.
-
Проект на структурированные кабельные системы (телефон/интернет)
кв.м
70 руб.
-
Схема разводки телевидения (эфирное/спутниковое/кабельное)
кв.м
70 руб.
-
Проект пожарной сигнализации
кв.м
100 руб.
-
Проект охранной сигнализации
кв.м
100 руб.
-
Проект видеонаблюдения
камера
70 руб.
-
Проект контроля и управления доступом
точка
150 руб.
Как проводить работы в воде и земле
Во время электромонтажных работ нередко происходит такая ситуация, когда необходимо скрепить электропроводку под водой либо в земле. Сейчас мы кратко рассмотрим особенности каждого из случаев!
В воде (к примеру, при установке погружного насоса), рекомендуется использовать следующую технологию. Для начала концы спаиваются, после этого место пайки тщательно изолируется термоклеем, поверх которого надевается термоусадка. Если все сделать качественно и на совесть, стык будет герметичным и безопасным. В противном случае может произойти короткое замыкание и выход электросети из строя.
Для соединения электрического провода в земле (к примеру, после его механического повреждения), рекомендуется использовать метод, предоставленный выше (термоклей и термоусадка), но лучше обезопасить себя и использоваться следующую методику. Зажимаете концы кабеля с помощью клеммника, устанавливаете герметичную распаечную коробку, после чего тщательно заливаете коробку специальным силиконовым герметиком
Обращаем Ваше внимание на то, что трассу под землей необходимо дополнительно поместить в трубу либо короб, чтобы обеспечить надежную защиту от грызунов!. Также рекомендуется объединять поврежденные концы электропроводки в земле с помощью специальной кабельной муфты, как на фото ниже!
Также рекомендуется объединять поврежденные концы электропроводки в земле с помощью специальной кабельной муфты, как на фото ниже!


Вот и все, что хотелось рассказать Вам по поводу данного вопроса! Если какой-либо нюанс был упущен, советуем Вам просмотреть наглядные видео-уроки. Надеемся, что теперь Вы знаете, что за соединители лучше использовать для тех или иных условий применения, а также, как может выполняться соединение проводов в распределительной коробке.
Для чего они необходимы?
Применение слаботочных сетей дает возможность осуществить следующее:
• принимать, а также распределять как эфирное, так и спутниковое телевидение • обеспечивать доступ к телефонной связи • нормализовать работу и предоставить доступ к интернету • выполнить оформление сетей проводного вещания • добиться эффективного функционирования охранно-пожарных систем, а также систем оповещения и сигнализации • получить доступ к различным объектам • автоматизировать учет системы управления всевозможными энергетическими ресурсами • обеспечить корректную работу локально-вычислительных сетей • добиться взаимодействия между переговорными устройствами • получить полноценное структурирование кабельных систем
Основные правила и рекомендации
Прежде чем осуществить установку слаботочных сетей, необходимо знать, что изначально организовывается полноценный проект будущей сети, в том числе определяется будущее размещение щита, розеток, реле и прочих устройств, входящих в систему. В процессе прокладки кабелей монтажники осуществляют все работы в полном соответствии со специализированными правилами и принятыми стандартами. Сама установка слаботочных сетей состоит из проведения телефонных, компьютерных или телевизионных линий, монтажа специализированных информационных розеток и других средств коммуникации, домофонов, приборов видеонаблюдения, охранно-пожарных сигнализаций и прочего оборудования.
Существуют определенные рекомендации, которых необходимо обязательно придерживаться, монтируя слаботочные сети. Они состоят в следующем:
- Соблюдение минимального расстояния, на котором следует разместить силовые и слаботочные кабеля, проложенные провода
- Расстояние между линиями сети интернет и специализированными силовыми кабелями должно быть не меньше 0,3 м
- Нельзя заводить слаботочные кабели в стояк, где находятся другие электрические кабеля
- Категорически запрещается сращивать провода. Монтаж осуществляется только при использовании цельного кабеля
- Если провода телефонной коммуникации прокладываются в определенном направлении, они размещаются параллельно, плотно прижимаясь друг к другу
- При наличии открытой проводки минимальное расстояние, на котором необходимо расположить кабеля телефонной сети, составляет от 15 мм и более (при длине 10м)
- Распределительная коробка размещается на стене, но только не над дверями, окнами или другими проемами
- Наименьшее расстояние, которое допускается при установке распределительной коробки на стене, составляет 300 мм относительно потолка
- Кабели различной емкости при пересечении между собой должны прилегать к стене или огибать ее сверху или снизу (это зависит от емкости проводов)
- Обязательно необходимо предусмотреть надежную защиту кабелей. Особенно это относится к наружным слаботочным сетям, устанавливающимся непосредственно под окнами или водосточными трубами
- Следует позаботиться о заземлении, используя для этого специальные шины, составляющиеся из хорошо изолированных медных проводников
- При открытой прокладке слаботочных сетей для телефонной коммуникации кабеля должны размещаться на расстоянии не менее 200 мм от пола и 150 мм от потолка
- При закрытом способе прокладки провода могут располагаться на любой высоте, которая покажется удобной
- Ели по линиям передаются всевозможные оцифрованные сигналы, слаботочные электрические сети можно разместить по стенам в штробах, ПВХ-рукавах в фальшполе либо стяжке полов. Кроме того, допускается подвешенное состояние над фальшпотолком
Материалы для слаботочной проводки в квартире, доме
Чтобы выполнить полноценную прокладку компьютерной, телевизионной либо телефонной сети, применяются различные виды проводов. Для монтажа компьютерных слаботочных систем и сети используются кабели, выполненные из меди. Они представлены в качестве формата «витая пара». Что касается принадлежности к классу, их стоит отнести к В и Е соответственно. Также встречаются специализированные волоконно-оптические провода. Если необходимо прокладывать телефонные сети, в данной ситуации достаточно воспользоваться стандартными слаботочными кабелями 3-й категории.

Слаботочные сети, виды проводов
Стоит отметить, что для выполнения монтажа слаботочных сетей следует использовать электрические провода. Через них можно осуществлять передачу данных, что достигается при наличии тактовой частоты до 1 МГц. Применение оптических кабелей зачастую наблюдается в случае необходимости укладки магистральных сетей. Это объясняется тем, что в данном случае существует надобность в довольно высокой скорости передачи данных. Что касается марки кабеля, она изначально указана в схеме монтажа.
Свыше 286.000 м² выполненных электромонтажных работ

Объекты электромонтажа:
Склады
Гипермаркеты
Торговые центры
Жилые здания
Рестораны
Магазины
Центры обработки данных
Производственные предприятия
Медицинские учреждения
Выполняем следующие виды электромонтажных работ:
Монтаж ТП, РП, РТП, КТП, БКТП
Установка ДГУ
Модернизация электрощитовых
Внешнее электроснабжение
Электрооборудование
Внутреннее освещение
Наружное освещение
Заземление и молниезащита
Высотные работы
Комплекс пусконаладочных работ
Московские промышленные предприятия, крупные складские комплексы и логистические центры, жилые и коммерческие здания, центры обработки данных являются энергоёмкими объектами, насыщенными различными инженерными системами. Это требует от подрядчика на электромонтажные работы тщательной организации процесса монтажа и составления грамотного технико-экономического обоснования бюджета.
Электромонтажные работы в офисах, магазинах и ресторанах связаны не только со стесненностью условий для производства работ в связи достаточной плотностью смежных инженерных коммуникаций, но и повышенными требованиями Заказчика к эстетике и интерьерной культуре.
В большинстве случаев, в целях экономии времени и средств, Заказчик принимает решение об отсутствии монтажа «чистых» потолков, либо применяется отделка потолков типом «Грильято», то есть все инженерные коммуникации прокладываются открыто под «грязными» потолками и находятся на виду у всех посетителей.
Наши объекты:
МЕТРО
СКЛАД ПРОТЕК
СКЛАД ПУШКИНО
БЦ АКАДЕМИК
ГОСТИНИЦА
ТЦ ГОРОД
ЛЕРУА МЕРЛЕН
ХУХТАМАКИ
САЛАВАТСТЕКЛО
Выполняем работы по прокладке кабельных линий напряжением от 0,4 кВ до 35 кВ; строительство трансформаторных (ТП 6, 10, 20/0,4 кВ) и распределительных (РП 6, 10, 20 кВ) подстанций. Для электроснабжения Объектов любого масштаба требуются точки технологического присоединения, простыми словами место, где можно получить электрическую мощность, будь то крупный деревообрабатывающий завод или АЗС. Для осуществления подключения Абоненту необходимо заключить «Договор о технологическом присоединении» с местной электросетевой организацией с последующим выполнением Технических условий (являющихся неотъемлемой частью такого Договора, проще называемых ТУ). Специалисты подрядчика ТриА Энерго помогут проконсультировать по всем вопросам связанных с порядком получения таких Технических условий и их выполнением.
10 правил монтажа электропроводки
Рассмотрим главные моменты, учитываемые в разработки плана.
№ 1. Розетки, электросчетчики, а также разделительные коробки следует устанавливать в легкодоступных, для обслуживания и ремонтных работ, местах.
№ 2. Токопроводные элементы обязательно следует закрыть и изолировать от посторонних.
№ 3. Выключатели размещаются на высоте 0.9 метра от пола, и на таком расстоянии от двери, чтобы не загораживался доступ к выключателю при открытии двери. Иногда все выключатели устанавливают с одной и той же стороны во всех комнатах.
№ 4. Розетки следует устанавливать во всех комнатах, кроме ванной комнаты, там разрешено устанавливать только специальные розетки для электрических приборов (бритв, фенов и стиральных машин).
В остальном же, розетки монтируются на уровне 30 сантиметров от пола, размещаются таким образом, что бы в ходе эксплуатации было удобно подключать к ним приборы, либо, исходя их того, где точно будет размещено оборудование.
Запрещается монтаж розеток на уровне менее 50 сантиметров от металлоизделий: батарей, труб, раковин и т.д. на стенах-перегородках. Розетки удобнее всего монтировать в стене с обеих сторон, через общее отверстие.
| Правила ПУЭ 7.1.50. Минимальное расстояние от выключателей освещения, штепсельных розеток и элементов электроустановок до газопроводов должно быть не менее 0,5 м. |
В помещении, размером 6 м2, по нормам безопасности в каждой комнате должно быть как минимум по одной розетке, а на кухне их общее количество должно быть не меньше трех. Розетки обязательно должны быть соединены с разделителем с двойной изоляцией, его расположение должно быть вне этих помещений.
№ 5. Прокладывать электропроводку нужно по четко определённым линиям, горизонтальным или вертикальным. И необходимо запомнить ее размещение, особенно при других отделочных и декорирующих работах, что бы нечаянно не забить гвоздь в стену и повредить электропровод.
Так, по горизонтали, электропроводку проводят на расстоянии 5-10 сантиметров от балок и карнизов, 20 сантиметров от потолка, 15-20 сантиметров от плинтуса, по вертикали должно быть не меньше 10 сантиметров от углов пересечений стен, дверей и окон.
№ 6. От металлических объектов, трубопровода с горючими веществами электропроводка прокладывается на расстоянии не менее 40 сантиметров. Если рядом водопровод с горячей водой, при монтаже электропроводки используют защитную проводку, или защищают асбестовыми прокладками.
№ 7. Расстояние между проводами должно быть не меньше чем 3 миллиметра. Как уже упоминалось, проводка должна быть оснащена разделительными или распределительными коробками.
№ 8. Монтаж открытой прокладки кабелей (не путать с проводом) электропроводки разрешается во всех помещениях для приготовления и приема пищи, кроме кухонь квартир. Т.е. на кухнях квартир запрещена открытая прокладка кабелей. Установка и прокладка проводов в виде открытой проводки в этих помещениях запрещена. На кухнях квартир вид электропроводки должен (может) быть такой же, как и в жилых комнатах.

Сноски из ПУЭ на счет правила монтажа электропроводки открытого типа:
| ПУЭ 7.1.39. В помещениях для приготовления и приема пищи, за исключением кухонь квартир, допускается открытая прокладка кабелей. |
№ 9. В помещениях с повышенной влажностью, таких как ванны, сауны, душевые, должна применяться только скрытая проводка или открытая прокладка кабелей.
Запрещено прокладывать провода с металлической оболочкой в металлических трубах и рукавах.
№ 10. Разделение совмещенного PEN проводника на нулевые рабочие и нулевые защитные провода осуществляется на специально отведенных для этого шинах. Причем подключаются нулевой защитный и рабочий провод на разные болтовые соединения.

Металлические корпуса электроприборов соединяются с защитными проводами с помощью болтового крепления. Эти защитные провода не содержат предохранителей и выключателей.

Список источников
- samelectrik.ru
- www.asutpp.ru
- xn--e1agfbb6an8f.org
- electricvdome.ru
- energo.bz
- powercoup.by
7 лестниц