Отличительные черты современной электропроводки
Современные бытовые технологии в конце 20 века сделали ощутимый рывок. В домах кроме телевизоров появились компьютеры, системы охраны и видеонаблюдения, мощная бытовая техника, беспроводная связь. В связи с этим разводка электрических кабелей стала намного сложнее, хотя принципы устройства не изменились.
Сложности начинаются с самого первого этапа – проектирования. Чтобы грамотно составить схему проводки в квартире, необходимо заранее знать приблизительную мощность бытовых электроприборов, места их расположения. Одновременно с этим нужно продумать систему освещения во всех помещениях.

Если вы не учтете прокладку компьютерного кабеля и установку роутера для домашней сети, в дальнейшем получите висящие по стене или протянутые по полу провода. В лучшем случае их удастся спрятать в плинтус или зашить в короба
Кроме большого количества новых приборов появилось еще одно отличие: наряду с силовой сетью обязательно присутствует слаботочная система, традиционно включающая в себя телефонные и телевизионные провода, а также компьютерное, охранное, акустическое оборудование и домофон.
Эти две системы (силовую и слаботочную) разделять нельзя, так как все приборы питаются от источников электросети 220 В.

Схема разводки слаботочной системы в квартире. Включает в себя три сети: компьютерную, телефонную и телевизионную. Для каждой сети предусмотрены свои виды кабеля и оборудование
Изменилось количество эксплуатируемых одновременно приборов и кабелей. Если раньше хватало установки в зале одной люстры, то сейчас многие используют осветительную систему, включающую, кроме люстры, точечные светильники и подсветку.
К увеличению количества техники нужно прибавить увеличение мощности – по этой причине старые кабеля уже не подходят, а размеры электрораспределительного щита заметно выросли.
Крепёж
Следующая условная группа материалов для электромонтажных работ — это крепежные и защитные материалы. К ним относятся средства для прокладки кабелей, что для этого нужно?
Электропроводки прокладывают скрыто и открыто. Скрытая проводка предполагает штробление стен и прокладку кабелей в штробах с последующей заделкой и облицовочными работами. К открытой проводке относится прокладка кабелей по поверхности стен и потолков, в том числе если последующая отделка будет выполняться гипсокартонными конструкциями или натяжными потолками.

В последнее время наблюдается тенденция прокладывать кабели в гофре даже при скрытой электропроводке. Делать так не обязательно, но прокладка в гофре занимает меньше времени, если у вас есть доступ к газовому пистолету для дюбелей.

Гофра монтируется на поверхности стен с помощью клипс или дюбель-хомутов. При наличии газового пистолета вы можете значительно ускорить закрепление клипс по кабельной линии, а монтаж кабеля в гофре в клипсы происходит за считанные минуты.

В деревянных домах вообще запрещены электромонтажные работы по прокладке и организации скрытой электропроводки. Поэтому её прокладывают в гофре или кабель-канале по поверхности стен и потолков. Гофра не соответствует эстетическим запросам большинства людей, поэтому выбор останавливают на кабельном канале. Чаще всего они белого цвета, но в продаже можно найти и другие цвета, которые лучше подойдут под ваши запросы.

Однако если вы все равно не хотите видеть в своем интерьере электропроводку в кабель-каналах — осуществляйте электромонтаж в потолочных и напольных плинтусах. Довольно много производителей выпускает такие изделия с достаточно большим отсеком под провода. Тогда вы минимизируете видимость электрических линий на ваших стенах. Тем более такой способ прокладки разрешен согласно ПУЭ.

При этом видимые части линии можете выполнить витым декоративным шнуром на керамических изоляторах.

Итак, для прокладки проводки в квартире или в частном доме не из дерева вам нужен такой список материалов:
- Кабель ВВГ или NYM.
- ПВХ-гофротруба.
- Клипсы или дюбель хомуты для гофры.
- Крепеж для клипс и дюбелей (саморезы с пластиковыми дюбелями или дюбеля для пистолета).
- Диски для штробореза или буры для перфоратора, свёрла, коронки.
- Клеммники.

Для прокладки проводки в деревянном доме нужно приобрести такой список материалов:
- Кабель NYM или ВВГнг-LS/ВВГнг.
- Возможно, декоративный витой шнур в оплётке с керамическими изоляторами.
- Кабельные каналы или плинтуса с нишей под проводку.
- Крепеж для каналов и плинтусов (саморезы или клей).
- Клеммники.
- Свёрла, коронки и прочее.
Сжим орех
Когда мы рассматривали основные способы соединения проводов в распределительной коробке, особое внимание было уделено специальному зажиму типа орех. Изделие имеет довольно простую конструкцию, но, несмотря на это позволяет сделать ответвление надежным и долговечным
Состоит сжимной орех из карболитового корпуса, стальной плашки и пластины, которая собственно и прижимает жилы четырьмя винтами.
Компактные размеры ореха, а также невысокая стоимость делает его одним из наиболее популярных ответвителей для линии электросети. В свою очередь недостатками изделия является низкая герметичность (степень защиты IP 20), а также отсутствие возможности ответвления жил проводов под напряжением. Также следует отметить, что очень важным достоинством «орешка» является возможность качественно соединять медные и алюминиевые жилы сечением от 1,5 до 150 мм2.
Все что Вам нужно — уложить зачищенные контакты в специальную плашку и тщательно затянуть винтики отверткой, после чего защелкнуть корпус. Более подробно о сжиме типа орех вы можете узнать из нашей статьи.
Современная защита квартиры и дома
Электрический щиток также претерпевает изменения при монтаже современной проводки. Теперь домовую электросеть разделяют на зоны и на каждую из зон устанавливается защита:
- реле напряжения;
- автоматический выключатель (для защиты потребителя от коротких замыканий);
- устройство защиты от искрения УЗИс;
- дифференциальный выключатель или УЗО (аппараты, контролирующие состояние изоляции на линии, и отключающие напряжение при изменении сопротивления изоляции).
Многие электрические приборы плохо переносят скачки напряжения и даже не значительные перепады напряжения могут повлечь за собою значительный ущерб в виде сгоревшей бытовой техники. Чтобы бороться с этим разрушительным явлением, разработаны устройства, контролирующие величину напряжения. При изменении параметров реле напряжения отключает потребителей, оберегая тем самым их работоспособность. По выставленным параметрам напряжения, реле постоянно замеряет внешний вольтаж сети. При отклонении (обычно по умолчанию установлено 170 Вольт нижний, и 250 верхний порог напряжения) происходит отключение всей сети после РН. По прошествии нескольких минут устройство повторно контролирует параметры напряжения и если все в порядке, производит подключение. Таким образом устройство помогает избежать электрических поломок и спонтанных пожаров. Для городской квартиры вполне подойдет реле с силой коммутации 40 Ампер — РН40.

Если вдруг в домашней сети произойдет короткое замыкание (случайное соединение проводника фаза и нуля), ток в проводнике возрастает в сотни раз. В этот момент происходит разогрев проводника до состояния плавления, что в большинстве случаев может произвести к возгоранию предметов, находящихся рядом, и порче электрических устройств. Для предотвращения короткого замыкания в цепи питания устанавливают автоматические выключатели, которые реагируют на резкий скачок тока, и разрывают цепь своими контактами. Это не то устройство, на котором стоит экономить при проектировании современной электропроводки. Прежде чем приобрести какую-то марку автомата, необходимо ознакомится с отзывами о данном производителе. При этом у самого продавца нужно попросить сертификат на продукцию. Это защитит от приобретения подделки или некондиции.
В свою очередь наш портал рекомендует марки автоматических выключателей АВВ, Schneider Electric, Legrand.
Прежде чем устанавливать автомат, необходимо определится с нагрузкой. Как правило на розетки устанавливают автоматический выключатель от 16 до 25 Ампер, а для освещения достаточно 6-10 Ампер. Можно сэкономить, если правильно рассчитать ток потребителя в розеточной группе и приобрести нужные автоматы. Дело в том, что автоматы проверенных производителей в разных позициях ощутимо отличаются в цене.
Для того, чтобы контролировать состояние изоляции сети и потребителей, обязательно необходимо установить в щитке на каждую из контролируемых зон УЗО или дифавтомат. Принцип работы таких аппаратов основан на сравнении двух токов, входящего и исходящего, в специальном трансформаторе. Если утечка тока произойдет не через изоляцию на землю, а через тело человека, при его касании токоведущих частей, то УЗО отключит напряжение, сохранив ему жизнь. Для помещений, как правило, устанавливают УЗО номиналом 30 мА (миллиампер), а для ванных комнат или помещений повышенной влажности 10 мА. Общее УЗО в щитке, на весь дом или коттедж, устанавливается номиналом от 100 до 300 мА.

Устройство, контролирующее качество соединений проводов в распределительных коробках и состояние контактов в розетках и удлинителях, предотвращающих перегрев в местах плохого контакта и возможные спонтанные возгорания — УЗИс. Устройство защиты от искрения отключит нагрузку до того момента, когда дуга и нагрев выведут из строя проводку. Почему необходимо устанавливать УЗИс — ни автомат, ни дифференциальный выключатель, ни тем более реле напряжения, не способны распознать дуговые и искровые процессы в местах плохого контакта. Именно поэтому современная электропроводка в деревянном доме подразумевает установку защиты от искрения. В квартире и обычном кирпичном доме также можно перестраховаться и установить данный вариант защиты.
Общая классификация
Для начала следует разобраться, что подразумевают под типами, а что под видами документов. Итак, согласно ГОСТ 2.701-84, существуют следующие виды схем (в скобках краткое обозначение):
- Электрические (Э).
- Гидравлические (Г).
- Пневматические (П).
- Газовые (Х).
- Кинематические (К).
- Вакуумные (В).
- Оптические (Л).
- Энергетические (Р).
- Деления (Е).
- Комбинированные (С).
Что, касается типов, основными считаются:
- Структурные (1).
- Функциональные (2).
- Принципиальные (полные) (3).
- Соединений (монтажные) (4).
- Подключения (5).
- Общие (6).
- Расположение (7).
- Объединенные (8).
Исходя из указанных обозначений, можно по наименованию электросхемы понять ее вид и тип. Как пример, документ с названием Э3 является принципиальной электрической схемой. С виду она выглядит так:

Далее мы подробно рассмотрим, назначение и состав каждой из перечисленных типов электросхем. Рекомендуем перед этим ознакомиться со стандартными условными обозначениями на схемах, чтобы было еще проще понять, что собой представляет каждый вариант чертежа.
Установка
Напоминаем, что все работы с проводкой необходимо выполнять только при отключенном электропитании.
Процесс установки накладных распределительных коробок не представляет сложности, достаточно разметить отверстия под крепеж, просверлить их и закрепить основание на стену, предварительно убрав с него заглушки для подвода труб или короба с кабелем. Далее достаточно соединить провода, как того требует схема электропроводки.
Фото установленной и подключенной внешней распределительной коробки
Если коробка металлическая, ее желательно заземлить (когда в проводке предусмотрено заземление).
Прежде чем включить электропитание, рекомендуем тщательно проверить правильность соединений.
Видео: Типичные ошибки при распайке ответвительной или распределительной коробки.
Процесс установки распределительной коробки для скрытой проводки несколько сложнее. Для этой цели потребуется специальная насадка на перфоратор, если требуется организовать посадочное место в бетоне или кирпиче. Для гипсокартона насадку можно устанавливать на обычную неударную дрель.
Насадка для бетонаНасадка для гипсокартона
Подобрав насадку соответствующего стакану коробки диаметра, приступают к высверливанию отверстия. Работая с бетоном, рекомендуем при высверливании использовать респиратор.
Далее алгоритм установки зависит от материала стены:
- для гипсокартона достаточно вытащить высверленный круг, установить стакан и зафиксировать его крепежом;
- в бетонной или кирпичной стене потребуется выбить высверленное отверстие (края его должны быть гладкими) и установить стакан, зафиксировав его цементным или гипсовым раствором.
Далее процесс практически не отличается от действий при установке внешней коробки, который был описан выше.
Коробка, установленная в кирпичную стену
На рисунке выше показана установленная и подключенная ответвительная коробка.
Будет полезно прочитать:
- Что такое вводная коробка?
- Где устанавливается коробка уравнивания потенциалов?
- Гребёнка для автоматических выключателей
- Щиток электрический под счетчик и автоматы
Схема освещения
В классическом варианте потолочные светильники должны располагаться в центре помещения, место нахождения которого находятся в точке пересечения линий, проходящих через середину длины и ширины помещения. В прихожей, выполненной в виде буквы Г, устанавливается 2 светильника.
При нанесении на схему расположения выключателей необходимо учитывать, что дверь может открываться внутрь или наружу, быть правого или левого исполнения. Открытая дверь не должна мешать свободного доступа к нему. Выключатели, как правило, располагаются внутри комнат. Исключения составляют помещения с повышенным содержанием влаги, к которым относятся прачечные, бани, ванные комнаты. Это делается с целью обеспечения электробезопасности и сохранности коммутационной аппаратуры.

На представленном плане электропроводки показано, что выключатель освещения ванной комнаты находится за ее пределами.
Примеры операций и проводок по 91 счету
Пример 1. Учет прочего дохода от аренды на счете 91.01
Сумма ежемесячных расходов, которые несет ООО «Лето» на обслуживание помещения, складывается из:
- амортизационных отчислений — 2 000руб.;
- оплаты труда обслуживающему персоналу — 8 000руб.;
- налогов на зарплату — 1 500руб.;
- коммунальных и прочих услуг — 3 000руб.
По итогам ноября 2016 года в бухгалтерии ООО «Лето» сделаны проводки:
| Дт | Кт | Описание проводки | Сумма, руб. | Документ-основание |
| 76 | 91.01 | Начислена сумма арендной платы за ноябрь 2016 года | 50 000 | Акт выполненных работ |
| 91.02 | 02/70/69/23 | Списаны расходы на содержание арендованного помещения (2 000 + 8 000 + 1 500 + 3 000) | 14 500 | Квитанции, счета, акты и т.п. |
| 51 | 76 | Зачислена оплата за услуги аренды на р/счет, поступившая от арендатора «Василек» | 50 000 | Банковская выписка |
Пример 2. Учет прочего дохода от реализации материалов на счете 91.01
- стоимость реализации — 40 000руб.;
- себестоимость материалов — 15 000руб.;
- зарплата и налоги на зарплату производственным рабочим — 4 000руб.
Учет прочих доходов от реализованных материалов был отражен в учете ООО «Лето» следующими проводками по счету 91:
| Дт | Кт | Описание проводки | Сумма, руб. | Документ-основание |
| 76 | 91.01 | Начислен доход от продажи материалов | 40 000 | Расходная накладная |
| 91.02 | 10 | Списана себестоимость материалов | 15 000 | Калькуляция себестоимости |
| 91.02 | 23 | Списаны расходы, связанные с реализацией (зарплата и налоги) | 4 000 | Зарплатная ведомость |
| 51 | 76 | Поступили средства за реализованные материалы | 40 000 | Банковская выписка |
Пример 3. Учет банковских услуг по счету 91.02
- по установке системы «Банк-Клиент» сроком на 3 года (разовая услуга) — 7 000руб.;
- по обслуживанию «Банк-Клиент» (ежемесячная услуга) — 400руб.;
- по расчетно-кассовому обслуживанию (РКО) — 2 000руб.;
- по инкассации наличных — 6 000руб.
В учете ООО «Лето» сделаны проводки по отражению банковских услуг:
| Дт | Кт | Описание проводки | Сумма, руб. | Документ-основание |
| 91.02 | 60 | Отражены услуги по РКО | 2 000 | Договор на обслуживание банковского счета, выписки банка |
| 91.02 | 60 | Расходы по инкассации наличности | 6 000 | Акт оказанных услуг |
| 91.02 | 60 | Расходы по установке «Банк-Клиент» | 7 000 | Акт оказанных услуг |
| 91.02 | 60 | Расходы по обслуживанию «Банк-Клиент» за месяц | 400 | Акт оказанных услуг |
Как выполнить однолинейную схему
Электрическая однолинейная схема электроснабжения квартиры, дома, частного предприятия выполняется по требованиям ГОСТ 2.702-75. Согласно нормам, у Вас должно получится изображение 3 фаз, питающих сеть конкретного помещения и линии групповых сетей, которые отходят от питающих. При этом схему не нужно подробно детализировать, основная её цель – давать представление про общую конструкцию системы электрического снабжения.
Фото — Принципиальная схема подстанции
Именно благодаря такой подаче информации, в итоге получается достаточно простой чертеж, четко передающий основные параметры сети питания. Многие начинающие электрики могут усомниться в эффективности таких чертежей, ведь кажется, что непонятно, как их отобразить тогда трехфазное или двухфазное питание.
Все очень просто: возле линии, которая определяет многофазное питание ставится цифра и перечеркнутый штрих, как на фото ниже. Цифра в такой схеме отвечает за определение количества фаз, а перечеркнутая косыми отрезками линия – это определение фазы.
Помимо отображения отдельных проводов, также важно изобразить на чертеже дополнительные детали электрической схемы. Для обозначения УЗО квартиры, контакторов, выключателей и прочих дополнительных элементов, Вам также нужно ознакомиться с ГОСТ 2.709, который предоставляется как в ПДФ, так и обычным текстом
В этом документе указываются общепринятые варианты черчения подобных элементов.
Рассмотрим пример однолинейной схемы квартиры (также можно использовать для электроснабжения дома):
Фото — пример однолинейной схемы
Для защиты групповых линий от перегрузки и общей цепи помещения от электрического замыкания, используются автоматические выключатели. Их, в свою очередь, на чертеже «подстраховывают» устройства сверхтоков. В схему в обязательном порядке нужно включить не только основные её составляющие (кабеля ввода, заземления, УЗО), но и розетки, выключатели света в комнатах.
На чертеже выше Вы можете обратить внимание, что возле перечеркнутых линий косыми штрихами нет цифр. Вместо них используется определение фазы по количеству штрихов
Если на схеме показано 2 штриха – то питание двухфазное, если 3 – то, соответственно, трехфазное. Но при этом однофазная проводка обозначается одной линией с одним штрихом.
Такое подключение отлично демонстрирует однолинейная схема трансформатора КТП:
Фото — однолинейная схема трансформатора ктп
Примеры того, что должна включать однолинейная типовая схема электроснабжения поликлиники, квартиры, загородного или дачного дома, завода или прочих помещений:
- Точку, где объект подключается к электрической сети;
- Все ВРУ (вводно-распределительные устройства);
- Точку и марку прибора, который используется для подключения помещения (в большинстве случаев, нужны также параметры щита);
- Нужно не только начертить кабель питания, но и отметить на схеме его сечение и марку, иногда мастера помечают номинал;
- Проект должен содержать данные про номинальные и максимальные токи оборудования, которое используется на объекте.
Еще очень важно использовать примерные расчетные нагрузки, которые могут стать максимальными для определенной сети электропитания (АТС) Вашего поселка, города. Правила выполнения могут варьироваться в зависимости от требования к конкретным помещениям
Вы должны уделять внимание любой мелочи, ведь основные требования к проекту выдвигаются снабжающей электричеством компанией. Именно однолинейная схема электроснабжения предприятия, дома, цеха является основополагающим документом согласно ГОСТ, который отвечает за эксплуатационные ответственности разных сторон
В особенности она необходима для подключения к локальной сети дома с АВР:
Фото — дом с авр
Чтобы бесплатно разработать однолинейную схему электроснабжения детского учреждения, частных построек (гаражей, домов, квартир, киосков), многоэтажного жилого здания, завода (СНТ), вахтовых вагонов, Вам понадобится ЕСКД. ЕСКД – это Единая система конструкторской документации.

Дома однолинейная схема электроснабжения чертится вручную или при помощи AutoCAD (чертёжная программа). Данный софт поможет разработать проект для любого объекта (офиса, торгового павильона, подстанции, школы, магазина, коттеджа, НПС) и потребителей.
Как шаблон, представляем однолинейную схема ЗРУ-10 кВ, к слову, по её аналогии разрабатывается схема ИБП АББМ:
Фото — однолинейная схема ЗРУ 10 кВт
Для разработки схемы при помощи специалистов, Вам нужно будет обратиться в конструкторское бюро своего города. Такие учреждения есть в Белгороде, Москве, Санкт-Петербурге и других крупных и средних населенных пунктах.
Меры безопасности при монтаже электропроводки
Чтобы защитить себя и тех, кто случайно может оказаться поблизости, во время электромонтажных работ необходимо соблюдать следующие правила:
- Использовать только исправное оборудование – электроинструменты, переноски, удлинители.
- Перед началом работ обязательно отключить подачу электроэнергии, воспользовавшись автоматами и УЗО. Чтобы случайно не включили напряжение на площадке, можно повесить табличку или предупредить соседей.
- Для страховки пользоваться тестерами и индикаторными отвертками.
- Следить за тем, чтобы изоляция на ручках инструмента была в порядке.
- Стараться не работать в одиночку – всегда может понадобиться помощь по работе или медицинская помощь.
Отдельные правила касаются работы с перфоратором, штроборезом или мощной дрелью. Кроме защитной одежды обязательны перчатки (с изолированным наладонником) и маска (респиратор). Обувь должна плотно охватывать ноги и не скользить.
Прокладку электропроводки под потолком необходимо производить только с помоста: стулья или столы категорически не подходят.
Каждый профессиональный электрик знаком с правилами оказания первой медицинской помощи при поражении током, но обыватели, к сожалению, не всегда действуют грамотно.
Главная ошибка, которую делают пытающиеся помочь люди, – попытка оттащить пострадавшего от источника поражения. Этого делать ни в коем случае нельзя. Первым делом следует снять напряжение – отключить рубильник
В идеале в любом помещении, где проводятся электромонтажные работы, необходимо иметь под рукой огнетушитель. Заливать водой искрящие или вспыхнувшие провода строго запрещено.
Определяемся с расположением мебели и техники
Перед составлением схемы немаловажным будет учесть планировку помещений, планируемую расстановку мебели и размещение стационарных электроприборов. Места установки электрофурнитуры в комнате должны быть выбраны так, чтобы они не оказались заставленными диванами или шкафами и обеспечивали комфортный доступ к включению-выключению освещения и потребителей электроэнергии. Лучше будет, если обсуждение этого сложного вопроса вынести на семейный совет.
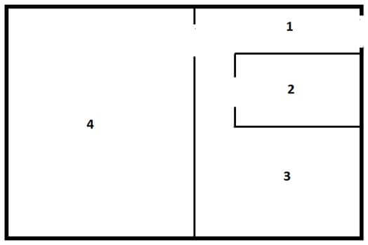
Первым делом необходимо сделать план помещений с указанием оконных и дверных проемов. Для того чтобы в дальнейшем было легче произвести подсчет необходимого количества кабеля и провода, составление плана лучше произвести в масштабе с соблюдением размеров. Процесс проектирования схемы электропроводки будет рассматриваться на примере однокомнатной квартиры. Название помещений на плане лучше пронумеровать и отдельно указать расшифровку.

Где: 1 – прихожая, 2 – ванная комната, 3 – кухня, 4 – зал.
Составление схемы разводки электропроводки
Разводка электрики в квартире начинается с составления плана разводки сети. Монтаж электропроводки по имеющемуся расчетному чертежу выполнять гораздо проще и целесообразнее по ряду преимуществ:
- схема электросети позволит заранее спланировать необходимое оборудование и средства;
- наличие схемы позволит точно определить мощность входного ввода;
- чертеж дает понимание монтажному персоналу о потенциально пожароопасных узлах проводки для принятия мер по их перепланировании или принятия дополнительных мер безопасности;
- схема позволит выполнить монтаж планово, с проверкой завершения полного цикла.
Примеры схем для однокомнатной квартиры
Электротехники считают, что если суммарная нагрузка на электросеть квартиры не превышает показатель 25 А, то есть возможность и даже целесообразность по стоимости выполнить планировку сети одним контуром на один автомат. Такой способ – типичная типовая схема прошлого, когда в контур включены были осветительные элементы с силовыми розетками. Сегодня от этих приемов отошли и монтаж ведут по независимым отдельным контурам. Пример проводки однокомнатной квартиры приведен на рисунке 3.
Рис. 3. Схема электроснабжения однокомнатной квартиры
На чертеже видно грамотное распределение нагрузки сети однокомнатной квартиры на несколько отдельных контуров со своими УЗО. Такая система обеспечит безаварийную работу проводи и корректную работу оборудования без посадки напряжения.
Для двухкомнатной квартиры
Отличие чертежа для работ по монтажу снабжения двухкомнатной квартиры от однокомнатной состоит в большем количестве контуров в плане разводки. Здесь возможны некоторые компоновки. На рисунке 4 приведен пример такой схемы.
Рис. 4. Схема электроснабжения двухкомнатной квартиры
На примере наглядно видны несколько контуров освещения, а также отдельно выделенные защищенные цепи для кухни, комнат и другого мощного оборудования.
Для трехкомнатной квартиры
На рисунке 5 приведен пример чертежа, который часто применяют для квартир с количеством комнат три и более, где из одного распределительного щита будет выходить уже довольно большое количество проводников.
Рисунок 5. Пример схемы электроснабжения для трехкомнатной квартиры
Особенность данного варианта – это отдельные контуры, заключенные в отдельные блоки со своей защитой. В данном примере 2 блока (25 А и 40 А соответственно). Такой способ позволяет разделить зоны кабельной продукции, делает систему более удобной и практичной.
Выводы и полезное видео по теме
Как правильно работать с инструментами, проводами и различными электрическими приборами, а также спланировать работы, можно узнать, просмотрев полезное видео.
Штробление стен и монтаж на потолке:
Интересная теория об электропроводке и защите:
Монтаж блока розеток:
Электромонтажные работы считаются законченными, когда провода подключены и замаскированы, распределительные коробки закрыты крышками, а электрощит полностью укомплектован. Заменить розетку или установить люстру можно в любой момент – монтаж осветительных приборов и декоративных элементов чаще всего производится после отделочных работ.
Но при любых манипуляциях с электрикой помните о самом главном – безопасности человеческой жизни.
Вы имеете значительный опыт выполнения электромонтажных работ и самостоятельно занимались проектированием и монтажом электрической проводки в доме? Если вы заметили ошибки или неточности в приведенной нами инструкции – укажите нам, пожалуйста, на них, оставив комментарий в блоке под этой статьей.
Или вы только изучаете правила монтажа и хотите уточнить некоторые нюансы? Задавайте свои вопросы – мы постараемся вам помочь.
Список источников
- sovet-ingenera.com
- samelectrik.ru
- www.asutpp.ru
- BuhSpravka46.ru
7 лестниц