Гул и щелчки
Если стабилизатор напряжения сильно гудит, нужно проверить, чтобы питающее напряжение не было выше или ниже допустимых диапазонов. Диапазон регулировки в большинстве случае лежит в пределах 100-250 Вольт.
Внимание! Даже при исправном состоянии автотрансформатор равномерно и не слишком громко гудит. Также гул издаёт сервопривод при перемещении щеточного узла
Релейные стабилизаторы напряжения во время работы издают щелчки. Это нормально, реле (черные прямоугольники на рисунке ниже) переключают отводы от обмоток для регулировки выходного напряжения.
Если устройство громко трещит – это может свидетельствовать об искрении щетки в сервоприводных моделях, проблемах с реле и плохом контакте внутренней проводки устройства.
Ремонт двигателя сервопривода
Когда сгорел сам двигатель, то есть два варианта:
- Покупка нового и его установка.
- Попытка реставрации старого двигателя.
Второй вариант дает возможность реанимировать двигатель собственными силами, однако, на не долгое время. Для реанимации нужно произвести отключение двигателя от общей схемы. После этого его нужно подключить к мощному источнику питания.
Вашей задачей является подача на его выходы тока с постоянным напряжением в 5 вольт. Ток при этом должен иметь силу от 90 до 160 мА. При подаче такого тока на щетках двигателя сгорает каждая мелкая частица «мусора».
Полезный совет: поскольку двигатель относится к реверсивному типу, то при подаче напряжения нужно менять полярность. Эта процедура проводится два раза.
После таких действий двигатель сможет снова работать, и стабилизатор будет выполнять свою основную функцию. Далее по несложной схеме можно проводить процедуру подключения стабилизатора напряжения, выпущенного компанией «Ресанта».
Эта схема предусматривает подключение входного фазного и нейтрального кабелей к входной фазной и нейтральной клеммам соответственно. Аналогичным является подключение выходных проводов. Также обязательно подключают заземляющий провод.
Ремонт релейного стабилизатора Ресанта СПН-9000
Принцип действия релейных стабилизаторов базируется на ступенчатом регулировании выходного напряжения.
Стабилизация напряжения в автоматическом режиме обеспечивается микропроцессором.
Коммутация отводов автотрансформатора производится скачкообразно с помощью мощных электрических реле,
управляемых транзисторными ключами. Дискретность переключения различных стабилизаторов колеблется от 5 до 20 В.
Соответственно, чем меньше это значение, тем стабильнее выходное напряжение.
Рассмотрим две характерные неисправности, возникающие в процессе эксплуатации электронных стабилизаторов, на примере СПН-9000.
Стабилизация не работает при снижении входного напряжения от ~220Vдо ~170V, либо при повышении его выше ~220 В.
При этом в обоих случаях отсутствия стабилизации выходное напряжение меняется синхронно с входным. Иногда при включении стабилизатора выбивает пробки, то есть срабатывает защита от короткого замыкания. Основная «болезнь» электронных стабилизаторов напряжения – обгорание и залипание контактов реле.
Из-за неисправных реле выходят из строя ключи, собранные на транзисторах 2SD882 производства NEC. Реле (все пять штук) заменяют новыми, либо реставрируют. Для этого снимают крышки с реле, затем снимают подвижный контакт, освобождают его от пружины и с помощью наждачной бумаги «нулёвка» тщательно очищают все контакты реле (верхний, подвижный и нижний). Затем окончательно очищают все контакты бензином «Галоша» и собирают реле в обратном порядке. Потом выпаивают все пять транзисторов 2SD882 и проверяют целостность переходов. При необходимости, заменяют транзисторы новыми.
Совсем недавно пришлось ремонтировать стабилизатор напряжения с периодическим дефектом. Внешне этот дефект проявлялся как хаотическое отображение включающихся сегментов дисплея, сопровождающееся хаотическим срабатыванием реле. Этот дефект получил кодовое название «вьюга». Возникает из-за холодной пайки кварцового резонатора XTA1 с рабочей частотой 8 МГц.
Понятно, что из-за этого не будет нормально работать микроконтроллер U2 (маркировка заклеена этикеткой). Необходимо учесть, что выводы проблемного кварцового резонатора плохо обслуживаются. Поэтому лучше всего его выпаять, зачистить его выводы наждачной бумагой «нулёвка», затем качественно их облудить, подпаять и установить XTA1 на место.
Не лишней при ремонте стабилизатора будет проверка всех электролитических конденсаторов на плате контроллера. Дело в том, что производитель использует дешёвые конденсаторы торговой марки JAKEC крайне невысокого качества. Измеряют не только их ёмкость, но и ESR. На этом ремонт стабилизатора напряжения можно считать законченным. Затем стабилизатор напряжения включают и проверяют его работоспособность.
Ремонт электромеханических стабилизаторов напряжения
Самая главная проблема таких стабилизаторов – перегрев. Совершенно необходимо раз в 1-2 месяца, в зависимости от условий эксплуатации, делать техническое обслуживание стабилизатора. И ремонт стабилизаторов напряжения надо начинать именно с чистки.
Проблема перегрева проявляется прежде всего из-за того, что графитовая щётка, когда двигается по поверхности трансформатора, неизбежно изнашивается, и её частички вместе с пылью и прочим мусором остаются на контактной дорожке.
Теперь, когда щётка непрерывно “елозит” по поверхности, она начинает сильнее греться, искрить, мусор горит и пригорает к медной поверхности. В дальнейшем этот негативный эффект будет лавинообразно увеличиваться, и если не принять меры, достигнет необратимых пределов, когда чистка уже не поможет.
Конечно, спасать ситуацию будут тепловые датчики – это первые “звоночки”. Если стабилизатор вдруг начал выключаться “сам”, надо срочно звать специалиста и чистить поверхность.
Вот поверхность трансформатора в удовлетворительном состоянии, после трех лет работы по 8 часов в день:
Поверхность – Удовлетворительно. И это – после промывки спиртом.
А вот – к чему может привести безразличие к состоянию стабилизатора. Это тот же стабилизатор, другая фаза:
Состояние поверхности – Очень плохо
Если даже счистить этот нагар, площадь сечения провода необратимо уменьшится на 20-30%, что увеличит нагрев провода и щётки, и приведёт к вышеописанным пессимистичным процессам:
Поверхность автотрансформатора близко. Изоляция провода выгорела, возможно межвитковое замыкание. Эпоксидка также отвалилась от перегрева.
Тут поможет только наждачка “нулёвка”. Чистить надо по ходу щётки, потом промыть тщательно спиртом и вытереть насухо чистой тряпкой.
Ремонт серводвигателя
Другая поломка – неисправность серводвигателя, когда он перестаёт двигать щётку. Двигатель надо снять, прочистить, продуть, смазать. Поскольку используется двигатель постоянного тока с щётками, то можно попробовать покрутить его в холостую в обе стороны от источника постоянного тока напряжением около 5 В.
Таким образом можно, не разбирая его, немного почистить его щётки, ведь двигатель в работе крутится (точнее, поворачивается) только на угол до 180 градусов.
Ремонт электронной платы
Двигатель может не крутиться и потому, что на него не приходит питание. Питание идёт с платы управления, от биполярных транзисторов. Используется пара комплементарных транзисторов TIP41C и TIP42C, поскольку питание схемы двухполярное. Транзисторы надо менять парой, даже если один и будет целый. И только одного производителя.
Также в той же цепи выгорают резисторы 10 Ом (это следствие пробоя транзисторов). Ничто не мешает при замене резисторов увеличить их мощность до 3 или 5 Вт, повысив надежность работы.
Ну и замена реле, транзисторов, концевых выключателей и другой мелочевки – по ситуации.
Ремонт силовой части
К силовой части относятся автотрансформаторы (про них я уже сказал предостаточно). А также – контактор и вводной автомат, у которых горят контакты и клеммы. Из надо периодически протягивать, чистить, а при необходимости – менять.
Чтобы увеличить ресурс транзисторов и серводвигателя
Вот, что пишет Андрей:
Думал решить быстренько вопрос установкой стабилитрона или диода на худой конец, но уровни напряжений слишком малы, чтобы хоть как-то разгуляться. Соорудить нечто с зоной нечувствительности на транзисторах тоже можно, но это всё грандиозная лепнина на плате. В голове роились идеи вставить второй операционник и включить в разрыв цепи управления.
И тут отец, заглянув через плечо, на схеме обнаружил абсолютно незадействованный (по крайней мере в однофазной версии) операционный усилитель, уже распаянный на плате на ногах 12, 13, 14 с выходом на контакт 4XT2, который просто висит в воздухе. А дальше были прикидки коэффициентов усиления, обратной связи. В итоге родилась вот такая схема. (картинка на основе взятой из статьи).
Схема стабилизатора с порогом срабатывания
Пороговым элементом служат два встречно-параллельно включенных диода. резисторы R101 и R102 регулируют обратную связь и дают в итоге ширину зоны нечувствительности. Я остановился на номиналах 10k и 2.2k что дает нечувствительность примерно 3V по сети переменного тока. Как только напряжение в сети изменяется на большее значение, открывается один из диодов и на электромотор подается не плавно нарастающее, а сразу порогом, позволяя двигателю сразу сделать шаг. Кроме того, потребовалась коррекция выходного напряжения подстроечником, чтобы выставить выходное напряжение. Ну и вторым файлом прикладываю, как выглядит печатная плата после доработки.
Печатная плата стабилизатора после доработки
Да, в оригинальной схеме вместо мотора подключал маленькую лампочку и вольтметр. Напряжение плавно нарастает в любую из сторон.
В моей схеме двигатель включается, когда уже есть более серьёзное отклонение напряжения.
При этом если напряжение резко скакнуло в любую из сторон, никаких задержек в срабатывании не будет.
Доработка влияет на точность, но в реальной жизни это не играет особой роли. Напряжение на выходе в моём случае имеет право гулять +- 3 вольта от выставленного номинала. Это неизбежная расплата за меньшую нервозность сервопривода.
Можно увеличить коэффициент усиления первого операционника (на схеме синий текст) и получить +- 1.5 вольта.
Есть ещё момент. Все опыты проводились на стабилизаторе, в котором моторчик был заменен на более дорогую версию с графитовыми щётками. Как будет крутиться со штатным моторчиком проверить не удалось.
Повреждения реле
Если на стадии диагностики стабилизатора напряжения была выявлена неисправность реле, то лучшее, что можно сделать, – заменить новым. Так будет гораздо надёжнее. Однако, если принято решение ремонтировать реле, то делать это нужно по следующему алгоритму:
Необходимо прозвонить мультиметром катушку реле. Если она в обрыве, то её нужно перемотать (здесь опять нужен электрообмотчик).
Если катушка исправна, то реле следует разобрать
Делать это нужно крайне осторожно, чтобы не повредить его содержимое.
У разобранного прибора осматриваются контакты на предмет оплавлений, обгораний или потемнений. Если таковые имеются, то их следует устранить надфилем или тонкой пилкой для ногтей
Сгодится что угодно, лишь бы убрать нагар и неровности.
Затем на катушку реле подаётся напряжение, чтобы убедиться, что её нормально-разомкнутые контакты приходят в движение и соединяются. Надёжность работы необходимо проверить омметром. Переходное сопротивление контактов должно быть близким к нулю.
После реле собирается. По возможности оно испытывается под нагрузкой пару часов и в случае успешно пройденных испытаний возвращается обратно.
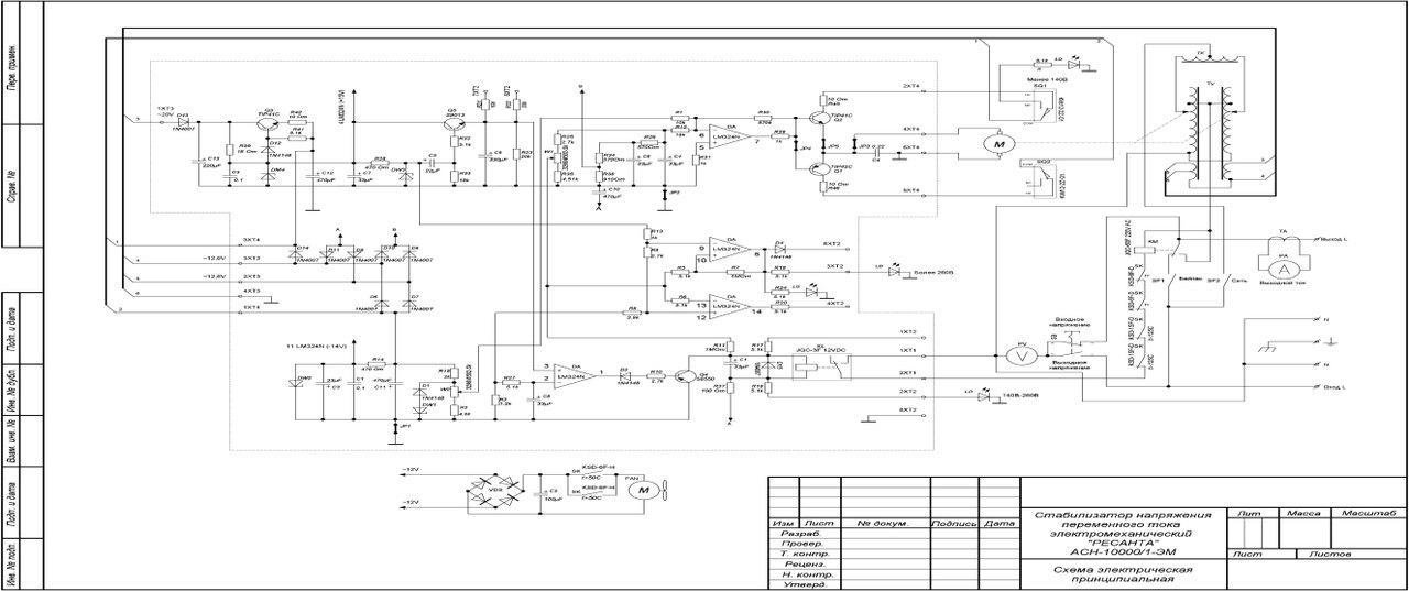
Ремонт электромеханического стабилизатора АСН-10000/1-ЭМ
Принципиальная электрическая схема стабилизатора АСН-10000/1 ЭМ показана на рис.1, печатная плата контроллера этого стабилизатора – на фото 1.
Принцип действия электромеханических стабилизаторов основан на плавном и точном регулировании выходного напряжения.
Изменение напряжения происходит за счёт скольжения электрического контакта по обмотке автотрансформатора с помощью электропривода.
В стабилизаторе вырабатывается напряжение ошибки, которое усиливается операционным усилителем и транзисторным выходным каскадом (усилителем мощности),
а затем оно подаётся на двигатель. В зависимости от полярности сигнала ошибки ось двигателя вращается в ту или иную сторону.
На оси двигателя закреплён ползунок, который перемещается по обмотке автотрансформатора, тем самым, нормализуя выходное напряжение.
Рассмотрим одну характерную неисправность, возникающую в процессе эксплуатации электромеханических стабилизаторов,
на примере АСН-10000/1-ЭМ фирмы «Ресанта» и методы ее устранения.
Отсутствует стабилизация выходного напряжения.
Уровень выходного напряжения может быть различным и находиться в неизменном состоянии.
Ощущается запах перегретых компонентов. «Ахиллесовой пятой» электромеханических стабилизаторов является реверсивный двигатель.
Контроллер стабилизатора постоянно отслеживает уровень выходного напряжения. В результате этого, ротор двигателя находится почти в постоянном вращении,
что приводит к преждевременному износу двигателя. После остановки двигателя может выйти из строя выходной каскад управления двигателем,
собранный на комплементарной паре транзисторов Q1 TIP42C и Q2 TIP41C. Кроме этих транзисторов от перегрева выгорают резисторы R45 и R46,
включенные в их коллекторную цепь. Их сопротивление 10 Ом, а мощность 2 Вт. Не лишним будет проверить также линейный стабилизатор,
собранный на транзисторе Q3 TIP41C и стабилитроне DM4.
Безусловно, изношенный двигатель требует замены, но при невозможности замены можно попытаться его отреставрировать.
Один из простых способов реанимации неисправного двигателя следующий:
• отключить двигатель от схемы;
• подать на его выводы постоянное напряжение 5 В от мощного источника питания, например от компьютерного блока питания ATX.
При этом происходит отжиг мелких частиц «мусора» на щётках двигателя.
Нормальный ток потребления двигателя должен быть в пределах 90.. .160 мА.
Поскольку двигатель реверсивный, напряжение на двигатель следует подавать дважды со сменой полярности.
После этих нехитрых манипуляций работоспособность двигателя временно восстанавливается.
Ремонт платы управления
Диагностика и ремонт управляющей платы требуют хотя бы минимальных знаний в электронике. Нужно убедиться, что на все узлы схемы поступает питание. Проверить напряжение на коллекторах выходных транзисторов и на операционном усилителе. Микросхема ha17324a в стабилизаторе напряжения встречается наиболее часто. Она и есть вышеописанный ОУ, на котором следует проверить питание. Затем плата исследуется на наличие вздутых или потёкших конденсаторов (электролитов), пробитых диодов, резисторов в обрыве, сгоревших предохранителей и банально отвалившихся деталей. Особо тщательно осматриваются места пайки компонентов, ведь там возможны трещины. Крупные детали нужно пошевелить рукой, чтобы убедиться, что они надёжно впаяны в плату. Данные проблемы являются наиболее распространённой причиной поломки любого электронного устройства, их нужно искать в первую очередь.
Микросхема HA17324A
Дополнительная информация. Для точной проверки транзистора его следует выпаять из платы. В противном случае возможен некорректный результат.
Для человека, владеющего знаниями и опытом по ремонту электрики и электроники, наладка стабилизатора напряжения не составит особой сложности. Такая работа в большинстве случаев считается оправданной. Покупка нового устройства обойдётся в разы дороже, чем приобретение деталей для его ремонта.
Ремонт релейных стабилизаторов напряжения
В релейных стабилизаторах наименьшую надежность имеют электромагнитные реле. Протекание больших токов через контакты вызывает их обгорание или даже спекание. Последнее опасно тем, что может вызвать короткое замыкание части обмоток автотрансформатора.
Стабилизаторы напряжения Ресанта или аналогичные имеют на плате пять реле, коммутирующие по определенному алгоритму части обмоток автотрансформатора. Преимущественные колебания входного напряжения около одной величины приводят к тому, что постоянно в работе находятся только часть реле, одно или два. Поэтому именно они, прежде всего, выходят из строя.
Поиск неисправного элемента затрудняется тем, что малогабаритные реле низко,- и среднемощных стабилизаторов имеют непрозрачный неразборный корпус. Иногда можно определить неисправное реле путем легкого постукивания по корпусу каждого реле изолированной ручкой отвертки. При механическом воздействии сопротивление между обгоревшими контактами может восстановиться, а спекшиеся контакты – разомкнуться. Найденные реле необходимо менять в обязательном порядке.

Релейная плата
Мощные устройства могут иметь реле в прозрачном корпусе, через который визуально наблюдается работа контактных групп. Кроме того, корпус выполнен разборным для возможности очистки. Обгоревшие контакты можно привести в порядок мелкозернистой наждачной шкуркой. Размер зерна должен быть еще меньше, чем при чистке обмоток электромеханических стабилизаторов.

Реле в прозрачном корпусе
В том случае, если визуальный осмотр не выявил повреждений, реле можно выпаять из платы и прозвонить контакты при помощи омметра. Расположение и нумерация контактов приведены на одной из сторон корпуса реле. Между нормально разомкнутыми контактами прибор должен показывать бесконечно большое сопротивление, а между замкнутыми –близкое к нулю. Подав постоянное напряжение 12 В на управляющую обмотку, прозванивают контакты еще раз. Теперь те, что были разомкнутыми, должны замкнуться и наоборот.
Важно! Реле имеют мощные выводы и для пайки требуют использования соответствующего паяльника. Не перегрейте печатные проводники
Принцип работы
Конструктивное строение стабилизатора напряжения Ресанта выглядит следующим образом:
- трансформатор автоматического типа;
- электронный блок;
- вольтметр;
- орган управления, который ответственен за запуск и отключение некоторых обмоток.
Данным производителем выпускается множество различных типов стабилизаторов, поэтому и данные органы подключения обмоток будут разниться. О всех этих нюансах мы поговорим чуть позже, во время рассмотрения процедуры ремонта.
В данной конструкции определяющим является электронный блок, который осуществляет общее управление всей системой агрегата. Он ответственен за работу вольтметра, а также к нему поступают сведения о мощности входного напряжения. Затем, блок сравнивает полученные значения с оптимальными, определяя следующее действие, т.е. нужно ли добавить несколько вольт или, напротив, отнять некое количество.
Далее, по цепочке, идет определение необходимых обмоток — какие их них нужно запустить, а какие отключить. Затем, электронный блок осуществляет одно из этих действий, после чего все электрические приборы, находящиеся в квартире, получают стабильный ток.
Безусловно, сам процесс стабилизации может быть немного разным, в зависимости от типа выпускаемого устройства.
Данное различие распространяется на виды обмоток, а также методы их запуска и отключения. На сегодняшний день, компания Ресанта выпускает два вида данных стабилизаторов:
- Электромеханического типа.
- Релейные.
Соответственно, ремонт их будет несколько иным.
Особенности работы электромеханического стабилизатора
Начнем свое рассмотрение со стабилизаторов электромеханического типа. В его конструкции присутствует сервопривод, который и осуществляет запуск и отключение обмоток в устройстве.
Сам сервопривод состоит из двигателя, на котором располагается электрический контакт (щетка). При движении якоря данного мотора, соответственно, крутится и эта щетка, постоянно контактируя обмотками из меди. Ширина данной щетки позволяет осуществлять полный обхват всей обмотки, что позволяет фазе не пропадать.
Чтобы щетка двигалась в заданном направлении с нужными характеристиками, в устройстве возникает напряжение ошибки. Затем, данное значение напряжения растет. Далее оно передается к двигателю, что и заставляет якорь вращаться в оптимальном направлении. Соответственно, щетка также движется, как и якорь, в том же заданном направлении. При этом осуществляется непосредственный контакт с обмотками.
Значение напряжения ошибки будет пропорциональным тому значению, формируемое разницей между реальным вольтовым значением на входе и тем значением, которое должно там быть. Данный сигнал может обладать одной из двух полярностей, каждая из которых задает определенное направление движения. Ниже приведена схема подобного стабилизатора напряжения:

Вне зависимости от конкретной модели, строение данного стабилизатора напряжения будет практически одинаковым. Отличаются они между собой разными значениями мощности и отдельными элементами цепи.
Особенности работы релейного стабилизатора
Все релейные стабилизаторы выравнивают значения тока путем скачков. Это объясняется тем, что реле осуществляет запуск или отключение витков, расположенных на второй обмотке. Электромеханический стабилизатор выполняет этот процесс более плавно, чем релейный.
Релейные агрегаты от Ресанта осуществляют подключение витков до тех пор, пока не найдут нужный. Все эти витки условно разделены на подгруппы, при чем от каждого витка есть вывод, на который и поступает ток при запуске устройства.
Схема всех релейных стабилизаторов данной марки показывает, что в её конструкции присутствует порядка четырех элементов реле. В отдельных случаях, это количество может ровняться пяти (модели СПН).
В случае релейных стабилизаторов, именно реле является наиболее уязвимым местом всего устройства. Это обуславливается тем, что оно находится в постоянном рабочем режиме, что существенно увеличивает риски выхода из строя.

Цены на ремонт стабилизаторов напряжения
| Наименование услуги по ремонту | Стоимость, руб. |
|---|---|
| Выезд сервисного инженера | от 1500 |
| Диагностика стабилизаторов на предмет поломки | от 400 |
| Доставка оборудования в сервисный центр в пределах МКАД | 300 |
| Доставка оборудования из сервисного центра в пределах МКАД | от 400 |
| Доставка оборудования в сервисный центр за МКАД | 20р\км |
| Доставка оборудования из сервисного центра за МКАД | 20р\км |
| Замена трансформаторов | от 1500 |
| Замена клеммных колодок | от 500 |
| Замена вентилятора охлаждения | от 200 |
| Замена автоматического выключателя | от 100 |
| Ремонт платы управления | от 400 |
| Замена цифрового измерителя | от 500 |
| Ремонт электродвигателя | от 600 |
Нужна консультация по ремонту стабилизатора?
Звоните нам по номеру (926) 101-91-71.
Принцип работы
Как и все стабилизаторы напряжения, так и нормализаторы марки «Ресанта» состоят из:
- автоматического трансформатора.
- электронного блока.
- вольтметра.
- элемента, который осуществляет подключение/отключение определенных обмоток.
Учитывая то, что производитель осуществляет выпуск различных видов стабилизаторов, элементы для подключения обмоток являются разными. О них мы отметим несколько ниже, а именно тогда, когда будем рассматривать особенности работы и ремонта каждого вида нормализатора от латвийского производителя.
Электронный блок любого стабилизатора компании «Ресанта» осуществляет управление всей работой устройства. Он управляет работой вольтметра и получает данные об уровне входного напряжения. Дальше он сравнивает это напряжение с нормированным и определяет, сколько вольт нужно добавить или отнять.
После этого определяется то, какие обмотки стабилизатора нужно подключить или же отключить. Когда известна эта информация электронный блок подключает/отключает необходимые обмотки с помощью реле или сервопривода и наши электроприборы получают нормализованный ток.
Такой принцип стабилизации тока присущ каждому стабилизатору напряжения от компании «Ресанта». Однако процесс стабилизации в различных моделях компании имеет отличия. Они обусловлены тем, что по-разному происходит подключение/отключение обмоток трансформатора.
В стенах компании выпускается два типа стабилизаторов:
- Электромеханические.
- Релейные.
И, конечно, ремонт каждого из них имеет свои особенности.
Это интересно: Как защитить провода от кролика?
Список источников
- samelectrik.ru
- amperof.ru
- staby.ru
- generatorexperts.ru
- electricadom.com
- SamElectric.ru
- lightika.com
- jelectro.ru
7 лестниц